Оглавление
- Форм-фактор
- Технические характеристики
- Основная функциональность: чипсет, процессор, память
- Периферийная функциональность: PCIe, SATA, разные «прибамбасы»
- Периферийная функциональность: USB-порты, сетевые интерфейсы, ввод-вывод
- Аудиоподсистема
- Питание, охлаждение
- Подсветка
- Программное обеспечение под Windows
- Настройки BIOS
- Работоспособность (и разгон)
- Выводы
В данном разделе мы изучаем как устроена та или иная материнская плата, на что способна ее система питания, с каким комплектом физических «штучек», а также программных средств она попадает к потребителю. Исследование процессоров — в своем разделе, и в частности, имеется материал по AMD Ryzen 9 7950X.
Напомню, что такая фигурная крышка у новой серии процессоров AMD — требования инженеров, желавших оставить ряд электрических компонентов SMD за пределами крышки, чтобы не подвергать их высоким температурам. А разместить их внизу чипа уже не получится из-за LGA-формата. Все это вынуждает нас более тщательно подходить к процессу накладывания термопасты на такой CPU.
Сегодня мы впервые рассмотрим материнскую плату на базе среднебюджетного чипсета AMD B650E, который от своего топового собрата X670E отличается тем, что... физически чип – один. Поясню: чипсеты X670/X670E представляют собой набор из двух физических чипов (названных AMD как «восходящий» и «нисходящий»). Так вот, реально каждый из этих чипов представляет собой B650/650E. То есть, X670 = 2x B650. При этом все же при работе в виде «тандема» из двух B650 в лице X670, мы получаем не полностью удвоенные параметры B650: например, у B650 – 8 линий PCIe 4.0, но у X670 их не 16, а 12. Также и портов USB 3.2 Gen2 у B650 – до 6, однако у X670 – не до 12, а всего лишь до 8. С чем связаны такие урезания – непонятно, возможно, что какие-то маркетинговые ухищрения.
Чипсеты B650 и B650E, как и X670 и X670E отличаются между собой поддержкой версии PCIe 4.0 для слота PCIe x16 в случае без «Е» и версии PCIe 5.0 для того же слота в случае с «Е».
Таблица основных отличий чипсетов B650 и X670.
| Особенности | B650/B650E | X670/X670E |
|---|---|---|
| Совместимость с процессорами AMD | Ryzen 7xxx | Ryzen 7xxx |
| Версия PCIe (процессор) | 4.0 & 5.0/5.0 | 4.0 & 5.0/5.0 |
| Количество линий PCIe (процессор) | 28 | 28 |
| Количество линий PCIe от процессора на связь с чипсетом | x4 PCIe 4.0 | x4 PCIe 4.0 |
| Версия PCIe (чипсет) | 3.0 & 4.0 | 3.0 & 4.0 |
| Количество линий PCIe (чипсет) | 12 (8 x 4.0 & 4 x 3.0) | 20 (12 x 4.0 & 8 x 3.0) |
| Поколение ОЗУ | DDR5 | DDR5 |
| Количество каналов ОЗУ | 2 | 2 |
| Максимальное количество слотов ОЗУ | 4 | 4 |
| Максимальный объем ОЗУ | 128 ГБ | 128 ГБ |
| Количество портов SATA 6.0 Gb/s до | 4 | 8 |
| Порты USB 3.2 Gen 2x2 (20Gbps) до | 1 | 2 |
| Порты USB 3.2 Gen 2x1 (10Gbps) / Gen 1x1 (5Gbps) до | 6 | 8 |
| Порты USB 2.0 до | 6 | 12 |
| Возможность разгона по частоте шины | Да | Да |
Теперь возвращаемся к самой матплате.
Мы знаем, что у Gigabyte кроме собственного бренда есть суббренд Aorus, в который компания относит все самые навороченные и флагманские продукты. Вот наша сегодняшняя плата (несмотря на то, что базируется на среднебюджетном чипсете) относится к этой серии — Gigabyte B650E Aorus Master, базируемая на AMD B650E.
Поехали.
Gigabyte B650E Aorus Master поставляется в традиционной для Aorus коробке из жесткого картона с фирменным орлиным дизайном серии. Комплект размещен под платой в отдельных отсеках.
Комплект поставки в целом неплох: кроме традиционных элементов типа руководства пользователя и кабелей SATA, имеются антенна встроенного Wi-Fi/BT-модуля, удлинитель и адаптер для подключения подсветок, фирменный G-connector для передней панели), два термодатчика, датчик шума, бонусные наклейки.
ПО не поставляется, впрочем за время путешествия платы к покупателю оно все равно успевает устареть, так что придется его обновлять с сайта производителя сразу после покупки.
«Заглушка» на заднюю панель с разъемами уже смонтирована на самой плате.
Форм-фактор
Форм-фактор ATX имеет размеры до 305×244 мм, а E-ATX — до 305×330 мм. Материнская плата Gigabyte B650E Aorus Master имеет размеры 305×244 мм, поэтому выполнена в форм-факторе ATX, и на ней имеются 9 монтажных отверстий для установки в корпус. Однако следует иметь в виду, что одно из девяти монтажных отверстий перекрыто радиатором для слота M.2 (M2A_CPU).
На оборотной стороне почти ничего нет. Текстолит обработан хорошо: во всех точках пайки не только острые концы срезаны, но и все неплохо отшлифовано. На задней стороне установлена пластина из алюминия с наноуглеродным покрытием. Она пластина помогает отводить тепло от задней стороны PCB через термоинтерфейс и обеспечивает жесткость материнской платы.
Технические характеристики
Традиционная таблица с перечнем функциональных особенностей.
| Поддерживаемые процессоры | AMD Ryzen 7xxx под AM5 |
|---|---|
| Процессорный разъем | AM5 |
| Чипсет | AMD B650E |
| Память | 4 × DDR5, до 128 ГБ, до DDR5-6666 (XMP/Expo), два канала |
| Аудиоподсистема | 1 × Realtek ALC1220 (7.1) + ЦАП ESS ES9118 |
| Сетевые контроллеры | 1 × Intel i225-V Ethernet 2.5 Гбит/с 1 × AMD (MediaTek) Dual Band Wireless RZ616 (MT7922A22M) (Wi-Fi 802.11a/b/g/n/ac/ax (2,4/6 ГГц) + Bluetooth 5.2) |
| Слоты расширения | 1 × PCI Express 5.0 x16 1 × PCI Express 4.0 x16 (режим x4) 1 × PCI Express 4.0 x16 (режим x2) |
| Разъемы для накопителей | 4 × SATA 6 Гбит/с (B650E) 1 × M.2 (CPU, PCIe 5.0 x4 для устройств формата 2260/2280/25110) 3 × M.2 (CPU, PCIe 5.0 x4 для устройств формата 2260/2280/22110) |
| USB-порты | 4 × USB 2.0: 4 порта Type-A (черные)(Genesys Logic GL850G) 4 × USB 2.0: 2 внутренних разъема на 4 порта (B650E) 2 × USB 3.2 Gen1: 1 внутренний разъем на 2 порта (B650E) 4 × USB 3.2 Gen1: 4 порта Type-A (синие) (RTS5411) 1 × USB 3.2 Gen2x2: 1 внутренний разъем Type-C (B650E) 1 × USB 3.2 Gen2: 1 порт Type-C (CPU) 4 × USB 3.2 Gen2: 4 порта Type-A (красные) (B650E+CPU) |
| Разъемы на задней панели | 1 × USB 3.2 Gen2 (Type-C) 4 × USB 3.2 Gen2 (Type-A) 4 × USB 3.2 Gen1 (Type-A) 4 × USB 2.0 (Type-A) 1 × RJ-45 2 аудиоразъема типа миниджек 1 × S/PDIF (оптический, выход) 1 × HDMI кнопка сброса CMOS 2 антенных разъема кнопка перепрошивки BIOS — Q-Flash Plus |
| Прочие внутренние элементы | 24-контактный разъем питания ATX 2 8-контактных разъема питания EPS12V 1 слот M.2 (E-key), занят адаптером беспроводных сетей 1 разъем для подключения порта USB 3.2 Gen2x2 Type-C 1 разъем для подключения 2 портов USB 3.2 Gen1 2 разъема для подключения 4 портов USB 2.0 10 разъемов для подключения 4-контактных вентиляторов и помп ЖСО 2 разъема для подключения неадресуемой RGB-ленты 2 разъема для подключения адресуемой ARGB-ленты 1 разъем аудио для передней панели корпуса 1 разъем для сброса CMOS 1 разъем TPM для систем безопасности 1 разъем для подключения карт Thunderbolt 2 разъема для термодатчиков 1 разъем для подключения управления с передней панели корпуса 1 кнопка включения питания Power 1 кнопка перезагрузки Reset |
| Форм-фактор | ATX (305×244 мм) |
| Примерная цена |
Основная функциональность: чипсет, процессор, память

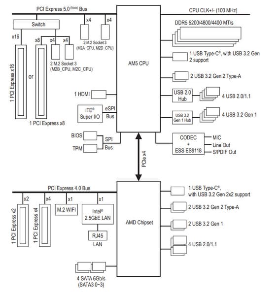
Схема работы связки чипсет+процессор.
Процессоры Ryzen 7000 поддерживают:
- 3 порта USB 3,2 Gen2 Type-C,
- 1 порт USB 3,2 Gen2 Type-A,
- 1 порт USB 2.0,
- 28 линий ввода-вывода (включая PCI-E 5.0):
- 4 линии из них идут на взаимодействие с X670/X670E,
- 16 линий — это PCI-E 5.0 слоты для видеокарт,
- Осталось 8 линий PCIe 5.0:
- 4 линии — это слот M.2,
- остальные 4 могут конфигурироваться производителями материнских плат на выбор.
В свою очередь чипсет B650/B650E поддерживает до:
- 6 портов USB 3.2 Gen2,
- 1 порта USB 3.2 Gen2x2,
- 6 портов USB 2.0,
- 12 линий ввода-вывода:
- распределение линий: 8 PCIe 4.0 + 4 PCIe 3.0;
- линии PCIe 3.0 могут включать до 4 портов SATA.
Таким образом в сумме от тандема B650/B650E+Ryzen 7000 мы получаем:
- 16 PCI-E 5.0 линий для видеокарт (от процессора);
- 1 порт USB 3.2 Gen2x2 (от чипсета);
- 10 портов USB 3.2 Gen2 (4 от процессора, 6 от чипсета);
- 7 портов USB 2.0 (1 от процессора, 6 от чипсета);
- 4 порта SATA 6Гбит/с (от чипсета, входят в состав линий PCIe 3.0)
- 8 линий PCIe 5.0 (от процессора), 4 из которых — на слот М.2, 4 — могут образовывать разные варианты комбинаций портов и слотов (в зависимости от производителя материнских плат);
- 8 линий PCI-E 4.0 ( от чипсета), которые могут образовывать разные варианты комбинаций портов и слотов (в зависимости от производителя материнских плат);
- 4 линии PCI-E 3.0 ( от чипсета), которые могут образовывать разные варианты комбинаций портов и слотов (в зависимости от производителя материнских плат).
Итого: до 18 портов USB, 20 свободных PCI-E линий (включая до 4 портов SATA).
Еще раз напомню, что чипсеты AMD B650 и B650E полностью равнозначны по функциональности (набору портов и линий), но слот PCIe x16 (для видеокарт), получаемый данные от процессора в случае B650E получает версию PCIe 5.0, а в случае B650 — 4.0. Отсутствие версии 5.0 у слота для видеокарт помогает снизить стоимость материнских плат в случае с B650, ибо разработчики смогут экономить на усилителях (редрайверах) сигнала PCIe 5.0, которые пока весьма недешевы, а также матплаты с «не-Е» чипсетом не имеют крайне жестких требований к разводке печатной платы, чтобы избежать искажений сигналов.
Новое поколение Ryzen 7xxx поддерживает как традиционные уже модули памяти DDR5 c Intel XMP (Extreme Memory Profile) (которые через Direct Over Clock Profile (DOCP) подгоняются под характеристики, заложенные в XMP), так и модули с проприетарным от AMD профилем Expo.
Детально об этом всем имеется в материале по самому процессору Ryzen 9 7950X и архитектуре Zen4, здесь лишь я замечу, что пока у нас в лаборатории таких модулей памяти нет (использовали память на 6000 МГц по XMP с CL32).
Gigabyte B650E Aorus Master поддерживает процессоры AMD поколения 7000, выполненные под разъем (сокет) AM5.
Для установки модулей памяти на плате имеется четыре DIMM-слота (для работы памяти в Dual Channel в случае использования всего 2 модулей их следует устанавливать в А2 и B2). Плата поддерживает небуферизованную память DDR5, а максимальный объем памяти составляет 128 ГБ. Поддерживаются профили XMP и Expo.
Слоты DIMM имеют металлическую окантовку, которая препятствует деформации слотов и печатной платы при установке модулей памяти и защищает от электромагнитных помех. С той же целью проводники к ОЗУ тщательно экранированы.
Периферийная функциональность: PCIe, SATA, разные «прибамбасы»
Выше мы изучили потенциальные возможности тандема B650E+Ryzen, а теперь посмотрим, что из этого и как реализовано в данной материнской плате.
Итак, кроме USB-портов, к которым мы подойдем позже, чипсет B650E обладает 12 PCIe линиями. Считаем, сколько линий уходит на поддержку (связь) с тем или иным элементом:
- Слот PCIe x16_2 (4 линии PCIe 4.0);
- Слот PCIe x16_3 (2 линии PCIe 4.0);
- SATA 0,1,2,3 (4 линии PCIe 3.0);
- Intel i225-V (Ethernet 2.5 Gb/s) (1 линия PCIe 4.0);
- AMD RX616 WIFI/BT (Wireless) (1 линия PCIe 4.0)
12 линий PCIe (8 версии 4.0 и 4 версии 3.0) оказались занятыми, включая 4 порта SATA.
Теперь посмотрим выше на то, как работают процессоры в данной конфигурации. У всех Ryzen 7xxx — 24 линии PCIe (плюс 4 линии на даунлинк с чипсетом). Смотрим распределение:
- Порт M.2 (M2A_CPU) (4 линии PCIe 5.0);
- Порт M.2 (M2D_CPU) (4 линии PCIe 5.0);
- Переключатель: или слот PCIe x16_1 (16 линий PCIe 5.0) и порты M.2 (M2C_CPU, M2B_CPU) отключены; или порты M.2 (M2C_CPU, M2B_CPU) активны (4 + 4 линии PCIe 5.0), но слот PCIe x16_1 получает 8 линий PCIe 5.0
В процессорах Ryzen встроен контроллер High Definition Audio (HDA), связь с аудиокодеком идет путем эмуляции PCI шины. А также контроллер USB 2.0 Genesys Logic GL850G использует линию USB 2.0 от CPU, а Realtek RTS5411 использует 1 линию USB 3.2 Gen1 от B650E (детали ниже в разделе USB портов).
Выше приведена полная схема распределения ресурсов по слотам PCIe. Всего на плате есть 3 слота PCIe: один PCIe x16 PCIe 5.0, получающий данные от процессора, и два «длинных» слота, получающие данные от B650E, но работающие по схеме x4 и x2.
«Процессорный» слот PCIe x16 имеет металлическое армирование из нержавеющей стали, которое увеличивает надежность (что может быть важным в случае довольно частой смены видеокарт, но что более важно: такой слот легче выдержит нагрузку на изгиб в случае установки очень тяжелой видеокарты топового уровня. Кроме того, такая защита предохраняет слоты от электромагнитных помех.
Для удобного извлечения видеокарт из слота имеется специальный длинный боковой «рычаг» — EZ-фиксатор, что позволяет легко достать до замка слота.

Матплата позволяет смонтировать СО любого размера.
Поскольку имеются переключения работы слота PCIe x16_1 и портов М.2, то востребованы мультиплексоры от Lerain, специально предназначенные для работы с шиной PCIe 5.0.
Для поддержания стабильных частот на шине PCIe 5.0 (и для нужд оверклокеров) имеется внешний тактовый генератор RC21008 от Renesas.
На очереди — накопители.
Всего у платы 4 разъема Serial ATA 6 Гбит/с + 4 слота для накопителей в форм-факторе M.2. Все порты SATA реализованы через чипсет B650E и поддерживают создание RAID.
Материнская плата имеет 4 гнезда форм-фактора М.2.
Все 4 слота поддерживают размеры модулей 2260/2280, также M2A_CPU поддерживает размер модулей 25110, а остальные 3 слота – 22110. Все слоты работают с модулями только с PCIe интерфейсом и получают данные от CPU.
Все M.2 слоты имеют радиаторы. Верхний M2A_CPU обладает отдельным радиатором, когда как остальные M.2 имеют общий радиатор.
Надо еще раз отметить, что все М.2 слоты получают данные от CPU, при этом M2C_CPU и M2B_CPU делят ресурсы со слотом PCIe x16_1, о чем выше я уже говорил, там же можно видеть картинку распределения ресурсов.
Периферийная функциональность: USB-порты, сетевые интерфейсы, ввод-вывод
На очереди USB-порты. И начнем с задней панели, куда выведены большинство из них.
Повторим: чипсет B650E способен реализовать максимально: 6 портов USB 3.2 Gen2/1, 1 USB 3.2 Gen2x2, 6 портов USB 2.0. Процессор Ryzen 7000 способен реализовать до 4 портов USB 3.2 Gen2 и 1 USB 2.0.
Также мы помним и про 12 линий PCIe от чипсета, которые идут на поддержку накопителей, сетевых и иных контроллеров (я выше уже показал на что и как расходуются все 12 линий).
И что мы имеем? Всего на материнской плате — 20 портов USB:
- 1 порт USB 3.2 Gen2x2: реализован через B650E и представлен внутренним портом Type-C для подключения к соответствующему разъему на передней панели корпуса;
- 5 портов USB 3.2 Gen2: 3 реализованы через процессор и представлены на задней панели двумя портами Type-A (красные) и одним портом Type-C; еще 2 реализованы через B650E и представлены на задней панели 2 портами Type-A (красные);
- 6 портов USB 3.2 Gen1: 2 реализованы через B650E и представлены внутренним разъемом на материнской плате на 2 порта; еще 4 реализованы через контроллер Realtek RTS5411 (на него потрачена 1 линия USB 3.2 Gen1) и представлены на задней панели 4 портами Type-A (синие);
- 8 портов USB 2.0/1.1: 4 реализованы через B650E и представлены двумя внутренними разъемами (каждый на 2 порта); еще 4 реализованы через контроллер Genesys Logic GL850G (на него потрачена 1 линия USB 2.0 от CPU) и представлены 4 портами Type-A на задней панели (черные).
Итак, через чипсет B650E реализовано 1 USB 3.2 Gen2x2, 2 USB 3.2 Gen2, 2 USB 3.2 Gen1 и 5 USB 2.0 портов (помним, что беспроводной контроллер требует одну линию USB 2.0).
Плюс 12 линий PCIe, выделенные на поддержку иной периферии. Итого, у B650E в данном случае реализовано 17 высокоскоростных портов.
Все быстрые USB порты Type-A/Type-C имеют свои усилители сигнала PI3EQX1004 от Diodes Inc.(ex Pericom).
А для нужд быстрой зарядки порт Type-C на задней панели и аналогичный внутренний порт для вывода на переднюю панель имеют редрайверы от Realtek.
Теперь о сетевых делах.
Материнская плата оснащена средствами связи хорошо. Имеется скоростной Ethernet-контроллер: Intel i225-V, способный выдавать до 2,5 Гбит/с.
Имеется и комплексный беспроводной адаптер на контроллере MediaTek MT7922A22M (AMD RZ616), через который реализованы Wi-Fi 6E (802.11a/b/g/n/ac/ax) и Bluetooth 5.2. Он установлен в слот M.2 (E-key), и его разъемы для привинчивания выносных антенн выведены на заднюю панель.
Заглушка, традиционно надеваемая на заднюю панель, в данном случае уже надета, и изнутри экранирована для снижения электромагнитных помех.
Аудиоподсистема
Мы знаем, что уже достаточно давно в большинстве современных материнских платах звуком заведовал аудиокодек Realtek ALC1220. Он обеспечивает вывод звука по схемам до 7.1 с разрешением до 24 бит / 192 кГц.
Имеется ЦАП ESS ES9118.
В аудиоцепях платы применяются «аудиофильские» конденсаторы.
Аудиотракт вынесен на угловую часть платы, не пересекается с другими элементами. У карты два универсальных разъема с позолоченным покрытием по приему и выводу сигналов плюс оптический S/PDIF. Вывод по схеме 7.1 возможен только через S/PDIF (аналоговая схема упрощена до стерео).
Питание, охлаждение
Для питания платы на ней предусмотрены 3 разъема: в дополнение к 24-контактному ATX здесь есть еще два ATX12V (8 контактов). Все разъемы имеют стальное армирование.
Для материнки на среднебюджетном чипсете система питания очень внушительная.
Внешне схема питания выглядит как 16+2+2: 16 фаз — ядро процессора, 2 фазы — SoC (I/O-чиплет Ryzen), 2 фазы — VDD_MISC (вывод встроенной графики).
Управляет фазами VCore и SoC цифровой контроллер RAA229620 от Renesas.
Фазы питания VDD_MISC — под управлением ШИМ-контроллера RAA229621.
Каждая фаза VCore имеет по транзисторной сборке RAA22010540 от Renesas (до 105А).
Остальные схемы питания снабжены сборками ISL99390 также от Renesas (до 90А).
Теперь про охлаждение.
Все потенциально сильно греющиеся элементы имеют свои собственные радиаторы. Чипсет B650E имеет весьма широкий радиатор, он прекрасно справляется с охлаждением без вентилятора.
Остальной набор охлаждающих элементов весьма обычен и привычен.
Две группы силовых преобразователей имеют свои раздельные радиаторы, соединенные тепловой трубкой.
У всех модулей M.2, как я уже выше отмечал, есть свои радиаторы с термоинтерфейсом. У верхнего — свой отдельный радиатор, у трех остальных — общий. Следует особо отметить, что все 4 слота M.2 оснащены термопрокладками с обеих сторон. То есть под слотами также есть плоские тонкие радиаторы.
Материнская плата имеет бэкплейт с оборотной стороны, который не только защищает PCB от повреждений, но является вспомогательным охладителем VRM.
В целом надо сказать, что система питания имеет достаточно эффективную СО.
Подсветка
Программное обеспечение под Windows
Настройки BIOS
Работоспособность (и разгон)
Запускаем все в режиме по умолчанию. Затем нагружаем тестами от OCCT.
Хорошо известно, что современные технологии авторазгона от Intel (Turbo Boost) и AMD (Precision Boost) базируют свои лимиты подъема частот на информации о системе питания на той или иной матплате (сами понимаете, все контроллеры цифровые, в UEFI вся информация имеется). Также следует отметить, что данная плата от Gigabyte (как и другие, ранее проверенные уже нами) способна четко реализовать контроль за частотой IF (Infinity Fabric) (разумеется, если она выставлена в режиме Auto) и выставляет множитель для частоты памяти автоматически.
В данном случае авторазгон сработал отлично (до 5,4 ГГц по всем ядрам — это прекрасный уровень для матплаты не только на среднебюджетном чипсете, но и для топовых решений тоже). При этом стоит отметить, что во всех этих испытаниях мы не получили никаких нареканий на работу сопутствующих блоков, никаких перегревов или странных явлений не было.
Выводы
Материнская плата Gigabyte B650E Aorus Master — флагманский продукт компании на чипсете AMD B650E, представитель серии Aorus для процессорного разъема AM5 со стоимостью в районе 35-40 тысяч рублей. Плата поддерживает процессоры AMD Ryzen 7000 и создана для геймеров и просто энтузиастов. Следует отметить, что близкую стоимость на момент подготовки обзора имели очень неплохие платы на чипсете AMD X670E (а не на B650E), предлагающие более широкую поддержку периферии.
У Gigabyte B650E Aorus Master имеется 20 портов USB разных видов, включая 1 самый быстрый USB 3.2 Gen2×2. Слот PCIe х16 получает от процессора 16 линий PCIe 5.0, все 4 слота M.2 тоже подключены напрямую к процессору линиями PCIe 5.0, однако вследствие этого только 2 слота М.2 можно использовать без уменьшения количества линий у основного слота PCIe x16. У платы есть еще 2 слота PCIe x16, которые работают в режимах х4 и х2.
В арсенале этой модели также есть 4 порта SATA и 10 разъемов для вентиляторов. Несмотря на формальную принадлежность к среднебюджетному ценовому сегменту (если смотреть на чипсет), система питания процессора такая же мощная, как у более старших решений на базе X670. Плата имеет систему охлаждения для каждого потенциально греющегося элемента, включая накопители в слотах M.2 (термопрокладки для охлаждения накопителей есть с обеих сторон). Сетевые возможности хорошие: один проводной контроллер 2,5 Гбит/с и один самый современный беспроводной. В числе плюсов платы можно упомянуть подсветку на кожухе задних портов, а также широкие возможности для подключения дополнительных RGB-устройств.

Разумеется, Gigabyte B650E Aorus Master предлагает неплохие возможности для любителей разгона в виде множества настроек в BIOS Setup.
В номинации «Оригинальный дизайн» плата Gigabyte B650E Aorus Master получила награду:

Благодарим Владислава Громова
из Хабаровска (Telegram-канал)
за помощь в оперативном получении нового оборудования из Китая










































































































