Оглавление
- Форм-фактор
- Технические характеристики
- Основная функциональность: чипсет, процессор, память
- Периферийная функциональность: PCIe, SATA, разные дополнительные устройства
- Периферийная функциональность: USB-порты, сетевые интерфейсы, ввод-вывод
- Аудиоподсистема
- Питание, охлаждение
- Подсветка
- Программное обеспечение под Windows
- Настройки BIOS
- Работоспособность (и разгон)
- Выводы
Мы продолжаем изучать – как устроена та или иная материнская плата, на что способна система питания, с каким ассортиментом периферии, а также программных средств она попадает к потребителю.
Исследование процессоров — в своем разделе.
Почти год назад платформа AMD AM5 получила развитие: вышло новое поколение процессоров Ryzen 9xxx (включая модели с 3D-кешем). Вместе с ними обновилась и линейка системных чипсетов от AMD, новое поколение получило цифру 8, то есть X870/B850 и так далее.
Таблица основных отличий старших чипсетов AM5 двухлетней давности и последнего поколения.
| Особенности | B650/B650E | X870 | X670/X670E | X870E |
|---|---|---|---|---|
| Совместимость с процессорами AMD | Ryzen 7xxx/8xxx/9xxx | |||
| Версия PCIe (процессор) | 4.0 & 5.0/5.0 | 5.0 | 4.0 & 5.0/5.0 | 5.0 |
| Количество линий PCIe (процессор) | 28 | |||
| Количество линий PCIe от процессора на связь с чипсетом | x4 PCIe 4.0 | |||
| Версия PCIe (чипсет) | 3.0 & 4.0 | |||
| Количество линий PCIe (чипсет) | 12 (8 x 4.0 & 4 x 3.0) | 12 (8 x 4.0 & 4 x 3.0)* | 20 (12 x 4.0 & 8 x 3.0) | 20 (12 x 4.0 & 8 x 3.0)* |
| Поколение ОЗУ | DDR5 | |||
| Количество каналов ОЗУ | 2 | |||
| Максимальное количество слотов ОЗУ | 4 | |||
| Максимальный объем ОЗУ | 192 ГБ | |||
| Количество портов SATA 6.0 Gb/s до | 4 | 4 | 8 | 8 |
| Порты USB4 (40Gbps) до | необязательно, по желанию производителя через сторонний контроллер | 2 (обязательно) через сторонний контроллер с выделением для него 4х линий PCIe | необязательно, по желанию производителя через сторонний контроллер | 2 (обязательно) через сторонний контроллер с выделением для него 4х линий PCIe |
| Порты USB 3.2 Gen 2x2 (20Gbps) до | 1 | 1 | 2 | 2 |
| Порты USB 3.2 Gen 2x1 (10Gbps) / Gen 1x1 (5Gbps) до | 6 | 6 | 8 | 8 |
| Порты USB 2.0 до | 6 | 6 | 12 | 12 |
| Конфигурация слота PCIe x16 (от процессора) | только x16/x16 или x8+x8 или x8+x4+x4 | x16 или x8+x8 или x8+x4+x4 | только x16/x16 или x8+x8 или x8+x4+x4 | x16 или x8+x8 или x8+x4+x4 |
| Возможность разгона по частоте шины | Да | |||
Примечание: * – 4 линии PCIe 4.0 могут быть зарезервированы для контроллера USB4 как у чипсета, так и у CPU.
Обращу внимание на сходство X870 с B650E, и это не случайно: это по сути один и тот же чипсет.
Напомню, что 2 года назад AMD внедрила размещение старшего чипсета X670/X670E в виде двух микросхем Promontory 21, которые между собой также соединяются линиями PCIe 4.0, при этом каждый их этих чипов представлял собой фактически более младшие решения B650/B650E. Если как-то грубо отбросить трату 4х линии PCIe на связь между данными микросхемами, то можно сказать, что X6xx имеет ровно в 2 раза больше линий и портов, чем B6xx, то есть разница между X670/X670E и B650/650E – очень существенная именно по количеству имеющихся линий PCIe/USB. Суффикс «E» у тех чипсетов означает лишь поддержку PCIe 5.0 от процессора для слота PCIe x16 и слотов M.2 (а также возможность деления 16-ти линий на варианты x8+x8 или x8+x4+x4), когда как у аналогов без «Е» на «процессорных» слотах версия 4.0 (и 16 линий PCIe делить нельзя – только 1 вариант: все 16 линий на слот для видеокарт).
Теперь же следует четко запомнить и уяснить, что X870 – это по сути тот же B650E (плюс обязательная поддержка USB4), а не никакой не «X-чипсет» (к которому мы уже успели привыкнуть на примере X670/670E).
C учетом того, что у соответствующих чипсетов 8xx и 6xx серий практически идентичное количество портов и линий PCIe, очевидно, что поколение 8хх отличается от 6хх прежде всего обязательным присутствием контроллера USB4. На сегодня для этих целей повсеместно используется контроллер ASM4242 от ASMedia, и он для своей работы требует 4 линии PCIe, и (внимание!) они могут использоваться как от чипсета 8xx, так и от процессора Ryzen (за счет линий для NVMe (M.2) слотов). В данном случае мы имеем дело с очень правильным решением – дать потребителю выбор: или 2 порта USB4, или один из слотов M.2. Это дает возможность не жертвовать ресурсы на пока еще мало кому нужные USB4.
Теперь возвращаемся к самой матплате.
Общеизвестно, что у Gigabyte кроме собственного бренда есть суббренд Aorus, в который компания относит все самые навороченные и флагманские продукты. Вот наша сегодняшняя плата относится к этой серии — Gigabyte X870 Aorus Stealth Ice, базируемая на AMD X870. Плата относится к серии Stealth, которая подразумевает оборотное расположение всех основных контактов и гнезд.
Но не будем забегать вперед и начнем с упаковки.
Gigabyte X870 Aorus Stealth Ice поставляется в большой коробке из жесткого картона со снимаемой крышкой, на которой мы видим по сути белый дизайн с логотипами, это уже нам говорит о том, что внутри – матплата светлых тонов. Однако, где же знаменитый орлиный дизайн серии Aorus?
А вот теперь у подобных плат после снятия верхней крышки появилась еще одна, откидная, где имеется тот самый силуэт орла (Aorus), при этом он становится объемным.
Комплект размещен под платой в отдельных отсеках.
Несмотря на особенность серии Stealth, внутри суббренда Aorus данная плата не является флагманским решением, поэтому комплект поставки относительно скромен: кроме традиционных элементов типа руководства пользователя и кабелей SATA, имеются антенна встроенного Wi-Fi/BT-модуля, фирменный G-connector для передней панели, бонусные наклейки и запасные слайдеры для M.2 слотов.
ПО не поставляется, впрочем за время путешествия платы к покупателю оно все равно успевает устареть, так что придется его обновлять с сайта производителя сразу после покупки.
«Заглушка» на заднюю панель с разъемами уже смонтирована на самой плате.
Форм-фактор
Форм-фактор ATX имеет размеры до 305×244 мм, а E-ATX — до 305×330 мм. Материнская плата Gigabyte X870 Aorus Stealth Ice имеет размеры 305×244 мм, поэтому выполнена в форм-факторе ATX, и на ней имеются 9 монтажных отверстий для установки в корпус. Однако следует иметь в виду, что четыре (!) из девяти монтажных отверстий перекрыты охлаждающими радиаторами.
На оборотной стороне расположены основные коннекторы (питания, SATA, USB и др.), а также традиционная некоторая логика. Текстолит обработан хорошо: во всех точках пайки острые концы срезаны,а также отшлифовано. Имеется и защитная пластина (бэкплейт) из алюминия с антиэлектропроводным покрытием. Она обеспечивает жесткость платы.
По поводу перекрытия крепежных отверстий: у платы имеется ряд декоративных планок на магнитах, которые легко снимаются, открывая доступ к паре указанных отверстий. Для доступа к остальным придется демонтировать радиаторы охлаждения слотов М.2.
Технические характеристики
Традиционная таблица с перечнем функциональных особенностей.
| Поддерживаемые процессоры | AMD Ryzen 7xxx/8xxx/9xxx под AM5 |
|---|---|
| Процессорный разъем | AM5 |
| Чипсет | AMD X870 |
| Память | 4 × DDR5, до 256 ГБ, до DDR5-8200 (XMP/Expo), два канала |
| Аудиоподсистема | 1 × Realtek ALC1220 (7.1) |
| Сетевые контроллеры | 1 × Realtek RTL8126 Ethernet 5 Гбит/с 1 × Qualcomm Dual Band Wireless QCNCM865 (Wi-Fi 7 802.11a/b/g/n/ac/ax (2,4/5/6 ГГц) + Bluetooth 5.4) |
| Слоты расширения | 1 × PCI Express 5.0 x16 1 × PCI Express 4.0 x16 (режим x4)** 1 × PCI Express 4.0 x16 (режим x2) |
| Разъемы для накопителей | 2 × SATA 6 Гбит/с (X870) 1 × M.2 (M2A_CPU, CPU, PCIe 5.0 x4 для устройств формата 2580/2280/22110/25110) 1 × M.2 (M2B_CPU, CPU, PCIe 5.0 x4 для устройств формата 2280/22110)* 1 × M.2 (M2C_SB, X870, PCIe 4.0 x4 для устройств формата 2280/22110) 1 × M.2 (M2D_SB, X870, PCIe 4.0 x4 для устройств формата 2280/22110)** |
| USB-порты | 4 × USB 2.0: 4 порта Type-A (черные)(Genesys Logic GL850G) 4 × USB 2.0: 2 внутренних разъема на 4 порта (X870) 2 × USB 3.2 Gen1: 1 внутренний разъем на 2 порта (X870) 4 × USB 3.2 Gen1: 4 порта Type-A (синие) (RTS5411) 1 × USB 3.2 Gen2x2: 1 внутренний разъем Type-C (X870) 2 × USB4: 2 порта Type-C (ASM4242)* 1 × USB 3.2 Gen2: 1 порт Type-C (CPU) 2 × USB 3.2 Gen2: 2 порта Type-A (красные) (X870) |
| Разъемы на задней панели | 2 × USB4 (Type-C) 1 × USB 3.2 Gen2 (Type-C) 2 × USB 3.2 Gen2 (Type-A) 4 × USB 3.2 Gen1 (Type-A) 4 × USB 2.0 (Type-A) 1 × RJ-45 2 аудиоразъема типа миниджек 1 × S/PDIF (оптический, выход) 1 × HDMI 2 антенных разъема |
| Прочие внутренние элементы | 24-контактный разъем питания ATX 1 8-контактный разъем питания EPS12V 1 4-контактный разъем питания EPS12V 1 слот M.2 (E-key), занят адаптером беспроводных сетей 1 разъем для подключения порта USB 3.2 Gen2x2 Type-C 1 разъем для подключения 2 портов USB 3.2 Gen1 2 разъема для подключения 4 портов USB 2.0 8 разъемов для подключения 4-контактных вентиляторов и помп ЖСО 1 разъем для подключения неадресуемой RGB-ленты 3 разъема для подключения адресуемой ARGB-ленты 1 разъем аудио для передней панели корпуса 1 разъем для сброса CMOS 1 разъем TPM для систем безопасности 2 разъема для термодатчиков 1 разъем для подключения управления с передней панели корпуса 1 кнопка включения питания Power 1 кнопка перезагрузки Reset 1 кнопка перепрошивки BIOS — Q-Flash Plus |
| Форм-фактор | ATX (305×244 мм) |
* M2B_CPU делит ресурсы портами USB4, подробности далее.
** M2D_SB делит ресурсы со слотом PCIe 4.0 x4, подробности далее.
Основная функциональность: чипсет, процессор, память


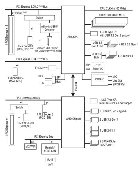
Схема работы связки чипсет+процессор.
Все процессоры Ryzen 7000/8000/9000 поддерживают:
- 3 порта USB 3,2 Gen2 Type-C,
- 1 порт USB 3,2 Gen2 Type-A,
- 1 порт USB 2.0,
Только Ryzen 7000/9000 поддерживают:
- 28 линий ввода-вывода (включая PCI-E 5.0, в случае работы с A620 пониженные до версии 4.0):
- 4 линии из них (в случае чипсета A620 пониженные до версии 3.0) идут на взаимодействие с чипсетом,
- 16 линий — это PCI-E 4.0 слот для видеокарт,
- Осталось 8 линий PCIe 4.0:
- 4 линии — это слот M.2,
- остальные 4 могут конфигурироваться производителями материнских плат на выбор.
Только Ryzen 8700/8600 поддерживают:
- 20 линий ввода-вывода (PCIe версии 4.0):
- 4 линии из них (в случае чипсета A620 пониженные до версии 3.0) идут на взаимодействие с чипсетом,
- 8 линий — это PCI-E 4.0 слот для видеокарт,
- Осталось 8 линий PCIe 4.0:
- 4 линии — это слот M.2,
- остальные 4 могут конфигурироваться производителями материнских плат на выбор.
Только Ryzen 8500/8300 поддерживают:
- 14 линий ввода-вывода (PCIe версии 4.0):
- 4 линии из них (в случае чипсета A620 пониженные до версии 3.0) идут на взаимодействие с чипсетом,
- 4 линии — это PCI-E 4.0 слот для видеокарт,
- Осталось 6 линий PCIe 4.0:
- 4 линии — это слот M.2,
- остальные 2 могут конфигурироваться производителями материнских плат на выбор.
В свою очередь чипсет X870 поддерживает до:
- 6 портов USB 3.2 Gen2,
- 1 порт USB 3.2 Gen2x2,
- 6 портов USB 2.0,
- 2 портов USB4;
- 12 линий ввода-вывода:
- распределение линий: 8 PCIe 4.0 + 4 PCIe 3.0;
- линии PCIe 3.0 могут включать до 4 портов SATA .
Из этой общей суммы следует минусовать 4 линии PCIe 4.0 для обеспечения хаба USB4 – ASMedia ASM4242 (по усмотрению производителя матплат эти линии могут быть взяты или у CPU, или у X870).
Таким образом в сумме от тандема X870+Ryzen 7000/9000 мы получаем:
- 16 PCI-E 5.0 линий для видеокарт (от процессора);
- 1 порт USB 3.2 Gen2x2 (от чипсета);
- 10 портов USB 3.2 Gen2 (4 от процессора, 6 от чипсета);
- 7 портов USB 2.0 (1 от процессора, 6 от чипсета);
- 4 порта SATA 6Гбит/с (от чипсета, входят в состав линий PCIe 3.0)
- 8 линий PCIe 5.0 (от процессора), 4 из которых — на слот М.2, 4 — могут идти на поддержку USB4 или образовывать разные варианты комбинаций портов и слотов (в зависимости от производителя материнских плат);
- 8 линий PCI-E 4.0 ( от чипсета), которые могут образовывать разные варианты комбинаций портов и слотов, из них 4 могут идти на поддержку USB4 (в зависимости от производителя материнских плат);
- 4 линии PCI-E 3.0 ( от чипсета), которые могут образовывать разные варианты комбинаций портов и слотов (в зависимости от производителя материнских плат).
Итого: до 18 портов USB, 20 – 4 (линии на поддержку USB4) = 16 свободных PCI-E линий (включая до 4 портов SATA).
Напомню, что чипсет X870 имеет тот же набор портов и линий PCIe, что и B650E, плюс поддержка 2х портов USB4 (через сторонний контроллер).
Поколения Ryzen 7xxx/8xxx/9xxx поддерживают как традиционные уже модули памяти DDR5 c Intel XMP (Extreme Memory Profile), так и модули с проприетарным от AMD профилем Expo.
Gigabyte X870 Aorus Stealth Ice поддерживает процессоры AMD поколения 7000/8000/9000, выполненные под разъем (сокет) AM5.
Для установки модулей памяти на плате имеется четыре DIMM-слота (для работы памяти в Dual Channel в случае использования всего 2 модулей их следует устанавливать в А2 и B2). Плата поддерживает небуферизованную память DDR5, а максимальный объем памяти составляет 256 ГБ. Поддерживаются профили XMP и Expo.

Слоты DIMM не имеют металлической окантовки.
Периферийная функциональность: PCIe, SATA, разные дополнительные устройства
Выше мы изучили потенциальные возможности тандема X870+Ryzen, а теперь посмотрим, что из этого и как реализовано в данной материнской плате.

Итак, кроме USB-портов, к которым мы подойдем позже, чипсет X870 обладает 12 PCIe линиями. Считаем, сколько линий уходит на поддержку (связь) с тем или иным элементом:
- Переключатель: или слот PCIe x16_2 (4 линии PCIe 4.0) или порт M.2 (M2D_SB) (4 линии PCIe 4.0);
- Порт M.2 (M2C_SB) (4 линии PCIe 4.0);
- SATA 0,1 (2 линии PCIe 3.0);
- Realtek RTL8126 (Ethernet 5 Gb/s) (1 линия PCIe 3.0);
- Qualcomm QCNCM865 WIFI7/BT (Wireless) (1 линия PCIe 3.0)
12 линий PCIe (8 версии 4.0 и 4 версии 3.0) оказались занятыми, включая 2 порта SATA.
Теперь посмотрим выше на то, как работают процессоры в данной конфигурации. У всех Ryzen 7xxx — 24 линии PCIe (плюс 4 линии на даунлинк с чипсетом). Смотрим распределение:
- Порт M.2 (M2A_CPU) (4 линии PCIe 5.0);
- слот PCIe x16_1 (16 линий PCIe 5.0);
- Переключатель: или хаб USB4 ASMedia ASM4242 или порт M.2 (M2B_CPU) (4 линии PCIe 4.0)
В процессорах Ryzen встроен контроллер High Definition Audio (HDA), связь с аудиокодеком идет путем эмуляции PCI шины. А также контроллер USB 2.0 Genesys Logic GL850G использует линию USB 2.0 от CPU, а Realtek RTS5411 использует 1 линию USB 3.2 Gen1 от X870 (детали ниже в разделе USB портов).
Выше приведена полная схема распределения ресурсов по слотам PCIe. Всего на плате есть 2 слота PCIe: один PCIe x16 PCIe 5.0, получающий данные от процессора, и один «длинный» слот, получающий данные от X870, но работающий по схеме x4.
Первый («процессорный») слот PCIe x16 имеет металлическое армирование из цинкового сплава, которое увеличивает надежность. Кроме того, такая защита предохраняет слот от электромагнитных помех.
Имеется и схема EZ-Latch-Plus удобного изъятия карт расширения из первого слота. Путем нажатия кнопки за пределами слота можно легко открыть замок PCIe x16_1.
Матплата позволяет смонтировать СО любого размера.
Поскольку имеется переключение работы хаба ASMedia ASM4242 (USB4) и порта М.2, то востребованы мультиплексоры от Lerain, специально предназначенные для работы с шиной PCIe 5.0.
Внешнего тактового генератора нет.
Для переключения ресурсов между слотом PCIe x16_2 и слотом M2D_SB используются мультиплексоры от Diodes Inc.
На очереди — накопители.
Всего у платы 2 разъема Serial ATA 6 Гбит/с + 4 слота для накопителей в форм-факторе M.2. Все порты SATA реализованы через чипсет X870 и поддерживают создание RAID.
Материнская плата имеет 4 гнезда форм-фактора М.2.
Все 4 слота поддерживают размеры модулей 22110/2280, также M2A_CPU поддерживает размер модулей 25110 и 2260. Все слоты работают с модулями только с PCIe интерфейсом, при этом два (M2A_CPU, M2B_CPU) из них получают данные от CPU, а остальные два (M2C_SB, M2D_SB) – от чипсета X870. Не забываем, что M2B_CPU делит ресурсы с портами USB4, а M2D_SB – со слотом PCIe x16_2 (x4). Выше я уже об этом говорил, там же можно видеть картинку распределения ресурсов.
Все M.2 слоты имеют радиаторы. Верхний M2A_CPU обладает отдельным радиатором, когда как остальные M.2 имеют общий радиатор.
Периферийная функциональность: USB-порты, сетевые интерфейсы, ввод-вывод
На очереди USB-порты. И начнем с задней панели, куда выведены большинство из них.
Повторим: чипсет X870 способен реализовать максимально: 6 портов USB 3.2 Gen2/1, 1 USB 3.2 Gen2x2, 6 портов USB 2.0. Процессор Ryzen 7000/8000/9000 способен реализовать до 4 портов USB 3.2 Gen2 и 1 USB 2.0. Плюс 2 порта USB4 от стороннего хаба.
Также мы помним и про 12 линий PCIe от чипсета, которые идут на поддержку накопителей, сетевых и иных контроллеров (я выше уже показал на что и как расходуются все 12 линий).
И что мы имеем? Всего на материнской плате — 20 портов USB:
- 2 порта USB4: оба реализованы через контроллер ASMedia ASM4242 (на него потрачены 4 линии PCIe 4.0 от CPU) и представлены на задней панели двумя портами Type-C (не забываем о том, что данный хаб делит линии PCIe со слотом M.2 (M2B_CPU), и надо в BIOS выбирать: или данный слот, или порты USB4);
- 1 порт USB 3.2 Gen2x2: реализован через X870 и представлен внутренним портом Type-C для подключения к соответствующему разъему на передней панели корпуса;
- 3 порта USB 3.2 Gen2: два реализованы через X870 и представлены на задней панели двумя портами Type-A (красные); еще один реализован через CPU и представлен на задней панели портом Type-C;
- 6 портов USB 3.2 Gen1: 2 реализованы через X870 и представлены внутренним разъемом на материнской плате на 2 порта; еще 4 реализованы через контроллер Realtek RTS5411 (на него потрачена 1 линия USB 3.2 Gen1 от CPU) и представлены на задней панели 4 портами Type-A (синие);
- 8 портов USB 2.0/1.1: 4 реализованы через X870 и представлены двумя внутренними разъемами (каждый на 2 порта); еще 4 реализованы через контроллер Genesys Logic GL850G (на него потрачена 1 линия USB 2.0 от CPU) и представлены 4 портами Type-A на задней панели (белые).
Итак, через чипсет X870 реализовано 1 USB 3.2 Gen2x2, 2 USB 3.2 Gen2, 2 USB 3.2 Gen1 и 5 USB 2.0 портов (помним, что беспроводной контроллер требует одну линию USB 2.0).
Плюс 12 линий PCIe, выделенные на поддержку иной периферии. Итого, у X870 в данном случае реализовано 17 высокоскоростных портов.
Все быстрые USB порты Type-A/Type-C имеют свои усилители сигнала PI3EQX1014 от Diodes Inc.(ex Pericom).
А для нужд быстрой зарядки порт Type-C на задней панели и аналогичный внутренний порт для вывода на переднюю панель имеют редрайверы от Realtek.


Теперь о сетевых делах.
Материнская плата оснащена средствами связи хорошо. Имеется скоростной Ethernet-контроллер: Realtek RTL8126, способный выдавать до 5 Гбит/с.
Имеется и комплексный беспроводной адаптер на контроллере Qualcomm QCNCM865, через который реализованы Wi-Fi 7 (802.11a/b/g/n/ac/ax/be) и Bluetooth 5.4. Он установлен в слот M.2 (E-key), и его разъемы для привинчивания выносных антенн выведены на заднюю панель.
В данном адаптере реализована новая схема подключения антенн – с помощью пластиковых замков (без завинчивания наконечников антенных проводов).
Заглушка, традиционно надеваемая на заднюю панель, в данном случае уже надета, и изнутри экранирована для снижения электромагнитных помех.
Аудиоподсистема
Мы знаем, что уже достаточно давно в большинстве современных материнских платах звуком заведовал аудиокодек Realtek ALC1220. Он обеспечивает вывод звука по схемам до 7.1 с разрешением до 24 бит / 192 кГц. В данном случае схема 7.1 реализована через S/PDIF, а также с участием гнезд на корпусе (поэтому их следует подключить к матплате).
Ни ЦАП, ни операционных усилителей нет.
В аудиоцепях платы применяются «аудиофильские» конденсаторы.
Аудиотракт вынесен на угловую часть платы, не пересекается с другими элементами. У карты два универсальных разъема по приему и выводу сигналов плюс оптический S/PDIF. Еще раз напомню, что вывод по схеме 7.1 не только через S/PDIF, но и по схеме ниже.


Питание, охлаждение
Для питания платы на ней предусмотрены 3 разъема: в дополнение к 24-контактному ATX здесь есть еще два ATX12V (8 контактов и 4 контакта). Все три разъема размещены на оборотной стороне матплаты.
Внешне схема питания выглядит как 16+2+2: 16 фаз — ядро процессора, 2 фазы — SoC (I/O-чиплет Ryzen), 2 фазы — VDD_MISC (вывод встроенной графики).
Управляет фазами VCore и SoC цифровой контроллер XDPE192C3D от Infineon, он способен работать максимум с 12 фазами, так что уже очевидно, что используется параллельная схема для VCore (8x2). Плюс 2 фазы SoC.
Фазы питания VDD_MISC — под управлением ШИМ-контроллера RT3672 от Richtek.
Каждая фаза VCore и SoC имеет по транзисторной сборке PMC41410 от Infineon (ex-IOR) (до 80А).
Схема питания VDD_MISC снабжена набором полевых транзисторов NTMFS4C10N/4C06N от On Semi (до 69А).
Теперь про охлаждение.
Все потенциально сильно греющиеся элементы имеют свои собственные радиаторы. Чипсет X870 имеет весьма широкий радиатор, он прекрасно справляется с охлаждением без вентилятора.
Остальной набор охлаждающих элементов весьма привычен.
Две группы силовых преобразователей имеют свои раздельные радиаторы, соединенные тепловой трубкой.
Контроллер USB4 от ASMedia также охлаждается одним из радиаторов VRM.
У всех модулей M.2, как я уже выше отмечал, есть свои радиаторы с термоинтерфейсом. У верхнего — свой отдельный радиатор, у трех остальных — общий. Следует особо отметить, что слот M2B_CPU оснащен термопрокладками с обеих сторон. То есть под слотом также есть плоский тонкий радиатор.
Материнская плата имеет бэкплейт с оборотной стороны, который служит элементом защиты платы и для жесткости конструкции.
Подсветка
Программное обеспечение под Windows
Настройки BIOS
Работоспособность (и разгон)
Запускаем все в режиме по умолчанию. Затем нагружаем тестами от OCCT.
Хорошо известно, что современные технологии авторазгона базируют свои лимиты подъема частот на информации о системе питания на той или иной матплате, возможностях чипсета и т.д. (контроллеры – цифровые, в UEFI вся информация имеется). Следует отметить, что у данной плата хорошо реализован контроль за частотой IF (Infinity Fabric) (разумеется, если она выставлена в режиме Auto), и множитель для частоты памяти автоматически подобран.
Мы видим, что авторазгон у этой платы в режиме работы по умолчанию сработал отлично (до 5,3 – 5,5 ГГц по всем ядрам — это хороший уровень для матплаты такого уровня). При этом стоит отметить, что во всех этих испытаниях мы не получили никаких нареканий на работу сопутствующих блоков, никаких перегревов или странных явлений не было.
Выводы
Материнская плата Gigabyte X870 Aorus Stealth Ice — модель достаточно высокого уровня на чипсете AMD X870, ее стоимость ожидается в пределах 45-50 тысяч рублей (на момент публикации обзора продажи еще не начались). Она поддерживает процессоры AMD Ryzen 7000/8000/9000 и создана для геймеров и продвинутых пользователей. Плата уникальна тем, что большинство разъемов у нее вынесены на тыльную сторону текстолита, а на лицевой остались лишь процессорный сокет, слоты памяти, PCIe и M.2. Это дает возможность оставлять все требуемые кабели с задней стороны корпуса, освободив от них видимую переднюю часть. В результате получается красивый ПК белого цвета без торчащих кабелей, но корпус нужен специальный, с вырезами для разъемов платы в монтировочной пластине.
У Gigabyte X870 Aorus Stealth Ice имеется 20 портов USB разных видов, включая два самых быстрых на сегодня порта USB4 и один уже не самый быстрый USB 3.2 Gen2×2. Оба порта USB4 обеспечивают скорость передачи данных до 40 Гбит/с и поддерживают вывод изображения в формате DP.
Основной слот PCIe х16 получает от процессора 16 линий PCIe 5.0. Из четырех слотов M.2 только два доступны всегда (M2A_CPU и M2C_SB), тогда как M2D_SB делит ресурсы со слотом PCIe x16_2, а M2B_CPU — с хабом USB4.
В арсенале этой модели также есть 2 порта SATA и 8 разъемов для вентиляторов. Система питания процессора весьма мощная. Плата имеет систему охлаждения для каждого потенциально греющегося элемента, включая накопители в слотах M.2. Сетевые возможности включают проводной контроллер 5 Гбит/с и беспроводной Wi-Fi 7 + Bluetooth 5.4. В числе плюсов платы можно упомянуть широкие возможности для подключения дополнительных RGB-устройств.
Разумеется, Gigabyte X870 Aorus Stealth Ice предлагает некоторые возможности для любителей разгона.

В номинации «Оригинальный дизайн» плата Gigabyte X870 Aorus Stealth Ice получила награду:






































































































