Оглавление
- Форм-фактор
- Технические характеристики
- Основная функциональность: чипсет, процессор, память
- Периферийная функциональность: PCIe, SATA, разные дополнительные устройства
- Периферийная функциональность: USB-порты, сетевые интерфейсы, ввод-вывод
- Аудиоподсистема
- Питание, охлаждение
- Подсветка
- Программное обеспечение под Windows
- Настройки BIOS
- Работоспособность (и разгон)
- Выводы

Мы продолжаем изучать – как устроена та или иная материнская плата, на что способна система питания, с каким ассортиментом периферии, а также программных средств она попадает к потребителю.
Исследование процессоров — в своем разделе.
Как известно, платформа AMD AM5 летом 2024 года получила развитие: вышло новое поколение процессоров Ryzen 9xxx. Вместе с ними обновилась и линейка системных чипсетов от AMD, новое поколение получило цифру 8, то есть X870/B850 и так далее.
Ниже приведена таблица основных отличий старших чипсетов AM5 двухлетней давности и последнего поколения.
| Особенности | B650/B650E | X870 | X670/X670E | X870E |
|---|---|---|---|---|
| Совместимость с процессорами AMD | Ryzen 7xxx/8xxx/9xxx | |||
| Версия PCIe (процессор) | 4.0 & 5.0/5.0 | 5.0 | 4.0 & 5.0/5.0 | 5.0 |
| Количество линий PCIe (процессор) | 28 | |||
| Количество линий PCIe от процессора на связь с чипсетом | x4 PCIe 4.0 | |||
| Версия PCIe (чипсет) | 3.0 & 4.0 | |||
| Количество линий PCIe (чипсет) | 12 (8 x 4.0 & 4 x 3.0) | 12 (8 x 4.0 & 4 x 3.0)* | 20 (12 x 4.0 & 8 x 3.0) | 20 (12 x 4.0 & 8 x 3.0)* |
| Поколение ОЗУ | DDR5 | |||
| Количество каналов ОЗУ | 2 | |||
| Максимальное количество слотов ОЗУ | 4 | |||
| Максимальный объем ОЗУ | 192 ГБ | |||
| Количество портов SATA 6.0 Gb/s до | 4 | 4 | 8 | 8 |
| Порты USB4 (40Gbps) до | необязательно, по желанию производителя через сторонний контроллер | 2 (обязательно) через сторонний контроллер с выделением для него 4х линий PCIe | необязательно, по желанию производителя через сторонний контроллер | 2 (обязательно) через сторонний контроллер с выделением для него 4х линий PCIe |
| Порты USB 3.2 Gen 2x2 (20Gbps) до | 1 | 1 | 2 | 2 |
| Порты USB 3.2 Gen 2x1 (10Gbps) / Gen 1x1 (5Gbps) до | 6 | 6 | 8 | 8 |
| Порты USB 2.0 до | 6 | 6 | 12 | 12 |
| Конфигурация слота PCIe x16 (от процессора) | только x16/x16 или x8+x8 или x8+x4+x4 | x16 или x8+x8 или x8+x4+x4 | только x16/x16 или x8+x8 или x8+x4+x4 | x16 или x8+x8 или x8+x4+x4 |
| Возможность разгона по частоте шины | Да | |||
Примечание: * – 4 линии PCIe 4.0 могут быть зарезервированы для контроллера USB4 как у чипсета, так и у CPU.
Отметим, что серия чипсетов 8хх отличается от 6хх прежде всего обязательным присутствием контроллера USB4, что ранее было опциональным и зависело от желания партнера AMD. На сегодня такой контроллер это ASM4242 от ASMedia, и он требует 4 линии PCIe, которые могут использоваться как от чипсета 8xx, так и от процессора Ryzen (за счет линий для NVMe (M.2) слотов).
Таким образом, чипсет X870E по сути полностью аналогичен X670E с той лишь разницей, что материнские платы, основанные на первом, обязательно должны иметь контроллер USB4.
Напомню, что почти 3 года назад AMD внедрила размещение старшего чипсета X670/X670E в виде двух микросхем Promontory 21, которые между собой также соединяются линиями PCIe 4.0, при этом каждый их этих чипов представлял собой фактически более младшие решения B650/B650E. Если как-то грубо отбросить трату 4х линии PCIe на связь между данными микросхемами, то можно сказать, что X6xx имеет ровно в 2 раза больше линий и портов, чем B6xx, то есть разница между X670/X670E и B650/650E – очень существенная именно по количеству имеющихся линий PCIe/USB. Суффикс «E» у тех чипсетов означает лишь поддержку PCIe 5.0 от процессора для слота PCIe x16 и слотов M.2 (а также возможность деления 16-ти линий на варианты x8+x8 или x8+x4+x4), когда как у аналогов без «Е» на «процессорных» слотах версия 4.0 (и 16 линий PCIe делить нельзя – только 1 вариант: все 16 линий на слот для видеокарт). То есть и X870E размещен в тех же микросхемах Promontory 21.
При этом X870 – это по сути тот же B650E (плюс обязательная поддержка USB4), а не никакой не «X-чипсет» (к которому мы уже успели привыкнуть на примере X670/670E).
Сегодня материнской платой на новом чипсете X870E, попавшей к нам в лабораторию, стал продукт компании MSI, а именно MSI MPG X870E Carbon WiFi. Эта матплата относится к игровой серии MPG (MSI Performance Gaming), которая стоит на втором месте после MEG (MSI Extremal Gaming). Поэтому данная плата, хоть и топовая, но не флагманского уровня.
MSI MPG X870E Carbon WiFi поставляется в традиционной коробке фирменного дизайна серии MPG. Комплект размещен под платой в отдельных отсеках.
Надо отметить, что комплект поставки неплох: кроме традиционных элементов типа краткого руководства пользователя и кабелей SATA, имеются антенна встроенного Wi-Fi-модуля, фирменный адаптер для передней панели, бонусные стикеры, ключ для смены держателей в слотах M.2, адаптеры для подключения внешней подсветки, адаптер для подключения СО от MSI через проприетарное гнездо JAF.
ПО не поставляется, однако все равно последние версии надо скачивать с вебсайта производителя).
В комплект поставки входит фирменный ключ для смены держателей в слотах M.2 Детали – ниже в разделе по накопителям.
Надо отметить, что также имеется и адаптер для удобного подключения проводов от корпуса к матплате (он выполнен в виде небольшого кабеля).
«Заглушка» на заднюю панель с разъемами уже смонтирована на самой плате.
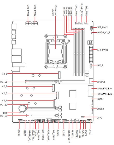
Форм-фактор
Форм-фактор ATX имеет размеры до 305×244 мм, а E-ATX — до 305×330 мм. Материнская плата MSI MPG X870E Carbon WiFi имеет размеры 305×244 мм, поэтому выполнена в форм-факторе ATX, и на ней имеются 9 монтажных отверстий для установки в корпус. Однако следует иметь в виду, что одно из девяти монтажных отверстий перекрыто радиатором для слота M.2.
На оборотной стороне расположены традиционные некоторые электронные логические элементы, а также ряд контроллеров. Текстолит обработан неплохо: во всех точках пайки срезаны острые концы. Защитной пластины (бэкплейта) нет.
На тыльной стороне платы отмечены места, в которых при установке материнки в корпус могут быть установлены стойки, чтобы перед монтажом сборщик мог внимательно проверить минимальное количество нужных стоек. А также вокруг крепежных отверстий имеются зоны, подверженные потенциальному повреждению при неудачной установки платы в корпус, но при этом это не скажется на работоспособности матплаты.
Технические характеристики
Традиционная таблица с перечнем функциональных особенностей.
| Поддерживаемые процессоры | AMD Ryzen 7xxx/8xxx/9xxx под AM5 |
|---|---|
| Процессорный разъем | AM5 |
| Чипсет | AMD X870E |
| Память | 4 × DDR5, до 256 ГБ до DDR5-8400 (XMP/Expo), два канала |
| Аудиоподсистема | 1 × Realtek ALC4080 (7.1) + операционный усилитель Savitech SV3H712 |
| Сетевые контроллеры | 1 × Realtek RTL8125BG Ethernet 2,5 Гбит/с 1 × Realtek RTL8126 Ethernet 5,0 Гбит/с 1 × Qualcomm Dual Band Wireless QCNCM865 (Wi-Fi 7 802.11a/b/g/n/ac/ax/be (2,4/5/6 ГГц) + Bluetooth 5.3) |
| Слоты расширения | 1 × PCIe 5.0 x16 (PCI_E1, режимы x16, x8+x4+x4)* 1 × PCIe 5.0 x16 (PCI_E2, режим x4)* 1 × PCIe 4.0 x16 (PCI_E3, режим x4) |
| Разъемы для накопителей | 4 × SATA 6 Гбит/с (X870E) 1 × M.2 (M.2_1, CPU, PCIe 5.0 x4 для устройств формата 2260/2280) 1 × M.2 (M.2_2, CPU, PCIe 5.0 x4 для устройств формата 2260/2280)* 1 × M.2 (M.2_3, X870E, PCIe 4.0 x4 для устройств формата 2280/22110) 1 × M.2 (M.2_4, X870E, PCIe 4.0 x4 для устройств формата 2260/2280) |
| USB-порты | 4 × USB 2.0: 2 внутренних разъема на 4 порта (X870E) 4 × USB 3.2 Gen1: 2 внутренних разъема на 4 порта (X870E) 1 × USB 3.2 Gen2x2: 1 внутренний разъем Type-C (X870E) 9 × USB 3.2 Gen2: 9 портов Type-A (красные) (X870E+CPU+RTS5420) 2 × USB 3.2 Gen2: 2 порта Type-C (CPU) 2 × USB4: 2 порта Type-C (ASM4242) |
| Разъемы на задней панели | 2 × USB4 (Type-C) 9 × USB 3.2 Gen2 (Type-A) 2 × USB 3.2 Gen2 (Type-C) 2 × RJ-45 2 аудиоразъема типа миниджек 1 × оптический S/PDIF (выход) 1 × HDMI (выход) 2 антенных разъема кнопка сброса CMOS кнопка Smart button кнопка перепрошивки BIOS — Flash BIOS |
| Прочие внутренние элементы | 24-контактный разъем питания ATX 2 8-контактных разъема питания EPS12V 1 слот M.2 (E-key), занят адаптером беспроводных сетей 1 разъем для подключения порта USB 3.2 Gen2x2 Type-C 2 разъема для подключения 4 портов USB 3.2 Gen1 2 разъема для подключения 4 портов USB 2.0 7 разъемов для подключения 4-контактных вентиляторов и помп ЖСО 3 разъема для подключения адресуемой ARGB-ленты 1 разъем для подключения неадресуемой RGB-ленты 1 разъем аудио для передней панели корпуса 1 разъем для сброса CMOS 2 разъема для термодатчиков 1 разъем для подключения управления с передней панели корпуса |
| Форм-фактор | ATX (305×244 мм) |
| Розничные предложения |
Примечание: * – слот PCI_E1 делит ресурсы со слотами PCI_E2 и M.2_2. Детали - ниже
Основная функциональность: чипсет, процессор, память
Схема работы связки чипсет+процессор.
Все процессоры Ryzen 7000/8000/9000 поддерживают:
- 3 порта USB 3,2 Gen2 Type-C,
- 1 порт USB 3,2 Gen2 Type-A,
- 1 порт USB 2.0,
Только Ryzen 7000/9000 поддерживают:
- 28 линий ввода-вывода (включая PCI-E 5.0, в случае работы с A620/B840 пониженные до версии 4.0):
- 4 линии из них (в случае чипсета A620/B840 пониженные до версии 3.0) идут на взаимодействие с чипсетом,
- 16 линий — это PCI-E 5.0 слот для видеокарт,
- Осталось 8 линий PCIe 5.0:
- 4 линии — это слот M.2,
- остальные 4 могут конфигурироваться производителями материнских плат на выбор.
Только Ryzen 8700/8600 поддерживают:
- 20 линий ввода-вывода (PCIe версии 4.0):
- 4 линии из них (в случае чипсета A620/B840 пониженные до версии 3.0) идут на взаимодействие с чипсетом,
- 8 линий — это PCI-E 4.0 слот для видеокарт,
- Осталось 8 линий PCIe 4.0:
- 4 линии — это слот M.2,
- остальные 4 могут конфигурироваться производителями материнских плат на выбор.
Только Ryzen 8500/8300 поддерживают:
- 14 линий ввода-вывода (PCIe версии 4.0):
- 4 линии из них (в случае чипсета A620/B840 пониженные до версии 3.0) идут на взаимодействие с чипсетом,
- 4 линии — это PCI-E 4.0 слот для видеокарт,
- Осталось 6 линий PCIe 4.0:
- 4 линии — это слот M.2,
- остальные 2 могут конфигурироваться производителями материнских плат на выбор .
В свою очередь чипсет X870E поддерживает до:
- 8 портов USB 3.2 Gen2,
- 2 портов USB 3.2 Gen2x2,
- 12 портов USB 2.0,
- 2 портов USB4;
- 24 линии ввода-вывода:
- 4 линии для связи внутри микросхем чипсета (см. ниже).
- Остальные 20 линий распределяются как 12 PCIe 4.0 + 8 PCIe 3.0 (включая до 8 портов SATA).
Из этой общей суммы следует минусовать 4 линии PCIe 4.0 для обеспечения хаба USB4 – ASMedia ASM4242 (по усмотрению производителя матплат эти линии могут быть взяты или у CPU, или у X870E).
Таким образом в сумме от тандема X870E+Ryzen 7000/9000 мы получаем:
- 16 PCI-E 5.0 линий для видеокарт (от процессора);
- 2 порта USB4 (от контроллера ASM4242);
- 2 порта USB 3.2 Gen2x2 (от чипсета);
- 12 портов USB 3.2 Gen2 (4 от процессора, 8 от чипсета);
- 13 портов USB 2.0 (1 от процессора, 12 от чипсета);
- 8 портов SATA 6Гбит/с (от чипсета)
- 8 линий PCIe 5.0 (от процессора), 4 из которых — на слот М.2, 4 — могут образовывать разные варианты комбинаций портов и слотов (в зависимости от производителя материнских плат);
- 12 линий PCI-E 4.0 ( от чипсета), которые могут образовывать разные варианты комбинаций портов и слотов, из них 4 могут идти на поддержку USB4 (в зависимости от производителя материнских плат);
- 8 линий PCI-E 3.0 ( от чипсета), которые могут образовывать разные варианты комбинаций портов и слотов (в зависимости от производителя материнских плат).
Итого: 25 портов USB, 28 свободных PCI-E линий (включая до 8 портов SATA).
Напомню, что чипсеты AMD X670 и X670E полностью равнозначны по функциональности (набору портов и линий), но слот PCIe x16 (для видеокарт), получаемый данные от процессора в случае X670E получает версию PCIe 5.0, а в случае X670 — 4.0. Чипсет X870E имеет тот же набор, что и X670E, плюс поддержка 2х портов USB4 (через сторонний контроллер). Чипсеты X670, X670E, X870E состоят из двух микросхем, каждая из которых представляет собой по сути соответственно, B650, B650E или X870.
Поколения Ryzen 7xxx/8xxx/9xxx поддерживают как традиционные уже модули памяти DDR5 c Intel XMP (Extreme Memory Profile), так и модули с проприетарным от AMD профилем Expo.
Плата MSI поддерживает процессоры AMD поколений 7xxx/8xxx/9xxx, выполненные под разъем (сокет) AM5.
Для установки модулей памяти на плате имеется четыре DIMM-слота (для работы памяти в Dual Channel в случае использования всего 2 модулей их следует устанавливать в А2 и B2).
Плата поддерживает небуферизованную память DDR5, а максимальный объем памяти составляет 256 ГБ. Поддерживаются профили XMP и Expo.

Периферийная функциональность: PCIe, SATA, разные дополнительные устройства
Выше мы изучили потенциальные возможности тандема X870E+Ryzen, а теперь посмотрим, что из этого и как реализовано в данной материнской плате.

Итак, кроме USB-портов, к которым мы подойдем позже, чипсет X870E обладает 20 PCIe линиями (плюс 4 линии на аплинк с процессором). Считаем, сколько линий уходит на поддержку (связь) с тем или иным элементом:
- Слот PCIe x16 (PCI_E3) (4 линии PCIe 4.0);
- Слот M.2 (M.2_3) (4 линии PCIe 4.0);
- Слот M.2 (M.2_4) (4 линии PCIe 4.0);
- Realtek RTL8126 (Ethernet 5Gb/s) (1 линия PCIe 3.0);
- Realtek RTL8125BG (Ethernet 2,5Gb/s) (1 линия PCIe 3.0);
- Qualcomm QCNCM865 WIFI7/BT (Wireless) (1 линия PCIe 3.0);
- 4 слота SATA 1/2/3/4
19 линий PCIe оказались занятыми (12 PCIe 4.0 + 3 PCIe 3.0 + 4 SATA). В данном случае связь с аудиокодеком c помощью линии USB 2.0 (от X870E). На поддержку BT (при наличии слота M.2 (key E) расходуется еще один USB 2.0. Детально об этом ниже в разделе USB-портов.
Теперь посмотрим выше на то, как работают процессоры в данной конфигурации. У всех Ryzen 7xxx/9xxx — 24 линии PCIe (плюс 4 линии на даунлинк с чипсетом). Смотрим распределение:
- Слот M.2_1 (4 линии PCIe 5.0);
- Хаб USB4 ASMedia ASM4242 ( (4 линии PCIe 4.0);
- 16 линий PCIe 5.0 делятся между слотами PCI_E1, PCI_E2 и M.2_2. Варианты:
- Слот PCI_E1 (PCIe x16_1) имеет 16 линий PCIe 5.0, слоты PCI_E2 (PCIe x16_2) и M.2_2 отключены;
- Слот PCI_E1 (PCIe x16_1) имеет 8 линий PCIe 5.0, слоты PCI_E2 (PCIe x16_2) и M.2_2 имеют по 4 линии PCIe 5.0.
Все 24 линии PCIe распределены.
Теперь в целом про слоты расширения.
Всего на плате есть 3 слота: два PCIe x16 (PCI_E1/2 для видеокарт или других устройств) и третий «длинный» PCIe x16 (PCI_E3, но фактически имеющий 4 линии PCIe 4.0).
Как видим, перераспределение линий PCIe 5.0 этой материнки имеется, поэтому востребованы мультиплексоры Texas Instruments.
Оба слота PCI_E1/2 имеют металлическое армирование: защиту из нержавеющей стали. Все это увеличивает надежность. Кроме того, такая защита предохраняет слоты от электромагнитных помех.
Выше я вел речь про первые PCIe x16 (PCI_E1/2), подключенные к процессору. Третий PCIe x16 (PCI_E3) подключен к X870E и работает в режиме x4.
Для удобного извлечения видеокарт из слота PCI_E1 имеется особый механизм EZ-PCIE-Release c кнопкой.


Матплата позволяет смонтировать СО любого размера.
Для более стабильной работы на матплате имеются усилители (ре-драйверы) сигнала PCIe 4.0 от Texas Instruments.
На очереди — накопители.
Всего у платы 4 разъема Serial ATA 6 Гбит/с + 4 слота для накопителей в форм-факторе M.2. 4 порта SATA 1,2,3,4 реализованы через чипсет X870E и поддерживают создание RAID.
Материнская плата имеет 4 гнезда форм-фактора М.2.
Третий и четвертый слоты M.2 (M.2_3, M.2_4) получают данные от чипсета X870E, а первые два — от CPU, при этом оба получают PCIe 5.0 (имеющиеся у процессора еще 4 линии PCIe 4.0 идут на хаб USB4 – ASMedia ASM4242).
Все слоты работают с модулями только с PCIe интерфейсом.
Все слоты M.2 поддерживают модули с размерами 2260/2280. А слот M.2_3 поддерживает еще и 22110. На всех M.2 можно организовать RAID.
У всех слотов M.2 имеется удобный способ крепления накопителей через установленные на стойках поворотные замки.
Все M.2 слоты имеют радиаторы. Верхний M.2_1 обладает отдельным радиатором, когда как остальные все слоты M.2 имеют общий радиатор. Также все слоты M.2 кроме верхних радиаторов еще имеют радиаторы для охлаждения тыльной стороны модулей.
Также отдельно надо отметить, что оба радиатора удобно снимать и ставить с помощью откидывающихся запоров (без завинчивания/развинчивания).
По умолчанию стойка для крепления накопителей в каждом слоте установлена на размер 2280. Если надо установить модуль с размером 2260, то с помощью имеющегося в комплекте поставки ключа можно стойку переместить в нужное место.
Периферийная функциональность: USB-порты, сетевые интерфейсы, ввод-вывод
Теперь на очереди USB-порты и прочие вводы-выводы. И начнем с задней панели, куда выведены большинство из них.
Повторим: чипсет X870E способен реализовать максимально: 8 портов USB 3.2 Gen2/1, 2 USB 3.2 Gen2x2, 12 портов USB 2.0. Процессор Ryzen 7000/9000 способен реализовать до 4 портов USB 3.2 Gen2 и 1 USB 2.0.
Также мы помним и про 20 линий PCIe от чипсета, которые идут на поддержку накопителей, сетевых и иных контроллеров (я выше уже показал на что и как расходуются 19 линий).
И что мы имеем? Всего на материнской плате — 22 порта USB:
- 2 порта USB4: оба реализованы с помощью хаба ASMedia ASM4242 (на него потрачены 4 линии PCIe 4.0 от CPU) и представлены двумя портами Type-C на задней панели;
- 1 порт USB 3.2 Gen2x2: реализован с помощью X870E и представлен одним внутренним портом Type-C (для подключения к соответствующему разъему на передней панели корпуса);
- 11 портов USB 3.2 Gen2: 4 реализованы через хаб Realtek RTS5420 (на него потрачена 1 линия USB 3.2 Gen2 от X870E), еще 4 реализованы через X870E, и еще 3 реализованы через CPU, и все они представлены на задней панели 9 портами Type-A (красного цвета) и 2 портами Type-C;
- 4 порта USB 3.2 Gen1: все реализованы через X870E и представлены 2 внутренними разъемами на материнской плате (каждый на 2 порта);
- 4 порта USB 2.0/1.1: все реализованы через X870E и представлены двумя внутренними разъемами (каждый на 2 порта)
В целом у нас 3 контроллера используют USB 2.0 линии от X870E:
- Realtek RTL4080 (аудиокодек) (1 линия USB 2.0);
- Nuvoton NUC126 (управление подсветкой) (1 линия USB 2.0);
- Bluetooth (Qualcomm QCNCM865) (1 линия USB 2.0).
Еще 1 контроллер использует USB 3.2 Gen2 от центрального процессора: Realtek RTS5420 (хаб 4 USB 3.2 Gen2 на 4 порта Type-A на задней панели) (1 линия USB 3.2 Gen2).
Итак, через чипсет X870E реализовано высокоскоростных портов USB:
- + 4 выделенных USB 3.2 Gen2
- + 4 выделенных USB 3.2 Gen1
- + 1 выделенный USB 3.2 Gen2x2
= 9 высокоскоростных портов. Плюс 4 выделенных порта USB 2.0 и 3 линии USB 3.0 на обеспечение контроллеров. Всего 7 USB 2.0 портов реализовано.
Ну и 19 линий PCIe, выделенных на поддержку иной периферии (12 PCIe 4.0 + 3 PCIe 3.0 + 4 порта SATA).
Итого у X870E в данном случае реализовано 19 высокоскоростных портов из 20.
В свою очередь, через CPU реализовано высокоскоростных портов USB:
- + 3 выделенных USB 3.2 Gen2
- + 1 USB 3.2 Gen2 на поддержку хаба RTS5420
= 4 высокоскоростных порта.
Очевидно, что задняя панель просто переполнена портами, и мы видим интересную реализацию портов – в 2 «этажа». На левом верхнем углу матплаты над четырьмя портами (HDMI и три Type-C) расположена небольшая плата, несущая на себе аж 6 портов Type-A (3.2 Gen2) и три кнопки управления.




При этом хаб USB 3.2 Gen2 – Realtek RTS5420 расположен на этой дополнительной карте, обеспечивая работу 4х (из 6ти) портов USB 3.2 Gen2 Type-A.
USB порт 3.2 Gen2x2 в виде внутреннего Type-C позволяет выдавать вольтаж, способный обеспечить быструю зарядку мобильных гаджетов (до 60 Вт). Также и порт USB 3.2 Gen2 Type-C на задней панели оснащен ре-драйверами для обеспечения зарядки тех же гаджетов.




Теперь о сетевых делах.
Материнская плата оснащена средствами связи отлично. Имеется два скоростных Ethernet-контроллера. Один Realtek RTL8126, способный работать по стандарту 5 Гбит/с.
Второй – Realtek RTL8125BG, работающий по стандарту 2,5 Гбит/с.
Имеется и комплексный беспроводной адаптер на контроллере Qualcomm QCNCM865, через который реализованы Wi-Fi 7 (802.11a/b/g/n/ac/ax/be, 2,4/5/6 ГГц) и Bluetooth 5.4. Он установлен в слот M.2 (E-key), и его разъемы для выносных антенн выведены на заднюю панель.
И тут надо особо отметить уже вовсю применяемый новый способ крепления антенн к задней панели портов. Теперь прикручивать антенны не надо (даже если имеется резьба для их привинчивания), просто вставить в разъемы на матплате. Разъединить также легко.
Заглушка, традиционно надеваемая на заднюю панель, в данном случае уже надета, и изнутри экранирована для снижения электромагнитных помех.
Аудиоподсистема
В данном случае плата оснащена аудиоподсистемой, где звуком заведует аудиокодек Realtek ALC4080, он целом обеспечивает вывод звука по схемам до 7.1 с разрешением до 32 бит /384 кГц. Не забываем, что для работы такого кодека требуются сигнальные линии USB 2.0.
Имеется и операционный усилитель для наушников Savitech SV3H712.
В аудиоцепях платы применяются «аудиофильские» конденсаторы.
Аудиотракт вынесен на угловую часть платы, не пересекается с другими элементами. У карты два универсальных разъема с позолоченным покрытием по приему и выводу сигналов плюс оптический S/PDIF.
Вывод по схемам 4.0, 5.1 и 7.1 возможен только через использование аудиогнезд на передней панели корпуса совместно с двумя гнездами на самой плате, а также через S/PDIF. Настройка схем – с помощью ПО, скачиваемого с сайта производителя.
Питание, охлаждение
Для питания платы на ней предусмотрены 4 разъема: в дополнение к 24-контактному ATX (он на правой стороне платы (на фото — слева) здесь есть еще два 8-контактных EPS12V (они имеют металлическое армирование), а также 8-контактный PCIe для поддержки усиленного питания слотов PCIe x16 (отмечен фиолетовым цветом).
Схема подключения возможна для двух видеокарт на процессорах Nvidia, а также до трех карт на процессорах AMD. Не забываем, что мультиграфические конфигурации нынче поддерживаются только рабочим специализированным ПО (современные игры уже это не поддерживают).

Схема питания процессора выполнена по схеме 18+2+1 (всего 21 фаза: 18 на VCore (ядро процессора), 2 фазы — SoC (I/O-чиплет Ryzen), 1 фаза — VDD_MISC (вывод встроенной графики). .
Каждый канал фазы VCore и SoC имеет суперферритовый дроссель и R2209004 DrMOS от Renesas на 110 А.
Управление этой схемой возложено на ШИМ-контроллер Renesas RAA229620 (он поддерживает до 12х фаз). Поэтому питание для VCore организовано по параллельной схеме 2x9 плюс 2 фазы SoC: реально задействовано 11 фаз.
Один канал фазы питания встроенной графики имеет суперферритовый дроссель и AOZ5516QI DrMOS от Alpha&Omega на 55 А.
Управляет этой однофазной схемой ШИМ-контроллер Richtek RT3672.
Теперь про охлаждение.
Все потенциально сильно греющиеся элементы имеют свои собственные радиаторы.
Как мы видим, охлаждение чипсета (один радиатор) организовано отдельно от силовых преобразователей. VRM-секция имеет свои два радиатора, соединенные тепловой трубкой под прямым углом.
Радиатор VRM, идущий вдоль заднего блока портов, имеет кожух, оснащенный подсветкой.
Также имеется и небольшой радиатор, охлаждающий контроллер USB4 ASMedia ASM4242
Как я уже упоминал ранее, M.2 слоты также имеют радиаторы: у верхнего — свой персональный радиатор, у остальных — общий.
Напомню, что материнская плата не имеет бэкплейта.
Подсветка
Программное обеспечение под Windows
Настройки BIOS
Работоспособность (и разгон)
Запускаем все в режиме по умолчанию. Затем нагружаем тестами OCCT.
В данном случае авторазгон сработал очень хорошо с учетом стрессовой нагрузки на процессор (его максимальный нагрев был чуть ниже 75 градусов, а максимум потребления выше 187 Вт). При этом стоит отметить, что во всех этих испытаниях мы не получили никаких нареканий на работу сопутствующих блоков, никаких перегревов или странных явлений не было.
Выводы
MSI MPG X870E Carbon WiFi относится к игровой серии плат MPG, основана на топовом чипсете AMD X870E и позиционируется для работы с топовыми процессорами AMD платформы AM5. Это решение для игровых ПК высокого уровня, но модель не является флагманской, так что арифметически цена у нее средняя (учитывая, что за флагманы просят под сотню тысяч).
У платы 22 порта USB разных видов, включая 2 USB4, один USB 3.2 Gen2×2 в виде внутреннего порта Type-C и аж 11 портов USB 3.2 Gen2. Также она предлагает 2 слота PCIe х16, получающих на двоих от процессора 16 линий PCIe 5.0 (и делящих эти линии c одним из слотов для накопителей форм-фактора M.2), а третий «длинный» слот работает в режиме x4 и подключен к чипсету. У платы 4 слота M.2, два из которых подключены напрямую к процессору: один — линиями PCIe 4.0, второй — линиями PCIe 5.0. Два других слота М.2 подключены к чипсету X870E линиями PCIe 4.0.
В арсенале платы также есть 4 порта SATA и 7 разъемов для вентиляторов. Система питания процессора очень мощная, способная обеспечить работу любых совместимых процессоров с приличным запасом на разгон. Плата имеет грамотную систему охлаждения каждого потенциально греющегося элемента, включая накопители в слотах M.2 (термопрокладки для охлаждения накопителей есть с обеих сторон). Сетевые возможности включают два проводных контроллера (5 и 2,5 Гбит/с) и один самый современный беспроводной — Wi-Fi 7 + Bluetooth 5.4. В числе плюсов платы можно упомянуть неплохую стильную подсветку, а также широкие возможности для подключения дополнительных RGB-устройств.
Для энтузиастов плата предлагает огромный арсенал настроек в BIOS Setup и разгон через утилиты, использующие ИИ для определения самого производительного режима работы.

























































































































