Оглавление
- Форм-фактор
- Технические характеристики
- Основная функциональность: чипсет, процессор, память
- Периферийная функциональность: PCIe, SATA, разные дополнительные устройства
- Периферийная функциональность: USB-порты, сетевые интерфейсы, ввод-вывод
- Аудиоподсистема
- Питание, охлаждение
- Подсветка
- Программное обеспечение под Windows
- Настройки BIOS
- Работоспособность (и разгон)
- Выводы
Всю детальную информацию о семействах процессоров можно найти в нашем разделе по ним.
Продолжаем изучать серийно выпускаемые на рынок материнские платы на базе топового чипсета Intel Z890. Уже многие флагманские продукты были исследованы, да и среднебюджетный сегмент неплохо изучен, дошла очередь и до малобюджетных матплат (но на базе того же Z890).
Я еще раз напомню, что за последние годы компоненты ПК, а в частности, матплаты сильно подорожали, причем в мировом масштабе (курс рубля лишь усугубил ситуацию). Когда-то самый дешевый сегмент представлял собой 3000 — 6000 рублей (сейчас это уже от 8000 рублей (а то и ниже 10 тысяч не найти), малобюджетный — 10000 — 18000 рублей, среднебюджетный сегмент представлял собой 20 — 40 тысяч рублей, топовый — от 50 тысяч и выше. Сейчас все эти понятия сдвинулись вверх по ценовой шкале. Вот сегодня рассматриваемая плата, например, по позиционированию самой компанией MSI относится к геймерским малобюджетным (серия MAG), а по цене у нас она выше 35 тысяч рублей (на момент написания материала).
Да, сегодня вот такая у нас реальность. Чтобы просто не было удивления у читателей, когда мы пишем о некоем среднем ценовом сегменте, а ценник около 50 000 рублей (как пример), ведь топовые платы сейчас — выше 70 000, а то и 80 000 рублей. Флагманские решения давно перешагнули рубеж в 100 000 рублей.
Вернемся к текущим делам. Несмотря на то, что новой платформе Intel LGA1851 уже несколько месяцев, мы все равно еще будем напоминать об особенностях чипсетов, в частности Z890, так что снова приведу таблицу сравнения 4х последних поколений системных чипсетов серии Z.
| Особенности | Z890 | Z790 | Z690 | Z590 |
|---|---|---|---|---|
| Совместимость с процессорами Intel | Core Ultra 2xx | Core 14/13/12 | Core 14/13/12 | Core 11/10 |
| Версия PCIe (процессор) | 4.0 & 5.0 | 4.0 & 5.0 | 4.0 & 5.0 | 3.0 (10 Gen) or 4.0 (11 Gen) |
| Количество линий PCIe (процессор) | 20 версии 5.0 & 4 версии 4.0 = 24 | 16 версии 5.0 & 4 версии 4.0 = 20 | 16 версии 5.0 & 4 версии 4.0 = 20 | 16 (10 Gen) or 20 (11 Gen) |
| Версия PCIe (чипсет) | 4.0 | 3.0 & 4.0 | 3.0 & 4.0 | 3.0 |
| Количество линий PCIe/SATA (чипсет) | 24 версии 4.0 & 8 SATA = 32 | 20 версии 4.0 & 8 версии 3.0 или 8 SATA = 28 | 12 версии 4.0 & 16 версии 3.0 или 8 SATA = 28 | 18 версии 3.0 или 6 SATA = 18 |
| Количество портов SATA 6.0 Gb/s до | 8 | 8 | 8 | 6 |
| Версия DMI | 4.0 | 4.0 | 4.0 | 3.0 |
| Количество линий DMI | x8 | x8 | x8 | x8 |
| Поколение ОЗУ | DDR5 | DDR4 & DDR5 | DDR4 & DDR5 | DDR4 |
| Количество каналов ОЗУ | 2 | 2 | 2 | 2 |
| Максимальное количество слотов ОЗУ | 4 | 4 | 4 | 4 |
| Максимальный объем ОЗУ | 256 ГБ | 256 ГБ DDR5/128 ГБ DDR4 | 256 ГБ DDR5/128 ГБ DDR4 | 128 ГБ |
| Порты USB4 (40Gbps)(процессор) до | 2 | - | - | - |
| Порты USB 3.2 Gen 2x2 (20Gbps) до | 5 | 5 | 4 | 3 |
| Порты USB 3.2 Gen 2x1 (10Gbps) до | 10 | 10 | 10 | 10 |
| Порты USB 3.2 Gen 1x1 (5Gbps) до | 10 | 10 | 10 | 10 |
| Порты USB 2.0 до | 14 | 14 | 14 | 14 |
| Встроенная поддержка Wi-Fi | Wi-Fi 7 | Wi-Fi 7 | Wi-Fi 6E | Wi-Fi 6 |
Снова отметим, что у Z890 — 24 линии PCIe 4.0 плюс максимально 8 линий SATA, то есть в сумме чипсет Z890 обладает по сути 32 линиями PCIe, однако 8 линий на порты SATA переконфигурировать под иное использование нельзя.
Процессоры Core Ultra обладают в сумме 24 линиями PCIe (из них 20 — версии 5.0, а 4 — версии 4.0), еще имеется и встроенный контроллер Thunderbolt 4, который по сути нам дает 2 порта USB4 (до 40 Гб/с каждый).
Сегодня материнской платой на чипсете Z890, попавшей к нам в лабораторию, стал продукт компании MSI, а именно MSI MAG Z890 Tomahawk WiFi. Эта матплата относится к игровой серии начального уровня MAG (MSI Arsenal Gaming). Но по сути данная плата среднебюджетного уровня (семейство игровых материнок у MSI в целом стоит выше аналогичных продуктов с позиционированием для «кухарок, или дворников» (шутка).
MSI MAG Z890 Tomahawk WiFi поставляется в коробке простого серого дизайна MSI. Комплект размещен под платой в отдельном отсеке.
В комплект поставки кроме традиционных элементов типа краткого руководства пользователя и кабелей SATA входят: антенна встроенного Wi-Fi-модуля, фирменный адаптер для передней панели, бонусные стикеры, ключ для смены держателей в слотах M.2, адаптер для подключения СО от MSI через проприетарное гнездо JAF и накопитель типа Flash-drive с ПО.
Несмотря на то, что ПО поставляется, однако последние версии надо скачивать с вебсайта производителя.
В комплект поставки входит фирменный ключ для смены держателей в слотах M.2 Детали — ниже в разделе по накопителям.
Надо отметить, что также имеется и адаптер для удобного подключения проводов от корпуса к матплате (он выполнен в виде небольшого кабеля, детали в «Дополнительных устройствах»).
«Заглушка» на заднюю панель с разъемами уже смонтирована на самой плате.
Форм-фактор
Форм-фактор ATX имеет размеры до 305×244 мм, а E-ATX — до 305×330 мм. Материнская плата MSI MAG Z890 Tomahawk WiFi имеет размеры 305×244 мм, поэтому выполнена в форм-факторе ATX, и на ней имеются 9 монтажных отверстий для установки в корпус.
На оборотной стороне расположены некоторые электронные логические элементы. Текстолит обработан неплохо: во всех точках пайки срезаны острые концы.
На этой (тыльной) стороне платы отмечены места, в которых при установке материнки в корпус могут быть установлены стойки. Для предотвращения замыканий в таких местах отсутствуют контакты. Кроме того, вокруг каждого крепежного отверстия на плате нанесена защитная краска, чтобы предотвратить повреждение платы при неудачном монтаже ее в корпус.
Защитной пластины (бэкплейта) у платы нет.
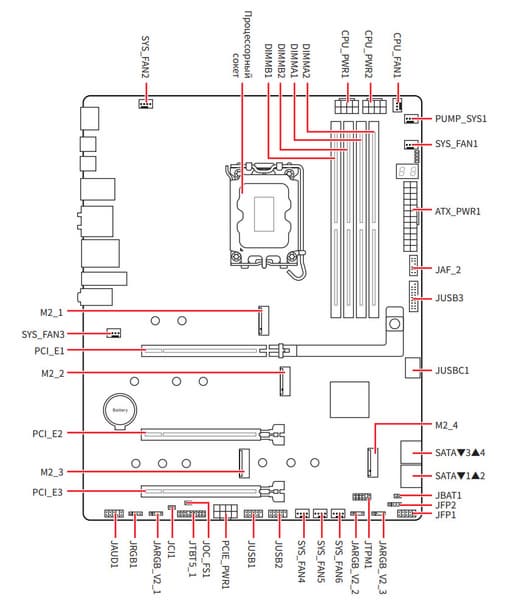
Технические характеристики
Традиционная таблица с перечнем функциональных особенностей.
| Поддерживаемые процессоры | Intel Core Ultra 2xx |
|---|---|
| Процессорный разъем | LGA 1851 |
| Чипсет | Intel Z890 |
| Память | 4 × DDR5, до 9200 МТ/с (XMP), до 256 ГБ, два канала (DIMM/CUDIMM) |
| Аудиоподсистема | 1 × Realtek ALC1220 (7.1) |
| Сетевые контроллеры | 1 × Intel Killer E5000B Ethernet 5 Гбит/с 1 × Intel Dual Band Wireless BE200 (Wi-Fi7 802.11a/b/g/n/ac/ax/be (2,4/5/6 ГГц) + Bluetooth 5.4) |
| Слоты расширения | 1 × PCIe 5.0 x16 (PCI_E1, режимы x16, x8+x8, x8+x4+x4) 1 × PCIe 4.0 x16 (PCI_E2, режим x4) 1 × PCIe 4.0 x16 (PCI_E3, режим x4) |
| Разъемы для накопителей | 4 × SATA 6 Гбит/с (Z890) 1 × M.2 (M.2_1, CPU, PCIe 5.0 x4 для устройств формата 2260/2280) 1 × M.2 (M.2_2, CPU, PCIe 4.0 x4 для устройств формата 2260/2280/22110) 1 × M.2 (M.2_3, Z890, PCIe 4.0 x4 для устройств формата 2242/2260/2280) 1 × M.2 (M.2_4, Z890, PCIe 4.0 x4/SATA для устройств формата 2242/2260/2280) |
| USB-порты | 4 × USB 2.0: 2 внутренних разъема на 4 порта (черный) (GL850G) 2 × USB 3.2 Gen1: 1 внутренний разъем на 2 порта (Z890) 4 × USB 3.2 Gen1: 4 порта Type-A (синие) (GL3523) 3 × USB 3.2 Gen2: 4 порта Type-A (красные) (Z890) 1 × USB 3.2 Gen2: 1 порт Type-C (Z890) 1 × USB 3.2 Gen2x2: внутренний разъем Type-C (Z890) 2 × USB4: 2 порта Type-C (CPU, Thunderbolt4) |
| Разъемы на задней панели | 2 × USB4 (Type-C) 3 × USB 3.2 Gen2 (Type-A) 4 × USB 3.2 Gen1 (Type-A) 1 × USB 3.2 Gen2 (Type-C) 1 × RJ-45 2 аудиоразъема типа миниджек 1 × S/PDIF (оптический, выход) 1 × HDMI (выход) 2 антенных разъема кнопка сброса CMOS кнопка перепрошивки BIOS — Flash BIOS |
| Прочие внутренние элементы | 24-контактный разъем питания ATX 2 8-контактный разъем питания EPS12V 1 8-контактный разъем питания PCIe 1 слот M.2 (E-key), занят адаптером беспроводных сетей 1 разъем для подключения порта USB 3.2 Gen2x2 Type-C 1 разъем для подключения 2 портов USB 3.2 Gen1 2 разъема для подключения 4 портов USB 2.0 8 разъемов для подключения 4-контактных вентиляторов и помп ЖСО 3 разъема для подключения адресуемой ARGB-ленты 1 разъем для подключения неадресуемой RGB-ленты 1 разъем аудио для передней панели корпуса 1 переключатель сброса CMOS 1 разъем JDASH для подключение контроллера настройки (приобретается отдельно) 1 разъем для подключение дискретных карт Thunderbolt5 1 разъем для подключение систем безопасности TPM 1 разъем для подключения управления с передней панели корпуса 1 разъем для подключение проприетарных систем охлаждения от MSI |
| Форм-фактор | ATX (305×244 мм) |
| Розничные предложения |
Основная функциональность: чипсет, процессор, память
Схема работы связки чипсет+процессор.
Формально имеется поддержка памяти DDR5 до 6400 МТ/с, однако всем хорошо известно, и производители материнских плат это активно рекламируют: через XMP-профили сейчас можно использовать пропускную способность до 8000 и выше МТ/с. В частности данная плата поддерживает ПСП до 9200 МТ/с.
Все процессоры Core Ultra 2xx поддерживают:
- 2 порта USB4 (Thunderbolt 4),
- 20 линий ввода-вывода PCIe 5.0, которые могут конфигурироваться:
- 16 линий + 4 линии (слот PCIe x16 + слот M.2);
- 8 линий + 8 линий + 4 линии (2 слота PCIe x16 в режиме x8 + слот M.2);
- 8 линий + 4 линии + 4 линии + 4 линии (слот PCIe x16 в режиме x8 + 3 слота M.2);
- 4 линии ввода-вывода PCIe 4.0: могут конфигурироваться производителями материнских плат на выбор.
При этом взаимодействие с Z890 идет по особому каналу Digital Media Interface 4.0 (DMI 4.0 x8). Serial Peripheral Interface (SPI) используется для взаимодействия с системой UEFI/BIOS, а шина Low Pin Count (LPC) — для связи с устройствами ввода/вывода, не требующими высокой пропускной способности (контроллерами вентиляторов, TPM, старой периферии). HDA более не используется, связь с аудиокодеками идет с помощью линий USB 2.0.
В свою очередь чипсет Z890 поддерживает в сумме 42 линии ввода/вывода, которые распределяться могут так:
- до 10 портов USB 3.2 Gen1/2 (из которых до 5 портов USB 3.2 Gen2х2), до 14 портов USB 2.0 (из них линии используются в том числе и для поддержки 3.2 портов, а каждый порт USB 3.2 Gen2х2 требует поддержки со стороны двух USB 3.2 Gen2);
- до 8 портов SATA 6Гбит/с;
- до 24 линий PCIe 4.0.
Выше жирным шрифтом выделены HSIO (High Speed Input-Output) — высокоскоростные линии ввода-вывода, их в сумме (процессор+чипсет) — 60.
MSI MAG Z890 Tomahawk WiFi поддерживает процессоры Intel Core Ultra 2xx, выполненные под разъем (сокет) LGA1851.
Для установки модулей памяти на плате MSI имеется четыре DIMM-слота (для работы памяти в Dual Channel в случае использования всего 2 модулей их следует устанавливать в А2 и B2.
Плата поддерживает небуферизованную память DDR5 (non-EСС), а максимальный объем памяти составляет 256 ГБ. Могут использоваться модули CUDIMM.


Слоты DIMM не имеют металлической окантовки.
Периферийная функциональность: PCIe, SATA, разные дополнительные устройства
Выше мы изучили потенциальные возможности тандема Z890+Core, а теперь посмотрим, что из этого и как реализовано в данной материнской плате.
Кроме USB-портов, к которым мы подойдем позже, чипсет Z890 обладает 24 PCIe линиями PCIe 4.0 и 8 SATA портами. Считаем, сколько линий Z890 уходит на поддержку (связь) с тем или иным элементом:
- Слот PCIe x16_3 (PCI_E3) (4 линии PCIe 4.0);
- Слот PCIe x16_2 (PCI_E2) (4 линии PCIe 4.0);
- Слот M.2 (M.2_3) (4 линии PCIe 4.0);
- Слот M.2 (M.2_4) (4 линии PCIe 4.0);
- Genesys Logic GL3523 (хаб для 4 портов USB 3.2 Gen1)(1 линия PCIe 4.0);
- Intel Killer E5000B (Ethernet 5Gb/s) (1 линия PCIe 4.0);
- Intel BE200 WIFI7/BT (Wireless) (1 линия PCIe 4.0);
- 4 слота SATA 1/2/3/4
19 линий PCIe оказались занятыми, плюс 4 порта SATA. 1 линия USB 2.0 расходуется на связь с Realtek RTL1220, плюс один USB 2.0 расходуется на поддержку BT, а также контроллеры GL850G, NUC126 и другие для своих нужд используют сигнальные линии USB 2.0 и 3.2 Gen1/2. Детально об этом ниже в разделе USB-портов.
Теперь посмотрим выше на то, как работают процессоры в данной конфигурации. У CPU Core Ultra 2xx всего 24 линии PCIe, из них 4 линии версии PCIe 5.0 отведены на порт М.2 (M.2_1), 4 линии версии PCIe 4.0 отведены на порт М.2 (M.2_2) . Оставшиеся 16 линий PCIe 5.0 идут на слот PCIe x16_1 (PCI_E1). Так что вариантов переключения линий PCIe 5.0 между слотами нет (имеется только возможность на первом слоте задать конфигурацию 16 линий: x16, x8+x8, x8+x4+x4, это на случай установки в данный слот карты расширения с портами M.2).
Теперь в целом про слоты PCIe.
Всего на плате есть 3 слота: слот PCIe x16 (PCI_E1 для видеокарт или других устройств) и два «длинных» PCIe x16 слота (PCI_E2/E3, но фактически имеющих по 4 линии PCIe 4.0).
Как видим, перераспределения линий PCIe 5.0 на этой материнке нет, поэтому мультиплексоры не востребованы.
Слот PCI_E1 имеет металлическое армирование: защиту из нержавеющей стали. Все это увеличивает надежность. Кроме того, такая защита предохраняет слот от электромагнитных помех.
Для удобного извлечения видеокарт из слота PCI_E1 имеется особый механизм EZ-PCIE-Release c кнопкой.

Матплата позволяет смонтировать СО любого размера.
Для нужд оверклокеров на плате имеется внешний тактовый генератор, позволяющий гибко настраивать частоты работы системной шины.
Также плата оснащена усилителем (ре-драйвером) шины PCIe 4.0.
На очереди — накопители.
Всего у платы 4 разъема Serial ATA 6 Гбит/с + 4 слота для накопителей в форм-факторе M.2. 4 порта SATA 1,2,3,4 реализованы через чипсет Z890 и поддерживают создание RAID.
Материнская плата имеет 4 гнезда форм-фактора М.2.
Третий и четвертый слоты M.2 (M.2_3, M.2_4) получают данные от чипсета Z890, а первые два — от CPU, при этом M.2_1 получает PCIe 5.0, а M.2_2 получает от процессора PCIe 4.0.
Все слоты M.2, кроме M.2_4 работают с модулями только с PCIe интерфейсом, а в M.2_4 можно установить накопитель с любым интерфейсом.
Все слоты M.2 поддерживают модули с размерами 2280 и 2260. А слоты M.2_3/4 поддерживают также 2242. Кроме того, слот M.2_2 поддерживает еще и 22110. На всех M.2 можно организовать RAID.
Поскольку нет деления ресурсов уже между слотами M.2, портами SATA и слотами расширения PCIe, то и мультиплексоров нет.
У всех слотов M.2 имеется удобный способ крепления накопителей через установленные на стойках поворотные замки.
Все M.2 слоты имеют радиаторы. M.2_1 и M.2_2 обладают отдельными радиаторами, когда как остальные все слоты M.2 имеют общий радиатор. Также слот M.2_1 кроме верхнего радиатора еще имеет радиатор для охлаждения тыльной стороны модулей.
Также отдельно надо отметить, что все радиаторы удобно снимать и ставить с помощью откидывающихся запоров (без завинчивания/развинчивания).
По умолчанию стойка для крепления накопителей в каждом слоте установлена на размер 2280.

Если надо установить модуль с размером 2260, то с помощью имеющегося в комплекте поставки ключа можно стойку переместить в нужное место.
Периферийная функциональность: USB-порты, сетевые интерфейсы, ввод-вывод
Теперь на очереди USB-порты и прочие вводы-выводы. И начнем с задней панели, куда выведены большинство из них.
Повторим: чипсет Z890 способен реализовать не более 14 портов USB, из которых может быть до 10 портов USB 3.2 Gen1, до 10 портов USB 3.2 Gen2, до 5 портов USB 3.2 Gen2x2, и/или до 14 портов USB 2.0.
Также мы помним и про 24 линии PCIe 4.0, которые идут на поддержку накопителей, сетевых и иных контроллеров (я выше уже показал на что и как расходуются 19 линий PCIe 4.0 + 4 порта SATA).
И что мы имеем? Всего на материнской плате — 17 портов USB:
- 2 порта USB4: оба реализованы через Thunderbolt 4, встроенный в CPU и представлены двумя портами Type-C на задней панели;
- 1 порт USB 3.2 Gen2x2: реализован с помощью Z890 и представлен одним внутренним портом Type-C (для подключения к соответствующему разъему на передней панели корпуса);
- 4 порта USB 3.2 Gen2: все реализованы через Z890 и представлены на задней панели 3 портами Type-A (красного цвета), а один — портом Type-C;
- 6 портов USB 3.2 Gen1: 4 реализованы через контроллер Genesys Logic GL3523 (на него потрачена 1 линия PCIe от Z890) и представлены на задней панели 4 портами Type-A (синего цвета); еще 2 реализованы через Z890 и представлены внутренним разъемом на материнской плате на 2 порта;
- 4 порта USB 2.0/1.1: все реализованы через контроллер Genesys Logic GL850G (на него потрачена 1 линия USB 2.0 от Z890) и представлены двумя внутренними разъемами (каждый на 2 порта)
Итак от Z890 используют USB 2.0 линии 6 контроллеров:
- Genesys Logic GL850G (хаб на 4 USB 2.0 через 2 внутренних разъема) (1 линия USB 2.0);
- Nuvoton NUC126 (управление подсветкой) (1 линия USB 2.0);
- Realtek RTL1220 (аудиокодек) (1 линия USB 2.0);
- 2 усилителя TB4 (2 линии USB 2.0);
- Bluetooth (Intel BE200) (1 линия USB 2.0).
А контроллер Genesys Logic GL3523 (хаб 4 USB 3.2 Gen1 на 4 порта Type-A на задней панели) использует 1 линию PCIe 4.0.
Итак, через чипсет Z890 реализовано высокоскоростных портов USB:
- + 2 USB 3.2 Gen2 на обеспечение порта USB 3.2 Gen2x2
- + 4 выделенных USB 3.2 Gen2
- + 2 выделенных USB 3.2 Gen1
= 8 высокоскоростных портов. Не забываем, что каждый высокоскоростной порт USB обеспечен портом USB 2.0, то есть уже 8 портов USB 2.0 также занято. Плюс 6 портов USB 2.0 на обеспечение контроллеров. Всего 14 USB 2.0 портов реализовано.
Ну и 23 линии PCIe, выделенных на поддержку иной периферии (19 HSIO + 4 порта SATA).
Итого у Z890 в данном случае реализовано 27 высокоскоростных портов из 34.
USB порт 3.2 Gen2x2 в виде внутреннего Type-C позволяет выдавать вольтаж, способный обеспечить быструю зарядку мобильных гаджетов (до 27 Вт).
Также и порт USB 3.2 Gen2 Type-C на задней панели оснащен ре-драйверами для обеспечения зарядки тех же гаджетов.
Следует обратить особое внимание на поддержку USB4, которая на платформе Intel LGA1851 реализована через Thunderbolt 4, аппаратно встроенный в CPU.
Для устойчивой скоростной передачи по протоколам USB4/TB4 на матплате имеются два усилителя (ре-драйвера) от той же компании Intel.


Теперь о сетевых делах.
Материнская плата оснащена средствами связи хорошо. Имеется скоростной Ethernet-контроллер Intel Killer E5000B, способный работать по стандарту 5 Гбит/с.
Имеется и комплексный беспроводной адаптер на контроллере Intel BE200, через который реализованы Wi-Fi 7 (802.11a/b/g/n/ac/ax/be, 2,4/5/6 ГГц) и Bluetooth 5.4. Он установлен в слот M.2 (E-key), и его разъемы для выносных антенн выведены на заднюю панель.
И тут надо особо отметить уже вовсю применяемый новый способ крепления антенн к задней панели портов. Теперь прикручивать антенны не надо (даже если имеется резьба для их привинчивания), просто вставить в разъемы на матплате. Разъединить также легко.
Заглушка, традиционно надеваемая на заднюю панель, в данном случае уже надета, и изнутри экранирована для снижения электромагнитных помех.
Аудиоподсистема
В данном случае плата оснащена аудиоподсистемой, где звуком заведует аудиокодек Realtek ALC1220, он целом обеспечивает вывод звука по схемам до 7.1 с разрешением до 24 бит /192 кГц. Не забываем, что для работы такого кодека требуются сигнальные линии USB 2.0.
В аудиоцепях платы применяются «аудиофильские» конденсаторы.
Аудиотракт вынесен на угловую часть платы, не пересекается с другими элементами. У карты два универсальных разъема с позолоченным покрытием по приему и выводу сигналов плюс оптический S/PDIF.
Вывод по схемам 4.0, 5.1 и 7.1 возможен только через использование аудиогнезд на передней панели корпуса совместно с двумя гнездами на самой плате, а также через S/PDIF. Настройка схем — с помощью ПО, скачиваемого с сайта производителя.
Питание, охлаждение
Для питания платы на ней предусмотрены 4 разъема: в дополнение к 24-контактному ATX (он на правой стороне платы (на фото — слева) здесь есть еще два 8-контактных EPS12V, а также 8-контактный PCIe для поддержки усиленного питания слотов PCIe x16.
Схема подключения возможна для двух видеокарт на процессорах Nvidia, а также до трех карт на процессорах AMD. Не забываем, что мультиграфические конфигурации нынче поддерживаются только рабочим специализированным ПО (современные игры уже это не поддерживают).
Схема питания процессора выполнена по схеме 16+1+1+1 (всего 19 фаз: 16 на VCore (ядро процессора), 1 на iGPU (интегрированное графическое ядро), 1 на VCCSA (System Agent, кольцевая шина) и 1 на VNNAON (управление энергосбережением).
Каждый канал фазы VCore имеет суперферритовый дроссель и M87692 DrMOS от Monolithic Power Systems на 90 А.
Управление этой схемой возложено на ШИМ-контроллер MP29005 от MPS (он поддерживает до 8х фаз, поэтому у нас идет параллельная схема управления фазами — 2x8).
Каждый канал фазы питания VCCSA, iGPU и VNNAON кроме дросселя имеет MP87661 DrMOS от MPS на 60 А.
Управляет всеми тремя схемами ШИМ-контроллер MPS M2940C.
Теперь про охлаждение.
Все потенциально сильно греющиеся элементы имеют свои собственные радиаторы.
Как мы видим, охлаждение чипсета (один радиатор) организовано отдельно от силовых преобразователей. VRM-секция имеет свои два раздельных радиатора.
Как я уже упоминал ранее, M.2 слоты также имеют радиаторы: у двух — по персональному радиатору, у остальных — общий.
Одной из особенностей новой платформы Intel является поддержка современной памяти DDR5 в в виде CUDIMM. Цель этих новаций — достижение более высоких тактовых частот работы, а значит и нагрев модулей памяти может вырасти.
Напомню, что материнская плата не имеет бэкплейта.
Подсветка
Программное обеспечение под Windows
Настройки BIOS
Все современные платы сейчас имеют UEFI (Unified Extensible Firmware Interface), которые, по сути, являются операционными системами в миниатюре. Для входа в настройки при загрузке ПК традиционно надо нажать клавишу Del или F2.
Попадаем в общее «простое» меню EZ Mode, где настроек мало, но мы видим вкладку Advanced так что переходим на нее (или нажимаем F7) и попадаем уже в «продвинутое» меню.
Управление периферией. В принципе стандартные позиции, когда можно управлять каждым узлом, слотом или портом, менять режимы работы, включать и выключать.
Следует особо обратить внимание в разделе на управление M.2 и слотами PCIe. Мы помним, что первый слот PCIe x16 имеет возможность конфигурации 16-ти линий PCIe 5.0.
Мониторинг и опции загрузочного меню — всем хорошо известны. Там же есть утилита Q-Fan по настройке работы гнезд для вентиляторов.
Для разгона есть по сути уже стандартные опции в рамках того, что поддерживают процессоры и оперативная память DDR5. Заодно мы видим имеющиеся профиль работы процессора: от Intel по умолчанию и 3 профиля с авторазгоном от MSI.
Опций вполне достаточно, как и положено в игровой серии MSI, однако для современных топовых процессоров многие опции бесполезны, ибо процессор сам по себе уже работает на сильно повышенных частотах.
Работоспособность (и разгон)
Запускаем все в режиме по умолчанию (в BIOS — профиль от Intel). Затем нагружаем тестами OCCT.
В режиме авторазгона мы получили до 5,4 ГГц по P-ядрам, и 4.6 ГГц по всем Е-ядрам. Напомню, что начиная с этого поколения процессоров, все ядра имеют по 1 потоку, то есть гипертрейдинга (многопоточности) теперь нет. Потребление процессора достигало 175 Вт.
Выводы
MSI MAG Z890 Tomahawk WiFi — модель сравнительно бюджетная, если судить по ее позиционированию в рамках ассортимента материнских плат MSI, но при этом имеющая весьма приличную систему питания и хорошую поддержку периферии. К сожалению, ее розничная стоимость на момент подготовки обзора составляла в районе 35 тысяч рублей, что никак не позволяет отнести плату к бюджетному сегменту.
У нее 17 портов USB разных видов, включая 2 USB4, один USB 3.2 Gen2×2 в виде внутреннего порта Type-C и 10 портов USB 3.2 Gen2/1. Также плата предлагает слот PCIe х16, получающий от процессора 16 линий PCIe 5.0, и еще два «длинных» слота, работающих в режиме x4 — последние подключены к чипсету. У платы 4 слота M.2, два из которых подключены напрямую к процессору: один — линиями PCIe 4.0, второй — линиями PCIe 5.0. Два других слота М.2 подключены к чипсету Z890 линиями PCIe 4.0.
В арсенале платы также есть 4 порта SATA и 8 разъемов для вентиляторов. Система питания процессора относительно мощная, способная обеспечить работу любых совместимых процессоров с приличным и уже традиционным запасом на разгон. Плата имеет грамотную систему охлаждения каждого потенциально греющегося элемента, включая накопители в слотах M.2. Сетевые возможности включают скоростной проводной контроллер 5 Гбит/с и один самый современный беспроводной — Wi-Fi 7 + Bluetooth 5.4. В числе плюсов платы можно упомянуть широкие возможности для подключения дополнительных RGB-устройств.








































































































