Оглавление
- Форм-фактор
- Технические характеристики
- Основная функциональность: чипсет, процессор, память
- Периферийная функциональность: PCIe, SATA, разные дополнительные устройства
- Периферийная функциональность: USB-порты, сетевые интерфейсы, ввод-вывод
- Аудиоподсистема
- Питание, охлаждение
- Подсветка
- Программное обеспечение под Windows
- Настройки BIOS
- Работоспособность (и разгон)
- Выводы
Мы продолжаем изучать – как устроена та или иная материнская плата, на что способна система питания, с каким ассортиментом периферии, а также программных средств она попадает к потребителю.
Исследование процессоров — в своем разделе.
Платформа AMD AM5 уже существует несколько лет, почти 1,5 года назад получила развитие в виде поколения процессоров Ryzen 9xxx. Тогда же обновилась и линейка системных чипсетов от AMD, новое поколение получило цифру 8, то есть X870/B850 и так далее.
Ниже приведена таблица основных отличий старших чипсетов AM5.
| Особенности | B650/B650E | X870 | X670/X670E | X870E |
|---|---|---|---|---|
| Совместимость с процессорами AMD | Ryzen 7xxx/8xxx/9xxx | |||
| Версия PCIe (процессор) | 4.0 & 5.0/5.0 | 5.0 | 4.0 & 5.0/5.0 | 5.0 |
| Количество линий PCIe (процессор) | 28 | |||
| Количество линий PCIe от процессора на связь с чипсетом | x4 PCIe 4.0 | |||
| Версия PCIe (чипсет) | 3.0 & 4.0 | |||
| Количество линий PCIe (чипсет) | 12 (8 x 4.0 & 4 x 3.0) | 12 (8 x 4.0 & 4 x 3.0)* | 20 (12 x 4.0 & 8 x 3.0) | 20 (12 x 4.0 & 8 x 3.0)* |
| Поколение ОЗУ | DDR5 | |||
| Количество каналов ОЗУ | 2 | |||
| Максимальное количество слотов ОЗУ | 4 | |||
| Максимальный объем ОЗУ | 192 ГБ | |||
| Количество портов SATA 6.0 Gb/s до | 4 | 4 | 8 | 8 |
| Порты USB4 (40Gbps) до | необязательно, по желанию производителя через сторонний контроллер | 2 (обязательно) через сторонний контроллер с выделением для него 4х линий PCIe | необязательно, по желанию производителя через сторонний контроллер | 2 (обязательно) через сторонний контроллер с выделением для него 4х линий PCIe |
| Порты USB 3.2 Gen 2x2 (20Gbps) до | 1 | 1 | 2 | 2 |
| Порты USB 3.2 Gen 2x1 (10Gbps) / Gen 1x1 (5Gbps) до | 6 | 6 | 8 | 8 |
| Порты USB 2.0 до | 6 | 6 | 12 | 12 |
| Конфигурация слота PCIe x16 (от процессора) | только x16/x16 или x8+x8 или x8+x4+x4 | x16 или x8+x8 или x8+x4+x4 | только x16/x16 или x8+x8 или x8+x4+x4 | x16 или x8+x8 или x8+x4+x4 |
| Возможность разгона по частоте шины | Да | |||
Примечание: * – 4 линии PCIe 4.0 могут быть зарезервированы для контроллера USB4 как у чипсета, так и у CPU.
Чипсет X870E по сути полностью аналогичен X670E с той лишь разницей, что материнские платы, основанные на первом, обязательно должны иметь контроллер USB4.
Сегодня материнской платой на новом чипсете X870E, попавшей к нам в лабораторию, стал продукт компании MSI, а именно MSI MAG X870E Tomahawk WiFi. Эта матплата относится к игровой серии MAG (MSI Arsenal Gaming), которая стоит на третьем месте после MEG (MSI Extremal Gaming). Собственно, поэтому данная плата, хоть и игровая, но среднебюджетного уровня.
MSI MAG X870E Tomahawk WiFi поставляется в традиционной коробке фирменного дизайна серии MAG. Комплект размещен под платой в отдельных отсеках.
Надо отметить, что комплект поставки для такой платы неплох: кроме традиционных элементов типа краткого руководства пользователя и кабелей SATA, имеются антенна встроенного Wi-Fi-модуля, фирменный адаптер для удобного подключения проводов от корпуса к матплате (он выполнен в виде небольшого кабеля), бонусные стикеры, ключ для смены держателей в слотах M.2, адаптер для подключения СО от MSI через проприетарное гнездо JAF, накопитель с ПО.
Хоть ПО и поставляется, однако все равно последние версии надо скачивать с вебсайта производителя.
В комплект поставки входит фирменный ключ для смены держателей в слотах M.2 Детали – ниже в разделе по накопителям.
«Заглушка» на заднюю панель с разъемами уже смонтирована на самой плате.
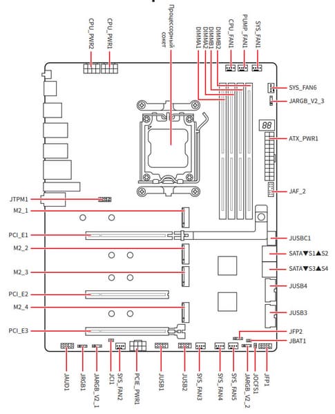
Форм-фактор
Форм-фактор ATX имеет размеры до 305×244 мм, а E-ATX — до 305×330 мм. Материнская плата MSI MAG X870E Tomahawk WiFi имеет размеры 305×244 мм, поэтому выполнена в форм-факторе ATX, и на ней имеются 9 монтажных отверстий для установки в корпус.
На оборотной стороне расположены традиционные некоторые электронные логические элементы, а также ряд контроллеров. Текстолит обработан неплохо: во всех точках пайки срезаны острые концы. Защитной пластины (бэкплейта) нет.
На тыльной стороне платы отмечены места, в которых при установке материнки в корпус могут быть установлены стойки, чтобы перед монтажом сборщик мог внимательно проверить минимальное количество нужных стоек. А также вокруг крепежных отверстий имеются зоны, подверженные потенциальному повреждению при неудачной установки платы в корпус, но при этом это не скажется на работоспособности матплаты.
Технические характеристики
Традиционная таблица с перечнем функциональных особенностей.
| Поддерживаемые процессоры | AMD Ryzen 7xxx/8xxx/9xxx под AM5 |
|---|---|
| Процессорный разъем | AM5 |
| Чипсет | AMD X870E |
| Память | 4 × DDR5, до 256 ГБ до DDR5-8400 (XMP/Expo), два канала |
| Аудиоподсистема | 1 × Realtek ALC4080 (7.1) |
| Сетевые контроллеры | 1 × Realtek RTL8126 Ethernet 5,0 Гбит/с 1 × Qualcomm Dual Band Wireless QCNCM865 (Wi-Fi 7 802.11a/b/g/n/ac/ax/be (2,4/5/6 ГГц) + Bluetooth 5.3) |
| Слоты расширения | 1 × PCIe 5.0 x16 (PCI_E1, режимы x16, x8+x4+x4) 1 × PCIe 3.0 x1 (PCI_E2, режим x1) 1 × PCIe 4.0 x16 (PCI_E3, режим x4) |
| Разъемы для накопителей | 4 × SATA 6 Гбит/с (X870E) 1 × M.2 (M.2_1, CPU, PCIe 5.0 x4 для устройств формата 2280/22110) 1 × M.2 (M.2_2, CPU, PCIe 5.0 x4 для устройств формата 2260/2280)* 1 × M.2 (M.2_3, X870E, PCIe 4.0 x4 для устройств формата 2260/2280) 1 × M.2 (M.2_4, X870E, PCIe 4.0 x4 для устройств формата 2260/2280) |
| USB-порты | 4 × USB 2.0: 2 внутренних разъема на 4 порта (X870E) 4 × USB 2.0: 4 порта Type-A (черные) (X870E) 4 × USB 3.2 Gen1: 2 внутренних разъема на 4 порта (X870E) 3 × USB 3.2 Gen1: 3 порта Type-A (синие)(X870E) 1 × USB 3.2 Gen2x2: 1 внутренний разъем Type-C (X870E) 2 × USB 3.2 Gen2: 2 порта Type-A (красные)(CPU) 1 × USB 3.2 Gen2: 1 порт Type-C (CPU) 2 × USB4: 2 порта Type-C (ASM4242)* |
| Разъемы на задней панели | 2 × USB4 (Type-C) 2 × USB 3.2 Gen2 (Type-A) 3 × USB 3.2 Gen1 (Type-A) 1 × USB 3.2 Gen2 (Type-C) 4 × USB 2.0 (Type-A) 1 × RJ-45 2 аудиоразъема типа миниджек 1 × оптический S/PDIF (выход) 1 × HDMI (выход) 2 антенных разъема кнопка сброса CMOS кнопка перепрошивки BIOS — Flash BIOS |
| Прочие внутренние элементы | 24-контактный разъем питания ATX 2 8-контактных разъема питания EPS12V 1 8-контактный разъем питания PCIe 1 слот M.2 (E-key), занят адаптером беспроводных сетей 1 разъем для подключения порта USB 3.2 Gen2x2 Type-C 2 разъема для подключения 4 портов USB 3.2 Gen1 2 разъема для подключения 4 портов USB 2.0 8 разъемов для подключения 4-контактных вентиляторов и помп ЖСО 3 разъема для подключения адресуемой ARGB-ленты 1 разъем для подключения неадресуемой RGB-ленты 1 разъем аудио для передней панели корпуса 1 разъем для сброса CMOS 1 разъем для проприетарных вентиляторов MSI 1 разъем для систем безопасности TPM 2 разъема для подключения управления с передней панели корпуса |
| Форм-фактор | ATX (305×244 мм) |
| Розничные предложения |
Примечание: * – хаб USB4 ASMedia ASM4242 делит ресурсы со слотом M.2_2. Детали - ниже
Основная функциональность: чипсет, процессор, память

Схема работы связки чипсет+процессор.
Все процессоры Ryzen 7000/8000/9000 поддерживают:
- 3 порта USB 3,2 Gen2 Type-C,
- 1 порт USB 3,2 Gen2 Type-A,
- 1 порт USB 2.0,
Только Ryzen 7000/9000 поддерживают:
- 28 линий ввода-вывода (включая PCI-E 5.0, в случае работы с A620/B840 пониженные до версии 4.0):
- 4 линии из них (в случае чипсета A620/B840 пониженные до версии 3.0) идут на взаимодействие с чипсетом,
- 16 линий — это PCI-E 5.0 слот для видеокарт,
- Осталось 8 линий PCIe 5.0:
- 4 линии — это слот M.2,
- остальные 4 могут конфигурироваться производителями материнских плат на выбор.
Только Ryzen 8700/8600 поддерживают:
- 20 линий ввода-вывода (PCIe версии 4.0):
- 4 линии из них (в случае чипсета A620/B840 пониженные до версии 3.0) идут на взаимодействие с чипсетом,
- 8 линий — это PCI-E 4.0 слот для видеокарт,
- Осталось 8 линий PCIe 4.0:
- 4 линии — это слот M.2,
- остальные 4 могут конфигурироваться производителями материнских плат на выбор.
Только Ryzen 8500/8300 поддерживают:
- 14 линий ввода-вывода (PCIe версии 4.0):
- 4 линии из них (в случае чипсета A620/B840 пониженные до версии 3.0) идут на взаимодействие с чипсетом,
- 4 линии — это PCI-E 4.0 слот для видеокарт,
- Осталось 6 линий PCIe 4.0:
- 4 линии — это слот M.2,
- остальные 2 могут конфигурироваться производителями материнских плат на выбор .
В свою очередь чипсет X870E поддерживает до:
- 8 портов USB 3.2 Gen2,
- 2 портов USB 3.2 Gen2x2,
- 12 портов USB 2.0,
- 2 портов USB4;
- 24 линии ввода-вывода:
- 4 линии для связи внутри микросхем чипсета (см. ниже).
- Остальные 20 линий распределяются как 12 PCIe 4.0 + 8 PCIe 3.0 (включая до 8 портов SATA).
Из этой общей суммы следует минусовать 4 линии PCIe 4.0 для обеспечения хаба USB4 – ASMedia ASM4242 (по усмотрению производителя матплат эти линии могут быть взяты или у CPU, или у X870E).
Таким образом в сумме от тандема X870E+Ryzen 7000/9000 мы получаем:
- 16 PCI-E 5.0 линий для видеокарт (от процессора);
- 2 порта USB4 (от контроллера ASM4242);
- 2 порта USB 3.2 Gen2x2 (от чипсета);
- 12 портов USB 3.2 Gen2 (4 от процессора, 8 от чипсета);
- 13 портов USB 2.0 (1 от процессора, 12 от чипсета);
- 8 портов SATA 6Гбит/с (от чипсета)
- 8 линий PCIe 5.0 (от процессора), 4 из которых — на слот М.2, 4 — могут образовывать разные варианты комбинаций портов и слотов (в зависимости от производителя материнских плат);
- 12 линий PCI-E 4.0 ( от чипсета), которые могут образовывать разные варианты комбинаций портов и слотов, из них 4 могут идти на поддержку USB4 (в зависимости от производителя материнских плат);
- 8 линий PCI-E 3.0 ( от чипсета), которые могут образовывать разные варианты комбинаций портов и слотов (в зависимости от производителя материнских плат).
Итого: 25 портов USB, 28 свободных PCI-E линий (включая до 8 портов SATA).
Поколения Ryzen 7xxx/8xxx/9xxx поддерживают как традиционные уже модули памяти DDR5 c Intel XMP (Extreme Memory Profile), так и модули с проприетарным от AMD профилем Expo.
Плата MSI поддерживает процессоры AMD поколений 7xxx/8xxx/9xxx, выполненные под разъем (сокет) AM5.
Для установки модулей памяти на плате имеется четыре DIMM-слота (для работы памяти в Dual Channel в случае использования всего 2 модулей их следует устанавливать в А2 и B2).
Плата поддерживает небуферизованную память DDR5, а максимальный объем памяти составляет 256 ГБ. Поддерживаются профили XMP и Expo.

Периферийная функциональность: PCIe, SATA, разные дополнительные устройства
Выше мы изучили потенциальные возможности тандема X870E+Ryzen, а теперь посмотрим, что из этого и как реализовано в данной материнской плате.
Итак, кроме USB-портов, к которым мы подойдем позже, чипсет X870E обладает 20 PCIe линиями (плюс 4 линии на аплинк с процессором). Считаем, сколько линий уходит на поддержку (связь) с тем или иным элементом:
- Слот PCIe x16 (PCI_E3) (4 линии PCIe 4.0);
- Слот M.2 (M.2_3) (4 линии PCIe 4.0);
- Слот M.2 (M.2_4) (4 линии PCIe 4.0);
- Realtek RTL8126 (Ethernet 5Gb/s) (1 линия PCIe 3.0);
- Слот PCIe x16 (PCI_E2) (1 линия PCIe 3.0);
- Qualcomm QCNCM865 WIFI7/BT (Wireless) (1 линия PCIe 3.0);
- 4 слота SATA 1/2/3/4
19 линий PCIe оказались занятыми (12 PCIe 4.0 + 3 PCIe 3.0 + 4 SATA). В данном случае связь с аудиокодеком c помощью линии USB 2.0 (от X870E). На поддержку BT (при наличии слота M.2 (key E) расходуется еще один USB 2.0. Детально об этом ниже в разделе USB-портов.
Теперь посмотрим выше на то, как работают процессоры в данной конфигурации. У всех Ryzen 7xxx/9xxx — 24 линии PCIe (плюс 4 линии на даунлинк с чипсетом). Смотрим распределение:
- Слот M.2_1 (4 линии PCIe 5.0);
- Слот PCIe x16 (PCI_E1)(16 линий PCIe 5.0);
- 4 линии PCIe 5.0 делятся между хабом USB4 ASMedia ASM4242 и слотом M.2_2. Варианты:
- хаб USB4 активен, слот M.2_2 отключен;
- хаб USB4 отключен, слот M.2_2 активен;
Все 24 линии PCIe распределены.
Теперь в целом про слоты расширения.
Всего на плате есть 3 слота: первый PCIe x16 (PCI_E1 для видеокарт или других устройств), второй PCIe x1 (PCI_E2, имеющий 1 линию PCIe 3.0) и третий «длинный» PCIe x16 (PCI_E3, но фактически имеющий 4 линии PCIe 4.0).
Как видим, перераспределение линий PCIe 5.0 этой материнки имеется, поэтому востребованы мультиплексоры Texas Instruments.
Слот PCI_E1 имеет металлическое армирование: защиту из нержавеющей стали. Все это увеличивает надежность. Кроме того, такая защита предохраняет от электромагнитных помех.
Выше я вел речь про первый PCIe x16 (PCI_E1), подключенный к процессору. Второй PCIe x1 (PCI_E2) работает в режиме х1 (PCIe 3.0), а третий PCIe x16 (PCI_E3) работает в режиме x4 (PCIe 4.0). Два последних подключены к X870E.
Для удобного извлечения видеокарт из слота PCI_E1 имеется особый механизм EZ-PCIE-Release c кнопкой.
Матплата позволяет смонтировать СО любого размера.
Для более стабильной работы на матплате имеются усилители (ре-драйверы) сигнала PCIe 4.0 от Texas Instruments.
Также матплата имеет аналогичные усилители (ре-драйверы) сигналов PCIe 5.0 от Phison.
На очереди — накопители.
Всего у платы 4 разъема Serial ATA 6 Гбит/с + 4 слота для накопителей в форм-факторе M.2. 4 порта SATA 1,2,3,4 реализованы через чипсет X870E и поддерживают создание RAID.
Материнская плата имеет 4 гнезда форм-фактора М.2.
Третий и четвертый слоты M.2 (M.2_3, M.2_4) получают данные от чипсета X870E, а первые два — от CPU, при этом оба получают PCIe 5.0.
Все слоты работают с модулями только с PCIe интерфейсом.
Все слоты M.2 поддерживают модули с размерами 2260/2280. А слот M.2_1 поддерживает еще и 22110. На всех M.2 можно организовать RAID.
У всех слотов M.2 имеется удобный способ крепления накопителей через установленные на стойках поворотные замки.
Все M.2 слоты имеют радиаторы. Верхний M.2_1 и нижний M.2_4 обладают отдельными радиаторами, когда как остальные слоты M.2 имеют общий радиатор. Также слот M.2_1 кроме верхнего радиатора еще имеет радиатор для охлаждения тыльной стороны модулей.
Также отдельно надо отметить, что первый и последний радиаторы удобно снимать и ставить с помощью откидывающихся запоров (без завинчивания/развинчивания).
По умолчанию стойка для крепления накопителей в каждом слоте установлена на размер 2280. Если надо установить модуль с размером 2260, то с помощью имеющегося в комплекте поставки ключа можно стойку переместить в нужное место.
Периферийная функциональность: USB-порты, сетевые интерфейсы, ввод-вывод
Теперь на очереди USB-порты и прочие вводы-выводы. И начнем с задней панели, куда выведены большинство из них.
Повторим: чипсет X870E способен реализовать максимально: 8 портов USB 3.2 Gen2/1, 2 USB 3.2 Gen2x2, 12 портов USB 2.0. Процессор Ryzen 7000/9000 способен реализовать до 4 портов USB 3.2 Gen2 и 1 USB 2.0.
Также мы помним и про 20 линий PCIe от чипсета, которые идут на поддержку накопителей, сетевых и иных контроллеров (я выше уже показал на что и как расходуются 19 линий).
И что мы имеем? Всего на материнской плате — 21 порт USB:
- 2 порта USB4: оба реализованы с помощью хаба ASMedia ASM4242 (на него потрачены 4 линии PCIe 5.0 от CPU, не забываем, что хаб делит линии со слотом M.2_2) и представлены двумя портами Type-C на задней панели;
- 1 порт USB 3.2 Gen2x2: реализован с помощью X870E и представлен одним внутренним портом Type-C (для подключения к соответствующему разъему на передней панели корпуса);
- 3 порта USB 3.2 Gen2: все реализованы через CPU и представлены на задней панели 2 портами Type-A (красного цвета) и 1 портом Type-C;
- 7 портов USB 3.2 Gen1: все реализованы через X870E и 4 представлены 2 внутренними разъемами на материнской плате (каждый на 2 порта), еще 3 представлены на задней панели портами Type-A (синего цвета) ;
- 8 портов USB 2.0/1.1: все реализованы через X870E и 4 представлены двумя внутренними разъемами (каждый на 2 порта), еще 4 представлены на задней панели портами Type-A (черного цвета)
В целом у нас 3 контроллера используют USB 2.0 линии от X870E:
- Realtek RTL4080 (аудиокодек) (1 линия USB 2.0);
- Nuvoton NUC126 (управление подсветкой) (1 линия USB 2.0);
- Bluetooth (Qualcomm QCNCM865) (1 линия USB 2.0).
Итак, через чипсет X870E реализовано высокоскоростных портов USB:
- + 0 выделенных USB 3.2 Gen2
- + 7 выделенных USB 3.2 Gen1
- + 1 выделенный USB 3.2 Gen2x2
= 8 высокоскоростных портов. Плюс 8 выделенных порта USB 2.0 и 3 линии USB 3.0 на обеспечение контроллеров. Всего 11 USB 2.0 портов реализовано.
Ну и 19 линий PCIe, выделенных на поддержку иной периферии (12 PCIe 4.0 + 3 PCIe 3.0 + 4 порта SATA).
Итого у X870E в данном случае реализовано 20 высокоскоростных портов из 20.
В свою очередь, через CPU реализовано высокоскоростных портов USB:
- + 3 выделенных USB 3.2 Gen2
= 3 высокоскоростных порта.
USB порт 3.2 Gen2x2 в виде внутреннего Type-C позволяет выдавать вольтаж, способный обеспечить быструю зарядку мобильных гаджетов (до 27 Вт). Также и порт USB 3.2 Gen2 Type-C на задней панели оснащен ре-драйверами для обеспечения зарядки тех же гаджетов.




Теперь о сетевых делах.
Материнская плата оснащена средствами связи отлично. Имеется два скоростных Ethernet-контроллера. Один Realtek RTL8126, способный работать по стандарту 5 Гбит/с.
Имеется и комплексный беспроводной адаптер на контроллере Qualcomm QCNCM865, через который реализованы Wi-Fi 7 (802.11a/b/g/n/ac/ax/be, 2,4/5/6 ГГц) и Bluetooth 5.4. Он установлен в слот M.2 (E-key), и его разъемы для выносных антенн выведены на заднюю панель.
И тут надо особо отметить уже вовсю применяемый новый способ крепления антенн к задней панели портов. Теперь прикручивать антенны не надо (даже если имеется резьба для их привинчивания), просто вставить в разъемы на матплате. Разъединить также легко.
Заглушка, традиционно надеваемая на заднюю панель, в данном случае уже надета, и изнутри экранирована для снижения электромагнитных помех.
Аудиоподсистема
В данном случае плата оснащена аудиоподсистемой, где звуком заведует аудиокодек Realtek ALC4080, он целом обеспечивает вывод звука по схемам до 7.1 с разрешением до 32 бит /384 кГц. Не забываем, что для работы такого кодека требуются сигнальные линии USB 2.0.
В аудиоцепях платы применяются «аудиофильские» конденсаторы.
Аудиотракт вынесен на угловую часть платы, не пересекается с другими элементами. У карты два универсальных разъема с позолоченным покрытием по приему и выводу сигналов плюс оптический S/PDIF.
Вывод по схемам 4.0, 5.1 и 7.1 возможен только через использование аудиогнезд на передней панели корпуса совместно с двумя гнездами на самой плате, а также через S/PDIF. Настройка схем – с помощью ПО, скачиваемого с сайта производителя.
Питание, охлаждение
Для питания платы на ней предусмотрены 4 разъема: в дополнение к 24-контактному ATX (он на правой стороне платы (на фото — слева) здесь есть еще два 8-контактных EPS12V (они имеют металлическое армирование), а также 8-контактный PCIe для поддержки усиленного питания слотов PCIe x16 (отмечен зеленым цветом).
Схема подключения возможна для двух видеокарт на процессорах Nvidia, а также до трех карт на процессорах AMD. Не забываем, что мультиграфические конфигурации нынче поддерживаются только рабочим специализированным ПО (современные игры уже это не поддерживают).
Схема питания процессора выполнена по схеме 14+2+1 (всего 17 фаз: 14 на VCore (ядро процессора), 2 фазы — SoC (I/O-чиплет Ryzen), 1 фаза — VDD_MISC (вывод встроенной графики).
Каждый канал фазы VCore и SoC имеет суперферритовый дроссель и MP87670 DrMOS от MPS на 80 А.
Управление этой схемой возложено на ШИМ-контроллер MPS MP2857 (он поддерживает до 18х фаз).
Один канал фазы питания встроенной графики имеет суперферритовый дроссель и AOZ5516QI DrMOS от Alpha&Omega на 55 А.
Управляет этой однофазной схемой ШИМ-контроллер Richtek RT3672.
Теперь про охлаждение.
Все потенциально сильно греющиеся элементы имеют свои собственные радиаторы.
Как мы видим, охлаждение чипсета (один радиатор) организовано отдельно от силовых преобразователей. VRM-секция имеет свои два раздельных радиатора.
Также имеется и небольшой радиатор, охлаждающий контроллер USB4 ASMedia ASM4242
Как я уже упоминал ранее, M.2 слоты также имеют радиаторы: у верхнего и нижнего — свои персональные радиаторы, у остальных — общий.
Напомню, что материнская плата не имеет бэкплейта.
Подсветка
Программное обеспечение под Windows
Настройки BIOS
Работоспособность (и разгон)
Запускаем все в режиме по умолчанию. Затем нагружаем тестами OCCT.
В данном случае авторазгон сработал неплохо с учетом стрессовой нагрузки на процессор (его максимальный нагрев был чуть ниже 85 градусов, а максимум потребления выше 87 Вт). При этом стоит отметить, что во всех этих испытаниях мы не получили никаких нареканий на работу сопутствующих блоков, никаких перегревов или странных явлений не было.
Выводы
MSI MAG X870E Tomahawk WiFi относится к игровой серии плат MAG, плата основана на топовом чипсете AMD X870E и позиционируется для работы с топовыми процессорами AMD платформы AM5. Это решение для игровых ПК относительно высокого уровня, но его цену можно условно считать средней, учитывая, что за флагманы просят под сотню тысяч. Плата подойдет пользователям, не предъявляющим особых требований к ее внешнему виду.
У платы 21 порт USB разных видов, включая 2 USB4, один USB 3.2 Gen2×2 в виде внутреннего порта Type-C и 8 портов USB 3.2 Gen2/1. Также она предлагает слот PCIe х16, получающий от процессора 16 линий PCIe 5.0, слот PCIe x1 (чипсетный) и третий «длинный» слот, работающий в режиме x4 (чипсетный). У платы 4 слота M.2, два из которых подключены напрямую к процессору линиями PCIe 5.0 (слот M.2_2 делит ресурсы с хабом USB4). Два других слота М.2 подключены к чипсету X870E линиями PCIe 4.0.
В арсенале платы также есть 4 порта SATA и 8 разъемов для вентиляторов. Система питания процессора достаточно мощная, способная обеспечить работу любых совместимых процессоров с приличным запасом на разгон. Плата имеет грамотную систему охлаждения каждого потенциально греющегося элемента, включая накопители в слотах M.2. Сетевые возможности включают проводной контроллер 5 Гбит/с и один самый современный беспроводной — Wi-Fi 7 + Bluetooth 5.4. В числе плюсов платы можно упомянуть широкие возможности для подключения дополнительных RGB-устройств.




















































































































