Оглавление
- Форм-фактор
- Технические характеристики
- Основная функциональность: чипсет, процессор, память
- Периферийная функциональность: PCIe, SATA, разные дополнительные устройства
- Периферийная функциональность: USB-порты, сетевые интерфейсы, ввод-вывод
- Аудиоподсистема
- Питание, охлаждение
- Подсветка
- Программное обеспечение под Windows
- Настройки BIOS
- Работоспособность (и разгон)
- Выводы
Всю детальную информацию о семействах процессоров можно найти в нашем разделе по ним.
Уже традиционно заведено производителями CPU, что после массового выпуска материнских плат на самом топовом чипсете нового поколения (я данном случае Intel Z890) следуют не менее массовые выпуски аналогичных продуктов на системных чипсетах попроще, ну и, разумеется, по более низким ценам.
Собственно, для того, чтобы оживить интерес к платформе Intel LGA1851, и созданы чипсеты среднего уровня B860 и начального уровня H810.
Давайте посмотрим на основные отличия между тремя чипсетами семейства 800: Z890, B860 и H810. Для наглядного сравнения с предшественником B760 его параметры также приведены в последней колонке.
| Особенности | Z890 | B860 | H810 | B760 |
|---|---|---|---|---|
| Совместимость с процессорами Intel | Core Ultra 2xx | Core Ultra 2xx | Core Ultra 2xx | Core 14/13/12 |
| Версия PCIe (процессор) | 4.0 & 5.0 | 4.0 & 5.0 | 4.0 & 5.0 | 4.0 & 5.0 |
| Количество линий PCIe (процессор) | 20 версии 5.0 & 4 версии 4.0 = 24 | 20 версии 5.0 = 20 | 16 версии 5.0 = 16 | 16 версии 5.0 & 4 версии 4.0 = 20 |
| Версия PCIe (чипсет) | 4.0 | 4.0 | 4.0 | 3.0 & 4.0 |
| Количество линий PCIe/SATA (чипсет) | 24 версии 4.0 & 8 SATA = 32 | 14 версии 4.0 & 4 SATA = 18 | 8 версии 4.0 & 4 SATA = 12 | 10 версии 4.0 & 4 версии 3.0 или 4 SATA = 14 |
| Количество портов SATA 6.0 Gb/s до | 8 | 4 | 4 | 4 |
| Версия DMI | 4.0 | 4.0 | 4.0 | 4.0 |
| Количество линий DMI | x8 | x4 | x4 | x4 |
| Поколение ОЗУ | DDR5 | DDR5 | DDR5 | DDR4 & DDR5 |
| Количество каналов ОЗУ | 2 | 2 | 2 | 2 |
| Максимальное количество слотов ОЗУ | 4 | 4 | 4 | 4 |
| Максимальный объем ОЗУ | 256 ГБ | 256 ГБ | 256 ГБ | 256 ГБ DDR5/128 ГБ DDR4 |
| Порты USB4 (40Gbps)(процессор) до | 2 | 1 | 1 | - |
| Порты USB 3.2 Gen 2x2 (20Gbps) до | 5 | 2 | 0 | 2 |
| Порты USB 3.2 Gen 2x1 (10Gbps) до | 10 | 4 | 2 | 4 |
| Порты USB 3.2 Gen 1x1 (5Gbps) до | 10 | 6 | 4 | 6 |
| Порты USB 2.0 до | 14 | 12 | 10 | 12 |
| Встроенная поддержка Wi-Fi | Wi-Fi 7 | Wi-Fi 7 | Wi-Fi 7 | Wi-Fi 6E |
Мы помним, что топовый Z890 владеет 24 линиями PCIe 4.0 плюс максимально 8 линий SATA (в сумме 32 линии PCIe, однако 8 линий на порты SATA переконфигурировать под иное использование нельзя). А вот B860 сильно обрезан: у него всего 14 линий PCIe 4.0, плюс до 4х портов SATA (всего 18 линий, но точно также 4 линии под SATA нельзя переконфигурировать). Заметим, что у B760 также 14 линий PCIe, однако там 4 линии SATA входят в это число, но при этом их можно переконфигурировать как 4 линии PCIe 3.0.
Процессоры Core Ultra в целом обладают в сумме 24 линиями PCIe (из них 20 – версии 5.0, а 4 – версии 4.0), еще имеется и встроенный контроллер Thunderbolt 4, который по сути нам дает 2 порта USB4 (до 40 Гб/с каждый). Но при этом на материнках с B860 CPU ограничен лишь 20-ю линиями PCIe 5.0, имеющиеся у процессора еще 4 линии PCIe 4.0 не используются. Также и по TB4 произошло урезание – на таких матплатах используется лишь 1 порт TB4 (из двух).
А теперь переходим к объекту сегодняшнего исследования: материнская плата MSI MAG B860 Tomahawk WiFi. Эта матплата принадлежит относительно малобюджетной игровой серии MAG, поэтому данная плата имеет стоимость в пределах 20 – 24 тысяч рублей. Понятно, что пока даже такие цены трудно относить к малобюджетному сектору, однако все же есть надежда на скорое удешевление таких продуктов.
MSI MAG B860 Tomahawk WiFi поставляется в коробке стандартного дизайна серии MAG. Комплект размещен под платой в отдельном отсеке.
В комплект поставки входят: краткое руководство пользователя (детальное можно скачать с сайта производителя), два кабеля SATA, адаптер-удлинитель EZ Conn V1 для подключения вентиляторов MSI к проприетарному гнезду JAF_1, адаптер EZ Front Panel Cable для удобного подключения кабелей от корпуса к матплате, ключ для смены стоек в слотах M.2 и антенна встроенного Wi-Fi-модуля.
ПО не поставляется, однако по-любому последние версии надо скачивать с вебсайта производителя.
«Заглушка» на заднюю панель с разъемами уже смонтирована на самой плате.
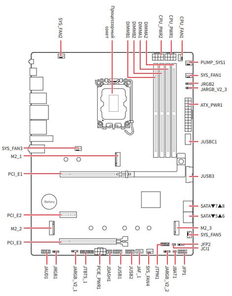
Форм-фактор
Форм-фактор ATX имеет размеры до 305×244 мм, а E-ATX — до 305×330 мм. Материнская плата MSI MAG B860 Tomahawk WiFi имеет размеры 305×244 мм, поэтому выполнена в форм-факторе ATX, и на ней имеются 9 монтажных отверстий для установки в корпус.
На оборотной стороне расположены некоторые электронные логические элементы. Текстолит обработан неплохо: во всех точках пайки срезаны острые концы.
Защитной пластины (бэкплейта) у платы нет.
На тыльной стороне платы имеются маркировки в местах потенциального нахождения стоек в корпусе для крепления матплат в местах, где у данной платы нет крепежных отверстий.

Технические характеристики
Традиционная таблица с перечнем функциональных особенностей.
| Поддерживаемые процессоры | Intel Core Ultra 2xx |
|---|---|
| Процессорный разъем | LGA 1851 |
| Чипсет | Intel B860 |
| Память | 4 × DDR5, до 9200 МТ/с (XMP), до 256 ГБ, два канала (DIMM/CUDIMM) |
| Аудиоподсистема | 1 × Realtek ALC897 (7.1) |
| Сетевые контроллеры | 1 × Intel Killer E5000B Ethernet 5 Гбит/с 1 × Intel Dual Band Wireless BE200 (Wi-Fi7 802.11a/b/g/n/ac/ax/be (2,4/5/6 ГГц) + Bluetooth 5.4) |
| Слоты расширения | 1 × PCIe 5.0 x16 (PCI_E1, режим x16) 1 × PCIe 4.0 x1 PCI_E2, (режим x1) * 1 × PCIe 4.0 x16 (PCI_E3, режим x4) * |
| Разъемы для накопителей | 4 × SATA 6 Гбит/с (B860) 1 × M.2 (M.2_1, CPU, PCIe 5.0 x4 для устройств формата 2260/2280) 1 × M.2 (M.2_2, B860, PCIe 4.0 x4 для устройств формата 2260/2280/22110) ** 1 × M.2 (M.2_3, B860, PCIe 4.0 x4 для устройств формата 2242/2260/2280) ** |
| USB-порты | 4 × USB 2.0: 2 внутренних разъема на 4 порта (GL850G) 4 × USB 2.0: 4 порта Type-A (GL850G) 2 × USB 3.2 Gen1: 1 внутренний разъем на 2 порта (B860) 1 × USB 3.2 Gen2: 1 порт Type-C (B860) 1 × USB4: 1 порт Type-C (CPU, Thunderbolt4) 4 × USB 3.2 Gen2: 4 порта Type-A (красные) (RTS5420) 1 × USB 3.2 Gen2: 1 внутренний разъем Type-C (B860) |
| Разъемы на задней панели | 1 × USB4 (Type-C) 4 × USB 2.0 (Type-A) 1 × USB 3.2 Gen2 (Type-C) 4 × USB 3.2 Gen2 (Type-A) 1 × RJ-45 2 аудиоразъема типа миниджек 1 оптический аудиоразъем S/PDIF 1 × HDMI (выход) 1x DP (выход) 1 кнопка сброса CMOS 1 кнопка обновления прошивки BIOS - Flash BIOS 2 антенных разъема |
| Прочие внутренние элементы | 24-контактный разъем питания ATX 2 8-контактный разъем питания EPS12V 1 8-контактный разъем питания PCIe 1 слот M.2 (E-key), занят адаптером беспроводных сетей 1 разъем для подключения порта USB 3.2 Gen2 Type-C 1 разъем для подключения 2 портов USB 3.2 Gen1 2 разъема для подключения 4 портов USB 2.0 7 разъемов для подключения 4-контактных вентиляторов и помп ЖСО 3 разъема для подключения адресуемой ARGB-ленты 2 разъема для подключения неадресуемой RGB-ленты 1 разъем аудио для передней панели корпуса 1 переключатель сброса CMOS 1 разъем JDASH для подключение контроллера настройки (приобретается отдельно) 1 разъем для подключение дискретных карт Thunderbolt5 1 разъем для подключение систем безопасности TPM 2 разъема для подключения управления с передней панели корпуса 1 разъем для подключение проприетарных систем охлаждения от MSI |
| Форм-фактор | ATX (305×244 мм) |
| Розничные предложения |
* - слоты PCI_E2/E3 делят ресурсы между собой. Детали ниже.
** - при использовании модуля размером 2280 в M.2_3, в M.2_2 нельзя установить модуль с размером 22110
Основная функциональность: чипсет, процессор, память

Схема работы связки чипсет+процессор.
Формально имеется поддержка памяти DDR5 до 6400 МТ/с, однако всем хорошо известно, и производители материнских плат это активно рекламируют: через XMP-профили сейчас можно использовать пропускную способность до 8000 и выше МТ/с. В частности данная плата поддерживает ПСП до 9200 МТ/с.
Все процессоры Core Ultra 2xx в целом поддерживают:
- 2 порта USB4 (Thunderbolt 4),
- 20 линий ввода-вывода PCIe 5.0, которые могут конфигурироваться:
- 16 линий + 4 линии (слот PCIe x16 + слот M.2);
- 8 линий + 8 линий + 4 линии (2 слота PCIe x16 в режиме x8 + слот M.2);
- 8 линий + 4 линии + 4 линии + 4 линии (слот PCIe x16 в режиме x8 + 3 слота M.2);
- 4 линии ввода-вывода PCIe 4.0: могут конфигурироваться производителями материнских плат на выбор.
Однако следует учесть, что в матплатах на B860 потенциал процессоров урезан до:
- 1 порт USB4 (Thunderbolt 4),
- 20 линий ввода-вывода PCIe 5.0, которые могут конфигурироваться:
- 16 линий + 4 линии (слот PCIe x16 + слот M.2);
При этом взаимодействие с B860 идет по особому каналу Digital Media Interface 4.0 (DMI 4.0 x4). Serial Peripheral Interface (SPI) используется для взаимодействия с системой UEFI/BIOS, а шина Low Pin Count (LPC) — для связи с устройствами ввода/вывода, не требующими высокой пропускной способности (контроллерами вентиляторов, TPM, старой периферии). HDA более не используется, связь с аудиокодеками идет с помощью линий USB 2.0.
В свою очередь чипсет B860 поддерживает в сумме 24 линии ввода/вывода, которые распределяться могут так:
- до 6 портов USB 3.2 Gen1/2 (из которых до 2 портов USB 3.2 Gen2х2), до 12 портов USB 2.0 (из них линии используются в том числе и для поддержки 3.2 портов, а каждый порт USB 3.2 Gen2х2 требует поддержки со стороны двух USB 3.2 Gen2);
- до 4 портов SATA 6Гбит/с;
- до 14 линий PCIe 4.0.
Выше жирным шрифтом выделены HSIO (High Speed Input-Output) – высокоскоростные линии ввода-вывода, их в сумме (процессор+чипсет) – 41.
MSI MAG B860 Tomahawk WiFi поддерживает процессоры Intel Core Ultra 2xx, выполненные под разъем (сокет) LGA1851.
Для установки модулей памяти на плате MSI имеется четыре DIMM-слота (для работы памяти в Dual Channel в случае использования всего 2 модулей их следует устанавливать в А2 и B2.
Плата поддерживает небуферизованную память DDR5 (non-EСС), а максимальный объем памяти составляет 256 ГБ. Могут использоваться модули CUDIMM.


Слоты DIMM не имеют металлической окантовки.
Периферийная функциональность: PCIe, SATA, разные дополнительные устройства
Выше мы изучили потенциальные возможности тандема B860+Core, а теперь посмотрим, что из этого и как реализовано в данной материнской плате.
Кроме USB-портов, к которым мы подойдем позже, чипсет B860 обладает 14 PCIe линиями PCIe 4.0 и 4 SATA портами. Считаем, сколько линий B860 уходит на поддержку (связь) с тем или иным элементом:
- Переключатель: или слот PCIe x1 (PCI_E2) получает 1 линию PCIe 4.0) + слот PCIe x16_2 (PCI_E3) получает (2 линии PCIe 4.0); или слот PCIe x1 (PCI_E2) отключен + слот PCIe x16_2 (PCI_E3) получает (4 линии PCIe 4.0) – всего максимально 4 линии PCIe 4.0;
- Слот M.2_2 (4 линии PCIe 4.0);
- Слот M.2_3 (4 линии PCIe 4.0);
- Intel Killer E5000B (Ethernet 5Gb/s) (1 линия PCIe 4.0);
- Intel BE200 WIFI7/BT (Wireless) (1 линия PCIe 4.0);
- 4 слота SATA 1/2/3/4
14 линий PCIe оказались занятыми, плюс 4 порта SATA. 1 линия USB 2.0 расходуется на связь с Realtek ALC897, плюс один USB 2.0 расходуется на поддержку BT, контроллер подсветки также потребляет линию USB 2.0. Детально об этом ниже в разделе USB-портов.
Теперь посмотрим выше на то, как работают процессоры в данной конфигурации. У CPU Core Ultra 2xx на матплатах на базе B860 всего задействовано 20 линий PCIe, из них 4 линии версии PCIe 5.0 отведены на порт М.2_1. Оставшиеся 16 линий PCIe 5.0 идут на слот PCIe x16_1 (PCI_E1). Так что вариантов переключения линий PCIe 5.0 между слотами нет.
Теперь в целом про слоты PCIe.
Всего на плате есть 3 слота: слот PCIe x16_1 (PCI_E1 для видеокарт или других устройств), слот PCIe x1 (PCI_E2) и «длинный» PCIe x16_2 слот (PCI_E3, но фактически имеющий 4 линии PCIe 4.0). PCI_E2/E3 делят линии между собой: при занятости PCI_E2 слот PCI _E3 получает не 4, а всего 2 линии PCIe 4.0, и наоборот, при занятости последнего (4 линии PCIe 4.0), слот PCI_E2 отключен.
Как видим, перераспределение линий PCIe 4.0 на этой материнке имеется, поэтому задействован мультиплексор от Diodes Inc.
Слот PCI_E1 имеет металлическое армирование: защиту из нержавеющей стали. Все это увеличивает надежность. Кроме того, такая защита предохраняет слот от электромагнитных помех.
Для удобного извлечения видеокарт из слота PCI_E1 имеется особый механизм EZ-PCIE-Release c кнопкой.

Матплата позволяет смонтировать СО любого размера.
Для нужд оверклокеров на плате имеется внешний тактовый генератор, позволяющий гибко настраивать частоты работы системной шины.
Также плата оснащена усилителем (ре-драйвером) шины PCIe 4.0.
На очереди — накопители.
Всего у платы 4 разъема Serial ATA 6 Гбит/с + 3 слота для накопителей в форм-факторе M.2. 4 порта SATA 1,2,3,4 реализованы через чипсет B860.
Материнская плата имеет 3 гнезда форм-фактора М.2.
Второй и третий слоты M.2 (M.2_2, M.2_3) получают данные от чипсета B860, а первый — от CPU, при этом M.2_1 получает PCIe 5.0, а M.2_2/3 получают PCIe 4.0.
Все слоты M.2 работают с модулями только с PCIe интерфейсом.
Все слоты M.2 поддерживают модули с размерами 2280 и 2260. А слот M.2_3 поддерживает также 2242. Кроме того, слот M.2_2 поддерживает еще и 22110 (однако имеется взаимоисключение по размерам устанавливаемых модулей: крепление 22110 для M.2_2 и крепление 2280 для M.2_3 – общее).
Поскольку нет деления ресурсов уже между слотами M.2 и портами SATA, то и соответствующих мультиплексоров нет.
У всех слотов M.2 имеется удобный способ крепления накопителей через установленные на стойках поворотные замки.
Все M.2 слоты имеют радиаторы. M.2_1 обладает отдельным радиатором, когда как остальные все слоты M.2 имеют общий радиатор. Охлаждение тыльной стороны модулей не предусмотрено.
Также отдельно надо отметить, что все радиаторы удобно снимать и ставить с помощью откидывающихся запоров (без завинчивания/развинчивания).

По умолчанию стойка для крепления накопителей в каждом слоте установлена на размер 2280.

Если надо установить модуль с размером 2260, то с помощью имеющегося в комплекте поставки ключа можно стойку переместить в нужное место.
Периферийная функциональность: USB-порты, сетевые интерфейсы, ввод-вывод
Теперь на очереди USB-порты и прочие вводы-выводы. И начнем с задней панели, куда выведены большинство из них.
Повторим: чипсет B860 способен реализовать не более 12 портов USB, из которых может быть до 6 портов USB 3.2 Gen1, до 4 портов USB 3.2 Gen2, до 2 портов USB 3.2 Gen2x2, и/или до 12 портов USB 2.0.
Также мы помним и про 14 линии PCIe 4.0, которые идут на поддержку накопителей, сетевых и иных контроллеров (я выше уже показал на что и как расходуются 14 линий PCIe 4.0 + 4 порта SATA).
И что мы имеем? Всего на материнской плате — 17 портов USB:
- 1 порт USB4: реализован через CPU (Thunderbolt4) и представлен на задней панели портом Type-C;
- Порт USB 3.2 Gen2x2 не реализован;
- 6 портов USB 3.2 Gen2: 4 реализованы через контроллер Realtek RTS5420 (на него потрачена 1 линия USB 3.2 Gen2 от B860) и представлены на задней панели портами Type-A (красного цвета); остальные 2 реализованы через B860, и 1 представлен на задней панели портом Type-C; 1 представлен внутренним портом Type-C (для подключения к соответствующему разъему на передней панели корпуса);
- 2 порта USB 3.2 Gen1: все реализованы через B860 и представлены внутренним разъемом на материнской плате на 2 порта;
- 8 портов USB 2.0/1.1: 4 реализованы через контроллер Genesys Logic GL850G (на него потрачена 1 линия USB 2.0 от B860) и представлены двумя внутренними разъемами (каждый на 2 порта); еще 4 реализованы через второй контроллер Genesys Logic GL850G (на него потрачена 1 линия USB 2.0 от B860) и представлены на задней панели портами Type-A (черного цвета)
От B860 используют USB 2.0 линии 5 контроллеров:
- Nuvoton NUC126 (контроллер управления разъемами подсветки);
- Realtek ALC897 (аудиокодек) (1 линия USB 2.0);
- Bluetooth (Intel BE200) (1 линия USB 2.0);
- Genesys Logic GL850G (хаб на 4 USB 2.0 через 2 внутренних разъема) (1 линия USB 2.0);
- Genesys Logic GL850G (хаб на 4 USB 2.0 Type-A на задней панели) (1 линия USB 2.0)
Итак, через чипсет B860 реализовано высокоскоростных портов USB:
- + 2 выделенных USB 3.2 Gen2;
- + 1 линия USB 3.2 Gen2 для поддержки Realtek RTS5420;
- + 2 выделенных USB 3.2 Gen1
= 5 высокоскоростных портов. Не забываем, что каждый высокоскоростной порт USB обеспечен портом USB 2.0, то есть уже 5 портов USB 2.0 также занято. Плюс 5 портов USB 2.0 на обеспечение контроллеров. Всего 10 USB 2.0 портов реализовано.
Ну и 18 линий PCIe, выделенных на поддержку иной периферии (14 HSIO + 4 порта SATA).
Итого у B860 в данном случае реализовано 19 высокоскоростных портов из 20.
USB порт 3.2 Gen2 в виде внутреннего Type-C позволяет выдавать вольтаж, способный обеспечить быструю зарядку мобильных гаджетов. Также и порт USB 3.2 Gen2 Type-C на задней панели оснащен ре-драйверами.


Следует обратить особое внимание на поддержку USB4, которая на платформе Intel LGA1851 реализована через Thunderbolt 4, аппаратно встроенный в CPU.
Для устойчивой скоростной передачи по протоколам USB4/TB4 на матплате имеется усилитель (ре-драйвер) от той же компании Intel. Реализован 1 порт Type-C на задней панели.
Теперь о сетевых делах.
Материнская плата оснащена средствами связи хорошо. Имеется скоростной Ethernet-контроллер Intel Killer E5000B, способный работать по стандарту 5 Гбит/с.
Имеется и комплексный беспроводной адаптер на контроллере Intel BE200, через который реализованы Wi-Fi 7 (802.11a/b/g/n/ac/ax/be, 2,4/5/6 ГГц) и Bluetooth 5.4. Он установлен в слот M.2 (E-key), и его разъемы для выносных антенн выведены на заднюю панель.
И тут надо особо отметить уже вовсю применяемый новый способ крепления антенн к задней панели портов. Теперь прикручивать антенны не надо (даже если имеется резьба для их привинчивания), просто вставить в разъемы на матплате. Разъединить также легко.
Заглушка, традиционно надеваемая на заднюю панель, в данном случае уже надета, и изнутри экранирована для снижения электромагнитных помех.
Аудиоподсистема
В данном случае плата оснащена аудиоподсистемой, где звуком заведует аудиокодек Realtek ALC897, он целом обеспечивает вывод звука по схемам до 7.1 с разрешением до 24 бит /192 кГц. Не забываем, что для работы такого кодека требуются сигнальные линии USB 2.0.
В аудиоцепях платы применяются «аудиофильские» конденсаторы.
Аудиотракт вынесен на угловую часть платы, не пересекается с другими элементами. У платы на задней панели два универсальных разъема по приему и выводу сигналов плюс оптический S/PDIF.
Вывод по схемам 4.0, 5.1 и 7.1 возможен только через использование аудиогнезд на передней панели корпуса совместно с гнездами на самой плате, а также через S/PDIF.


Настройка схем – с помощью ПО, скачиваемого с сайта производителя.
Питание, охлаждение
Для питания платы на ней предусмотрены 4 разъема: в дополнение к 24-контактному ATX (он на правой стороне платы (на фото — слева) здесь есть еще два 8-контактных EPS12V, а также 8-контактный PCIe для поддержки усиленного питания слотов PCIe x16 (отмечен фиолетовым цветом).
Схема подключения возможна для двух видеокарт на процессорах Nvidia, а также до трех карт на процессорах AMD. Не забываем, что мультиграфические конфигурации нынче поддерживаются только рабочим специализированным ПО (современные игры уже это не поддерживают).
Схема питания процессора выполнена по схеме 12+1+1+1 (всего 15 фаз: 12 на VCore (ядро процессора), 1 на iGPU (интегрированное графическое ядро), 1 на VCCSA (System Agent, кольцевая шина) и 1 на VNNAON (управление энергосбережением).
Каждый канал фазы VCore, VCCSA и VNNAOM имеет суперферритовый дроссель и MP87661 DrMOS от Monolithic Power Systems на 60 А.
Управление этой схемой питания возложено на ШИМ-контроллер MP29005 от MPS (он поддерживает до 8х фаз, поэтому у нас идет параллельная схема управления фазами для VCore — 2x6 +1 фаза VCCSA и 1 фаза VNNAOM – всего 8 фаз).
Канал фазы питания iGPU кроме дросселя имеет AOZ5516QI DrMOS от Alpha&Omega Semi на 60 А.
И он управляется отдельным ШИМ-контроллером неизвестного производителя.
Теперь про охлаждение.
Все потенциально сильно греющиеся элементы имеют свои собственные радиаторы.
Как мы видим, охлаждение чипсета (один радиатор) организовано отдельно от силовых преобразователей. VRM-секция имеет свои два раздельных радиатора.
Как я уже упоминал ранее, M.2 слоты также имеют радиаторы: у первого персональный радиатор, у остальных — общий.
Одной из особенностей новой платформы Intel является поддержка современной памяти DDR5 в в виде CUDIMM. Цель этих новаций — достижение более высоких тактовых частот работы, а значит и нагрев модулей памяти может вырасти.
Напомню, что материнская плата не имеет бэкплейта.
Подсветка
Программное обеспечение под Windows
Настройки BIOS
Работоспособность (и разгон)
Запускаем все в режиме по умолчанию (в BIOS – профиль от Intel) . Затем нагружаем тестами OCCT.
В режиме авторазгона мы получили до 5,3 – 5,4 ГГц по P-ядрам, и 4.6 ГГц по всем Е-ядрам. Напомню, что начиная с этого поколения процессоров, все ядра имеют по 1 потоку, то есть гипертрейдинга (многопоточности) теперь нет. Потребление процессора достигало 212 Вт. К сожалению, здесь мы наблюдаем чуть завышенный вольтаж VCore, поэтому процессор (несмотря на усиленное охлаждение) иногда входил в тротлинг, перегреваясь выше 100 °С. Отмечу, что профиль в BIOS – тот, что рекомендует Intel, так что, скорее всего, недоработка программистов MSI, некорректно реализовавших данный профиль настроек.
Еще раз повторю, что многое в авторазгоне зависит от системы питания. Все ШИМ-контроллеры программируемые, вся информация о них – в UEFI BIOS, откуда и приходят режимы работы CPU в том или ином случае. Плюс накладываемые Intel ограничения из-за позиционирования чипсета B860 (частоту базовой шины менять вообще нельзя, то есть для процессоров с заблокированным множителем разгон вообще невозможен).
Выводы
MSI MAG B860 Tomahawk WiFi — сравнительно недорогая материнская плата невысокого уровня для платформы Intel LGA1851. На момент публикации обзора ее розничная стоимость начиналась от 22 тысяч рублей.
У нее 17 портов USB разных видов, включая 1 USB4 (в виде порта Type-C), 5 USB 3.2 Gen2 (в виде портов Type-A и Type-C) и 2 USB 3.2 Gen1. Также плата предлагает слот PCIe х16, получающий от процессора 16 линий PCIe 5.0, слоты PCIe x1 и PCIe x4, подключенные к чипсету (они делят ресурсы между собой, так что фактически это один слот). Из 3 слотов M.2 один подключен напрямую к процессору линиями PCIe 5.0, а два других — к чипсету B860 линиями PCIe 4.0.
В арсенале платы также есть 4 порта SATA и 7 разъемов для вентиляторов. Система питания процессора хорошая, способная обеспечить работу даже топовых процессоров с разблокированным множителем с приличным запасом на разгон (но потребуется снизить завышенное напряжение на ядре процессора — надеемся, что в новой версии BIOS это будет исправлено). Плата имеет приличную систему охлаждения, все слоты M.2 имеют радиаторы. Сетевые возможности включают скоростной проводной контроллер 5 Гбит/с и один современный беспроводной — Wi-Fi 7 + Bluetooth 5.4. В числе плюсов платы можно упомянуть возможности для подключения дополнительных RGB-устройств.
В целом для материнской платы такого ценового уровня набор возможностей очень даже хорош.





















































































































