Оглавление
- Паспортные характеристики, комплект поставки и цена
- Описание
- Тестирование
- Определение зависимости скорости вращения вентилятора кулера от коэффициента заполнения ШИМ и/или напряжения питания
- Определение зависимости температуры процессора при его полной загрузке от скорости вращения вентилятора(-ов) кулера
- Определение уровня шума в зависимости от скорости вращения вентилятора(-ов) кулера
- Построение зависимости реальной максимальной мощности от уровня шума
- Сравнение с другими кулерами при охлаждении процессора Intel Core i9-7980XE
- Тестирование на процессоре AMD Ryzen 9 5950X
- Сравнение с другими кулерами при охлаждении процессора AMD Ryzen 9 5950X
- Выводы
Паспортные характеристики, комплект поставки и цена
| Производитель | ID-Cooling |
|---|---|
| Название модели, ссылка | SE-226-XT ARGB |
| Код модели | ID-CPU-SE-226-XT-ARGB; EAN: 6931393303727 |
| Тип системы охлаждения | для процессора воздушная башенного типа с активным обдувом вынесенного на тепловых трубках радиатора |
| Совместимость | мат. платы с процессорными разъемами: Intel: LGA1700/1200/2066/2011/1151/1150/1155/1156; AMD: AM5/AM4 |
| Охлаждающая способность | 250 Вт |
| Тип вентилятора | осевой (аксиальный), 1 шт. |
| Модель вентилятора | ID-Cooling DF-12025-ARGB-XT (ID12025M12B) |
| Питание вентилятора | 12 В, 0,25 А |
| Размеры вентилятора | 120×120×25 мм |
| Скорость вращения вентилятора | 900±200 — 2000±10% об/мин (ШИМ) |
| Производительность вентилятора | 96 м³/ч (56,5 фут³/мин) |
| Статическое давление вентилятора | 19,5 Па (1,99 мм вод. ст.) |
| Уровень шума вентилятора | 16,2—31,5 дБА |
| Подшипник вентилятора | двойной шариковый |
| Срок службы вентилятора | нет данных |
| Размеры охладителя (В×Ш×Г) | 154×129×106 мм |
| Масса охладителя | 1300 г |
| Материал радиатора | пластины из алюминия (0,4 мм толщиной), медные тепловые трубки (6 шт. ∅6 мм), медный теплосъемник |
| Термоинтерфейс теплосъемника | термопаста Frost X25 в шприце |
| Подключение | мотор вентилятора: 4-контактный разъем (питание, датчик вращения, управление ШИМ) в разъем для кулера процессора на мат. плате RGB-подсветка вентилятора: 3-контактный разъем (адресная светодиодная подсветка — общий, данные, питание 5 В) в разъем на мат. плате или на контроллере из комплекта |
| Особенности |
|
| Комплект поставки (лучше уточнять перед покупкой) |
|
| Розничные предложения |
Описание
Поставляется процессорный охладитель в красочно оформленной коробке из нетолстого гофрированного картона.
На внешних плоскостях коробки изображен сам кулер и перечислены его основные технические характеристики. Часть изображений залакирована. Надписи в основном на английском, однако перечисление характеристик есть в вариантах на нескольких языках, в том числе и на русском. Радиатор в коробке защищают вставка из вспененного полиэтилена и чехол из картона. Аксессуары разложены в пластиковые пакетики и убраны в коробочку из гофрированного картона. В отдельную коробочку упакован и вентилятор. Подошва теплосъемника защищена пластиковой пленкой.
В комплекте есть инструкция по установке на английском и на русском языках (хорошее полиграфическое качество), ее в виде файла PDF можно загрузить по ссылке с сайта производителя.
Крепеж изготовлен из закаленной стали (за исключением пластиковых проставок и фиксаторов стоек на пластине на обратную сторону материнской платы) и имеет стойкое гальваническое или лакокрасочное покрытие.
Кулер оснащен вынесенным радиатором, к которому тепло от теплосъемника передается по шести тепловым трубкам диаметром 6 мм. Трубки и нижняя часть теплосъемника медные, никелированные. Верхняя часть теплосъемника изготовлена из алюминиевого сплава и также никелированная. Трубки к теплосъемнику припаяны. Подошва теплосъемника имеет очень мелкую концентрическую проточку и слегка отполирована. Поверхность подошвы практически идеально плоская.
Вся поверхность радиатора, включая пластины, трубки и теплосъемник, но за исключением рабочей плоскости подошвы теплосъемника имеет черное матовое лакокрасочное покрытие. Это в какой-то степени улучшает теплоотдачу за счет излучения.
Преднанесенного термоинтерфейса нет, но производитель приложил к кулеру небольшой шприц с фирменной термопастой.
В тестах использовалась качественная термопаста другого производителя. Забегая вперед, продемонстрируем распределение термопасты после завершения тестов.
На процессоре Intel Core i9-7980XE:
И на подошве теплосъемника:
Видно, что термопаста распределилась тонким слоем по всей плоскости крышки процессора, а ее избыток выдавился по краям. Большое по площади пятно плотного контакта находится в центральной части теплосъемника, и в данном случае это хорошо. Впрочем, крышка данного процессора не идеально плоская, а заметно выпуклая в центре.
И в случае процессора AMD Ryzen 9 5950X. На процессоре:
На подошве теплосъемника:
В данном случае пятно плотного контакта заметно больше.
Радиатор представляет собой стопку алюминиевых пластин, плотно насаженных на тепловые трубки.
Радиатор сдвинут в сторону от вентилятора. Сверху на радиаторе закреплена декоративная пластиковая крышка.
По ширине габариты вентилятора немного меньше рабочей плоскости радиатора, а по высоте наоборот радиатор немного меньше высоты вентилятора, в итоге практически весь воздушный поток проходит через пластины радиатора.
Типоразмер комплектного вентилятора 120 мм. Высота рамки 25 мм. При желании пользователь может докупить второй вентилятор такого же типоразмера и закрепить его с другой стороны радиатора, используя вторую пару крепежных скобок, входящую в комплект поставки. На проушинах в углах рамки вентилятора наклеены виброизолирующие резиновые накладки.
В несжатом состоянии они выступают примерно на 1 мм относительно плоскости рамки. По замыслу разработчиков, это должно обеспечивать виброразвязку вентилятора от места крепления. Однако если прикинуть соотношение массы вентилятора к жесткости накладок, то становится понятно, что резонансная частота конструкции получается очень высокой, то есть практически никакой виброразвязки быть не может. К тому же крепежные скобки фиксируются непосредственно за рамку вентилятора и за пластины радиатора, что не оставляет никакого шанса на хоть какую-то виброразвязку.
Вентилятор поддерживает регулировку с помощью ШИМ. Кабели от вентилятора просто плоские, что очень удобно.
Крыльчатка вентилятора изготовлена из белого полупрозрачного пластика и снаружи слегка заматирована. На статоре вентилятора по окружности размещены несколько адресуемых многоцветных (ARGB) светодиода, которые подсвечивают крыльчатку изнутри.
Комплектный контроллер управляет только работой подсветки.
Кабель питания контроллера подключается с помощью разъема питания SATA, что гораздо удобнее, чем к периферийному разъему («Molex»). Кнопкой контроллера «M» перебираются режимы, кнопкой «S» выбирается скорость для динамичных режимов, кнопка «C» служит для выбора цветов в некоторых режимах. Режимы подсветки с некоторыми вариантами настроек можно посмотреть на видео ниже:
Если на материнской плате или на другом контроллере подсветки есть стандартный трехконтактный разъем для подключения ARGB-подсветки, то контроллер из комплекта можно не использовать.
Со стороны вентилятора все разъемы для оперативной памяти остаются доступными для установки высоких модулей памяти. С другой стороны радиатора в первый разъем можно установить модули высотой примерно до 64 мм, в следующие — уже без ограничения высоты.
Отметим, что конструкция крепежа практически исключает перекос теплосъемника относительно плоскости крышки процессора, а также слишком слабый или слишком сильный прижим.
Тестирование
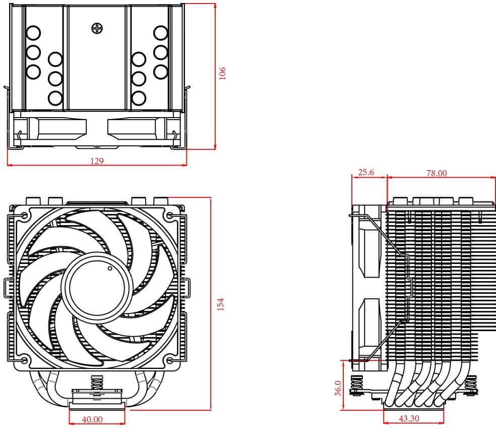
На сайте производителя есть чертеж с размерами:
Наши измерения подтверждают указанные на чертеже размеры.
Ниже в сводной таблице приведем результаты измерений ряда других параметров.
| Масса охладителя*, г | 955 |
|---|---|
| Масса радиатора, г | 759 |
| Высота оребрения, мм | 108 |
| Длина кабеля питания вентилятора, см | 44 |
| Длина RGB-кабеля вентилятора, см | 45 |
| Длина RGB-кабеля от контроллера, см | 17 |
| Длина кабеля питания контроллера, см | 17 |
Полное описание методики тестирования приведено в соответствующей статье «Методика тестирования процессорных охладителей образца 2020 года».
Определение зависимости скорости вращения вентилятора кулера от коэффициента заполнения ШИМ и/или напряжения питания

Хороший результат — плавный рост скорости вращения при изменении коэффициента заполнения (КЗ) от 30% до 100% и довольно широкий диапазон регулировки. Отметим, что при КЗ 0% вентилятор не останавливается, поэтому в гибридной системе охлаждения с пассивным режимом на минимальной нагрузке такие вентиляторы придется останавливать, снижая напряжение питания.

Диапазон регулировки с помощью напряжения заметно шире. Вентилятор останавливается при снижении напряжения до 1,8 В и запускается от 2,2 В. Вентилятор вполне допустимо подключать к источнику с напряжением 5 В.
Определение зависимости температуры процессора при его полной загрузке от скорости вращения вентилятора(-ов) кулера
Для теста под нагрузкой использовалась программа powerMax (AVX), все ядра процессора Intel Core i9-7980XE работали на фиксированной частоте 3,2 ГГц (множитель 32).

При КЗ = 35% (примерно 940 об/мин) в данных условиях кулер уже не справляется с охлаждением процессора Intel Core i9-7980XE, так как температура отдельных ядер достигает 95 °C (максимальная температура, допустимая на кристалле процессора, равна 94 °C).
Определение уровня шума в зависимости от скорости вращения вентилятора(-ов) кулера

Зависит, конечно, от индивидуальных особенностей и других факторов, но в случае кулеров где-то от 40 дБА и выше шум с нашей точки зрения очень высокий для настольной системы, от 35 до 40 дБА уровень шума относится к разряду терпимых, ниже 35 дБА шум от системы охлаждения не будет сильно выделяться на фоне типичных небесшумных компонентов ПК — вентиляторов корпусных, на блоке питания, на видеокарте, а также жестких дисков, а где-то ниже 25 дБА кулер можно назвать условно бесшумным. Фоновый уровень был равен 16,0 дБА (условное значение, которое показывает шумомер). Этот кулер можно считать относительно тихим устройством.
Построение зависимости реальной максимальной мощности от уровня шума
Попробуем уйти от условий тестового стенда к более реалистичным сценариям. Допустим, что температура воздуха, забираемого вентилятором системы охлаждения, может повышаться до 44 °C, но температуру процессора под максимальной нагрузкой не хочется повышать выше 80 °C. Ограничившись этими условиями, построим зависимость реальной максимальной мощности (обозначенной как Pmax (ранее мы использовали обозначение Макс. TDP)), потребляемой процессором, от уровня шума (подробности описаны в методике):

Приняв 25 дБА за критерий условной бесшумности, получим примерную максимальную мощность процессоров, соответствующих этому уровню. Это порядка 190 Вт для процессора Intel Core i9-7980XE. Если не обращать внимания на уровень шума, то пределы мощности можно увеличить где-то до 220 Вт. Еще раз уточним, это в жестких условиях обдува радиатора нагретым до 44 градусов воздухом, при снижении температуры воздуха указанные пределы мощности для бесшумной работы и максимальной мощности возрастают.
Сравнение с другими кулерами при охлаждении процессора Intel Core i9-7980XE
По данной ссылке можно рассчитать пределы мощности для других граничных условий (температуры воздуха и максимальной температуры процессора) и сравнить эту систему с несколькими другими воздушными кулерами, протестированными по такой же методике (список пополняется). Видно, что данный кулер входит в группу лучших кулеров с одним вентилятором.
Тестирование на процессоре AMD Ryzen 9 5950X
В качестве дополнительного теста мы решили посмотреть, как кулер справится с охлаждением AMD Ryzen 9 5950X. Процессоры семейства Ryzen 9 являются сборками из трех кристаллов под одной крышкой. С одной стороны увеличение площади, с которой снимается тепло, может улучшить охлаждающую способность кулера, но с другой — конструкция большинства кулеров оптимизирована для лучшего охлаждения именно центральной области процессора. Видимо, из-за этих особенностей есть мнение, что подобрать воздушный кулер для топовых процессоров Ryzen нового поколения не очень просто. Все ядра процессора работали на фиксированной частоте 3,0 ГГц (множитель 30).
Зависимость температуры процессора при его полной загрузке от скорости вращения вентиляторов:

По факту в условиях теста этот процессор при 24 градусах окружающего воздуха не перегревается даже при КЗ равном 30% (а это примерно 840 об/мин вентиляторов), так как максимальная допустимая температура для AMD Ryzen 9 5950X равна 90 °C.
Ограничившись указанными выше условиями, построим зависимость реальной максимальной мощности (обозначенной как Pmax), потребляемой процессором, от уровня шума:

Приняв 25 дБА за критерий условной бесшумности, получим, что максимальная мощность процессора, соответствующая этому уровню, составляет порядка 123 Вт. Если не обращать внимания на уровень шума, то предел мощности можно увеличить где-то до 134 Вт. Еще раз уточним: это в жестких условиях обдува радиатора нагретым до 44 градусов воздухом. При снижении температуры воздуха указанные пределы мощности для бесшумной работы и максимальной мощности возрастают. Поэтому при условии достаточно хорошей вентиляции в корпусе данный кулер как-то справится с охлаждением процессора AMD Ryzen 9 5950X, но на возможность существенного разгона рассчитывать уже не стоит.
Сравнение с другими кулерами при охлаждении процессора AMD Ryzen 9 5950X
По данной ссылке можно рассчитать пределы мощности для других граничных условий (температуры воздуха и максимальной температуры процессора) и сравнить этот кулер с несколькими другими кулерами, протестированными по такой же методике (список пополняется, а потому вынесен на отдельную страницу). Результат очень хороший. Видимо, положительную роль сыграли плоская поверхность теплосъемника и целых шесть тепловых трубок.
Выводы
На основе кулера ID-Cooling SE-226-XT ARGB можно создать условно бесшумный компьютер (уровень шума 25 дБА и ниже), оснащенный процессором типа Intel Core i9-7980XE (Intel LGA2066, Skylake-X (HCC)), если потребление процессора под максимальной нагрузкой не будет превышать 190 Вт, а температура внутри корпуса не повысится выше 44 °C. В случае чиплетного процессора AMD Ryzen 9 5950X эффективность кулера заметно ниже, и для соблюдения указанных выше условий максимальная мощность, потребляемая процессором, должна быть не выше 123 Вт. При снижении температуры охлаждающего воздуха и/или менее жестких требованиях к уровню шума пределы мощности во всех случаях можно увеличить. К достоинствам кулера следует отнести аккуратный дизайн, удобную установку и то, что он не перекрывает слоты для модулей памяти со стороны вентилятора, а с другой стороны радиатора в первый разъем можно установить модули высотой примерно до 64 мм, в следующие — уже без ограничения высоты. Любители моддинга оценят многоцветную и многозонную статическую или динамическую подсветку вентилятора, имеющую стандартное трехконтактное подключение.














