Оглавление
- Введение
- Форм-фактор
- Технические характеристики
- Основная функциональность: чипсет, процессор, память
- Периферийная функциональность: PCIe, SATA, разные «фенечки»
- Периферийная функциональность: USB-порты, сетевые интерфейсы, ввод-вывод
- Аудиоподсистема
- Питание, охлаждение
- Подсветка
- Программное обеспечение под Windows
- Настройки BIOS
- Работоспособность (и разгон)
- Выводы
Введение
Всю детальную информацию о новом семействе процессоров 13-го поколения от Intel (на примере i9-13900K) можно найти в материале от Алексея Берилло.
Ранее я уже писал, что с выходом 13го поколения процессоров Intel появились и материнские платы на чипсетах 7хх серии. Как сами процессоры 13ххх не слишком сильно отличаются от 12ххх, так и чипсеты серии 7хх от предшественников мало отличаются. Сегодня у нас второй материал по материнской плате на базе средне-бюджетного B760.
Давайте снова глянем на основные отличия чипсетов B760, H770 и Z790.
| Особенности | B760 | H770 | Z790 |
|---|---|---|---|
| Совместимость с процессорами Intel | 12/13th Gen Core | 12/13th Gen Core | 12/13th Gen Core |
| Версия PCIe (процессор) | 4.0 & 5.0 | 4.0 & 5.0 | 4.0 & 5.0 |
| Количество линий PCIe (процессор) | 20 | 20 | 20 |
| Версия PCIe (чипсет) | 3.0 & 4.0 | 3.0 & 4.0 | 3.0 & 4.0 |
| Количество линий PCIe (чипсет) | 14 (10 x 4.0 & 4 x 3.0) | 24 (16 x 4.0 & 8 x 3.0) | 28 (20 x 4.0 & 8 x 3.0) |
| Версия DMI | 4.0 | 4.0 | 4.0 |
| Количество линий DMI | x4 | x8 | x8 |
| Поколение ОЗУ | DDR4 & DDR5 | DDR4 & DDR5 | DDR4 & DDR5 |
| Количество каналов ОЗУ | 2 | 2 | 2 |
| Максимальное количество слотов ОЗУ | 4 | 4 | 4 |
| Максимальный объем ОЗУ | 128 ГБ | 128 ГБ | 128 ГБ |
| Количество портов SATA 6.0 Gb/s до | 4 | 8 | 8 |
| Порты USB 3.2 Gen 2x2 (20Gbps) до | 2 | 2 | 5 |
| Порты USB 3.2 Gen 2x1 (10Gbps) до | 4 | 4 | 10 |
| Порты USB 3.2 Gen 1x1 (5Gbps) до | 6 | 8 | 10 |
| Порты USB 2.0 до | 12 | 14 | 14 |
| Встроенная поддержка Wi-Fi | Wi-Fi 6E | Wi-Fi 6E | Wi-Fi 6E |
| Возможность разгона по частоте шины | Нет | Нет | Да |
Основные моменты и отличия B760:
- связь между чипсетом и процессором по DMI урезана в 2 раза, очевиден искусственно сделанный шаг маркетологами от Intel;
- общее количество линий PCIe – 14: 10 линий PCIe 4.0 и 4 линии PCIe 3.0, это означает урезанность в 2 раза в сравнении с Z790;
- наличие 4х портов SATA идет в дополнении к 14 линиям PCIe, когда как в 28 линий у Z790 4 порта SATA уже входят;
- поддержка до 2х интегрированных USB 3.2 Gen2x2 (до 20 Gb/s) портов (правда каждый из них требует поддержки со стороны двух USB 3.2 Gen2), до 4х USB 3.2 Gen2 (10 Gb/s) и 6 USB 3.2 Gen1 (5 Gb/s). В целом высокоскоростных портов (High Speed In Out, HSIO) получилось 24.
- поддержка до 12 USB 2.0.
Чипсет B760 от B660 отличается только перераспределением количества поддерживаемых линий PCIe: 10 линий версии 4.0 и 4 линии версии 3.0, когда как у B660, соответственно, 6 и 8.
12е и 13е поколения процессоров добавляют к этому набору еще 20 линий PCIe, при этом 16 линий (расходуемые на слоты PCIe x16) версии PCIe 5.0, оставшиеся 4 линии PCIe 4.0 идут на М.2 слот. Процессоры 12ххх/13ххх умеют поддерживать как DDR5, так и DDR4, так что производители матплат вольны выпускать продукты как с DDR5, так и с DDR4 слотами. Забегая вперед, замечу, что у данной материнской платы версия PCIe для видеокарт на первом слоте понижена до 4.0.
Переходим к герою нынешнего материала – материнской плате Gigabyte B760 Aorus Elite AX. Эта плата, хоть и выпущена под топовым суббрендом Aorus, все же относится к их младшей серии Elite (выше ее – Master и Xtreme). К тому же чипсет сам по себе среднего уровня, так что перед нами может и не очень дешевый продукт, но все же явно не из флагманских.
Gigabyte B760 Aorus Elite AX поставляется в стандартной коробке с фирменной раскраской. Комплект размещен под платой в отдельном отсеке.
Комплект поставки очень скромен: кроме традиционных элементов типа руководства пользователя и кабелей SATA, имеются только антенна встроенного Wi-Fi-модуля, G-коннектор и винтики.
ПО не поставляется (все равно последние версии надо скачивать с вебсайта производителя).
«Заглушка» на заднюю панель с разъемами уже смонтирована на самой плате.
Форм-фактор
Форм-фактор ATX имеет размеры до 305×244 мм, а E-ATX — до 305×330 мм. Материнская плата Gigabyte B760 Aorus Elite AX имеет размеры 305×244 мм, поэтому выполнена в форм-факторе ATX, и на ней имеются 9 монтажных отверстий для установки в корпус.
На оборотной стороне практически ничего нет. Текстолит обработан хорошо: во всех точках пайки не только острые концы срезаны, но и все неплохо отшлифовано. Бэкплейта нет.
Технические характеристики
Традиционная таблица с перечнем функциональных особенностей.
| Поддерживаемые процессоры | Intel Core 12/13-го поколений |
|---|---|
| Процессорный разъем | LGA 1700 |
| Чипсет | Intel B760 |
| Память | 4 × DDR5, до 7600 МГц (XMP), до 192 ГБ, два канала |
| Аудиоподсистема | 1 × Realtek ALC897 (7.1) |
| Сетевые контроллеры | 1 × Realtek RTL8125BG Ethernet 2,5 Гбит/с 1 × Intel Dual band Wireless AX211NGW (Wi-Fi 802.11a/b/g/n/ac/ax (2,4/6 ГГц) + Bluetooth 5.2) |
| Слоты расширения | 1 × PCIe 4.0 x16 (режим x16) 1 × PCIe 3.0 x16 (режим x1) 1 × PCIe 3.0 x16 (режим x1) |
| Разъемы для накопителей | 4 × SATA 6 Гбит/с (B760) 1 × M.2 (M2A_CPU, CPU, PCIe 4.0 x4 для устройств формата 2280/22110) 1 × M.2 (M2M_SB, B760, PCIe 4.0 x4 для устройств формата 2280/22110) 1 × M.2 (M2P_SB, B760, PCIe 4.0 x4 для устройств формата 2280/22110) |
| USB-порты | 4 × USB 2.0: 2 внутренних разъема на 4 порта (GL850G) 4 × USB 2.0: 4 порта Type-A (GL850G) 2 × USB 3.2 Gen1: 1 внутренний разъем на 2 порта (B760) 4 × USB 3.2 Gen1: 4 порта Type-A (RTS5411) 1 × USB 3.2 Gen2: 1 внутренний разъем Type-C (B760) 1 × USB 3.2 Gen2: 1 порт Type-C (B760) 1 × USB 3.2 Gen2: 1 порт Type-A (красный) (B760) |
| Разъемы на задней панели | 1 × USB 3.2 Gen2 (Type-C) 1 × USB 3.2 Gen2 (Type-A) 4 × USB 3.2 Gen1 (Type-A) 4 × USB 2.0 (Type-A) 1 × RJ-45 2 аудиоразъема типа миниджек 1 × S/PDIF (оптический, выход) 1 × DP 1 × HDMI 2 антенных разъема |
| Прочие внутренние элементы | 24-контактный разъем питания ATX 1 8-контактный разъем питания EPS12V 1 4-контактный разъем питания EPS12V 1 слот M.2 (E-key), занят адаптером беспроводных сетей 1 разъем для подключения порта USB 3.2 Gen2 Type-C 1 разъем для подключения 2 портов USB 3.2 Gen1 2 разъема для подключения 4 портов USB 2.0 6 разъемов для подключения 4-контактных вентиляторов и помп ЖСО 2 разъема для подключения неадресуемой RGB-ленты 2 разъема для подключения адресуемой ARGB-ленты 1 разъем аудио для передней панели корпуса 1 разъем сброса CMOS 1 разъем для устройств безопасности TPM 1 разъем для подключения управления с передней панели корпуса 1 кнопка перепрошивки BIOS — Q Flash Plus 1 кнопка перезагрузки Reset |
| Форм-фактор | ATX (305×244 мм) |
| Розничные предложения |
Основная функциональность: чипсет, процессор, память
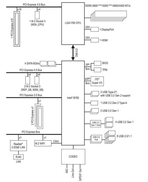
Схема работы связки чипсет+процессор.
Формально имеется поддержка памяти DDR5 до 4800 МГц, однако всем хорошо известно, и производители материнских плат это активно рекламируют: через XMP-профили сейчас можно использовать частоты до 8000 МГц. В частности данная плата поддерживает частоты до 7600 МГц (это согласно информации с вебсайта компании, хотя в руководстве пользователя обозначен максимум в 5600 МГц).
Процессоры Intel Core 12-го и 13-го поколения (совместимые с сокетом LGA1700 и поддерживаемые B660/760) имеют 20 линий ввода-вывода (16 PCIe 5.0, 4 PCIe 4.0), не имеют USB и SATA портов. При этом взаимодействие с B760 идет по особому каналу Digital Media Interface 4.0 (DMI 4.0 x4 (именно х4!)). Все PCIe линии процессора идут на слоты расширения PCIe и порт М.2. Serial Peripheral Interface (SPI) используется для взаимодействия с системой UEFI/BIOS, а шина Low Pin Count (LPC) — для связи с устройствами ввода/вывода, не требующими высокой пропускной способности (контроллерами вентиляторов, TPM, старой периферии).
В свою очередь чипсет B760 поддерживает в сумме 24 линий ввода/вывода, которые распределяться могут так:
- до 12 портов USB (из которых до 2 портов USB 3.2 Gen2х2, 4 портов USB 3.2 Gen2, до 6 портов USB 3.2 Gen1, до 12 портов USB 2.0, линии USB 2.0 используются в том числе и для поддержки 3.2 портов, а каждый порт USB 3.2 Gen2х2 требует поддержки со стороны двух USB 3.2 Gen2);
- до 4 портов SATA 6Гбит/с;
- до 14 линий PCIe (4 версии 3.0 и 10 версии 4.0).
Материнская плата Gigabyte B760 Aorus Elite AX поддерживает процессоры Intel Core 12/13-го поколений, выполненные под разъем (сокет) LGA1700.
Для установки модулей памяти на плате Gigabyte имеется четыре DIMM-слота (для работы памяти в Dual Channel в случае использования всего 2 модулей их следует устанавливать в А2 и B2.
Плата поддерживает небуферизованную память DDR5 (non-EСС), а максимальный объем памяти составляет 192 ГБ (в случае использования модулей с объемом в 24/48 ГБ следует убедиться в последней версии прошивки BIOS).
Слоты DIMM не имеют металлической окантовки, препятствующей деформации слотов и печатной платы при установке модулей памяти, однако при этом проводники к ОЗУ тщательно экранированы и защищены от электромагнитных помех.
Периферийная функциональность: PCIe, SATA, разные «фенечки»
Выше мы изучили потенциальные возможности тандема B760+Core, а теперь посмотрим, что из этого и как реализовано в данной материнской плате.
Кроме USB-портов, к которым мы подойдем позже, чипсет B760 обладает 14 PCIe линиями и 4 портами SATA. Считаем, сколько линий уходит на поддержку (связь) с тем или иным элементом (надо учитывать, что 14 линий не единой версии, а 10 линий PCIe 4.0 и 4 линии PCIe 3.0):
- Слот PCIe x16_2 (1 линия PCIe 3.0);
- Слот PCIe x16_3 (1 линия PCIe 3.0);
- порты SATA_4/5/6/7;
- Слот M.2 (M2M_SB) (4 линии PCIe 4.0);
- Слот M.2 (M2P_SB) (4 линии PCIe 4.0);
- Realtek RTL8125GB (Ethernet 2,5Gb/s) (1 линия PCIe 4.0);
- Intel AX211NGW WIFI/BT (Wireless) (1 линия PCIe 4.0)
12 линий PCIe оказались занятыми (10 PCIe 4.0 + 2 PCIe 3.0) плюс 4 порта SATA. Связь с аудиокодеками уровня Realtek RTL408x идет через USB 2.0, а с кодеками уровня RTL1220 и ниже – через HDA (эмуляцию шины PCI), так что в данном случае линия USB 2.0 не расходуется. Но один USB 2.0 расходуется на поддержку BT, а также 2 контроллера GL850G и 1 контроллер RTS5411 для своих нужд используют сигнальные линии USB 2.0 Детально об этом ниже в разделе USB-портов.
Теперь посмотрим выше на то, как работают процессоры в данной конфигурации. У CPU 13/12-го поколений всего 20 линий PCIe, 4 из них версии PCIe 4.0 отведены на порт М.2 (M2A_CPU). Оставшиеся 16 линий PCIe 5.0 понижены до версии 4.0 и идут на слот PCIe x16_1.
Теперь в целом про слоты PCIe.
Всего на плате есть 3 слота: один PCIe x16_1 (для видеокарт или других устройств) и два PCIe x16_2/3 (но фактически имеющие по 1 линии соответственно, версии PCIe 3.0).
Как видим, перераспределений линий у первого PCIe x16_1 нет, поэтому и мультиплексоров нет. Версия PCIe тут понижена, скорее всего, ради удешевления самой материнки (не требуются дорогие ре-драйверы (усилители) сигнала PCIe 5.0)
Выше я вел речь про первый PCIe x16_1, подключенный к процессору. Остальные два PCIe x16 подключены к B760, и, несмотря на их форм-фактор, работают в режимах x1.
Первый слот PCIe x16 имеет металлическое армирование из нержавеющей стали, которое увеличивает надежность. Кроме того, такая защита предохраняет слот от электромагнитных помех.
Для удобного извлечения видеокарт из слота имеется специальный удлиненный «хвостик» на замке PCIe x16_1, ведь подчас неудобно дотягиваться до обычного «хвоста» слота, где требуется нажать на защелку для разблокирования карты в слоте: ведь как правило, выше первого слота PCIe имеется M.2 слот с высоким радиатором, и до защелки даже пальцем не дотянуться.
Матплата позволяет смонтировать СО любого размера.
Плата относится к среднебюджетным решениям, поэтому нет ни внешнего тактового генератора, ни, как я уже выше отмечал, усилителей (ре-драйверов) сигналов PCIe 4.0/5.0.
На очереди — накопители.
Всего у платы 4 разъема Serial ATA 6 Гбит/с + 3 слота для накопителей в форм-факторе M.2. Все порты SATA 4,5,6,7 реализованы через чипсет B760 и поддерживают создание RAID.
Материнская плата имеет 3 гнезда форм-фактора М.2.
Второй и третий слоты M.2 (M2P_SB, M2M_SB) получают данные от чипсета B760, а первый M2A_CPU — от CPU. Все три получают линии PCIe 4.0.
Все слоты работают с модулями только с PCIe интерфейсом, а также поддерживают модули с размерами 2280 и 22110.

Следует особо отметить способ крепления накопителей М.2 в слотах через установленные на стойках поворотные замки, что позволяет обойтись без тех самых очень маленьких винтиков.
Все M.2 слоты имеют радиаторы. Верхний M2A_CPU обладает отдельным радиатором, когда как остальные слоты M.2 имеют общий радиатор.
Периферийная функциональность: USB-порты, сетевые интерфейсы, ввод-вывод
Теперь на очереди USB-порты и прочие вводы-выводы. И начнем с задней панели, куда выведены большинство из них.
Повторим: чипсет B760 способен реализовать не более 12 портов USB, из которых может быть до 6 портов USB 3.2 Gen1, до 4 портов USB 3.2 Gen2, до 2 портов USB 3.2 Gen2x2, и/или до 12 портов USB 2.0.
Также мы помним и про 14 линий PCIe (+ 4 SATA), которые идут на поддержку накопителей, сетевых и иных контроллеров (я выше уже показал на что и как расходуются 16 линий из 18).
И что мы имеем? Всего на материнской плате — 17 портов USB:
- 3 порта USB 3.2 Gen2: все реализованы через B760, и 1 представлен на задней панели портом Type-A (красного цвета); еще 1 представлен внутренним портом Type-C (для подключения к соответствующему разъему на передней панели корпуса); и 1 представлен портом Type-C на задней панели;
- 6 портов USB 3.2 Gen1: 2 реализованы через B760 и представлены внутренним разъемом на материнской плате на 2 порта; еще 4 реализованы через контроллер Realtek RTS5411 (на него потрачена 1 линия USB 2.0 от B760) представлены на задней панели портами Type-A (синего цвета);
- 8 портов USB 2.0/1.1: 4 реализованы через контроллер Genesys Logic GL850G (на него потрачена 1 линия USB 2.0 от B760) и представлены двумя внутренними разъемами (каждый на 2 порта); еще 4 реализованы через второй контроллер Genesys Logic GL850G (на него потрачена 1 линия USB 2.0 от B760) и представлены представлены на задней панели портами Type-A (черного цвета) .
Таким образом, у нас 4 контроллера используют USB линии от B760:
- Genesys Logic GL850G (4 USB 2.0 через 2 внутренних разъема) (1 линия USB 2.0);
- Genesys Logic GL850G (4 USB 2.0 через 4 порта Type-A) (1 линия USB 2.0);
- Realtek RTS5411 (4 USB 3.2 Gen1 через 4 порта Type-A) (1 линия USB 2.0);
- Bluetooth (AX211) (1 линия USB 2.0).
Итак, через чипсет B760 реализовано высокоскоростных портов USB:
- + 3 выделенных USB 3.2 Gen2
- + 2 выделенных USB 3.2 Gen1
= 5 высокоскоростных портов. Не забываем, что каждый высокоскоростной порт USB обеспечен портом USB 2.0, то есть уже 5 портов USB 2.0 также занято. Плюс 4 порта USB 2.0 на обеспечение контроллеров. Всего 9 USB портов реализовано.
Ну и 16 HSIO (линий PCIe и портов SATA), выделенных на поддержку иной периферии.
Итого у B760 в данном случае реализованы 21 высокоскоростной порт из 24.
Все быстрые USB порты Type-C оснащены ре-драйверами от ASMedia и Diodes Inc.
Особо следует отметить, что для обеспечения быстрой зарядки мобильных устройств гнездо Type-C на задней панели получило усиленное питание, заведует этим контроллер от Realtek.
Теперь о сетевых делах.
Материнская плата оснащена средствами связи неплохо. Имеется скоростной Ethernet-контроллер Realtek RTL8125BG, способный работать по стандарту 2,5 Гбит/с.
Имеется и комплексный беспроводной адаптер на контроллере Intel AX211NGW, через который реализованы Wi-Fi 6E (802.11a/b/g/n/ac/ax) и Bluetooth 5.2. Он установлен в слот M.2 (E-key), и его разъемы для привинчивания выносных антенн выведены на заднюю панель.
Заглушка, традиционно надеваемая на заднюю панель, в данном случае уже надета, и изнутри экранирована для снижения электромагнитных помех.
Аудиоподсистема
Мы знаем, что уже достаточно давно в большинстве современных материнских платах звуком заведовал аудиокодек Realtek ALC1220. В целом обеспечивает вывод звука по схемам до 7.1 с разрешением до 24 бит / 192 кГц. Мы видели уже и ALC4082 того же производителя с улучшенными характеристиками 32 бит / 384 кГц. Однако в данном случае мы видим возврат к старому ALC897.
В аудиоцепях платы применяются «аудиофильские» конденсаторы.
Аудиотракт вынесен на угловую часть платы, не пересекается с другими элементами. У карты два универсальных разъема с позолоченным покрытием по приему и выводу сигналов плюс оптический S/PDIF. Вывод по схеме 7.1 возможен только через S/PDIF (аналоговая схема упрощена до стерео).
Питание, охлаждение
Для питания платы на ней предусмотрены 3 разъема: в дополнение к 24-контактному ATX (он на правой стороне платы (на фото — слева) здесь есть еще один 8-контактный и один 4-контактный EPS12V.
Схема питания процессора выполнена по схеме 12+1+1 (всего 14 фаз, 12 на VCore, 1 на VCCIO и 1 на интегрированное графическое ядро).
Каждый канал фазы VCore и iGPU имеет суперферритовый дроссель и DrMOS NCP302155 (55A) от On Semi.
Управляет схемой ШИМ-контроллер NCP81530 от On Semi, он рассчитан максимум на 10 фаз.Поэтому фактически идет параллельная обработка 12-ти фаз питания VCore: 6+6, и в целом получается (6*2) VCore+1 iGPU = 7 фаз.
Блок VCCIO имеет свою однофазную схему питания (с полевыми транзисторами от Om Semi (до 69А), управляемую ШИМ-контроллером NCP81270 (On Semi).
Теперь про охлаждение.
Все потенциально сильно греющиеся элементы имеют свои собственные радиаторы.
Как мы видим, охлаждение чипсета (один радиатор) организовано отдельно от силовых преобразователей. VRM-секция имеет свои два раздельных радиатора.
Как я уже упоминал ранее, M.2 слоты также имеют радиаторы: у верхнего — свой персональный радиатор, у остальных — общий.
Материнская плата не имеет бэкплейта, защитной пластины на оборотной стороне.
Подсветка
Программное обеспечение под Windows
Настройки BIOS
Работоспособность (и разгон)
Запускаем все в режиме по умолчанию (MCE находится в автоматическом режиме). Затем нагружаем тестами.
В режиме авторазгона мы получили 5,2 ГГц по P-ядрам, и 4.1 ГГц по всем Е-ядрам. Напомню, что Р-ядра — это обычные всем привычные ядра, имеющие по 2 потока каждый, «Р» — означает Performance, то есть производительные. «Е» — это энергоэффективные ядра, так называемые, малые ядра, у них по 1 потоку.
Скажу, что авторазгон не самый высокий, что мы видели ранее, но оно и логично: ведь система по умолчанию определяет возможности питания матплаты, а в данном случае система питания именно среднего уровня, так что уже напрашивается вывод, что подобные материнские платы явно не для самых топовых и требовательных процессоров, к которым относится Core i9-13900K. Что касается остальных параметров работы компонентов по нагреву, то все они были в норме (единственная проблема – инженеры Gigabyte как-то четко не обозначили – какой термодатчик за что отвечает и где установлен, поэтому программа HWiNFO не смогла их идентифицировать). Потребление CPU было чуть ниже 200 Вт.
Ранее в разделе настроек BIOS я отмечал, что у Gigabyte имеется новый параметр настроек – PerfDrive.
Как мы видим, отключить эту технологию никак нельзя, она:
- находится либо в режиме самооптимизации (выше мы уже видели, что эта «оптимизация» привела по сути к отключению MCE, и автоматический рост частот по TurboBoost уже не по всем ядрам, да и не такой приличный, какого следовало бы ожидать от матплаты с очень мощной системой питания),
- либо пытается достичь максимально возможной частоты хотя бы одним ядром на короткое время (ну типа зафиксировали «рекорд» и хватит),
- либо пытается как-то выйти на уровень MCE по всем ядрам, но опять же нужные нам частоты работы ядер вручную задать мы не можем (PerfDrive извещает, что или ручной разгон, или эта технология будет «самооптимизироваться», мешая тем самым ручному разгону),
- либо просто дает возможность единым махом отключить все E-ядра (оставив активными только P-ядра).
В предыдущих обзорах матплат от Gigabyte я уже писал свое мнение: это совершенно ненужная вещь, и лучше бы оставили все как было: MCE включено, и автооверклокинг сам выставляет максимально возможные частоты по всем ядрам. А ручной разгон – уже без вмешательств «оптимизаторов».
В целом, хотите, чтобы автооверклокинг был примерно как раньше – выставляйте Spec Enhance.
Выводы
Gigabyte B760 Aorus Elite AX — представитель среднебюджетного семейства материнских плат на чипсете Intel B760 со стоимостью от 16 тысяч рублей на момент публикации обзора. Это не самая дешевая модель на B760, который, вообще говоря, является бюджетным чипсетом в своей линейке, однако она имеет серьезную поддержку периферии, сравнимую с более дорогими решениями.
У Gigabyte B760 Aorus Elite AX имеется 17 портов USB разных видов, включая 3 очень быстрых USB 3.2 Gen2, а также 6 USB 3.2 Gen1. Плата предлагает 3 слота PCIe х16, один из которых получает от процессора 16 линий PCIe версии 4.0 (не 5.0, однако на сегодня это не играет никакой роли, так как видеокарт с поддержкой PCIe 5.0 пока на рынке нет), а два других работают в режиме x1 (подключены к B760). Также у платы 3 слота M.2: первый слот подключен напрямую к процессору линиями PCIe 4.0, два других слота М.2 подключены к чипсету B760 также линиями PCIe 4.0.
В арсенале платы также есть 4 порта SATA и 6 разъемов для вентиляторов. Система питания процессора достаточно мощная, способная обеспечить работу любых совместимых процессоров с некоторым запасом на разгон (в большей степени годится для процессоров уровня i5-13600 и ниже). Плата имеет грамотную систему охлаждения каждого потенциально греющегося элемента, включая накопители в слотах M.2. Сетевые возможности неплохие: быстрый проводной контроллер 2,5 Гбит/с и один современный беспроводной. В числе плюсов платы можно упомянуть возможности для подключения подсветки в виде дополнительных ARGB/RGB-устройств.






























































































