Во второй части нашего обзора оборудования мы рассмотрим 3 многоканальных цифровых платы видеозахвата, предназначенных для установки в обычный персональный компьютер. Платы эти предоставлены для обзора уже знакомой нам по предыдущим статьям фирмой "Видеоконтроль". Основные характеристики этих плат вы найдете в конце первой части обзора, в сводной таблице. Здесь же мы изучим каждую плату в отдельности, а в завершение обзора рассмотрим прилагающееся программное обеспечение, которое, хоть и привязывается к каждой из плат, но в двух из трех случаев (платы PV-180VProA и PV-183-8VPro) интерфейс этого ПО одинаков. Что касается третьей платы (PV-261VPro), то, несмотря на небольшие различия в интерфейсе, программное обеспечение функционально практически то же самое, разве что в нем немного меньше сетевых функций. Но самое интересное будет в конце обзора мы попытаемся использовать развитые коммуникационные способности этого ПО для подключения к мобильным устройствам, а конкретно к КПК iPAQ 2190b.
В качестве испытательного стенда мы будем использовать следующую машину:
№ | Наименование | Тип |
1 | Процессор | Sempron 2800 socket A |
2 | Чипсет | VIA KT400A |
3 | Память | DDR1 1Gb PC3200 |
4 | Видеокарта | ATI Radeon 9800 Pro |
5 | Дисковая подсистема | WD 120 Gb SATA |
6 | Монитор | 17″ LCD |
Как видим, машина даже не из современного мэйнстрима, но обстоятельство это, в чем мы ниже и убедимся, ни в коей мере не помешает нам осуществить задуманное.
Напомним, что на тестировании у нас сегодня следующее оборудование:
- 4-х канальная плата видеозахвата PV-180VProA
- 8-и канальная плата видеозахвата PV-183-8VPro
- 8-и канальная плата видеозахвата PV-261VPro
Итак, начнем по порядку.
PV-180VProA
К этой плате, помимо возможности подключения 4-каналов видео, можно подключить и один канал звука. Также на самой плате предусмотрен разъем для подключения дополнительной платы охранной сигнализации PV154, снабженной входами/выходами для подключения датчиков охранной сигнализации и исполнительных устройств.
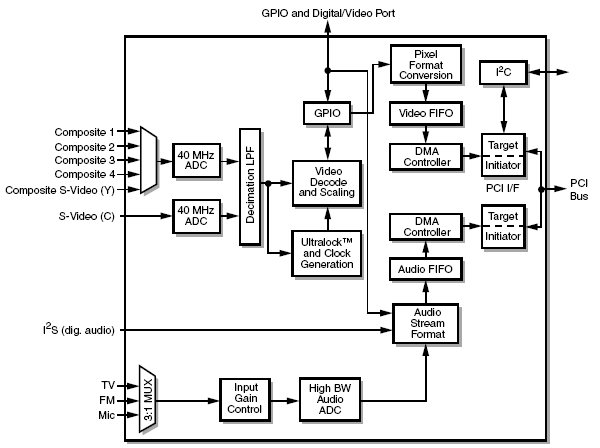
Как видно из фотоснимка, основой этой платы видеозахвата является чип Conexant 878A, который и обеспечивает оцифровку четырех видеоканалов с аналоговым видеосигналом. Для интересующихся техническими характеристиками этого чипа приведем его краткое описание:

- Декодирование видео: PAL, SECAM, NTSC;
- Поддерживаемые разрешения до 768x576;
- 4-е композитных или 3-и композитных и один S-Video вход;
- Монофонический аудиовход;
- Совместим по контактам с Bt878;
- Высокоскоростные последовательный (I2S) и параллельный (I2C) порт для передачи данных;
- Поддержка PCI 2.2, ACPI и PM 1.0.
Для подключения видеокамер на плате имеются 4 BNC-разъема. Микрофон также подключается к этой же плате. После установки идущих в комплекте драйверов в диспетчере устройств наблюдается следующее:

Эта плата видеозахвата обеспечивает одновременный захват 4 видеоканалов со скоростью до 10 к/с (определяется мощностью ЦП) на канал при максимальном разрешении не более 640 на 480 точек, чего вполне достаточно для решения большинства задач. Необходимо отметить, что данная плата не умеет аппаратно сжимать видеосигнал, поэтому вся работа по сжатию и детекции движения ложится на могучие плечи центрального процессора компьютера. В случае, если плечи все-таки окажутся не столь могучи, мы будем наблюдать "тормоза" в работе системы, и иметь пропуски кадров в архиве видеозаписей. Ниже приведена диаграмма загруженности центрального процессора в разных режимах работы при трех подключенных видеокамерах (слева запись, справа просмотр+запись):

Результаты вполне ожидаемые: средняя загрузка процессора и выделение памяти ниже в том случае, когда система работает только в режиме записи. Но как только мы начинаем работать с видеоархивом, нагрузка на процессор возрастает. Оно и понятно покуда мы изучаем видеоархив, запись-то продолжается!
В отсутствии аппаратного сжатия есть свой плюс это самая низкая из трех рассматриваемых нами плат цена: 180 у.е. За эти деньги вы получаете вполне качественный продукт с развитым программным обеспечением. Но о программном обеспечении мы поговорим немного позже, а пока рассмотрим следующую плату.
PV-183-8VPro
Данная плата допускает одновременное подключение 8 видеокамер и 8 микрофонов, правда, с двумя оговорками: первое максимальное разрешение по каждому каналу не более 320 на 240 точек; и второе скорость записи по каждому каналу в отдельности составляет до 30 к/с, что есть самый настоящий "реалтайм". Вот такая неоднозначная плата, с не менее неоднозначным дизайном.
Как видно, плата имеет отнюдь не миниатюрные размеры. Объясняется этот факт тем, что на каждом канале используется свой собственный чип Conexant 878A (характеристики которого указаны выше), что и делает возможными такие вещи, как одновременный захват видео и звука при 30 кадрах в секунду на канал. Что касается разрешения кадра 320 на 240 точек, то, связавшись с разработчиками, нами был получен ответ, в котором сообщается, что, увеличив размер кадра (а спецификация чипа позволяет это сделать), мы сильно загрузим PCI-шину компьютера, что приведет к неминуемому его зависанию. То есть, технически подкованный человек скажет так: пропускная способность PCI-шины компьютера не позволит передать подобный объем информации.
Так же, как и на предыдущей плате, здесь имеется разъем для подключения дополнительной платы охранной сигнализации PV154. Для подключения видеокамер и микрофонов на плате предусмотрены 2 разъема, аналогичных применяемым на видеокарте разъемам VGA, куда, с помощью идущих в комплекте переходников, и подключаются видеокамеры и микрофоны.
Установка драйверов устройства достаточно тривиальна, отметим лишь следующую особенность: так как плата имеет восемь чипов видеозахвата, операционная система восемь раз попросит указать на местосположение драйвера видеозахвата, и еще восемь раз на расположение драйвера аудиозахвата, что в итоге даст следующую картину в диспетчере устройств:

Вот они, эти самые восемь чипов видеозахвата. Многоканальный видеозахват во всей своей красе. А заодно и многоканальный аудиозахват. Давайте-ка заглянем в диспетчер задач и посмотрим, как влияют различные режимы работы этой платы на загрузку центрального процессора:

Вполне ожидаемые результаты. Сжатие 8-ми каналов видеосигнала силами центрального процессора это серьезно. Что и выливается в стопроцентную загрузку. При просмотре записанного видеоархива загрузка процессора, понятное дело, меньше не становится, лишь увеличивается объем выделенной памяти.
Что же остается в сухом остатке по этой плате? А остается следующее: честный "реалтайм" по восьми каналам со звуком на каждом канале при цене платы 490 у.е.
PV-261VPro
Эта плата, так же, как и предыдущая, допускает одновременное подключение восьми видеокамер и восьми каналов звука. Но на этом их сходство заканчивается, потому как на этот раз перед нами настоящее профессиональное решение. Вот внешний вид платы:
На снимке хорошо видно, что два довольно больших чипа прикрыты массивными радиаторами. Именно на эти чипы возложены основные функции этой платы, а именно: аппаратная оцифровка видео- и аудиосигналов, а также детекция движения. Насколько удалось выяснить у разработчиков этой платы, эти микросхемы являются не чем иным, как DSP (Digital Signal Processor, Цифровой Сигнальный Процессор) семейства TMS320C6XXX, производством которых занимается знаменитая Texas Instruments. Основные характеристики этого семейства вы сможете найти на www.ti.com/dsp. В нашем случае именно этот чип и обеспечивает захват и сжатие видео совместно со звуком по четырем каналам (не забываем, что на плате два подобных чипа в итоге 8 каналов) в реальном времени. При этом максимальное разрешение при захвате любых двух (не совсем "любых", конечно, но один канал на один DSP) каналов видео может достигать 640 на 480 точек, в то время как остальные каналы будут захватывать видео с разрешением не более 320 на 240 точек. При этом на экран выводится настоящее "живое" видео! Подобная схема захвата обусловлена конструктивными особенностями этого DSP.
Вот как выглядит эта плата в диспетчере устройств:

Установка драйверов устройства проходит в штатном режиме и совершенно ничем не примечательна.
А вот и диаграмма загруженности центрального процессора в различных режимах работы платы:

В режиме записи нагрузка на центральный процессор компьютера в пике своем не превышает и 10%, что меньше, чем у предыдущих подопытных. Подобная картина обусловлена, конечно же, аппаратной обработкой видеосигнала, т.е. использованием возможностей двух установленных DSP. А вот в режиме воспроизведения закономерно увеличивается и нагрузка на ЦП, и выделение памяти, т.к. декодированием записанного видео занимается уже центральный процессор компьютера, при этом шустро работает жесткий диск, извлекая из своих недр записанную ранее информацию.
В довершение хочется отметить следующее из всех трех плат эта плата обеспечивает наивысшее качество сжатия видеосигнала при сохранении практически идеальной, без искажений и артефактов, картинки.
Одним словом, данная плата выбор тех, кто понимает, что по-настоящему качественное оборудование не может быть дешевым.
Программное обеспечение Security Eyes
Прежде, чем мы начнем рассматривать идущее в комплекте с вышеописанными платами ПО, хочется сказать следующее: описание ПО дело довольно скучное и малотворческое. Но не в этот раз! Ведь теперь на нашем "операционном" столе настоящий монстр такого обилия коммуникационных возможностей автору еще не встречалось. Интерфейс программы удобен, продуман и переведен на русский язык почти на 100%. Почему почти? Ответ увидим ниже.
С этого окна начинается работа с программным обеспечением:

Лишь взглянув на одно это окно, можно догадаться, что в ПО имеется многоуровневая система доступа, но об этом чуть ниже. А вот и вид основного, рабочего окна:
В нижней части этого окна видно, каким образом возможно разместить видеокамеры на экране (на языке профессионалов это звучит так: "формат мультиэкрана"). Также видно, что все управляющие функции находятся в правой части. Возле некоторых пунктов меню можно увидеть "кнопку-лампочку" таким своеобразным образом производитель хочет привлечь ваше внимание к важным деталям: при нажатии на нее появится подсказка или совет. Заглянем в "Настройки системы":
Вот так номер: здесь возможен одновременный запуск всех семи серверов! Видели ли вы еще где-нибудь такое? Кстати, прежде чем вы сможете использовать все это коммуникационное великолепие, вы должны проставить необходимые (только необходимые, дабы не загружать машину) флажки и обязательно перезапустить программу.
Немного поясним назначение некоторых пунктов меню:
- "Запуск WDT" эта чрезвычайно полезная функция позволяет плате видеонаблюдения отслеживать "зависания" системы и в случае неисправностей производить ее автоматическую перезагрузку. Реализована эта возможность с помощью дополнительного кабеля, который соединяет материнскую плату ПК (контакты "Reset") с платой видеонаблюдения.
- "До начала движения" эта функция позволит записать в архив то, что было в поле зрения видеокамеры до начала тревоги, то есть до момента срабатывания датчика движения. Время в секундах выставляется в поле справа.
- "Предварительный просмотр" делает возможным моментальный просмотр архива прямо в окне "видеокамеры". Просто подведите курсор к нижней части окна видеокамеры, и вы обнаружите перемещаемый вправо-влево ползунок, который позволит вам просмотреть события в заданном интервале времени. Интервал определяется в поле справа.
- "Оповещение о неизвестном видео" здесь имеется в виду оповещение о потерянном видеосигнале. Огрех перевода, производитель обещает исправить.
- "Максимальный размер" это максимальный размер файла-контейнера. Т.е. в соответствии с настройками на изображении, в один файл возможна запись 10 минут движения, после чего будет создан следующий файл.
- "Авто-слежение" это интервал автоматического переключения видеокамер (с одной на другую) при просмотре картинки с одной видеокамеры на весь экран.
Следующая вкладка позволит задать реакцию системы видеонаблюдения на какие-либо события:
Возможность эта у появится только при дополнительно установленной плате охранной сигнализации PV154. Вполне возможно включение системы видеонаблюдения в контур охранной системы.
На следующей вкладке можно произвести настройку части коммуникационных способностей программы:
Пожалуй, пояснения требует только лишь опция "DMIP". Если сказать в двух словах, то эта функция позволяет оставаться на связи даже при смене IP-адреса компьютера бесценное свойство, которого так не хватает при удаленном мониторинге.
Следующая вкладка позволяет настроить отправку уведомлений о тревоге с помощью электронной почты:
Для того, чтобы система видеонаблюдения не положила ваш канал связи на обе лопатки, здесь предусмотрены "Настройки захвата". Просто выставьте необходимый вам интервал времени.
А вот и еще одна вкладка, назначение которой также состоит в информировании пользователя о тревоге:
Только в этот раз оповещение производится посредством отправки коротких текстовых сообщений (SMS) на мобильный телефон пользователя. Русский язык из этого меню, к сожалению, исчез, но в ближайшем будущем он там появится. И все же, несмотря на отсутствие великого и могучего, настройки несложны, и, на наш взгляд, в комментариях не нуждаются совершенно.
Вот мы и добрались до самых главных настроек:
Сразу отметим следующее настройки всех видеоканалов абсолютно одинаковы, даже если их будет шестнадцать. Они абсолютно независимы друг от друга, и поэтому возможна уникальная настройка каждого канала. Что интересно можно задать автоматическую смену параметров видеосигнала (яркость, контрастность, и т.д.) с учетом времени суток, для чего и служит поле с двумя позициями "День-Ночь".
Существуют и еще несколько вкладок, где возможны дополнительные настройки системы:

Здесь мы можем задать режимы записи системы в зависимости от определенных пользователем настроек. Т.е. возможна запись по расписанию, по детектору движения, по внешнему датчику (при наличии платы PV154). Несмотря на небольшие проблемы с отображением русских шрифтов, все вполне понятно.
В следующем окне можно создать список пользователей и наделить каждого собственным правом доступа:
И еще несколько любопытных параметров:

Из этого меню возможно управление так называемыми "куполами", т.е. видеокамерами, оснащенными поворотными механизмами и возможностью зуммирования.
Просмотр архива видеозаписей начинается со следующего окна:

В этом диалоге необходимо выбрать временной диапазон, архив которого нужно подвергнуть анализу.
Ниже отмчаются те камеры, картинку с которых требуется просмотреть.

Кстати, процесс поиска информации в архиве может быть как вполне тривиальным,
так и имеющим название "Smart Seacrh", т.е. "Умный поиск":

На панели справа размещен ряд инструментов, с помощью которых можно произвести подстройку яркости, контрастности, сделать моментальный снимок с видеозаписи, а также произвести конвертацию архивной видеозаписи в стандартный avi-контейнер.
А вот и сам процесс изучения видеоархива:
Внизу размещена уже знакомая нам панель, с помощью которой можно задать конфигурацию мультиэкрана во время просмотра.
Настало время более подробно, с примерами и выводами, рассмотреть коммуникационные возможности этого программного обеспечения.
Рассмотрим наиболее популярные способы "коннекта" это подключение к встроенному веб-серверу с помощью обычного браузера, в том числе и с использованием КПК посредством беспроводных радиоинтерфейсов (в нашем случае это будет Bluetooth). Также мы опробуем еще один способ подключения КПК к системе видеонаблюдения с использованием программного обеспечения, предлагаемого разработчиками.
Сперва рассмотрим самый простой способ подключения с другого компьютера при помощи локальной сети. Для этого надо знать совсем немного это ip-адрес машины, где установлена плата видеонаблюдения, а также имя и пароль пользователя, прописанные в настройках учетных записей (см. немного выше). Далее на удаленной машине просто запускаем любимый браузер (работают и Internet Explorer, и Opera, и FireFox) и вводим в адресную строку следующую информацию http://xxx.xxx.xxx.xxx (где xxx.xxx.xxx.xxx ip-адрес компьютера с платой видеонаблюдения). Если сетевое подключение функционирует нормально, на экране отобразится первый запрос имени и пароля,

за которым последует и второй запрос, но уже от Java-машины (наличие которой необходимо для работы этого ПО):

Оба раза нужно вводить одинаковые пароли. После ввода паролей загружается стартовая страничка и происходит запуск Java-апплета, что в итоге приведет к следующему результату:
То же самое можно проделать и с любого мобильного устройства, имеющего поддержку Java-апплетов из браузера. Но нужно кое-что пояснить без дополнительно установленного на КПК программного обеспечения запустить на нем Java-апплет не получится, а значит, картинки мы не увидим. То есть, необходимо подобрать подходящую Java-машину, и в браузере КПК мы увидим эту же картинку. Тем же, кто по каким-либо причинам не может пойти этим путем, можно предложить следующее выбрать в меню настроек среди списка серверов "PDA-сервер", далее с идущего в комплекте с платой диска "закинуть" на КПК два файла из папки "PDA Client", запустить, ввести ip-адрес, и далее имя и пароль:

теперь увидим уже знакомую нам картину:
В нашем случае КПК и компьютер соединяются в одну сеть с помощью Bluetooth-адаптера. Настройки соединения несложны. Со стороны компьютера мы самым обычным способом присваиваем ip-адрес Bluetooth адаптеру,

а со стороны КПК делаем следующее: перво-наперво нужно "спарить" два устройства компьютер и КПК, в результате чего в этом списке появится имя вашего компьютера:

Теперь в настройках КПК следует выбрать вкладку "Соединения", а в ней "Сетевые адаптеры":

В нашем случае использования Bluetooth-адаптера выбираем в списке следующее:

Здесь остается прописать основные сетевые настройки, после чего КПК сможет стать полноправным членом вашей локальной сети:

И, наконец, последние шаги: в "Диспетчере сети" нужно выбрать компьютер с Bluetooth-адаптером.

После щелчка по нему на вкладке "Активные соединения" появится следующая картина:

Вот и вся настройка. Использование Wi-Fi соединения практически ничем не отличается от рассмотренного, разница лишь в деталях.
Давайте подведем краткий итог нашему обзору. Мы протестировали и по мере возможности рассмотрели три многоканальных платы видеозахвата. Можно сказать следующее эти платы обладают совершенно различными характеристиками, и, соответственно, довольно сильно различаются по стоимости. Но объединяет их устойчивая, без сбоев и зависаний, работа и качественно написанное программное обеспечение. Которое, в свою очередь, удивляет обилием и гибкостью коммуникационных возможностей.
P.S. Наш обзор не отличается малыми размерами скорее наоборот. Масса информации по аппаратному обеспечению, не меньше по программному, и в итоге читатель получает этакий перегруз информации. Но в этом нет ничего плохого со временем информация упорядочится, и на ее основе можно будет делать уже свои выводы и умозаключения. А когда придется выбирать оборудование для системы видеонаблюдения, вы уже будете знать, на какие детали нужно обязательно обратить внимание в первую очередь, а на какие во вторую.
Удачного выбора!














