Карта относится к бюджетным звуковым картам, не являясь базовой стереокартой вроде Juli@, которой нужен отдельный микшер, но и не мультимедийной звуковой картой с упрощенными драйверами и номинальным микрофонным входом.
Изюминка карты — нет необходимости обзаводиться внешним микшером для коммутации микрофона и мониторов с наушниками.
Плюсы и минусы такого решения, а также удачность реализации в данном продукте будут рассмотрены в статье.
Характеристики ESI MAYA44
- ЦАП — 24 бит 192 кГц, АЦП — 24 бит 96 кГц
- S/PDIF коаксиальный и оптический выход
- микрофонный предусилитель с +48 В фантомным питанием
- DirectWIRE 3.0
- E-WDM драйвер с поддержкой MME, DirectSound, ASIO 2.0 и GSIF 2.0
- Windows XP/2000/Vista
- разъем расширения MI/ODI/O для цифровых и MIDI входов/выходов (опционально)
Аналоговые входы
- 4 аналоговых входа
* 1/4″ TRS (полноразмерный стереоджек) линейный вход 1/2 с возможностью работы в режиме микрофонного входа
* 1/4″ TRS (полноразмерный стереоджек) линейный вход 3/4 - пиковый уровень: 0dBFS @ +6dBV
- усиление: -48дБ ~ +24дБ (шаг 1дБ)
- импеданс: 10 кОм
- SNR: 102 дБА (0 дБ @ fs=48 кГц)
- DR: 102 дБА
- THD: -95 дБ (1 кГц, -1dBFS)
- разделение каналов: 90 дБ
Аналоговые выходы
- 4 аналоговых выхода * 1/4″ TRS (полноразмерный стереоджек)
- пиковый уровень: 0dBFS @ +6dBV
- усиление: -48 дБ ~ +0дБ (шаг 1дБ)
- импеданс: 33 Ом линейный выход 1/2, 0 Ом линейный выход 3/4, выход на наушники
- SNR: 108 дБА (0 дБ @ fs=48 кГц)
- DR: 108 дБА
- THD: -97 дБ (1 кГц, 0dBFS)
- разделение каналов: 100 дБ
Микрофонный предусилитель
- усиление: +21 дБ
- пиковый уровень: 0dBFS @ 246 мВ
- фантомное питание +48 В
- импеданс: 3 кОм
Усилитель на наушники
- импеданс нагрузки: 32-300 Ом
- выходная мощность: 125 мВт на канал, при 32 Ом
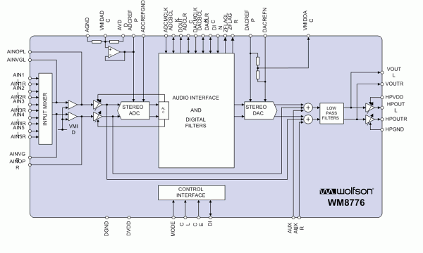
Перечисленные характеристики указывают паспортные данные преобразователей Wolfson WM8776, реальные замеры покажут более скромные данные. В целом, паспортные данные используемого ЦАП-а мало отличаются от характеристик ЦАП-а в Audiotrak Prodigy7.1/Terratec Aureon Space7.1 и Terratec Producer Phase 28 на Wolfson WM8770.

WM8776 имеет обширные коммутационные возможности, что позволило сделать довольно функциональные драйвера у звуковой карты.

Панель управления карты заслуживает уважения. Все, что нужно, находится на одной панели, для изменения какого-нибудь основного параметра не нужно лезть в дебри вкладок.
DirectWire3.0 запускается отдельным окном. В этой панели выставляется перенаправление звукового потока между интерфейсами MME/WDM/ASIO/GSIF и физическими входами Input.
Для лучшего понимания, как работает карта, и за что отвечают кнопки с регуляторами, из меню help запускается окно с полной блок-схемой карты.

Из функций не хватает клонирования каналов или функции замены 1/2 на 3/4.
Возможность микширования в Output Mix позволяет добавить сигнал с одного выхода на другой, но не позволяет сделать перенаправление. К примеру, если к 1/2 подключить мониторы, а к 3/4 наушники, поставить воспроизведение на 1/2, то при подаче через Mix на 3/4 громкость сигнала будет не выше, чем в 1/2. Соответственно, если убрать звук для мониторов с помощью mute, то на выходе 3/4 будет тишина.
Еще не хватает поддержки управления громкостью с мультимедийных клавиатур, IrLink и даже фейдеров в программах, управляющих громкостью. К слову, E-MU карты то же не всегда поддерживают управление с мультимедийных клавиатур, но при этом не было отсутствия поддержки по IrLink. При регулировке звука в PowerDVD значения громкости меняются только в микшере windows, который никак не влияет на итоговую громкость. Данная особенность является одной из фич профессиональных карт, где баги и недоработки проявляются в приложениях, не относящимися к проаудио.

В системе карта определяется как три устройства. Формально перед нами три карты, две стереокарты и одна четырехканальная. Это дает определенные преимущества.
Диагностика DirectSound
Device: 1-ESI MAYA44 Ch12 (Mam3Wdm.sys)
Features:
Device has not enough hardware 2D buffers
Device has not enough hardware 3D buffers
EAX 1.0: N/A
EAX 2.0: N/A
EAX 3.0: N/A
EAX 4.0: N/A
EAX 5.0: N/A
Rates:
dwMinSecondarySampleRate 22050
dwMaxSecondarySampleRate 192000
Free buffers stats:
dwFreeHw3DAllBuffers 0
dwFreeHw3DStaticBuffers 0
dwFreeHw3DStreamingBuffers 0
dwFreeHwMixingAllBuffers 0
dwFreeHwMixingStaticBuffers 0
dwFreeHwMixingStreamingBuffers 0
Max buffers stats:
dwMaxHwMixingAllBuffers 1
dwMaxHwMixingStaticBuffers 1
dwMaxHwMixingStreamingBuffers 1
dwMaxHw3DAllBuffers 0
dwMaxHw3DStaticBuffers 0
dwMaxHw3DStreamingBuffers 0
Misc stats:
dwFreeHwMemBytes 0
dwTotalHwMemBytes 0
dwMaxContigFreeHwMemBytes 0
dwUnlockTransferRateHwBuffers 0
dwPlayCpuOverheadSwBuffers 0
Device: 2-ESI MAYA44 Ch34 (Mam3Wdm.sys)
Features:
Device has not enough hardware 2D buffers
Device has not enough hardware 3D buffers
EAX 1.0: N/A
EAX 2.0: N/A
EAX 3.0: N/A
EAX 4.0: N/A
EAX 5.0: N/A
Rates:
dwMinSecondarySampleRate 22050
dwMaxSecondarySampleRate 192000
Free buffers stats:
dwFreeHw3DAllBuffers 0
dwFreeHw3DStaticBuffers 0
dwFreeHw3DStreamingBuffers 0
dwFreeHwMixingAllBuffers 0
dwFreeHwMixingStaticBuffers 0
dwFreeHwMixingStreamingBuffers 0
Max buffers stats:
dwMaxHwMixingAllBuffers 1
dwMaxHwMixingStaticBuffers 1
dwMaxHwMixingStreamingBuffers 1
dwMaxHw3DAllBuffers 0
dwMaxHw3DStaticBuffers 0
dwMaxHw3DStreamingBuffers 0
Misc stats:
dwFreeHwMemBytes 0
dwTotalHwMemBytes 0
dwMaxContigFreeHwMemBytes 0
dwUnlockTransferRateHwBuffers 0
dwPlayCpuOverheadSwBuffers 0
Device: 3-ESI MAYA44 Ch1234 (Mam3Wdm.sys)
Features:
Device has not enough hardware 2D buffers
Device has not enough hardware 3D buffers
EAX 1.0: N/A
EAX 2.0: N/A
EAX 3.0: N/A
EAX 4.0: N/A
EAX 5.0: N/A
Rates:
dwMinSecondarySampleRate 22050
dwMaxSecondarySampleRate 192000
Free buffers stats:
dwFreeHw3DAllBuffers 0
dwFreeHw3DStaticBuffers 0
dwFreeHw3DStreamingBuffers 0
dwFreeHwMixingAllBuffers 0
dwFreeHwMixingStaticBuffers 0
dwFreeHwMixingStreamingBuffers 0
Max buffers stats:
dwMaxHwMixingAllBuffers 1
dwMaxHwMixingStaticBuffers 1
dwMaxHwMixingStreamingBuffers 1
dwMaxHw3DAllBuffers 0
dwMaxHw3DStaticBuffers 0
dwMaxHw3DStreamingBuffers 0
Misc stats:
dwFreeHwMemBytes 0
dwTotalHwMemBytes 0
dwMaxContigFreeHwMemBytes 0
dwUnlockTransferRateHwBuffers 0
dwPlayCpuOverheadSwBuffers 0
Все три устройства показывают отсутствие поддержки звука в играх. Это означает, что во многих играх может не быть звука, или будут воспроизводиться не все звуковые потоки.
Диагностика ASIO
Device: ASIO 2.0 - ESI MAYA44
Features:
Input channels: 4
Output channels: 4
Input latency: 256
Output latency: 256
Min buffer size: 256
Max buffer size: 256
Preferred buffer size: 256
Granularity: 0
ASIOOutputReady - supported
Sample rate:
8000 Hz - not supported
11025 Hz - not supported
16000 Hz - not supported
22050 Hz - not supported
32000 Hz - supported
44100 Hz - supported
48000 Hz - supported
88200 Hz - supported
96000 Hz - supported
176400 Hz - supported
192000 Hz - supported
Input channels:
channel: 0 (L:ESI MAYA44 1/2) - Int32LSB
channel: 1 (R:ESI MAYA44 1/2) - Int32LSB
channel: 2 (L:ESI MAYA44 3/4) - Int32LSB
channel: 3 (R:ESI MAYA44 3/4) - Int32LSB
Output channels:
channel: 0 (L:ESI MAYA44 1/2) - Int32LSB
channel: 1 (R:ESI MAYA44 1/2) - Int32LSB
channel: 2 (L:ESI MAYA44 3/4) - Int32LSB
channel: 3 (R:ESI MAYA44 3/4) - Int32LSB
![]() | ![]() |
В секвенсорах карта работает без нареканий, минимально допустимая задержка аналогична задержке других карт под ASIO-интерфейсом. Неудобство вызывает только невозможность смены буфера без перезапуска всех программ.
В своей ценовой категории MAYA44 не имеет аналогов среди профессиональных карт и конкуренцию ей могут составить только мультимедийные полупрофессиональные карты.
Основные отличия MAYA44 от мультимедийных полупрофессиональных карт заключаются
- Полноценный микрофонный вход против 5-ти вольтовых.
- Разъемы TRS против мини-джеков (слабое преимущество, для подключения к мониторам также будет нужен переходник).
- Линейный и HP выход могут работать как раздельные устройства.
- Линейный и микрофонные входы являются раздельными входами, в то время как у большинства мультимедийных полупрофессиональных карт АЦП всего один, и возможность записи только одного выбранного стереоканала. Таким образом, на MAYA44 можно записать голос и внешний инструмент одновременно на отдельные дорожки, в то время как у мультимедийных карт такая возможность отсутствует.
- Нет поддержки звука в играх, в отличие от мультимедийных карт, где пусть и не супер звук, но хотя бы есть, и воспроизводится без существенных недостатков.
Функциональность
MAYA44 vs Prodigy7.1
Prodigy7.1 незначительно уступает в функциональности (нет микширования стереопар), также имеет функциональную панель DirectWire. Если не сравнивать форм-фактор разъемов, то преимущество у MAYA44 в раздельном полноценном микрофонном входе, в то время как Prodigy7.1 в два раза больше выходов для воспроизведения, более мощный усилитель для наушников и цифровой вход, который у MAYA44 может быть лишь в качестве опции за дополнительные деньги. Если нет нужды в микрофонном входе, то Prodiy7.1 может быть предпочтительнее для ряда задач.
MAYA44 vs Revolution5.1
Основные недостатки работы в профессиональных приложениях рассмотрены в статье о Revolution 5.1, стоит добавить только то, что микрофонный вход у Revolution5.1 уступает в качестве даже микрофонному входу Prodigy7.1 и X-Fi из-за раннего завала на ВЧ. При работе с Revolution5.1 пользователь лишь получает дополнительный стереовыход и неудобные для работы драйвера.
MAYA44 vs X-Fi
X-Fi в режиме CreationMode не имеет такой гибкости с перенаправлением звуковых потоков, как в DirectWire, но позволяет в микшере направлять звуковой поток на любой из стереовыходов, а также клонировать каналы. Наибольшим недостатком X-Fi является раздутая на весь экран панель управления, при этом перегруженная графикой и анимацией. Еще стоит отметить — качество усилителя для наушников у младших X-Fi (XtremeMusic и XtremeGamer) уступает качеству усилителя для наушников у MAYA44
Дополнительно стоит отметить, что MAYA44 видится в системе в виде трех звуковых карт. Это дает возможность использовать недорогие программы с отсутствием расширенных настроек каналов при воспроизведении или записи.
В документации на Wolfson WM8776 упоминается функция Programmable Limiter or Automatic Level Control (ALC) для записи, но в драйверах эта функция не задействована.
Субъективное сравнения качества аналоговых выходов
В противовес ESI MAYA44 были взяты Prodigy7.1 и Revolution5.1, в качестве референса выступила E-MU1212m. Для мгновенного переключения использовался коммутатор на галетных переключателях, не влияющий на качество сигнала. Сигнал с коммутатора поступал на усилитель Behringer A500, к которому были подключены пассивные системы, сделанные автором. Используемые динамики — Vifa XT25 (используются в мониторах Blue Sky System One) и вуфер Eton 8-800/37 hex, использующийся в ADAM S2.5A.
MAYA44 и Prodigy7.1 имеют один уровень качества, различия между ними несущественны, Revolution5.1 звучит более открыто и детально, но уступает по детальности E-MU1212m.
Результат особого открытия не делает, в MAYA44 и Prodigy7.1 используются преобразователи одного класса, причем классом немного ниже, чем у Revolution5.1 и, не говоря уже о преобразователях E-MU1212m.
В то же время нужно трезво оценивать свои возможности, подключение карты высокого класса к бюджетным мониторам может не дать прироста качества. ESI MAYA44 не будет узким местом как раз с бюджетным трактом.
Работа в XP и Vista
В XP карта работает стабильно и без нареканий, кроме одного традиционного глюка, наблюдаемого в продуктах ESI и Audiotrak, — запуск двух ASIO-приложений часто приводит к «синему экрану смерти».
В Vista проблем больше
- Синий экран от двух ASIO-приложений.
- При воспроизведении звука часто возникают щелчки, не зависящие от выставленного буфера. Например, в открытом проводнике, в зависимости от открытой папки, в воспроизведении щелчки то появляются, то исчезают. При переключении треков в любом плеере без щелчков воспроизводится примерно каждый третий трек. В разных конфигурациях эта багофича может проявляться больше или меньше.
- Драйвер, совместимый с Vista для устройств ESI/Audiotrak, имеет одинаковую версию и явно сыроват, при установке в Vista MAYA44 и Prodigy7.1 для программ от MAYA44 осталось только ASIO, а остальные интерфейсы от Prodigy7.1 в виде QVE24/96. Не исключено, что такие проблемы могут быть и с другими картами от ESI/Audiotrak. В XP такого конфликта драйверов нет.
Перечисленные недостатки не являются проблемой, используемой Vista, в этой же системе E-MU1212m работала стабильно без единого глюка. Таким образом, для работы в Vista стоит подождать новую версию драйверов. В текущей версии функциональность такая же, как и в XP. Главное, что производитель включил карту в список продуктов, поддерживающих Vista. О любимой многими Revolution5.1 такого сказать пока нельзя. Производители, в первую очередь, кидают силы на поддержку профессиональных карт, к слову, у той же Prodigy7.1 под Vista не работает большинство функций в панели.

Несмотря на недоработки, важно, что в Vista не упростили драйвера, оставив функциональность на прежнем уровне.
Объективное тестирование
Отчет о тестировании в RightMark Audio Analyzer
| Тестируемое устройство | ESI MAYA44 |
| Режим работы | 24-bit, 44 kHz |
| Звуковой интерфейс | ASIO |
| Маршрут сигнала | External loopback (line-out - line-in) |
| Версия RMAA | 6.0.5 PRO |
| Фильтр 20 Гц - 20 кГц | ДА |
| Нормализация сигнала | ДА |
| Режим МОНО | НЕТ |
| Частота сигнала калибрации, Гц | 1000 |
| Полярность | правильная/правильная |
Summary
| Неравномерность АЧХ (в диапазоне 40 Гц - 15 кГц), дБ | +0.03, -0.19 | Очень хорошо |
| Уровень шума, дБ (А) | -97.6 | Отлично |
| Динамические диапазон, дБ (А) | 97.5 | Отлично |
| Гармонические искажения, % | 0.0010 | Отлично |
| Гармонические искажения + шум, дБ(A) | -90.5 | Очень хорошо |
| Интермодуляционные искажения + шум, % | 0.0041 | Отлично |
| Взаимопроникновение каналов, дБ | -95.1 | Отлично |
| Интермодуляции на 10 кГц, % | 0.0042 | Отлично |
| Общая оценка | Отлично |

Графики показывают небольшое количество искажений.

Результаты замеров через E-MU1212m аналогичны результатам ESI MAYA44 в loop. Интерес представляет только график АЧХ в 192 kГц, показывающий корректность воспроизведения в высоких разрешениях.
Выводы
ESI MAYA44 полностью соответствует своему назначению — организации бюджетной компактной студии без внешнего микшера, состоящей из микрофона, внешнего инструмента, мониторов и наушников. Качество преобразователей находится на уровне полупрофессиональных карт, где основным преимуществом у MAYA44 является отдельный стереовход, позволяющий делать до четырех моноканалов на разные дорожки, против двух моноканалов у полупрофессиональных карт. До карт класса ESI Juli@, E-MU0404 и M-Audio Audiophile 192 ESI MAYA44 не дотягивает качеством преобразователей, но от бюджетного продукта под соответствующий тракт это не требуется.
Плюсы
- удобные драйвера
- низкая цена
- входы и выходы на все случаи жизни
- автомат опорной частоты
Минусы
- невозможность смены буфера без перезапуска программ
- отсутствие поддержки регулирования громкости средствами windows
- незначительные баги и недоработки в драйверах
- недоработанные драйвера в Vista



