Сегодня в нашей тестовой лаборатории находится звуковая карта Audiotrak MAYA44 MKII — изделие подразделения потребительских продуктов (consumer products division) известного производителя профессиональных звуковых интерфейсов — компании ESI (Ego Systems Inc). Наш постоянный читатель может вспомнить ранее протестированные звуковые карты под той же торговой маркой Audiotrak: Prodigy7.1, Prodigy192 и MAYA44, которые выглядели достаточно интересными решениями в своём классе.
MAYA44 MKII подаётся производителем как долгожданное возвращение знаменитой и успешной «народной» карты MAYA44 (об этом на сайте производителя вещает лозунг «MAYA44 finally returns!!!»). MAYA44 завоевала в своё время популярность благодаря простоте и самодостаточности для профессиональной работы в домашней студии. Цифры 44 в маркировке карты означают наличие 4 входов и 4 выходов. Если использовать входы и выходы как стерео, то получаем микрофонный вход, линейный вход, выход на наушники, линейный выход. Плюс цифровые оптический и коаксиальный выходы.
Производитель относит своё издели к некому классу DTMP (Desktop Music Production — музыкальный продакшн на десктопе). Карта максимально бюджетирована, в комплекте, кроме красивой коробки, руководства и компакта с драйверами, ничего нет. С другой стороны пользователь не переплачивает за ненужные ему комплектные программы. Для нашего рынка такая ситуация идеальна, видимо, как и для азиатского.
Опционально к MAYA44 MKII (как к любой карте профессиональной серии ESI Waveterminal 192L/X), может быть приобретён и подключен модуль ESI MI/ODI/O (midi input/output, digital input/output).
От различного рода игровых карт в той же ценовой категории MAYA44 MKII выгодно отличает:
- отсутствие ненужных в профессиональной деятельности 5.1-, 6.1-, 7.1-канальных выходов;
- полноразмерные 1/4″ разъёмы TRS, вместо миниджек;
- простая и внятная контрольная панель, где всё необходимое сосредоточено в одном окне, а также присутствуют пик-метры и поканальные фейдеры с шкалой в дБ;
- фантомное питание на микрофонном входе для подключения профессиональных конденсаторных микрофонов;
- отсутствие (навязшей в зубах в игровых AC'97-картах) некачественной передискретизации всего и вся в 48 кГц (что особенно критично для цифрового выхода);
- профессиональный DSP с возможностью управления SRC (фиксированный семплинг, автоматический ресемплинг), режимом работы цифровых интерфейсов (асинхронный int, сихронный ext) и гибкой системой роутинга сигналов (DirectWIRE);
- малая задержка (latency) и регулируемый размер буфера под конкретный CPU;
- профессиональная поддержка интерфейсов ASIO/MME/WDM/GSIF.
От MAYA44 новая редакция MKII отличается более качественными преобразователями, поддержкой 24/96, более мощным усилителем на наушники, улучшенной контрольной панелью.
Минусы (скажем, отсутствие поддержки аппаратного трёхмерного звука и EAX в играх) проявляются только при неправильном понимании назначения данной звуковой карты. К счастью, никто не мешает установить в компьютер 2 или даже 3 звуковые карты и использовать каждую из них по назначению.
Предваряя пару сотен писем в мой почтовый ящик, сразу скажу, что на текущий момент для работы над звуком я порекомендовал бы Lynx L22 (только обязательно с внешним аппаратным микшером и ламповым предусилителем-компрессором для микрофона), а для игр — однозначно Audigy2 ZS, причём, в обычной (не Platinum) редакции. Плюс, не забудьте прикупить подходящие активные мониторчики ближнего поля, иначе рискуете не заметить разницы с интегрированным в материнскую плату звуком AC'97 (читается не иначе как АЦтой'97).

Звуковая карта MAYA44 MKII:
красный текстолит, плотный монтаж элементов,
отсутствие низкокачественных электролитов

| Цифровой контроллер | VIA Envy24HT-S (24 бит, 192 кГц; интерфейсы: три I2S/AC-link выходных, два I2S/AC-link входных) |
| Преобразователи | два стереокодека Wolfson WM8731 (24 бит, 96 кГц, ЦАП SNR >100 дБA, АЦП SNR >90 дБА) |
DSP, VIA Envy24HT-S, достаточно интересное и мощное. От Envy24HT отличается уменьшенным количеством входных и выходных каналов.

А вот кодеки, Wolfson WM8731 сперва немного расстроили нас своей бюджетностью. С другой стороны, в отличие от AC'97, это полноценные мультибитные дельта-сигма I2S-кодеки с произвольной опорной частотой дискретизации и продуманной системой аналогового усиления линейного и микрофонного сигнала ДО преобразователей АЦП, микрофонным предусилителем и буфером для наушников.

Впрочем, тестирование в RMAA и слуховое тестирование в сравнении с конкурентами исчерпывающе покажет нам реальное качество карты.
Контрольная панель управления картой выполнена в виде единого окошка. Тем не менее, все необходимое здесь присутствует. С левой стороны расположены регуляторы входов и выходов. Справа находятся кнопки включения цифровых режимов работы и выбора частоты семплирования. Все регуляторы, кроме общей громкости, имеют индикаторы уровня. Есть раздельная регулировка громкости по каналам.

Меню достаточно лаконичное. Есть возможность задать шаг колеса мыши при регулировке уровня. Latency — размер буфера в семплах. Gang Mode — одновременная регулировка левого и правого канала (для стересигнала).
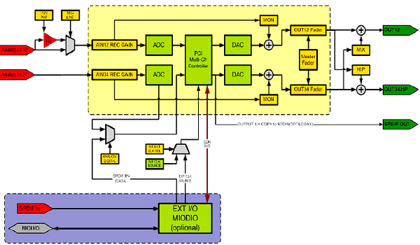
Чтобы лучше понять взаимодействие входов и выходов карты, стоит взглянуть на блок-схему MAYA44 MKII, приведённую в руководстве пользователя:

Тестирование в RMAA 5.3
Измерения проводились с помощью референсной карты Lynx Two (117 дБ сигнал/шум) коротким качественным проводом (low-noise microphone cable, Proel) с позолоченными разъёмами. Чувствительность по входу Lynx Two — стандартная, -10 дБ В. Надо отметить, что MAYA44 MKII, как и для большинства для профессиональных звуковых карт, характерно следование стандартам на уровень сигнала, что облегчает сопряжение с различными звуковыми устройствами.
Измерения проводились в программе RMAA 5.3 под интерфейсом MME/WDM с включенным полосно-пропускающим фильтром AES17 (20 Гц - 20 кГц), применяемом нами теперь при всех тестированиях.
Фронтальный выход
Традиционно, тестирование начинается с самых распространённых режимов, используемых при воспроизведении CD-DA (16/44) и DVD-Video (16/48).
Режим работы: 16 бит 44,1 кГц
| Неравномерность АЧХ (от 40 Гц до 15 кГц), дБ: | +0.06, -0.05 | Отлично |
| Уровень шума, дБ (А): | -94.5 | Очень хорошо |
| Динамический диапазон, дБ (А): | 94.2 | Очень хорошо |
| Нелин. искажения, %: | 0.0017 | Отлично |
| Интермод. искажения, %: | 0.0055 | Отлично |
| Взаимопроникновение каналов, дБ: | -94.2 | Отлично |
Общая оценка: Отлично (Подробный отчёт)
Режим работы: 16 бит 48 кГц
| Неравномерность АЧХ (от 40 Гц до 15 кГц), дБ: | +0.06, -0.05 | Отлично |
| Уровень шума, дБ (А): | -94.8 | Очень хорошо |
| Динамический диапазон, дБ (А): | 94.5 | Очень хорошо |
| Нелин. искажения, %: | 0.0018 | Отлично |
| Интермод. искажения, %: | 0.0053 | Отлично |
| Взаимопроникновение каналов, дБ: | -94.2 | Отлично |
Общая оценка: Отлично (Подробный отчёт)
Мы уже неоднократно говорили, что с точки зрения качества звучания сами значения интегральных параметров, а также выставленные им словесные оценки имеют меньшую ценность, чем вид спектрограмм. Наиболее интересными параметрами, безусловно, являются гармонические и интермодуляционные искажения. Интермодуляция измерялась двухтоновым сигналом 60 Гц @ -5 дБ и 7000 Гц @ -17 дБ в точном соответствии со стандартом SMPTE RP120-183 (SMPTE — Society of Motion Picture and Television Engineers — Общество Кино- и Телеинженеров США).

Измерения по CCIF (19 кГц и 20 кГц @ -12 дБ) также показали весьма чистый спектр сигнала. К слову, для измерения интермодуляции акустики лучше использовать частоты в соответствие с DIN45403 (250 Гц и 8 кГц). Всё это позволяет программа RMAA 5.3.
Тест на динамический диапазон ещё более интересен: он показывает сигнал/шум в присутствии сигнала, запас по динамике между пиковыми значением аплитуды (full scale level) и остальным спектром (noise floor), а также способность качественно воспроизводить сигналы низкой громкости.

Обратите внимание на полное отсутствие искажений и помех в спектре сигнала! (16 бит 44 кГц, режим воспроизведения музыкальных CD)
Ну что же, несмотря на применение преобразователей Wolfson WM8731 с нерекордными на сегодняшний день паспортными показателями сигнал/шума 100 дБA, карта демонстрирует в целом отличные результаты: по чистоте спектра, низким гармоническим искажениям и отсутствии передискретизации MAYA44 MKII безусловно попадает в класс профессиональных звуковых устройств начального уровня.
Режим работы: 24 бит 44,1 кГц
| Неравномерность АЧХ (от 40 Гц до 15 кГц), дБ: | +0.06, -0.05 | Отлично |
| Уровень шума, дБ (А): | -98.9 | Отлично |
| Динамический диапазон, дБ (А): | 98.1 | Отлично |
| Нелин. искажения, %: | 0.0017 | Отлично |
| Интермод. искажения, %: | 0.0036 | Отлично |
| Взаимопроникновение каналов, дБ: | -96.4 | Отлично |
Общая оценка: Отлично (Подробный отчёт)
Режим работы: 24 бит 96 кГц
| Неравномерность АЧХ (от 40 Гц до 15 кГц), дБ: | +0.06, -0.05 | Отлично |
| Уровень шума, дБ (А): | -99.0 | Отлично |
| Динамический диапазон, дБ (А): | 98.3 | Отлично |
| Нелин. искажения, %: | 0.0019 | Отлично |
| Интермод. искажения, %: | 0.0037 | Очень хорошо |
| Взаимопроникновение каналов, дБ: | -97.3 | Отлично |
Общая оценка: Отлично (Подробный отчёт)
Итак результат, близкий к заявленным для конвертеров карты 100 дБА, мы получили лишь, естественно, в 24-битных режимах.
Дело в том, что динамический диапазон 16-битного сигнала для любых преобразователей ограничен теоретическим пределом самого формата. Помимо известной всем простой формулы 20 log 2^N, для невзвешенного сигнала есть более прямая формула рассчёта RMS-уровня шума в зависимости от числа бит, частоты дискретизации и ширины спектра, с учётом TPDF-дизеринга:
Unweighted Noise Floor = 10 log (20 kHz / (Fs/2)) + 3.01 - 6.02 * N [dB FS]
К слову, гораздо легче сгенерить тестовый файл в RMAA и проанализировать его встроенным спектроанализатором программы, получив также и A-взвешенный спектр. Так или иначе, мы увидим, что даже для исходного тестового файла значение для 16 бит 44,1 кГц составляет лишь около 96,7 дБ и 97,8 дБ А. И это для идеализированных, существующих лишь в теории конвертеров.
Линейный вход
Характеристики линейного входа приподнесли сюрприз - результаты даже чуть лучше, чем заявлено в паспорте карты! По всей видимости, производитель вытянул максимум качества из имеющегося.
| Test | 16 бит 44 кГц | 24 бит 44 кГц | 24 бит 96 кГц |
| Неравномерность АЧХ (от 40 Гц до 15 кГц), дБ: | +0.03, -0.19 | +0.03, -0.19 | +0.03, -0.31 |
| Уровень шума, дБ (А): | -90.8 | -91.9 | -91.7 |
| Динамический диапазон, дБ (А): | 90.0 | 91.0 | 89.2 |
| Нелин. искажения, %: | 0.018 | 0.017 | 0.017 |
| Интермод. искажения, %: | 0.025 | 0.025 | 0.024 |
| Взаимопроникновение каналов, дБ: | -84.4 | -84.4 | -83.6 |
| Итого: | Очень хорошо | Очень хорошо | Очень хорошо |
Характеристики в целом одинаковы во всех режимах, что говорит об индеферрентности АЦП к формату данных на выходе. Динамический диапазон и уровень искажений свидетельствует о хорошем потребительском качестве преобразователей. Это лучше, чем может дать недорогая мультимедийно-игровая карта, но, кстати, всё ещё недостаточно для студийной работы. А вот чем тестируемая карта выгодно отличается от армии игровых карт, так это наличием встроенного аналогового предусилителя ДО конверторов АЦП, а не ПОСЛЕ, в цифре, когда регулировать что-либо уже поздно. Также уникальной фичей карты является микрофонный режим входа с возможностью подачи фантомного питания +12 В для конденсаторного микрофона.
Таким образом, использование карты MAYA44 MKII в качестве интерфейса оцифровки вполне оправдано для отработки навыков у новичков, черновых работ и набросков в домашней студии, с обязательной перезаписью в дальнейшем на более качественной аппаратуре в стационарных условиях.
Цифровой выход
В качестве приёмника сигнала использовалась карта Lynx Two, которая показала на встроенном частотомере:
- отсутствие всяких передискретизаций цифрового сигнала;
- соответствие частот S/PDIF интефрейса номиналу.
Оба эти важных параметра, зачастую, является недостижимыми для мультимедийно-игровых звуковых карт. Исключение составляют карты на Envy24/HT, класса M-Audio Revolution. Впрочем стоят они немного больше, а вот для работы со звуком годятся намного меньше.
Режим работы: 16 бит 44,1 кГц
S/PDIF out test | Test signal 16/44 | Audiotrak Maya44 MKII S/PDIF out |
| Неравномерность АЧХ (от 40 Гц до 15 кГц), дБ: | +0.00, -0.00 | +0.00, -0.00 |
| Уровень шума, дБ (А): | -97.8 | -96.3 |
| Динамический диапазон, дБ (А): | 97.7 | 96.4 |
| Нелин. искажения, %: | 0.0003 | 0.0003 |
| Интермод. искажения, %: | 0.0035 | 0.0035 |
| Взаимопроникновение каналов, дБ: | -99.2 | -97.7 |
Общая оценка: Отлично (Подробный отчёт)
Что интересно: карта передаёт сигнал без намёка на ошибки и искажения от цифровых преобразований, а спектр переданного сигнала не равен спектру исходного. К счастью, изменения в цифровом сигнале настолько малы и носят судя по всем характер повторного дизеринга при микшировании аппаратных каналов внутри Envy24HT-S. Так что уменьшение динамического диапазона на 1 дБ вряд ли можно услышать на звуковой аппаратуре разумной ценовой категории.

Поддержка передачи сигнала 24 бит 96 кГц выполнена также на высочайшем уровне.
S/PDIF out test | Test signal 24/96 | Audiotrak Maya44 MKII |
| Неравномерность АЧХ (от 40 Гц до 15 кГц), дБ: | +0.00, -0.00 | +0.00, -0.00 |
| Уровень шума, дБ (А): | -151.2 | -147.8 |
| Динамический диапазон, дБ (А): | 133.3 | 133.2 |
| Нелин. искажения, %: | 0.0000 | 0.0000 |
| Интермод. искажения, %: | 0.0002 | 0.0002 |
| Взаимопроникновение каналов, дБ: | -151.2 | -146.8 |
Общая оценка: Отлично (Подробный отчёт)
И всё же Lynx Two немного превосходит по цифре Maya44, показывая -149.2 дБ в тесте уровня шума и 133.3 дБ динамического диапазона (либо это следствие более аккуратного DSP, либо пресловутый джиттер трансивера-ресивера, что, впрочем, не меняет сути дела). Показательна разница в цене между картами, составляющая более чем $1000. :) Однако не стоит забывать, что Lynx имеет встроенную термокомпенсацию и автокалибровку частоты кварца, а также дополнительные BNC-разъёмы для выдачи/приёма клокинга и LTC-сигналов, нужные для синхронизации с другим оборудованием. Карта же Maya44 MKII представляет собой сбалансированное законченное устройство, сразу готовое к работе в бюджетной студии или в каких-то выездных условиях.
DirectSound-возможности
И всё же, позиционирование в смежный класс устройств даёт пользователю определённые блага. В отличие от тех же узко-специализированных профессиональных интерфейсов, которые не обязаны работать нигде, кроме как в специализированных звуковых приложениях, Maya44 MKII, как и её предшественница, прекрасно себя чувствует в DirectSound приложениях. Это и DVD-плееры, и WMP9, и игровые приложения.
Не премяну пользуясь случаем пнуть тех. поддержку компании Lynx Studio, которая только разводит руками в ответ на запрос о некорректной работе драйверов и перезагрузке компьютера при попытке использовать карту с WinDVD 5.3 Platinum (при попытках проигрывания DVD-Audio).
Диагностика RightMark 3DSound 1.01
Device: 1-Maya44 MKII Ch12 (Mam2Wdm.sys)
Features:
Device has not enough hardware 3D buffers
Device has not enough hardware 2D buffers
EAX1: N/A
EAX2: N/A
EAX3: N/A
EAX4 Advanced HD: N/A
Rates:
dwMinSecondarySampleRate 22050
dwMaxSecondarySampleRate 192000
Free buffers stats:
dwFreeHw3DAllBuffers 0
dwFreeHw3DStaticBuffers 0
dwFreeHw3DStreamingBuffers 0
dwFreeHwMixingAllBuffers 0
dwFreeHwMixingStaticBuffers 0
dwFreeHwMixingStreamingBuffers 0
Max buffers stats:
dwMaxHwMixingAllBuffers 1
dwMaxHwMixingStaticBuffers 1
dwMaxHwMixingStreamingBuffers 1
dwMaxHw3DAllBuffers 0
dwMaxHw3DStaticBuffers 0
dwMaxHw3DStreamingBuffers 0
Misc stats:
dwFreeHwMemBytes 0
dwTotalHwMemBytes 0
dwMaxContigFreeHwMemBytes 0
dwUnlockTransferRateHwBuffers 0
dwPlayCpuOverheadSwBuffers 0
Audio transfer speed (software): 2.137 Mb/sec.
В отличие от мультимедийно-игровой карты Audiotrak Prodigy 7.1, накакой драйверно-аппаратной поддержки DirectSound на базе Sensaura мы не наблюдаем. DirectSound3D в играх реализуется посредством примитивных алгоритмов программной эмуляции от Microsoft.
Работа в Cubase SX 2
Работа в профессиональных приложениях проверялась в аудио/миди-секвенсоре Steinberg Cubase SX 2.01. Под руку как раз подвернулась реальная задача — написать под Новый Год для любимых читателей что-нибудь ненапрягающе-празничное. В качестве объекта для экзекуций была выбрана созданная в семплере Steinberg Halion композиция Григория Лядова «Flute». Так вот, сочетая приятное с полезным, за каких-то там пару часов без всяких проблем получилось написать следующую вещь:
«Flute - New Year Jungle Remix 2004»
(c) by Григорий Лядов (grigory@ixbt.com),
remixed by Максим Лядов (maxim@ixbt.com).


Карта успешно прошла проверку боем. Нареканий в работе не было. Стоит только подобрать в панели управления картой подходящий размер буфера (latency).

Отличительная черта всех карт ESI — гибкая технология роутинга сигналов между различными интерфейсами — DirectWire. Во времена отсутствия хорошего VST-семплера, читающего формат AKAI и GIG, интерфейс DirectWire был просто жизненно необходим. Однако и сейчас он может пригодиться.

Субъективное тестирование
Тестирование в музыке
При сравнительном тестировании использовались студийные мониторы Event 20/20bas, а также аудиофильский тракт из подключенного по аналогу в режиме direct ресивера Pioneer AX5i и колонок B&W 60X S3. В качестве референсного устройства использовалась звуковая карта Lynx Two.
Итак, при прослушивании на тестовом музыкальном материале с лучшими записями мы пришли к следующими выводам. Звучание тестируемой карты на удивление неплохое — весьма нейтральное, без грязи и окрашивания звука, свойственной звуковым картам с дешёвыми преобразователями. Главное отличие от референсного звучания — в отсутствии должной резкости в атаке, а также в нехватке прозрачности на верхах, и, как следствие, немного уменьшенной стереопанорамы.
Следуя тенденции подбора многими звуковой карты исключительно для качественного прослушивания музыки, мы не могли не сравнить звучание MAYA44 MKII с звучанием Audigy2 ZS.
В последнее время карты Creative (речь конечно же о Audigy2/Audigy2ZS) при всей их игровой направленности и «специфичности» внутренней архитектуры DSP EMU10K2, имеют тенденцию обзаводиться качественными преобразователями, что позволяет им весьма успешно посоревноваться с полупрофессиональным оборудованием.
Если при сравнении Audiotrak Prodigy 7.1 и Audigy2 мы отдали предпочтение с минимальным преимуществом карте Prodigy 7.1, то здесь ситуация противоположная. Карта Creative играла ощутимо детальнее, с более чёткой атакой и лучшей стереопанорамой. Чтобы ещё точнее спозиционировать относительное качество тестируемой карты, можно сказать, что MAYA44 MKII по качеству звука располагается выше всех мультимедийно-игровых звуковых карт, но ниже чем Produgy 7.1, Audigy2, Revolution 7.1, Aureon 7.1 и т. п. Вероятно, это сознательное позиционирование маркетологами ESI звуковых карт марки Audiotrak внутри линейки, чтобы продукты не пересекались по цене и функциональности: хотите лучших конверторов — покупайте ESI Waveterminal 192L по вдвое большей цене.
Конечно, различия между картами будут невелироваться с уменьшением стоимости всего звукового тракта и в определённый момент станут неразличимыми. Мы ещё раз подчёркиваем, что, к сожалению, у пользователя компьютера, желающего получить качественный звук, есть определённые проблемы с подбором акустики для PC. В данный момент мы не рекомендуем покупать дорогую миниатюрную компьютерную акустику, так как она не обладает должным качеством, соответствующим классу современных звуковых карт. Обратите лучше внимание на pro-audio мониторы ближнего поля, а за неимением таких денег — хотя бы на деревянные стереоколонки от Defender и Microlab.
Звучание в наушниках
При тестировании выхода на наушники были использованы наушники Sennheiser HD600. Кнопка HP включает воспроизведение сигнала с первого виртуального стерео-устройства на втором физическом стерео-выходе, работающем как наушниковый. Как показали тесты, карта выдаёт громкий чистый сигнал без искажений даже при максимальном уровне громкости. В кодек карты встроен коммутируемый буфер для низкоимпедансных наушников (16..32 Ом), к коим, впрочем, не относятся HD600 с импедансом 300 Ом.
Тем не менее, MAYA44 MKII имеет помимо линейного отдельный физический выход, который можно задействовать как второй линейный, так и как специальный выход на наушники. Так что, в отличие от обычных звуковух, тестируемая карта позволяет не озабачиваться проблемой перекоммутаций на задней стороне корпуса линейного выхода то для колонок, то для наушников — это, подчёркиваем, безусловный плюс. К слову, более дорогие профессиональные звуковые карты не имеют такой фичи только потому, что предусматривают обязательное использование внешнего аппаратного микшерного пульта.
Выводы
Звуковая карта MAYA44 MKII — отличное бюджетное решение из серии «всё в одном флаконе», с вполне понятным предназначением — entry level профессионального оборудования. Применение профессионального чипа Envy24HT-S и двух I2S-стереокодеков Wolfson WM8731 является примером прекрасного сбалансированного инженерного решения. Карта не ставит рекордов по интегральным параметрам качества, однако имеет полный набор фич и отличные драйвера для работы в профессиональных приложениях. А тем приверженцам марки ESI/Audiotrak, кому нехватает многоканального выхода для DVD и более качественных преобразователей для прослушивания музыки, есть повод задуматься о Audiotrak Prodigy 7.1 или даже ESI Waveterminal 192L.
Плюсы
- профессиональный чип Envy24HT-S;
- I2S-стереокодеков Wolfson WM8731;
- отличные функциональные E-WDM драйвера;
- отсутствие искажений в режиме 16 бит 44 кГц;
- превосходный цифровой S/PDIF интерфейс;
- поддержка ASIO;
- отдельный выход на наушники;
- коаксиальный и оптический цифровой выход;
- возможность расширения MIDI/SPDIF модулем ESI MI/ODI/O.
Минусы
- карта мало пригодна для высококачественного прослушивания стерео по аналогу (качество звука на слух заметно уступает Prodigy7.1, Audigy2 и т. п.);
- слишком высокая розничная цена Н/Д(0) на российском рынке.
Звуковая карта MAYA44 MKII предоставлена
на тестирование компанией Мультимедиа Клуб,
официальным представителем ESI/Audiotrak в России
