Оглавление
- Форм-фактор
- Технические характеристики
- Основная функциональность: чипсет, процессор, память
- Периферийная функциональность: PCIe-слоты, накопители, дополнительные возможности
- Периферийная функциональность: USB-порты, сетевые интерфейсы, ввод-вывод
- Аудиоподсистема
- Питание, охлаждение
- Подсветка
- Программное обеспечение под Windows
- Настройки BIOS
- Работоспособность (и возможный разгон)
- Выводы
Всю детальную информацию о семействах процессоров можно найти в нашем разделе по ним.
Процессоры Intel нового поколения Core Ultra 2xx уже начали появляться на прилавках магазинов, материнские платы на базе LGA1851 также постепенно наполняют ассортимент розничных продаж, хотя из-за не очень вразумительных результатов процессоров распространение новой платформы будет идти крайне медленно. Поэтому, как мы уже говорили не раз, платформа LGA1700 еще долго будет актуальной. К тому же материнских плат для нее выпущено очень много.
Поэтому мы еще не раз будем возвращаться к LGA1700 и чипсету Z790 в частности. В который раз хочу напомнить, что Z790 обладает в сумме 38 высокоскоростными портами (High Speed In Out, HSIO), поддерживает до 5х интегрированных USB 3.2 Gen2x2 (до 20 Gb/s) портов (правда каждый из них требует поддержки со стороны двух USB 3.2 Gen2, неважно, от самого Z790 или сторонних хабов).
Мы помним, что процессоры 12го,13го и 14го поколений имеют поддержку PCIe 5.0 в виде 16 линий (расходуемые на слоты PCIe x16/М.2), плюс 4 линии PCIe 4.0, жестко идущие на один из М.2 слотов, получающий данные напрямую от процессора. Эти поколения процессоров могут работать как с DDR5, так и с DDR4.
Теперь подойдем к производителю нынешнего героя материала. Многие пользователи знают, что у компании MSI имеется три основных сегмента игровых материнских плат: MEG (MSI Enthusiast Gaming — все по максимуму: производительность, дизайн, набор периферии, инструменты оверклокинга и т.д.), MPG (MSI Performance Gaming — акцент на производительности, системе питания, наборе периферии) и MAG (MSI Arsenal Gaming — без излишеств, акцент на простоту подключений и монтажа, строгий дизайн, приемлемый набор периферии).
Герой нынешнего обзора — MSI Z790 Gaming Plus WiFi. Она не вошла ни в одну из вышеперечисленных игровых линеек, хотя, судя по названию, также относится к игровым продуктам. Видимо, маркетологи сломали голову, думая, куда же «стопятисотый» продукт на Z790 воткнуть?.. И так и не выбрали... Кстати, судя по наклейке с названием платы, она получена перемаркировкой какого-то ранее выпущенного продукта.
Тем не менее, матплата сама по себе интересная, относится к среднебюджетному сегменту (даже наверно ближе к бюджетным).
MSI Z790 Gaming Plus WiFi поставляется в обычной стандартной коробке. Комплект размещен под платой в отдельном отсеке.
Комплект поставки весьма прост и сразу видно, что создавался весьма давно: об этом говорит наличие CD-диска с ПО, которых уже давно нет в комплектах поставок (из-за неактуальности таких носителей). Итак, кроме традиционных элементов типа краткого руководства пользователя и кабелей SATA, имеются антенна встроенного Wi-Fi-модуля, дополнительные крепежи для М.2 слотов, бонусные стикеры.
«Заглушка» на заднюю панель с разъемами уже смонтирована на самой плате.
Форм-фактор
Форм-фактор ATX имеет размеры до 305×244 мм, а E-ATX — до 305×330 мм. Материнская плата MSI Z790 Gaming Plus WiFi имеет размеры 305×244 мм, поэтому выполнена в форм-факторе ATX, и на ней имеются 9 монтажных отверстий для установки в корпус.
Оборотная сторона — почти пустая, там расположены некоторые элементы логики. Текстолит обработан хорошо: во всех точках пайки не только острые концы срезаны, но и все неплохо отшлифовано.
По традиции у всех плат от MSI на оборотной стороне обозначены места, где могут оставаться ненужные в данный момент крепежные стойки, на которые обычно ложится матплата в корпусе, и к которым ее прикручивают. Эти места отмечены белой краской, и нарочно в них нет никаких электропроводных элементов, чтобы в случае установки матплаты не было случайных замыканий или повреждений от лишней крепежной втулки.
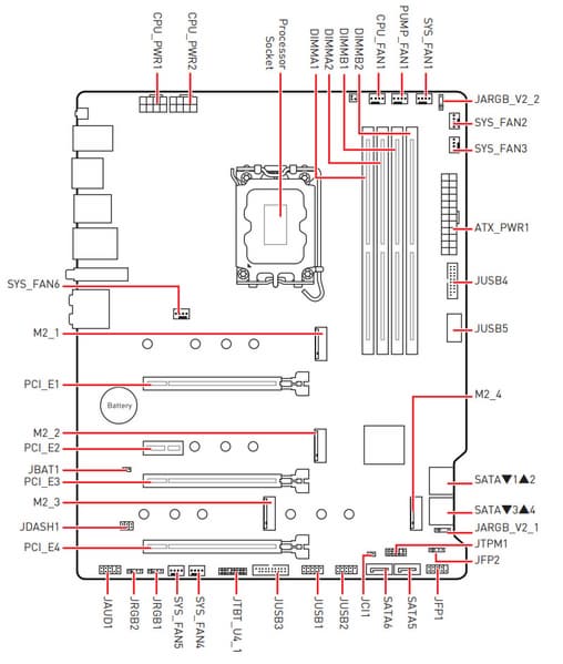
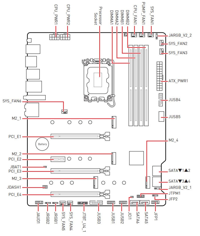
Технические характеристики
Традиционная таблица с перечнем функциональных особенностей.
| Поддерживаемые процессоры | Intel Core 12/13/14-го поколений |
|---|---|
| Процессорный разъем | LGA 1700 |
| Чипсет | Intel Z790 |
| Память | 4 × DDR5, до 7200 МТ/с (XMP), до 256 ГБ, два канала |
| Аудиоподсистема | 1 × Realtek RTL897 (7.1) |
| Сетевые контроллеры | 1 × Intel I225-V Ethernet 2,5 Гбит/с 1 × Intel AX211 Dual Band Wireless (Wi-Fi6E 802.11a/b/g/n/ac/ax (2,4/6 ГГц) + Bluetooth 5.3) |
| Слоты расширения | 1 × PCIe 5.0 x16 (режим x16) 1 × PCIe 4.0 x16 (режим x4) 1 × PCIe 3.0 x16 (режим x1) 1 × PCIe 3.0 x1 (режим x1) |
| Разъемы для накопителей | 6 × SATA 6 Гбит/с (Z790) 1 × M.2 (M.2_1,CPU, PCIe 4.0 x4 для устройств формата 2242/2260/2280/22110) 1 × M.2 (M.2_2,Z790, PCIe 4.0 x4 для устройств формата 2242/2260/2280) 1 × M.2 (M.2_3,Z790, PCIe 4.0 x4/SATA для устройств формата 2242/2260/2280) 1 × M.2 (M.2_4,Z790, PCIe 4.0 x4/SATA для устройств формата 2242/2260/2280) |
| USB-порты | 4 × USB 2.0: 2 внутренних разъема на 4 порта (GL850G) 4 × USB 2.0: 4 порта Type-A (черные) (GL850G) 2 × USB 3.2 Gen1: 4 порта Type-A (синие) (Z790) 4 × USB 3.2 Gen1: 2 внутренних разъема на 4 порта (Z790) 1 × USB 3.2 Gen2x2: 1 порт Type-C (Z790) 1 × USB 3.2 Gen2: 1 порт Type-A (красный) (Z790) 1 × USB 3.2 Gen2: 1 внутренний разъем Type-C (Z790) |
| Разъемы на задней панели | 1 × USB 3.2 Gen2x2 (Type-C) 1 × USB 3.2 Gen2 (Type-C) 1 × USB 3.2 Gen2 (Type-A) 2 × USB 3.2 Gen1 (Type-A) 4 × USB 2.0 (Type-A) 1 × RJ-45 6 аудиоразъемов типа миниджек 1 универсальный разъем PS/2 2 антенных разъема 1 разъем HDMI out 1 разъем Display Port out кнопка перепрошивки BIOS — Flash BIOS |
| Прочие внутренние элементы | 24-контактный разъем питания ATX 2 8-контактный разъем питания EPS12V 1 слот M.2 (E-key), занят адаптером беспроводных сетей 1 разъем для подключения порта USB 3.2 Gen2 Type-C 2 разъема для подключения 4 портов USB 3.2 Gen1 2 разъема 4 портов USB 2.0 8 разъемов для подключения 4-контактных вентиляторов и помп ЖСО 3 разъема для подключения адаптеров подсветки (1 разъем неадресуемой RGB-ленты, 2 разъема адресуемой ARGB-ленты) 1 разъем для дискретной карты Intel Thunderbolt 1 разъем для TPM 2 разъема для подключения адаптера управления с передней панели корпуса 1 разъем сброса CMOS 1 разъем для Tuning Controller |
| Форм-фактор | ATX (305×244 мм) |
| Розничные предложения |
Основная функциональность: чипсет, процессор, память
Схема работы связки чипсет+процессор.
Формально имеется поддержка памяти DDR5 до 5600 МГц, однако всем хорошо известно, и производители материнских плат это активно рекламируют: через XMP-профили сейчас можно использовать модули с ПСП до 8000 и выше МТ/с. В частности данная плата поддерживает ПСП до 7200 МТ/с.
Процессоры Intel Core 14/13/12-го поколений (совместимые с сокетом LGA1700 и поддерживаемые Z790) имеют 20 линий ввода-вывода (16 PCIe 5.0, 4 PCIe 4.0), не имеют USB и SATA портов. При этом взаимодействие с Z790 идет по особому каналу Digital Media Interface 4.0 (DMI 4.0 x8). Все PCIe линии процессора идут на слоты расширения PCIe и порт М.2. Serial Peripheral Interface (SPI) используется для взаимодействия с системой UEFI/BIOS, а шина Low Pin Count (LPC) — для связи с устройствами ввода/вывода, не требующими высокой пропускной способности (контроллерами вентиляторов, TPM, старой периферии).
В свою очередь чипсет Z790 поддерживает в сумме 38 линий ввода/вывода, которые распределяться могут так:
- до 14 портов USB (из которых до 5 портов USB 3.2 Gen2х2, 10 портов USB 3.2 Gen2, до 10 портов USB 3.2 Gen1, до 14 портов USB 2.0, линии USB 2.0 используются в том числе и для поддержки 3.2 портов, а каждый порт USB 3.2 Gen2х2 требует поддержки со стороны двух USB 3.2 Gen2);
- до 8 портов SATA 6Гбит/с;
- до 28 линий PCIe (8 версии 3.0 и 20 версии 4.0).
MSI Z790 Gaming Plus WiFi поддерживает процессоры Intel Core 12/13/14-го поколений, выполненные под разъем (сокет) LGA1700.
Для установки модулей памяти на плате MSI имеется четыре DIMM-слота (для работы памяти в Dual Channel в случае использования всего 2 модулей их следует устанавливать в А2 и B2. Плата поддерживает небуферизованную память DDR5 (non-EСС), а максимальный объем памяти составляет 256 ГБ. Поддерживаются профили XMP.
Периферийная функциональность: PCIe-слоты, накопители, дополнительные возможности
Выше мы изучили потенциальные возможности тандема Z790+Core, а теперь посмотрим, что из этого и как реализовано в данной материнской плате.
Кроме USB-портов, к которым мы подойдем позже, чипсет Z790 обладает 28 PCIe линиями. Считаем, сколько линий уходит на поддержку (связь) с тем или иным элементом (надо учитывать, что 28 линий не единой версии, а 20 линий PCIe 4.0 и 8 линий PCIe 3.0):
- Слот PCIe x16_3 (PCI_E4) (1 линия PCIe 3.0);
- Слот PCIe x16_2 (PCI_E3) (4 линии PCIe 4.0);
- Слот PCIe x1 (PCI_E2) (1 линия PCIe 3.0);
- порты SATA_1,2,3,4,5,6: 6 линии PCIe 3.0;
- Слот M.2_2 (4 линии PCIe 4.0);
- Слот M.2_3 (4 линии PCIe 4.0);
- Слот M.2_4 (4 линии PCIe 4.0);
- Intel i225-V (Ethernet 2,5Gb/s) (1 линия PCIe 4.0);
- Intel AX211 WIFI/BT (Wireless) (1 линия PCIe 4.0)
26 линий PCIe оказались занятыми (18 PCIe 4.0 + 8 PCIe 3.0). В случае использования современных аудиокодеков связь между ними и Z790 идет через USB-порт, но в нашем случае имеем дело с устаревшим кодеком ALC897, поэтому связь с ним идет через HDA (USB-линии не расходуются). Также один USB 2.0 расходуется на поддержку BT (при наличии слота M.2 (key E) и контроллеры GL850G для своих нужд использует сигнальные линии USB 2.0 Детально об этом ниже в разделе USB-портов.
Теперь посмотрим выше на то, как работают процессоры в данной конфигурации. У CPU 14/12/13-го поколений всего 20 линий PCIe, 4 из них версии PCIe 4.0 отведены на порт М.2 (M.2_1). Оставшиеся 16 линий PCIe 5.0 идут на слот PCIe x16_1 (PCI_E1), поэтому деления ресурсов в данном случае нет.
Теперь в целом про слоты PCIe.
Всего на плате есть 4 слота: слот PCIe x16_1 (PCI_E1) (для видеокарт или других устройств), слот PCIe x16_2 (PCI_E3, фактически имеющий 4 линии), слот PCIe x16_3 (PCI_E4, фактически имеющий 1 линию), и один PCIe_x1 (PCI_E2). Если про первый PCIe x16 я выше уже рассказал (он подключен к CPU), то с остальным — весьма интересно.
Дело в том, что четвертый слот (самый нижний, он получает данные от Z790) PCI_E4 имеет не только длинный форм-фактор x16, но и физически подведенные к нему 4 линии PCIe. То есть по идее, это такой же слот, как и вышерасположенный. Очевидно, что на матплате, которая легла в основу данной модели, PCI_E4 реально использует 4 линии PCIe, и скорее всего, версии 4.0. Я долго изучал спецификации от производителя (полагая, что может быть ошибка в руководстве пользователя или внутренних блок-схемах), однако мне пришлось согласиться с тем, что при наличии физических 4х линии PCIe на слот подается в реальности только 1 линия PCIe 3.0.
К тому же, выше я показал, что уже 26 линий PCIe из 28 возможных распределены. Осталось лишь 2 линии, которых явно не хватит, чтобы превратить слот уровня PCIe x1 в PCIe x4 (нужно еще три линии). А значит придется устраивать деление ресурсов (одновременно могут работать или один какой-то слот/порт, или другой). Опять же у производителя нигде не сказано ничего про деление ресурсов.
Остальные 2 слота также получают данные от Z790, являются обычными PCIe 4.0 x4 (несмотря на форм-фактор х16) и PCIe 3.0 x1.
Первый слот PCIe x16 имеет металлическое армирование из нержавеющей стали, которое увеличивает надежность. Кроме того, такая защита предохраняет слот от электромагнитных помех.
Матплата позволяет смонтировать СО любого размера.
На очереди — накопители.
Всего у платы 6 разъемов Serial ATA 6 Гбит/с + 4 слота для накопителей в форм-факторе M.2. Порты SATA реализованы через чипсет Z790 и поддерживают создание RAID. Деления ресурсов нет. Хотя на плате имеется мультиплексор ASMedia ASM2480, и как-то видно, что матплата, на основе которой реализована данная модель, имела деление ресурсов: или порт SATA 3 (или 4), или слот M.2_3. Как раз мы вернулись к теме слотов расширения и почему у слота PCI-E4 всего 1 линия PCIe 3.0 — наличие мультиплексора еще раз косвенно доказывает, что на предыдущей модели (взятой в основу данной) все же PCI_E4 имел полноценные 4 линии PCIe, а дефицит линий компенсировался данным делением ресурсов между SATA/M.2. Но так или иначе, у текущей модели никакого деления ресурсов нет.
Материнская плата имеет 4 гнезда форм-фактора М.2.
Второй, третий и четвертый слоты M.2 получают данные от чипсета Z790, при этом все они поддерживают PCIe 4.0. Про первый M.2_1 я уже выше писал: он получает данные от CPU (PCIe 4.0). При этом М.2_3 и M.2_4 поддерживают модули с любым интерфейсом, а все остальные работают с модулями только с PCIe интерфейсом.
Все слоты М.2 поддерживают размеры модулей 2242/2260/2280, а М.2_1 также позволяет установить накопители размером до 22110. На всех M.2 можно организовать RAID.
Все M.2 слоты имеют радиаторы. M.2_1 и M.2_2 обладают отдельными радиаторами, когда как остальные слоты M.2 имеют общий радиатор.
Периферийная функциональность: USB-порты, сетевые интерфейсы, ввод-вывод
Теперь на очереди USB-порты и прочие вводы-выводы. И начнем с задней панели, куда выведены большинство из них.
Повторим: чипсет Z790 способен реализовать не более 14 портов USB, из которых может быть до 10 портов USB 3.2 Gen1, до 10 портов USB 3.2 Gen2, до 5 портов USB 3.2 Gen2x2, и/или до 14 портов USB 2.0.
Также мы помним и про 28 линий PCIe, которые идут на поддержку накопителей, сетевых и иных контроллеров (я выше уже показал на что и как расходуются 26 линий из 28).
И что мы имеем? Всего на материнской плате — 17 портов USB:
- 1 порт USB 3.2 Gen2x2: реализован с помощью 2 линий USB 3.2 Gen2 от Z790 и представлен: портом Type-C на задней панели;
- 2 порта USB 3.2 Gen2: все реализованы через Z790 и один представлен на задней панели портом Type-A (красного цвета); второй — внутренним портом Type-C (для подключения к соответствующему разъему на передней панели корпуса)
- 6 портов USB 3.2 Gen1: все реализованы через Z790 и 4 представлены двумя внутренними разъемами на материнской плате (каждый на 2 порта); еще 2 представлены на задней панели 2 портами Type-A (синего цвета);
- 8 портов USB 2.0/1.1: 4 реализованы через контроллер Genesys Logic GL850G (на него потрачена 1 линия USB 2.0 от Z790) и представлены двумя внутренними разъемами на материнской плате (каждый на 2 порта); остальные 4 реализованы через второй контроллер Genesys Logic GL850G (на него потрачена 1 линия USB 2.0 от Z790) и представлены на задней панели 4 портами Type-A (черного цвета).
Таким образом, у нас 4 контроллера используют USB 2.0 линии от Z790:
- Genesys Logic GL850G (4 USB 2.0 — 2 внутренних разъема) (1 линия USB 2.0);
- Genesys Logic GL850G (4 USB 2.0 — 4 порта на задней панели) (1 линия USB 2.0);
- Nuvoton NUC126 (контроллер подсветки) (1 линия USB 2.0);
- Bluetooth (AX211) (1 линия USB 2.0).
В целом через чипсет Z790 реализовано высокоскоростных портов USB:
- 2 выделенных USB 3.2 Gen2x2 (не в счет, ибо получены засчет других HSIO);
- + 2 выделенных USB 3.2 Gen2
- + 2 USB 3.2 Gen2 на поддержку USB 3.2 Gen2x2
- + 6 выделенных USB 3.2 Gen1
= 10 высокоскоростных портов. Не забываем, что каждый высокоскоростной порт USB обеспечен портом USB 2.0, то есть уже 10 портов USB 2.0 также занято. Плюс 4 порта USB 2.0 на обеспечение контроллеров. Всего 14 USB портов реализовано.
Ну и 26 линий PCIe, выделенных на поддержку иной периферии.
Итого у Z790 в данном случае реализовано 36 высокоскоростных портов из 38.
Все быстрые USB порты Type-C оснащены ре-драйверами от Diodes Inc, Genesys Logic и ITE, дающими устойчивый вольтаж, способный обеспечить быструю зарядку мобильных гаджетов через них.
Теперь о сетевых делах.
Материнская плата оснащена средствами связи хорошо. Имеется скоростной Ethernet-контроллер Intel i225-V, способный работать по стандарту 2,5 Гбит/с.
Имеется и комплексный беспроводной адаптер на контроллере Intel AX211, через который реализованы Wi-Fi 6E (802.11a/b/g/n/ac/ax, 2,4/6 ГГц) и Bluetooth 5.3. Он установлен в слот M.2 (E-key), и его разъемы для привинчивания выносных антенн выведены на заднюю панель.
Заглушка, традиционно надеваемая на заднюю панель, в данном случае уже надета, и изнутри экранирована для снижения электромагнитных помех.
Аудиоподсистема
В данном матплате используется устаревший аудиокодек Realtek ALC897, обеспечивающий вывод звука по схемам до 7.1 с разрешением до 24 бит / 192 кГц.
В тракте нет ни операционного усилителя, ни ЦАП.
В аудиоцепях платы применяются «аудиофильские» конденсаторы Nichicon Fine Gold.
Аудиотракт вынесен на угловую часть платы, не пересекается с другими элементами. Все аудиоразъемы на задней панели имеют привычную цветовую окраску.
Питание, охлаждение
Для питания платы на ней предусмотрены 3 разъема: в дополнение к 24-контактному ATX (он на правой стороне платы (на фото — слева) здесь есть еще два 8-контактных EPS12V.
Схема питания процессора выполнена по схеме 14+1+1 (всего 16 фаз, 14 на VCore, 1 на iGPU и 1 на VCCIO).
Каждый канал фазы VCore и iGPU (15 фаз) имеет суперферритовый дроссель и AOZ5016QI MOSFET от Alpha&Omega на 55 А.
Управляет схемой питания VCore и iGPU ШИМ-контроллер RT3628 от Richtek, рассчитанный максимум на 8 фаз. Удвоителей фаз не найдено, так что очевидна параллельная схема: 14 фаз VCore физически превращаются в 7, плюс 1 фаза питания iGPU: 7x2+1 = 15 фаз.
Фаза питания VCCIO набрана полевыми МОП-транзисторами NTMFS4C024/4C029 от On Semi (78 A).
У нее имеется свой ШИМ-контроллер RT8237 от Richtek (под ОЕМ-маркировкой)
Теперь про охлаждение.
Все потенциально сильно греющиеся элементы имеют свои собственные радиаторы.
Как мы видим, охлаждение чипсета (один радиатор) организовано отдельно от силовых преобразователей. VRM-секция имеет свои два раздельных радиатора.
Как я уже упоминал ранее, M.2 слоты также имеют радиаторы: у двух — свои персональные радиаторы, у М.2_4 и М.2_3 общий радиатор.
Подсветка
Программное обеспечение под Windows
Настройки BIOS
Работоспособность (и возможный разгон)
Запускаем все в режиме по умолчанию (то есть профиль от Intel, и MCE отключена). Затем нагружаем тестами.
В режиме авторазгона мы получили 5.1 ГГц по всем P-ядрам, и 4.1 ГГц по всем Е-ядрам. Напомню, что Р-ядра — это обычные всем привычные ядра, имеющие по 2 потока каждый, «Р» — означает Performance, то есть производительные. «Е» — это энергоэффективные ядра, так называемые, малые ядра, у них по 1 потоку. В целом мы видим, что авторазгон лимитирован настройками от Intel (а также система питания у данной платы не самая мощная). Все остальные параметры системы по нагреву компонентов были в норме. И стоит отметить, что потребление CPU даже в этом случае вышло за 200 Вт.
А теперь мы включим профиль Extreme от MSI, при этом технология MCE активна.
И сразу видим, что авторазгон (5,7 / 4,4 ГГц) резко вырос. При этом потребление процессора выросло также внушительно: до 275 Вт.
В принципе, матплата эта — не оверклокерская, поэтому и авторазгона такого более чем достаточно, и стресс-тесты прошли без проблем и перегрева.
Выводы
Материнская плата MSI Z790 Gaming Plus WiFi предназначена для сборки игрового ПК среднебюджетного уровня и имеет все необходимые возможности для реализации потенциала даже топовых процессоров 12/13/14-го поколений Intel Core.
У платы 17 USB-портов, включая 2 очень быстрых USB 3.2 Gen2 и 1 USB 3.2 Gen2×2. Есть 3 слота PCIe х16, один из которых подключен к процессору 16 линиями PCIe, причем версии 5.0, а другие два подключены к чипсету и работают в режиме х4/x1. Имеется и один слот PCIe x1. Также у платы 4 слота M.2: один из них подключен напрямую к процессору, 3 других подключены к чипсету Z790 линиями PCIe 4.0.
Еще у этой модели 6 портов SATA и 8 разъемов для вентиляторов. Хотя плата не относится к топовым сериям MEG/MPG, система питания процессора у нее достаточно мощная, способная обеспечить работу любых совместимых процессоров с некоторым запасом на разгон. Также мы видим грамотную систему охлаждения каждого потенциально греющегося элемента, включая накопители в слотах M.2. Сетевые возможности хорошие: быстрый проводной контроллер 2,5 Гбит/с, а также современный беспроводной Wi-Fi 6E + Bluetooth 5.3. В числе плюсов платы можно упомянуть возможности для подключения RGB-устройств подсветки, а также стильный черный дизайн с белыми рисунками.

В заключение предлагаем посмотреть наш видеообзор материнской платы MSI Z790 Gaming Plus WiFi:






































































































