Оглавление
- Форм-фактор
- Технические характеристики
- Основная функциональность: чипсет, процессор, память
- Периферийная функциональность: PCI-E, SATA, разные «прибамбасы»
- Периферийная функциональность: USB-порты, сетевые интерфейсы, ввод-вывод
- Аудиоподсистема
- Питание, охлаждение
- Подсветка
- Программное обеспечение под Windows
- Настройки BIOS
- Разгон
- Выводы
Приступаем к следующему материалу по очередной материнской плате на базе нового системного чипсета AMD — X570. Как я уже ранее говорил, компания MSI любит не только красивые названия, но и очень длинные... На сей раз в нашей лаборатории побывало устройство, имеющее в названии Gaming Pro Carbon WiFi. Я представил себе целую лабораторию где-то там на крыше здания MSI в гуще субтропического сада, сотрудники которой временами смотрят в небо и придумывают очередные эпитеты для вставки в названия. Ну почему только Gaming Pro Carbon? — Лучше бы Gaming Pro Super Silver Carbon Turbo WiFi Bluetooth The Great... Полкоробки занять только одним названием, а торговцы сошли бы с ума, вставляя ЭТО в ценники. :) При этом плата-то вовсе не топовая. В серию MPG (MSI Performance Gaming) входят продукты, так скажем, без продвинутых «фишек» (в отличии от серии MEG — MSI Enthusiast Gaming). Поэтому это просто одна из рядовых «лошадок» на новом чипсете. Но, видимо, у компании MSI — чем проще плата, тем длиннее название. Не зря же самая топовая материнка у них называется просто Godlike (и так всем понятно, что круче нет!).
Цены на MSI MPG X570 Gaming Pro Carbon WiFi находятся в районе 20 тысяч (на момент подготовки обзора). Разумеется, это очень дорого для платы среднего сегмента, да и имеется по схожей цене материнская плата MSI MEG X570 Ace, которую я уже изучал, и она явно на ступень выше.
Тем не менее, цены на новинки в области IT всегда бывают странными и запутанными, поэтому просто надо подождать окончательной стабилизации в этом плане. Ведь данная материнка только-только появилась на рынке. А материал будет интересен исследованием, чем же хороша очередная плата без особых «наворотов» (кроме названия), претендующая на более высокий спрос, нежели топовые аналоги.
Итак, сегодня у нас на тестах MSI MPG X570 Gaming Pro Carbon WiFi.
MSI MPG X570 Gaming Pro Carbon WiFi поставляется в большой, но обычной коробке без излишеств. Учитывая любовь MSI к слову Lighting, уже нет удивления, что новую быструю шину PCI-E v.4.0 в части работы с накопителями M.2 (PCI-E интерфейс) в компании назвали по-своему Lighting Gen 4.
Внутри бокса имеются два отсека: для материнской платы, и для комплекта.
Комплект поставки, кроме традиционных элементов типа руководства пользователя, диска и кабелей SATA (что уже много лет является обязательным набором ко всем материнкам), есть выносная антенна с подставкой для беспроводных соединений, разветвители для подключения подсветки, винтики для монтажа модулей M.2, бонусные стикеры и наклейки. Весь комплект (кроме бумажек) помещен в фирменный тканевый мешок.
Стоит отметить, что «заглушка» на заднюю панель с разъемами уже смонтирована на самой плате.
Форм-фактор
Материнская плата MSI MPG X570 Gaming Pro Carbon WiFi выполнена в форм-факторе ATX, имеет размеры 305×244 мм и 9 монтажных отверстий для установки в корпус.
На оборотной стороне мало элементов, там размещены удвоители фаз питания и иная мелкая логика. Обработан текстолит хорошо: во всех точках пайки острые концы срезаны. Серые «капли» на текстолите означают, что на несущей плате корпуса в этом месте могут быть втулки крепления, то есть перед монтажом материнки следует убедиться, что втулки из этих мест удалены.
Технические характеристики
Традиционная таблица с перечнем функциональных особенностей.
| Поддерживаемые процессоры | AMD Ryzen 2-го и 3-го поколений |
|---|---|
| Процессорный разъем | AM4 |
| Чипсет | AMD X570 |
| Память | 4 × DDR4, до 128 ГБ, до DDR4-4600, два канала |
| Аудиоподсистема | 1 × Realtek ALC1220 (7.1) |
| Сетевые контроллеры | 1 × Intel WGI211AT (Ethernet 1 Гбит/с) 1 × Intel Dual Band Wireless AX200NGW (Wi-Fi 6: 802.11a/b/g/n/ac/ax (2,4/5 ГГц) + Bluetooth 5.0) |
| Слоты расширения | 2 × PCI Express 4.0/3.0 x16 (режимы x16, x16+x4 (CrossFire)) 2 × PCI Express 4.0/3.0 x1 |
| Разъемы для накопителей | 6 × SATA 6 Гбит/с (X570) 1 × M.2 (X570, PCI-E 4.0/3.0 x4/SATA 6 Гбит/с для устройств формата 2242/2260/2280/22110) 1 × M.2 (CPU, PCI-E 4.0/3.0 x4 для устройств формата 2242/2260/2280) |
| USB-порты | 2 × USB 3.2 Gen2: 2 порта Type-A (темно-красные справа) на задней панели (X570) 6 × USB 2.0: 2 порта Type-A (черные) на задней панели + 2 внутренних разъема на 4 порта (X570) 4 × USB 3.2 Gen1: 2 внутренних разъема, каждый на 2 порта (X570) 2 × USB 3.2 Gen1: 2 порта Type-A (темно-красные слева) на задней панели (CPU) 2 × USB 3.2 Gen2: 1 порт Type-C + 1 порт Type-A (красный) на задней панели (CPU Ryzen 3000) или 2 × USB 3.2 Gen1: 1 порт Type-C + 1 порт Type-A (красный) на задней панели (CPU Ryzen 2xxx) |
| Разъемы на задней панели | 1 × USB 3.2 Gen2/1 (Type-C) 1 × USB 3.2 Gen2/1 (Type-A) 2 × USB 3.2 Gen2 (Type-A) 2 × USB 3.2 Gen1 (Type-A) 2 × USB 2.0 (Type-A) 1 × RJ-45 1 × HDMI 1.4 5 аудиоразъемов типа миниджек 1 × S/PDIF (оптический, выход) 2 антенных разъема 1 комбинированный разъем PS/2 кнопка перепрошивки BIOS — FlashBIOS |
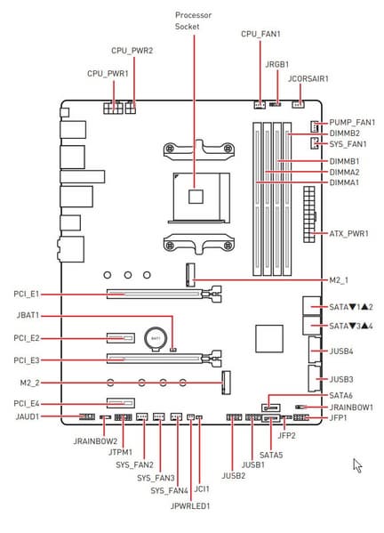
| Прочие внутренние элементы | 24-контактный разъем питания ATX 1 8-контактный разъем питания ATX12V 1 4-контактный разъем питания ATX12V 1 слот M.2 (E-key), занят адаптером беспроводных сетей 2 разъема для подключения 4 портов USB 3.2 Gen1 2 разъема для подключения 4 портов USB 2.0 6 разъемов для подключения 4-контактных вентиляторов (поддержка помп ЖСО) 1 разъем для подключения неадресуемой RGB-ленты 2 разъема для подключения адресуемой ARGB-ленты 1 разъем для подключения RGB-подсветки от Corsair 1 разъем аудио для передней панели корпуса 1 разъем TPM 2 разъема для подключения управления с передней панели корпуса 1 перемычка сброса CMOS 1 разъем сигнала открытого корпуса системного блока |
| Форм-фактор | ATX (305×244 мм) |
| Розничные предложения |
Основная функциональность: чипсет, процессор, память


Плата относится к среднему ценовому сегменту, а по набору портов USB смотрится не хуже топовых моделей. Вот набор слотов PCI-E более скудный, нежели у топовых материнских плат.
Переходим к деталям. Как обычно, начнем с чипсета X570 и его взаимодействия с процессором.
Главное отличие тандемов AMD от Intel (если мы говорим об общепользовательском рынке десктопов) в том, что если у Intel баланс поддержки портов/линий как-то смещен в сторону системного чипсета, то у AMD примерный паритет, а по PCI-E линиям CPU Ryzen покруче.
Процессоры Ryzen 3000 поддерживают 4 порта USB 3,2 Gen2, 24 линии ввода-вывода (включая PCI-E 4.0), но 4 линии из них идут на взаимодействие с X570, еще 16 линий — это PCI-E слоты для видеокарт. Осталось 4 линии: они могут конфигурироваться производителями материнских плат на выбор (либо-либо):
- работа одного NVMe-накопителя х4 (высокоскоростной PCI-E 4.0)
- два SATA-порта по х1 + 1 порт NVMe x2
- два порта NVMe x2
В свою очередь чипсет X570 поддерживает 8 портов USB 3.2 Gen2, 4 порта USB 2.0, 4 порта SATA и 20 линий ввода-вывода, из которых опять же 4 нужны для связи с CPU (суммарный линк х8). Остальные линии могут свободно конфигурироваться.
Таким образом в сумме от тандема X570+Ryzen 3000 мы получаем:
- 16 PCI-E 4.0 линий для видеокарт (от процессора);
- 12 портов USB 3.2 Gen2 (4 от процессора, 8 от чипсета);
- 4 порта USB 2.0 (от чипсета);
- 4 порта SATA 6Гбит/с (от чипсета)
- 20 PCI-E 4.0 линий (4 от процессора + 16 от чипсета), которые могут образовывать разные варианты комбинаций портов и слотов (в зависимости от производителя материнских плат).
Стоит напомнить, что MSI MPG X570 Gaming Pro Carbon WiFi поддерживает процессоры AMD Ryzen 2-го и 3-го поколений, выполненные под разъем (сокет) AM4.
Для установки модулей памяти на плате MSI имеется четыре DIMM-слота (для работы памяти в Dual Channel в случае использования всего 2 модулей их следует устанавливать в А2 и B2). Плата поддерживает небуферизованную память DDR4 (non-EСС), а максимальный объем памяти составляет 128 ГБ (при использовании UDIMM последнего поколения по 32 ГБ). Разумеется, поддерживаются профили XMP.
В отличии от сегмента MEG, в данном (MPG) сегменте продуктов MSI слоты DIMM не имеют таких бонусов, как защита Steel Armor, улучшенная электроизоляция. Однако все равно имеются дополнительные точки заземления и защита от перегрузки по току.
Напомним, что компания MSI создала «Драконий альянс» (Dragon Alliance), куда пригласила многих ведущих производителей памяти для ПК, и сотрудники MSI имеют возможность тщательно работать с каждой серией продуктов в рамках проекта DDR4 Boost 2, поэтому UEFI/BIOS материнских плат MSI легко распознают память ведущих производителей, выставляя по умолчанию оптимальные параметры работы, ускоряя память, а не просто берут привычную информацию из SPD.
Периферийная функциональность: PCI-E, SATA, разные «прибамбасы»
Выше мы изучили потенциальные возможности тандема X570+Ryzen 3000, а теперь посмотрим, что из этого и как реализовано в данной материнской плате.

Начнем со слотов PCI-E.
На плате есть 4 слота: 2 PCI-E x16 (для видеокарт или других устройств) и 2 PCI-E x1.
У процессора есть 16 линий PCI-E 4.0, они идут только на верхний слот PCI-E x16, нижний (третий по счету) получает 4 линии от системного чипсета. Вот так выглядит схема распределения:
То есть оба слота PCI-E x16 работают без возможности переключения линий PCI-E. Одиночная карта всегда получит 16 линий PCI-E, а если установить две видеокарты, объединив их в AMD CrossFire, то у нас будет х16+х4. Как можно понять, поэтому Nvidia SLI работать в таких условиях не будет. Собственно, второй слот PCI-Ex16 (по общему счету — третий) всегда получает х4 от X570 (работает независимо от наличия/отсутствия видеокарт в первых двух). Сильно ли это снижение количества линий на второй слот PCI-E x16 ударит по производительности в целом? — да, поэтому целесообразность установки в такую систему одновременно двух видеокарт находится под большим вопросом.
Еще раз напомню, что распределения линий PCI-E между слотами в случае использования более одной видеокарты нет, поэтому и мультиплексоров нет.
Если слоты под память лишены армирования, то слоты PCI-E x16 имеют металлические «кожухи» и дополнительные точки пайки согласно той же технологии Steel Armor: это призвано увеличить срок службы слотов (заявлено, что эта технология усиливает защиту на излом в 2 раза, и более чем в 4 раза усилена защита слота на выдергивание карт из него). Кроме того, такая защита предохраняет слоты от электромагнитных помех.
Следует особо отметить, что и у данной материнки первый PCI-E слот расположен относительно далеко от сокета, что позволяет легко смонтировать СО любого уровня и класса. Стоит отметить, что первый после PCI-Ex16 слот PCI-Ex1 (второй по общему счету) может быть будет недоступен, если используется видеокарта шириной более, чем 2 слота. Собственно, учитывая, что имеется два PCI-E x1, этот факт минусом не является: при надобности карту расширения можно установить в последний слот.
Идем дальше. На очереди — накопители.
Всего у платы 6 разъема Serial ATA 6 Гбит/с + 2 слота для накопителей в форм-факторе M.2. (Еще один слот M.2, спрятанный под кожухом блока разъемов задней панели, занят контроллером беспроводных сетей Wi-Fi/Bluetooth.)
4 порта SATA600 реализованы через чипсет X570, а еще два — через дополнительный контроллер ASM1061 от ASMedia.
Слоты M.2 поддерживают все современные типы накопителей этого форм-фактора, с интерфейсами PCI-E и SATA.
Самые длинные M.2-модули (22100) можно устанавливать только в нижний слот. Верхний слот M.2 поддерживает модули только до 2280.
Стоит особо отметить, что верхний слот M.2_1 поддерживает накопители только с интерфейсом PCI-E (в случае использования Ryzen 3000 будет поддержка PCI-E 4.0 — этот слот обслуживается процессором), а нижний M.2_2 поддерживает все виды накопителей (SATA и PCI-E) и обслуживается Х570.
Портов ввода-вывода у чипсета с процессором на всех хватает, поэтому надобности делить аппаратные ресурсы между устройствами нет.
Теперь о «фенечках», то есть «прибамбасах». Учитывая позиционирование платы на средний ценовой сегмент, на плате их немного. Такой роскоши, как кнопок питания и перезагрузки, нет. Нет и «барабанчика» Game Boost (для включения предустановленных режимов разгона).
Если вдруг случился сбой из-за неверно выставленных параметров работы материнской платы, то для сброса настроек CMOS имеется набор из двух контактов JBAT1. Если их замкнуть, то получится тот же сброс CMOS.
У материнской платы имеются световые индикаторы, сообщающие о проблемах с тем или иным компонентом системы. Если после включения компьютера к моменту перехода на загрузку ОС все индикаторы погасли, то проблем нет.

Если уж мы заговорили о световых индикаторах, то надо упомянуть и возможности материнской платы по подключению RGB-подсветки. Имеется три разъема для подключения любых устройств этого плана: 2 разъема для подключения адресуемых (5 B 3 A, до 15 Вт) ARGB-лент/устройств, 1 разъем неадресуемых (12 В 3 А, до 36 Вт) RGB-лент/устройств. Сверху на плате имеется неадресуемый разъем 12 В.

Компания MSI очень активно сотрудничает с Corsair, поэтому для их элементов подсветки есть специальный проприетарный разъем (он рядом с JRGB1).
В руководстве пользователя написано, как подключать RGB-устройства Corsair, включая их хабы для вентиляторов.

Внизу платы есть два разъема для подключения адресуемой ARGB-подсветки:

Разумеется, есть и традиционный набор штырьков FPanel для подключения проводов к передней (а сейчас уже часто и верхней или боковой или все это сразу) панели корпуса.
Разумеется, устройства контроля безопасного подключения (через интерфейс TPM) не оставлены без внимания.

А для демонстрации работы подсветки платы без ее включения (без наличия CPU/RAM) имеется свой разъем. Собственно, это интересно лишь работникам выставочных стендов. Рядом там есть еще блок пинов: это для внутренних отладочно-ремонтных целей.
Периферийная функциональность: USB-порты, сетевые интерфейсы, ввод-вывод
Продолжаем рассматривать периферию. Теперь на очереди USB-порты. И начнем с задней панели, куда выведены большинство из них.
Как говорилось выше, чипсет X570 способен реализовать 12 портов USB, а процессор Ryzen 3000 — 4, то есть суммарно способны реализовать 16 выделенных портов USB всех типов (из них 12 — USB 3.2 Gen2, 4 — USB 2.0), а также есть 20 PCI-E 4.0 линий, из которых также можно сформировать дополнительные порты.
А что мы имеем? Всего на материнской плате — 16 портов USB (как в аптеке!):
- 4 порта USB 3.2 Gen2 (самые быстрые на сегодня): 2 реализованы через CPU Ryzen 3000 (в случае использования Ryzen 2xxx USB Gen2 меняется на Gen1) и представлены на задней панели 1 портом Type-C и 1 портом Type-A (красный); другие 2 реализованы через X570 и представлены 2 портами Type-A (темно-красного цвета) на задней панели (все эти 4 порта находятся в одной зоне красного цвета);
- 6 портов USB 3.2 Gen1: 2 из них реализованы через CPU Ryzen 3000 и представлены на задней панели двумя портами Type-A (темно-красные); остальные 4 реализованы через X570 и представлены 2 внутренними разъемами на материнской плате (каждый на 2 порта);
- 6 портов USB 2.0/1.1 реализованы через X570 и представлены 2 портами Type-A (черного цвета) на задней панели и 2 внутренними разъемами (каждый на 2 порта).
Итак, через чипсет X570 реализовано 2 USB 3.2 Gen2 + 4 USB 3.2 Gen1 + 6 USB 2.0 = 12 портов. То есть возможности X570 использованы по максимуму. Через процессор Ryzen 3000 реализовано 2 USB 3.2 Gen2 + 2 USB 3.2 Gen1 (если Ryzen 2xxx, то 4 USB 3.2 Gen1) = 4 порта.
Теперь о сетевых делах.
Материнская плата оснащена средствами связи неплохо. Имеется один Ethernet-контроллер: традиционный гигабитный Intel I211-AT.
Имеется и комплексный беспроводной адаптер на контроллере Intel AX-200NGW, через который реализованы Wi-Fi 6 и Bluetooth 5.0. Он установлен в слот M.2 (E-key), и его разъемы для привинчивания выносных антенн выведены на заднюю панель.


Надо отметить, что еще имеется стандартный видеовыход HDMI 1.4 (ведь у ряда Ryzen 2xxx имеется встроенное видеоядро, а также вскоре ожидаются Ryzen 3000 с аналогичной графикой). Вот только почему-то версию HDMI ограничили 1.4 (интегрированная графика AMD Radeon Vega имеет поддержку версий до 2.0 включительно).
Заглушка, традиционно надеваемая на заднюю панель, в данном случае уже надета, и изнутри экранирована для снижения электромагнитных помех.
Теперь про блок ввода-вывода, разъемы для подключения вентиляторов и т. п. Мы имеем 6 разъемов для вентиляторов, при этом они хорошо распределены (3 — в верхней части, а 3 — в нижней части) по периметру платы. То есть не потребуется тянуть кабели от вентиляторов через всю материнку.
Поэтому отмечаем, что несмотря на среднеценовое позиционирование, возможности MSI MPG X570 Gaming Pro Carbon WiFi в плане охлаждения реализованы хорошо. Еще одним плюсом является то, что все вентиляторы могут управляться как через ШИМ, так и изменением напряжения/тока. Для этого можно воспользоваться настройками UEFI/BIOS.
Для всех этих целей (мониторинг, Multi I/O) имеется контроллер Nuvoton NCT6797D.
В итоге плата обеспечивает возможность слежения за всеми подключенными вентиляторами и помпами, а также тонкую регулировку их работы.
Ранее мы писали, что материнские платы MSI топового уровня обладают технологией Flash BIOS Button, которая предусматривает возможность обновления версии прошивки BIOS без участия каких еще либо компонентов. Так вот, этой же технологией владеют и среднебюджетные материнки.
К пустой материнской плате (без процессора, памяти, видеокарты) достаточно просто подключить питание, вставить в нужное гнездо USB Type-A флешку с новой прошивкой (заранее скачанной из интернета) и нажать на кнопку Flash BIOS Button, после чего производится проверка наличия прошивки на флешке и ее соответствие данной плате. Если оба условия соблюдены, то плата автоматически включится, и начнется обновление BIOS, при этом индикатор рядом с кнопкой Flash BIOS Button будет мигать до окончания процедуры. После чего плата выключится, затем снова включится для проверки работоспособности новой прошивки и уже окончательно выключится.
Аудиоподсистема
Как и практически во всех современных материнских платах, звуком заведует аудиокодек Realtek ALC1220. Он обеспечивает вывод звука по схемам до 7.1. В данном случае он прикрыт фирменным «маркетинговым» колпачком.
В аудиоцепях платы применяются «аудиофильские» конденсаторы Nippon Chemi-con. Собственно, ничего такого особенного в аудиоподсистеме больше нет.
Аудиотракт вынесен на угловую часть платы, не пересекается с другими элементами, а левый и правый каналы усилителя разведены по разным слоям печатной платы. Все аудиоразъемы имеют позолоченное покрытие, однако не сохранена привычная цветовая окраска разъемов (которая неплохо помогает подключать нужные штекеры без вглядывания в их наименование). Так что, вот такая памятка может пригодиться.

В целом можно снова повторить, что это стандартная аудиоподсистема, способная удовлетворить запросы большинства пользователей (ожидать чудес от подобной системы не следует).
Для тестирования выходного звукового тракта, предназначенного для подключения наушников или внешней акустики, мы использовали внешнюю звуковую карту Creative E-MU 0202 USB в сочетании с утилитой RightMark Audio Analyzer 6.4.5. Тестирование проводилось для режима стерео, 24-бит/44,1 кГц. По результатам тестирования аудиотракт на плате получил оценку «Хорошо».
Питание, охлаждение
Для питания платы на ней предусмотрены 3 разъема: в дополнение к 24-контактному ATX здесь есть еще два EPS12V (8- и 4-контактные).
По сравнению с топовыми материнками данная система питания — упрощенная, хотя тоже несколько внушительная.
Схема питания выполнена как 10+2: 10 фаз — ядро процессора, 2 фазы — SoC (I/O чиплет Ryzen).
Управляет фазами цифровой контроллер IR35201 (от компании International Rectifier, которая сейчас является подразделением Infineon), а он рассчитан всего на 8 фаз максимум.
Так что, все сделано по обычно-привычной схеме: на оборотной стороне платы установлены удвоители IR3598, которые превращают реальные 5 фаз в 10. Короче, каждые 2 фазы работают зеркально.
Таким образом ШИМ-контроллер обеспечивает схему 5+2 фаз. Каждый канал «псевдофазы» имеет суперферритовую катушку и транзисторную сборку IR3555 того же Infineon.
У модулей оперативной памяти все проще: обычная двухфазная система питания под управлением ШИМ-контроллера Richtek RT8125.
Теперь про охлаждение.
Все потенциально сильно греющиеся элементы имеют свои собственные радиаторы. Как известно, самым горячим звеном в наборе AMD X570 является сам чипсет, поэтому многие производители вынуждены вспомнить про вентиляторы для такого рода микросхем (до того все топовые десктопные продукты (не HEDT) обходились простыми радиаторами).
Разработчики из MSI также решили установить небольшой вентилятор на X570, однако задали режим его включения при нагреве чипсета больше 70 градусов. Если нагрев меньше, то вентилятор выключен.
Остальной набор охлаждающих элементов весьма обычен и привычен.
Как мы видим, охлаждение чипсета (один радиатор) и силовых преобразователей (два радиатора под прямым углом друг ко другу) не связано в единую схему, поскольку все три радиатора (два на VRM и один на Х570) никак не соединяются, а вот радиаторы для модулей M.2 привинчиваются к чипсетному радиатору, поэтому если включится вентилятор на радиаторе чипсета, то он же охладит и модули M.2.
Над блоком разъемов задней панели установлен пластиковый кожух соответствующего дизайна и с подсветкой, радиаторов там нет.
В целом надо сказать, что система питания среднего уровня, что неудивительно, учитывая позиционирование материнской платы. Однако это мы говорим, сравнивая с топовыми моделями, а в целом «питалово» сделано на хорошем уровне, что и даже неудивительно: новые самые топовые процессоры AMD — 12 ядерные (а впереди еще и Ryzen 9 3950X с 16 ядрами!), потребляют много, требования к схеме питания непростые.
Подсветка
Если у плат серии Godlike светодиоды как-то очень щедро «рассыпаны» по текстолиту, то идущая на ступень ниже серия Ace отличается в том числе и уровнем подсветки: она - типа зеркального эффекта с красивыми световыми решениями, при этом сосредоточена на кожухе, закрывающем порты задней панели и переходящим на радиатор силовых элементов. А вот у данной модели схема подсветки на радиаторах/кожухах еще больше упрощена, однако имеется подсветка на оборотной стороне PCB у длинного края. Как обычно, через ПО можно выбрать один из многих режимов работы (мы позже коснемся этого вопроса).
Моддинг ПК — это сейчас модное явление, получившее распространение из-за снижения цен в целом на светодиодные решения, которые также активно интегрируются в корпуса, материнские платы, видеокарты, модули памяти, накопители и т. д. Поэтому сейчас все топовые и даже среднебюджетные решения оснащаются красивыми модулями подсветки, положительно влияющими на эстетическое восприятие. Моддинг — это нормально, если все подобрано со вкусом. Разумеется, кого это раздражает, имеется возможность отключить всю подсветку (или частично).
Кроме того, не забываем, что еще поддерживается подключение светодиодных RGB-лент/устройств к 3 разъемам на самой материнской плате (плюс RGB-устройства Corsair к отдельному разъему). Управление всем этим комплексом осуществляется через утилиту Mystic Light (уже интегрированную в приложение Dragon Center), которую (среди прочих) мы рассмотрим в следующем разделе. Надо сказать, что ряд производителей моддинговых корпусов с уже вмонтированной подсветкой «сертифицируют» поддержку программ ведущих производителей материнских плат, включая MSI.
Программное обеспечение под Windows
Все программное обеспечение можно скачать с сайта производителя MSI.com. Основная программа — так сказать, менеджер всего «софта» — это Dragon Center. Собственно, все остальные утилиты теперь входят в Dragon Center, отдельно их ставить почти нет надобности.
Начнем с наиболее редко используемого режима EyeRest. Заявлено, что он способствует отдыху глаз, а по сути просто переводит цветовую гамму на мониторе в более желтые тона, удаляя весь чисто белый цвет. Не знаю, может это и помогает глазам, но видеть пожелтевшую картинку на мониторе мне лично как-то было не очень...
Далее рассмотрим раздел управления подсветкой Mystic Light.
Утилита имеет много вариантов свечения того самого элемента дизайна на кожухе слева от сокета, а также оборотной подсветки. Плюс можно задавать те же режимы подсветки и для остальных элементов системы свечения платы (три разъема RGB плюс проприетарный разъем для RGB-устройств Corsair). Позволительно выбрать режим свечения как для отдельных элементов, так и для всей группы в целом. Ну и, разумеется, можно выключить подсветку вообще. Данная программа «видит» некоторые элементы c RGB-подсветками иных производителей и тогда они также появляются в списке, и можно включить их в синхронизацию.
Выше в видеоролике и на фото мы уже демонстрировали всю эту красоту.
Далее возможность включения мониторинга работы сетевого блока.
При этом можно не только следить за работой сетевых адаптеров, но и управлять, выставляя приоритеты по загрузке сети у разных приложений.
Далее уже идет наверно самый интересный раздел: производительность.
Стартовая вкладка — это для тех, кому неохота влезать в тонкости разгона. Здесь можно просто выбрать режим, чтобы система сама выставила все частоты и напряжения (бесшумный — это выключение любого разгона, фиксация максимальной тактовой частоты работы процессора на уровне его штатной).
Если выбрать режим «разгон», то снижение частоты работы CPU ниже штатной будет запрещено, и согласно технологии AMD Precision Boost автоматически поднимается частота работы ядер до заданного максимума в пределах теплопакета и температуры конкретной модели процессора.
Если же такого «авторазгона» мало, то есть два пустых профиля для записи своих собственных установок частот и напряжений.
Однако следует помнить, что данная материнская плата — все же не для оверклокеров. Понятное дело, возможности оверклокинга имеются (ну как же сейчас без этого!), однако гибких и тонких настроек ПО не дает. Да и уже широко известно, что тот же AMD Precision Boost по сути заведомо разгоняет процессоры и выжимает из них максимум (c учетом систем питания!).
Что касается аудиоподсистемы, то уже традиционно многие решения MSI сопровождает фирменная оболочка Nahimic, которая ну по сути расширяет обычные возможности систем на базе Realtek ALC1220.
Настройки BIOS
Все современные платы сейчас имеют UEFI (Unified Extensible Firmware Interface), которые, по сути, являются операционными системами в миниатюре. Для входа в настройки при загрузке ПК традиционно надо нажать клавишу Del или F2.
По умолчанию система предлагает «простое» меню для тонкой настройки, но можно нажать F7 и попасть в «продвинутое» меню. Понятно, что закладка чисто информационная, поэтому нажимаем F7.
Основные разделы «продвинутого» меню касаются общих установок работы материнской платы, настроек разгона, возможности обновления прошивки BIOS (уже через программный интерфейс), просмотра состояния платы (мониторинга), записи-чтения профилей, в которых занесены установки по разгонам, а также имеется интерактивная схема самой материнской платы, где показаны все основные ее части.
Закладка мониторинга не только просто демонстрирует температуры и частоты вращения вентиляторов, но и дает возможность управлять работой вентиляторов. Ранее я писал, что на плате есть 6 разъемов для подключения оных. И каждый из них имеет возможность управления из BIOS (можно выставить режим контроля: через ШИМ или напрямую), также можно наглядно выставить контрольные точки работы вентиляторов в зависимости от нагрева.
Общие настройки работы системы не сильно отличаются от общепринятых во всех BIOS последних лет.

Вернемся к вкладке OC Settings, на которой сосредоточены все основные настройки работы системы в плане частот, таймингов и напряжений.




Настроек по разгону не так много, как обычно бывает у самых «продвинутых» и топовых плат, но все достаточно запутанные «дебри». Очевидно, что на то, чтобы все это с умом попробовать, уйдет очень много времени. Однако...
Надо еще раз повторить, что AMD Precision Boost работает уже не хуже, чем заядлый оверклокер.
Поэтому переходим к собственно разгону.
Разгон
Полная конфигурация тестовой системы:
- материнская плата MSI MPG X570 Gaming Pro Carbon WiFi;
- процессор AMD Ryzen 7 3700X 3,6 ГГц;
- оперативная память Corsair UDIMM (CMT32GX4M4C3200C14) 32 ГБ (4×8) DDR4 (XMP 3200 МГц);
- накопитель SSD OCZ TRN100 240 ГБ;
- видеокарта AMD Radeon RX 5700 XT ;
- блок питания Corsair AX1600i (1600 Вт) Вт;
- ЖСО Corsair H115i RGB Platinum 280;
- телевизор LG 43UK6750 (43″ 4K HDR);
- клавиатура и мышь Logitech;
- операционная система Windows 10 Pro (v.1903), 64-битная.
Для проверки стабильности разгона я использовал программы:
- AIDA 64 Extreme
- AMD Ryzen Master
- 3DMark Time Spy CPU benchmark
- 3DMark Fire Strike Physics benchmark
- 3DMark Night Raid CPU benchmark
- HWInfo64
- Adobe Premiere CS 2019 (рендеринг видеоролика)
Вот что мы имеем по умолчанию. Понятно, что частоты постоянно меняются: от базовой 3.6 ГГц до примерно 4,37 ГГц (только на некоторых ядрах и то очень кратковременно).
Если до того для разгона мы использовали программу AMD Ryzen Master (которая бесплатно раздается самой компанией, и утилиту можно скачать с сайта AMD), то в данном случае пойдем по «фирменному» пути — через Dragon Center. И выберем режим «Экстремальный». Да, вот так просто, «для дурачков» (а почему бы и нет? Все равно плата «не оверклокерская»).
Мы видим, что частоты работы ядер процессора установились на уровне 4.3 ГГц. Понятно, что это не жестко зафиксированные частоты (в случае простоя ПК частоты будут сброшены из-за включенных по умолчанию настроек энергосбережения). Нагружаем очень жестким тестом рендеринга с помощью Adobe Premiere CS 2019: тест пройдет, стабильность на высоте.
После прогона тестов получены следующие приросты производительности в 3DMark (настройки по умолчанию): Time Spy CPU Test — 2%, Fire Strike Physics Test — 3,7%, Night Raid CPU Test — 2%. Как мы видим, ну явно не густо. С одной стороны, соблюдено главное условие — стабильность, с другой стороны, программа Dragon Center выставила намного более мягкие параметры разгона: на диаграммах выше видно, что частоты работы ядер вовсе не были зафиксированы на уровне 4,3 ГГц (как отрапортовала утилита), они все равно «плавали», хоть и не падали до штатных величин, как в режиме по умолчанию. Все же разгон с помощью AMD Ryzen Master более эффективен.
Особо надо отметить эффективную работу системы охлаждения материнской платы, температуры VRM, чипсета были в пределах разумного, вентилятор на X570 не включался вообще.
Выводы
Плата MSI MPG X570 Gaming Pro Carbon WiFi относится к среднему ценовому сегменту: на момент подготовки обзора она имела цену около 20 тысяч рублей. Понятно, что и это многим покажется чрезмерно дорого. Однако трудно ожидать низких цен на решения на топовом чипсете.
При этом у платы очень неплохая функциональность: 16 портов USB всех калибров, 2 защищенных слота PCI-E х16, два слота M.2 (с поддержкой PCI-E 4.0). Стоит отметить очень хорошую систему питания, гарантирующую надежность и стабильность работы для самых топовых на сегодня процессоров Ryzen 3000. А шесть разъемов для вентиляторов позволяют организовать какую угодно систему охлаждения ПК, при этом есть гибкая система контроля за работой каждого вентилятора. Еще в плюсы надо добавить наличие подсветки, включая широкие возможности для подключения дополнительных RGB-устройств, в том числе проприетарных решений Corsair (в случае чего — подсветку можно отключить). Может быть, кому-то покажется плюсом возможность быстрой зарядки мобильных гаджетов от порта USB Type-C. Традиционно хороша поддержка со стороны программного обеспечения: обеспечиваются широкие возможности настройки работы и контроля за состоянием самой платы и системного блока в целом.
Плата получилась очень интересной, но стоит ли платить за нее такие деньги? По сравнению с платами премиального сегмента (которые стоят в 2-2,5 раза дороже) ограничения функциональности не такие уж серьезные, поэтому данную материнскую плату вполне имеет смысл приобретать, если вам нужна поддержка PCI-E 4.0. Стоит подчеркнуть, что это не решение для разгона — скорее, чтобы «включить и забыть». Например, тот же AMD Ryzen Master тщательно «щупает» систему питания и выставляет максимально возможные частоты работы только на платах премиального уровня, и никто не будет делать такую же продвинутую систему питания на платах среднего уровня. Не забывайте и про длительную гарантию (при регистрации продукта).
Благодарим компанию MSI Russia
и лично Валерию Корнееву
за предоставленную на тестирование плату
Для тестового стенда:
блок питания Corsair AX1600i (1600W) предоставлен компанией Corsair
термопаста Noctua NT-H2 предоставлена компанией Noctua










































































