Оглавление
- Форм-фактор
- Технические характеристики
- Основная функциональность: чипсет, процессор, память
- Периферийная функциональность: PCI-E, SATA, разные «прибамбасы»
- Периферийная функциональность: USB-порты, сетевые интерфейсы, ввод-вывод
- Аудиоподсистема
- Питание, охлаждение
- Подсветка
- Программное обеспечение под Windows
- Настройки BIOS
- Разгон
- Выводы
«Главное, чтобы в сокете красиво смотрелся!» — прочитал не так давно в комментарии к одному из обзоров нового семейства процессоров AMD. Понятно, что автора тут же окрестили интелофилом и послали поклоняться многочисленным «озерам», названиями которых пользуется конкурент AMD для обозначения своих архитектур. Ну а ведь реально же красиво смотрится в сокете!
Да и вообще, может взять какую-то старую материнскую плату с AM4, и тут воткнуть новый процессор и не заморачиваться? Все равно ножками попадет куда надо. Некоторые СМИ так и оповещали, что AMD Ryzen 3xxx могут легко работать совместно не только с топовыми чипсетами X470, но и с более бюджетными B450, то бишь можно отдать за процессор кругленькую сумму и поставить его в материнскую плату ценой в 5000 рублей. Однако не все так просто. Во-первых, обязательна поддержка новых процессоров со стороны BIOS той или иной материнской платы. А нужно ли это производителям тех самых плат? — Им же интересно, чтобы покупатели новых процессоров не менее активно покупали и новые платы для них. Поэтому очень сомнительно, чтобы поддержка Ryzen 3xxx повсеместно внедрялась в материнских платах. Полагаю, что это же и в интересах компании AMD, которой нужно, чтобы продавались не только процессоры, но и системные чипсеты тоже.
Эх, кстати... Были же времена, когда не только системные чипсеты, но и CPU выпускали не только Intel и AMD. Мало кто помнит сейчас Cyrix Corp, чьи процессоры в России так и не стали правильно называться «Сайрикс», а практически все их знали исключительно как «Кирикс». Компания прожила всего 9 лет, потом ее купила VIA Technologies, продолжив попытки конкурировать с Intel/AMD на рынке центральных процессоров (ну по сути это были те же «сайриксы» под новыми именами).


Как в свое время деятельность компании Nvidia на заре ее становления переплеталась с Silicon Graphics Inc, поскольку основатели Nvidia — выходцы из SGI, так и первые шаги Cyrix были тесным образом связаны с компанией Texas Instruments, поскольку именно сотрудники этой компании и основали Cyrix. Так что в свое время на рынке были и такие CPU от TI, совместимые в то время с процессорами как от Intel, так и от AMD, поскольку тогда еще размежевания по сокетам и чипсетам не было.

И даже потом, когда TI полностью сосредоточился на выпуске разных элементов логики и процессоров для периферий и мобильного сегмента, уйдя с рынка CPU, а также VIA признала свое поражение, также покинув рынок центральных процессоров, на рынке системных чипсетов кроме Intel, были VIA, SIS, ATI и Nvidia.
Вот например, материнки HIS 2005 года (тоже экзотика сегодня, и не вспомнит никто) на наборе логики ATI (северный мост) и VIA (южный мост) для процессоров Intel и AMD.
В 2006 году компания ATI была поглощена AMD, затем SIS «накрылся медным тазом», компания VIA ушла полностью в мобильный сегмент, и таким макаром мы получили полное размежевание и по процессорам, и по наборам системной логики. Теперь Intel и AMD полностью обеспечивают потребности в системных чипсетах для своих же CPU.
Ну это так, было легкое отступление в историю. Вернемся к делам насущным.
В принципе, это первый материал по системной плате на базе нового чипсета AMD X570, который, как известно, был создан для поддержки нового семейства процессоров AMD Ryzen 3xxx (на основе архитектуры Zen2).
Как известно, компания MSI любит красивые названия, и на сей раз в нашей лаборатории побывало устройство, имеющее в названии слово Ace (в переводе с английского — туз, козырь, ас, первоклассный и т. п.). Вообще, в серию MEG (MSI Enthusiast Gaming) входят продукты, так скажем, очень продвинутые и оснащенные «изюминками». И данная плата не исключение, поэтому ожидаемо, что она будет явно не из дешевых, но и не самой дорогой, поскольку в линейке MEG имеются более топовые продукты с суффиксами Godlike. На момент написания материала эти материнки продавались примерно за 50 тысяч рублей, что крайне дорого даже для топового чипсета. Однако это продукты для энтузиастов.
Цены на MSI MEG X570 Ace начинаются с 20 тысяч (на момент написания материала). Разумеется, это тоже очень дорого, однако в два c лишним раза дешевле самых «навороченных» материнских плат на этом же чипсете.
И потому материал заведомо интересен, ибо в данном случае не менее «навороченная» и «крутая» материнская плата, созданная для «тяжелых» игроманов и оверклокеров, выступает соперником более дорогих плат. По идее, у нее должен быть более скромный комплект поставки, да и поддержка периферии чуть проще. Вот и проверим.
Итак, сегодня у нас на тестах MSI MEG X570 Ace.
MSI MEG X570 Ace поставляется в большой, но обычной коробке без излишеств.. Учитывая любовь MSI к слову Lighting, уже нет удивления, что новую быструю шину PCI-E v.4.0 в части работы с накопителями M.2 (PCI-E интерфейс) в компании назвали по-своему Lighting Gen 4.
Внутри бокса имеются два отсека: для материнской платы, и для комплекта.
Комплект поставки, кроме традиционных элементов типа руководства пользователя, диска и кабелей SATA (что уже много лет является обязательным набором ко всем материнкам), есть выносная антенна с подставкой для беспроводных соединений, разветвители для подключения подсветки, винтики для монтажа модулей M.2, бонусные стикеры и наклейки. Весь комплект (кроме бумажек) помещен в фирменный тканевый мешок.
Стоит отметить, что «заглушка» на заднюю панель с разъемами уже смонтирована на самой плате.
Форм-фактор
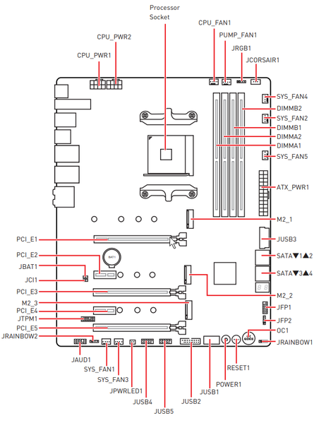
Материнская плата MSI MEG X570 Ace выполнена в форм-факторе ATX, имеет размеры 305×244 мм и 9 монтажных отверстий для установки в корпус.
На оборотной стороне мало элементов, там размещены удвоители фаз питания и иная мелкая логика. Обработан текстолит хорошо: во всех точках пайки острые концы срезаны. Серые «капли» на текстолите означают, что на несущей плате корпуса в этом месте могут быть втулки крепления, то есть перед монтажом материнки следует убедиться, что втулки из этих мест удалены.
Технические характеристики
Традиционная таблица с перечнем функциональных особенностей.
| Поддерживаемые процессоры | AMD Ryzen 2-го и 3-го поколений |
|---|---|
| Процессорный разъем | AM4 |
| Чипсет | AMD X570 |
| Память | 4 × DDR4, до 128 ГБ, до DDR4-4600, два канала |
| Аудиоподсистема | 1 × Realtek ALC1220 (7.1) + ЦАП ESS ES9018K2M |
| Сетевые контроллеры | 1 × Intel WGI211AT (Ethernet 1 Гбит/с) 1 × Realtek RTL8125 (Ethernet 2.5 Гбит/с) 1 × Intel Dual Band Wireless AX200NGW/CNVi (Wi-Fi 802.11a/b/g/n/ac (2,4/5 ГГц) + Bluetooth 5.0) |
| Слоты расширения | 3 × PCI Express 4.0/3.0 x16 (режимы x16, x8+x8 (SLI/CrossFire), x8+x8+x4 (CrossFire)) 2 × PCI Express 4.0/3.0 x1 |
| Разъемы для накопителей | 4 × SATA 6 Гбит/с (X570) 2 × M.2 (X570, PCI-E 4.0/3.0 x4/SATA 6 Гбит/с для устройств формата 2242/2260/2280) 1 × M.2 (CPU, PCI-E 4.0/3.0 x4 для устройства формата 2242/2260/2280/22110) |
| USB-порты | 3 × USB 3.2 Gen2: 2 порта Type-A (темно-красные) на задней панели + 1 внутренний порт Type-C (X570) 6 × USB 2.0: 2 порта Type-A (черные) на задней панели + 2 внутренних разъема на 4 порта (X570) 4 × USB 3.2 Gen1: 2 внутренних разъема, каждый на 2 порта (X570) 2 × USB 3.2 Gen1: 2 порта Type-A (красные) на задней панели (CPU) 2 × USB 3.2 Gen2: 1 порт Type-C + 1 порт Type-A (красный) на задней панели (CPU Ryzen 3xxx) или 2 × USB 3.2 Gen1: 1 порт Type-C + 1 порт Type-A (красный) на задней панели (CPU Ryzen 2xxx) |
| Разъемы на задней панели | 1 × USB 3.2 Gen2/1 (Type-C) 1 × USB 3.2 Gen2/1 (Type-A) 2 × USB 3.2 Gen2 (Type-A) 2 × USB 2.0 (Type-A) 2 × RJ-45 1 комбинированный разъем PS/2 5 аудиоразъемов типа миниджек 1 × S/PDIF (оптический, выход) 2 антенных разъема кнопка сброса CMOS кнопка перепрошивки BIOS — FlashBIOS |
| Прочие внутренние элементы | 24-контактный разъем питания ATX 2 8-контактных разъема питания ATX12V 1 слот M.2 (E-key), занят адаптером беспроводных сетей 1 разъем для подключения порта USB 3.2 Gen2 Type-C 2 разъема для подключения 4 портов USB 3.2 Gen1 2 разъема для подключения 4 портов USB 2.0 7 разъемов для подключения 4-контактных вентиляторов (поддержка помп ЖСО) 1 разъем для подключения неадресуемой RGB-ленты 2 разъема для подключения адресуемой ARGB-ленты 1 разъем для подключения RGB-подсветки от Corsair 1 разъем аудио для передней панели корпуса 1 разъем TPM 2 разъема для подключения управления с передней панели корпуса 1 кнопка включения питания (Power) 1 кнопка перезагрузки (Reset) 1 переключатель режимов разгона (Game Boost) 1 перемычка сброса CMOS 1 разъем сигнала открытого корпуса системного блока |
| Форм-фактор | E-ATX (305×271 мм) |
| Средняя цена | 26-28 тысяч рублей на момент написания материала |
Основная функциональность: чипсет, процессор, память


Конечно, обилие пустых мест на задней панели с портами говорит нам о том, что набор периферии соответствует цене, что только материнские платы за 40 000 и дороже имеют раза в 1.5-2 больше USB-портов, и вообще «диммы» позолоченные (шутка). Все же плата реально относится к топовому сегменту, поэтому количеством портов явно не обделена.
Начнем с чипсета X570 и его взаимодействия с процессором.
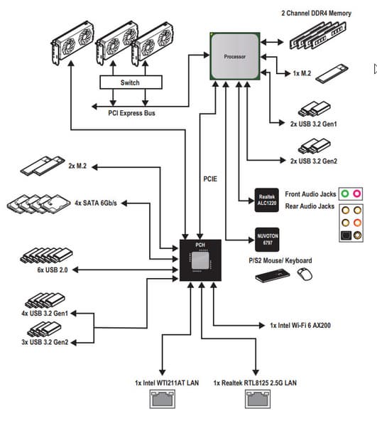
Главное отличие тандемов AMD от Intel (если мы говорим об общепользовательском рынке десктопов) в том, что если у Intel баланс поддержки портов/линий как-то смещен в сторону системного чипсета, то у AMD примерный паритет, а по PCI-E линиям CPU Ryzen покруче.
Процессоры Ryzen 3xxx поддерживают 4 порта USB 3,2 Gen2, 24 линии ввода-вывода (включая PCI-E 4.0), но 4 линии из них идут на взаимодействие с X570, еще 16 линий — это PCI-E слоты для видеокарт. Осталось 4 линии: они могут конфигурироваться производителями материнских плат на выбор (либо-либо):
- работа одного NVMe накопителя х4 (высокоскоростной PCI-E 4.0)
- два SATA-порта по х1 + 1 порт NVMe x2
- два порта NVMe x2
В свою очередь чипсет X570 поддерживает 8 портов USB 3.2 Gen2, 4 порта USB 2.0, 4 порта SATA и 20 линий ввода-вывода, из которых опять же 4 нужны для связи с CPU (суммарный линк х8). Остальные линии могут свободно конфигурироваться.
Таким образом в сумме от тандема X570+Ryzen 3xxx мы получаем:
- 16 PCI-E 4.0 линий для видеокарт (от процессора);
- 12 портов USB 3.2 Gen2 (4 от процессора, 8 от чипсета);
- 4 порта USB 2.0 (от чипсета);
- 4 порта SATA 6Гбит/с (от чипсета)
- 20 PCI-E 4.0 линий (4 от процессора + 16 от чипсета), которые могут образовывать разные варианты комбинаций портов и слотов (в зависимости от производителя материнских плат).
Еще раз надо напомнить, что MSI MEG X570 Ace поддерживает процессоры AMD Ryzen 2-го и 3-го поколений, выполненные под разъем (сокет) AM4.
Для установки модулей памяти на плате MSI имеется четыре DIMM-слота (для работы памяти в Dual Channel в случае использования всего 2 модулей их следует устанавливать в А1 и B1 (А2 и В2)). Плата поддерживает небуферизованную память DDR4 (non-EСС), а максимальный объем памяти составляет 128 ГБ (при использовании UDIMM последнего поколения по 32 ГБ). Разумеется, поддерживаются профили XMP.
Слоты DIMM имеют защиту Steel Armor, улучшенную электроизоляцию (цепи модулей памяти изолированы целой полоской текстолита, что должно улучшить стабильность работы ОЗУ). Имеются дополнительные точки заземления и защита от перегрузки по току.
Стоит снова добавить, что компания MSI создала «Драконий альянс» (Dragon Alliance), куда пригласила многих ведущих производителей памяти для ПК, и сотрудники MSI имеют возможность тщательно работать с каждой серией продуктов в рамках проекта DDR4 Boost 2, поэтому UEFI/BIOS материнских плат MSI легко распознают память ведущих производителей, выставляя по умолчанию оптимальные параметры работы, ускоряя память, а не просто берут привычную информацию из SPD.
Периферийная функциональность: PCI-E, SATA, разные «прибамбасы»
Выше мы изучили потенциальные возможности тандема X570+Ryzen 3xxx, а теперь посмотрим, что из этого и как реализовано в данной материнской плате.

Начнем со слотов PCI-E.
На плате есть 6 слотов: 3 PCI-E x16 (для видеокарт или других устройств) и 2 PCI-E x1.
У процессора есть 16 линий PCI-E 4.0, они идут только на два верхних слота PCI-E x16, третий получает 4 линии от системного чипсета. Вот так выглядит схема распределения:
То есть полноценно получит 16 линий PCI-E только одиночная видеокарта, а если установить две видеокарты, объединив из в Nvidia SLI или AMD /CrossFire, то процессор выдаст уже по 8 линий PCI-E на каждый слот. А если уже кому-то очень захочется заполучить комбинацию из трех видеокарт (на сегодня это актуально только для технологии AMD CrossFireX), то по 8 линий получат только первые две карты, а третья карты получит 4 линии от чипсета. Собственно, третий слот PCI-Ex16 (по общему счету — пятый) всегда получает х4 от X570 (работает независимо от наличия/отсутствия видеокарт в первых двух). Сильно ли это снижение количества линий на каждый слот ударит по производительности в целом? В случае двух карт — ощутимо, но не так уж сильно. С учетом не так давно введенного NV Link, у видеокарт Nvidia, соединенных мостами, потери, возможно, вообще будут неощутимы. А вот целесообразность установки в такую систему трех карт одновременно находится под большим вопросом.
Распределением линий PCI-E между слотами в случае использования более одной видеокарты занимаются мультиплексоры PI3EQX16 от Pericom.
Слоты PCI-E x16 имеют металлические «кожухи» и дополнительные точки пайки согласно той же технологии Steel Armor: это призвано увеличить срок службы слотов (заявлено, что эта технология усиливает защиту на излом в 2 раза, и более чем в 4 раза усилена защита слота на выдергивание карт из него). Кроме того, такая защита предохраняет слоты от электромагнитных помех.
Следует особо отметить наличие дополнительного плюса: первый PCI-E слот отодвинут от сокета, что позволяет легко смонтировать СО любого уровня и класса. Стоит отметить, что первый после PCI-Ex16 слот PCI-Ex1 (второй по общему счету) может быть будет недоступен, если используется видеокарта шириной более, чем 2 слота. Собственно, учитывая, что из двух имеющихся PCI-E x1 одновременно может работать только один, вышеупомянутый минус незначителен: при надобности карту расширения можно установить в предпоследний слот.
Идем дальше. На очереди — накопители.
Всего у платы 4 разъема Serial ATA 6 Гбит/с + 3 слота для накопителей в форм-факторе M.2. (Еще один слот M.2, спрятанный под кожухом блока разъемов задней панели, занят контроллером беспроводных сетей Wi-Fi/Bluetooth.)
Все 4 порта SATA600 реализованы через чипсет X570.
Слоты M.2 поддерживают все современные типы накопителей этого форм-фактора, с интерфейсами PCI-E и SATA. Их можно видеть на фото через одно выше.
Самые длинные M.2-модули (22100) можно устанавливать только в верхний слот. Остальные слоты M.2 поддерживают модули только до 2280.
Стоит особо отметить, что верхний слот M.2_1 поддерживает накопители только с интерфейсом PCI-E (в случае использования Ryzen 3xxx будет поддержка PCI-E 4.0 — этот слот обслуживается процессором), а остальные два слота M.2_2 и M.2_3 поддерживают все виды накопителей (SATA и PCI-E) и обслуживаются Х570.
Портов ввода-вывода у чипсета с процессором на всех хватает, поэтому надобности делить аппаратные ресурсы между устройствами нет.
Теперь о «фенечках», то есть «прибамбасах». Благо на плате их много. Взять хотя бы кнопки.
Понятно, что кнопки питания и перезагрузки комментировать нет смысла (просто бальзам на сердце для тестера, когда он видит такие «пипки» на материнке: нет нужды рыскать по мануалу — куда подключать проводки от Power и Reset). «Барабанчик» OC1, иначе называемый Game Boost, — включает предустановленные режимы разгона, мы об этом поговорим в соответствующем разделе. Я писал ранее при рассмотрении аналогичной материнки MSI, что как-то даже захотелось услышать звук механического этакого переключения «тррррыыык», однако «барабан» работает бесшумно.
Вышеобозначенные кнопки светятся в темноте, поэтому их отлично видно.
Если вдруг случился сбой из-за неверно выставленных параметров работы материнской платы, то для сброса настроек CMOS имеется физическая кнопка на задней панели (о ней позже). Также на картинке со слотами M.2 можно увидеть два пина JBAT1. Если их замкнуть, то получится тот же сброс CMOS.
У материнской платы имеются световые индикаторы, сообщающие о проблемах с тем или иным компонентом системы. Если после включения компьютера к моменту перехода на загрузку ОС все индикаторы погасли, то проблем нет.
Если уж мы заговорили о световых индикаторах, то надо упомянуть и возможности материнской платы по подключению RGB-подсветки. Имеется три разъема для подключения любых устройств этого плана: 2 разъема для подключения адресуемых (5 B 3 A, до 15 Вт) RGB-лент/устройств, 1 разъем неадресуемых (12 В 3 А, до 36 Вт) RGB-лент/устройств. Сверху на плате имеется неадресуемый разъем 12 В. Компания MSI очень активно сотрудничает с Corsair, поэтому для их элементов подсветки есть специальный проприетарный разъем (он рядом с JRGB1).

В руководстве пользователя написано, как подключать RGB-устройства Corsair, включая их хабы для вентиляторов.
Внизу платы есть два разъема для подключения адресуемой ARGB-подсветки:
Разумеется, есть и традиционный набор штырьков FPanel для подключения проводов к передней (а сейчас уже часто и верхней или боковой или все это сразу) панели корпуса.
Периферийная функциональность: USB-порты, сетевые интерфейсы, ввод-вывод
Продолжаем рассматривать периферию. Теперь на очереди USB-порты. И начнем с задней панели, куда выведены большинство из них.
Как говорилось выше, чипсет X570 способен реализовать 12 портов USB, а процессор Ryzen 3xxx — 4, то есть суммарно способны реализовать 16 выделенных портов USB всех типов (из них 12 — USB 3.2 Gen2, 4 — USB 2.0), а также есть 20 PCI-E 4.0 линий, из которых также можно сформировать дополнительные порты.
А что мы имеем? Всего на материнской плате — 17 портов USB (какой-то «лишний сожрал» свободные PCI-E ресурсы):
- 5 портов USB 3.2 Gen2 (самые быстрые на сегодня): 2 реализованы через CPU Ryzen 3xxx (в случае использования Ryzen 2xxx USB Gen2 меняется на Gen1) и представлены на задней панели 1 портом Type-C и 1 портом Type-A (красный); другие 3 реализованы через X570 и представлены 2 портами Type-A (темно-красного цвета) на задней панели и 1 внутренним портом Type-C (для подключения такого же разъема на передней панели корпуса);
- 6 портов USB 3.2 Gen1: 2 из них реализованы через CPU Ryzen 3xxx и представлены на задней панели двумя портами Type-A (красные); остальные 4 реализованы через X570 и представлены 2 внутренними разъемами на материнской плате (каждый на 2 порта);
- 6 портов USB 2.0/1.1 реализованы через X570 и представлены 2 портами Type-A (черного цвета) на задней панели и 2 внутренними разъемами (каждый на 2 порта).
Итак, через чипсет X570 реализовано 3 USB 3.2 Gen2 + 4 USB 3.2 Gen1 + 6 USB 2.0 = 13 портов. То есть возможности X570 использованы по максимуму (12 портов) плюс использована гибкая конфигурация PCI-E 4.0 для организации одного порта. Через процессор Ryzen 3xxx реализовано 2 USB 3.2 Gen2 + 2 USB 3.2 Gen1 (если Ryzen 2xxx, то 4 USB 3.2 Gen1) = 4 порта.
Теперь о сетевых делах.
Материнская плата оснащена средствами связи весьма богато. Имеется два Ethernet-контроллера: традиционный гигабитный Intel I211-AT и Realtek RTL8125, способный работать по стандарту 2,5 Gb/s.
Имеется и комплексный беспроводной адаптер на контроллере Intel AX-200NGW, через который реализованы Wi-Fi 6 и Bluetooth 5.0. Он установлен в слот M.2 (E-key), и его разъемы для привинчивания выносных антенн выведены на заднюю панель.


По идее, также хочется сказать, что еще имеется стандартный видеовыход (HDMI или DP), ведь у ряда Ryzen 2xxx имеется встроенное видеоядро, однако из-за того, что во-первых, все же материнские платы на X570 предназначены все же для Ryzen 3xxx (причем топовой линейки, а с интегрированной графикой среди таковых на сегодня нет), во-вторых, даже если представить, что кто-то захочет использовать Ryzen 2200/2400G (с графикой), то очень глупо сочетать дешевые CPU с материнской платой премиального сегмента (да еще и делать разводку на печатной плате дорожек видеовыводов). Ну примерно вот по этим соображениям в компании MSI и решили, что для такой серьезной материнской платы гнезда вывода на мониторы не нужны.
Заглушка, традиционно надеваемая на заднюю панель, в данном случае уже надета, и изнутри экранирована для снижения электромагнитных помех.
Теперь про блок ввода-вывода, разъемы для подключения вентиляторов и т. п. Мы имеем 7 разъемов для вентиляторов, при этом они хорошо распределены по периметру двух сторон платы. То есть не потребуется тянуть кабели от вентиляторов через всю материнку.
Поэтому отмечаем, что возможности MSI MEG X570 Ace в плане охлаждения реализованы отлично! Еще одним плюсом является то, что все вентиляторы могут управляться как через ШИМ, так и банальным изменением напряжения/тока. Для этого можно воспользоваться настройками UEFI/BIOS.
Для всех этих целей (мониторинг, Multi I/O) имеется контроллер NCT67970 от Nuvoton.
В итоге плата обеспечивает возможность слежения за всеми подключенными вентиляторами и помпами, а также тонкую регулировку их работы.
Материнские платы MSI топового уровня обладают технологией Flashback+, которая предусматривает возможность обновления версии прошивки BIOS без участия каких еще либо компонентов.
На примере материнской платы MSI MEG Z370 Godlike я записал этот ролик. К пустой материнской плате (без процессора, памяти, видеокарты) достаточно просто подключить питание, вставить в нужное гнездо USB Type-A флешку с новой прошивкой (заранее скачанной из интернета) и нажать на кнопку Flashback+, после чего производится проверка наличия прошивки на флешке и ее соответствие данной плате. Если оба условия соблюдены, то плата автоматически включится, и начнется обновление BIOS, при этом индикатор рядом с кнопкой Flashback+ будет мигать до окончания процедуры. После чего плата выключится, затем снова включится для проверки работоспособности новой прошивки и уже окончательно выключится.
Аудиоподсистема
Как и практически во всех современных материнских платах, звуком заведует аудиокодек Realtek ALC1220. Он обеспечивает вывод звука по схемам до 7.1.
Ему сопутствует ЦАП ESS Sabre S9018.
В аудиоцепях платы применяются «аудиофильские» конденсаторы Nippon Chemi-con.
Аудиотракт вынесен на угловую часть платы, не пересекается с другими элементами. Более того, левый и правый каналы усилителя разведены по разным слоям печатной платы. Все аудиоразъемы имеют позолоченное покрытие, однако не сохранена привычная цветовая окраска разъемов (которая неплохо помогает подключать нужные штекеры без вглядывания в их наименование). Так что, вот такая памятка может пригодиться.
В целом можно снова повторить, что это стандартная аудиоподсистема, способная удовлетворить запросы большинства пользователей, не ожидающих от звука на материнской плате чудес.
Для тестирования выходного звукового тракта, предназначенного для подключения наушников или внешней акустики, мы использовали внешнюю звуковую карту Creative E-MU 0202 USB в сочетании с утилитой RightMark Audio Analyzer 6.4.5. Тестирование проводилось для режима стерео, 24-бит/44,1 кГц. По результатам тестирования аудиотракт на плате получил оценку «Хорошо».
Питание, охлаждение
Для питания платы на ней предусмотрены 3 разъема: в дополнение к 24-контактному ATX здесь есть еще два 8-контактных EPS12V.
Система питания весьма внушительная (собственно и не удивительно: ведь материнская плата топового уровня и для процессоров, которые могут быть весьма прожорливыми).
Схема питания выполнена как 12+2: 12 фаз — ядро процессора, 2 фазы — SoC (I/O чиплет Ryzen).
Управляет фазами цифровой контроллер IR35201 (от компании International Rectifier, которая сейчас является подразделением Infineon), а он вообще-то рассчитан всего на 8 фаз максимум.
Так что имеем привычную уже хитрость. На оборотной стороне платы установлены удвоители IR3598, которые превращают реальные 6 фаз в 12. Короче, каждые 2 фазы работают зеркально.
Таким макаром ШИМ-контроллер запросто обеспечивает схему 6+2 фаз. Каждый канал «псевдофазы» имеет суперферритовую катушку и транзисторную сборку IR3555 от того же Infineon.
У модулей оперативной памяти все проще: обычная двухфазная система питания под управлением ШИМ-контроллера Richtek RT8125.
Теперь про охлаждение.
Все потенциально сильно греющиеся элементы имеют свои собственные радиаторы. Как известно, самым горячим звеном в наборе AMD X570 является сам чипсет, поэтому многие производители вынуждены вспомнить про вентиляторы для такого рода микросхем (до того все топовые десктопные продукты (не HEDT) обходились простыми радиаторами).
Разработчики из MSI также решили подстраховаться и установить небольшой вентилятор на X570, однако жестко задали режим его включения при нагреве чипсета больше 70 градусов. Если нагрев меньше, то вентилятор выключен.
Остальной набор охлаждающих элементов весьма обычен и привычен. Хотя.. это именно набор привычен, а вот их сочетание весьма интересно.
Как мы видим, охлаждение чипсета (один радиатор) и силовых преобразователей (два радиатора под прямым углом друг ко другу) идет по единой схеме, так как все три радиатора связаны тепловой трубкой. А это значит, что если включится вентилятор на радиаторе чипсета, то он же охладит и силовые элементы.
Для модулей M.2, как я уже выше отмечал, есть свои три радиатора с термоинтерфейсами. Они крепятся к большому чипсетному радиатору и также принимают участие в общей схеме охлаждения.
Над аудиоподсистемой и над блоком разъемов задней панели установлен пластиковый кожух соответствующего дизайна и с подсветкой, радиаторов там нет.
В целом надо сказать, что система питания очень мощная, уже практически на уровне HEDT, и это неудивительно: новые самые топовые процессоры AMD — 12 ядерные (а впереди еще и Ryzen 9 3950X с 16 ядрами!), потребляют очень много, требования к схеме питания очень высокие.
Подсветка
Платы серии Godlike отличаются от Ace в том числе и уровнем подсветки: в первом случае светодиоды как-то более щедро «рассыпаны» по текстолиту. У плат Ace (в том числе и этой платы) вся подсветка сосредоточена на кожухе, закрывающем порты задней панели и переходящим на радиатор силовых элементов. И что-то типа зеркального эффекта с красивыми световыми решениями. Через ПО можно выбрать один из 25(!) режимов работы (мы позже коснемся этого вопроса).
Вообще надо сказать еще раз, что как правило, топовые решения (будь то видеокарта, материнская плата или даже модули памяти) сейчас практически все оснащаются красивыми модулями подсветки, положительно влияющими на эстетическое восприятие. Моддинг — это нормально, это красиво, подчас просто стильно, если все подобрано со вкусом.
Кроме того, не забываем, что еще поддерживается подключение светодиодных RGB-лент/устройств к 3 разъемам на самой материнской плате (плюс RGB-устройства Corsair к отдельному разъему). Управление всем этим комплексом осуществляется через утилиту Mystic Light (уже интегрированную в приложение Dragon Center), которую (среди прочих) мы рассмотрим в следующем разделе. Надо сказать, что ряд производителей моддинговых корпусов с уже вмонтированной подсветкой «сертифицируют» поддержку программ ведущих производителей материнских плат, включая MSI.
Программное обеспечение под Windows
Все программное обеспечение можно скачать с сайта производителя MSI.com. Основная программа — так сказать, менеджер всего «софта» — это Dragon Center. Собственно, все остальные утилиты теперь входят в Dragon Center, отдельно их ставить почти нет надобности.
Начнем с наиболее редко используемого режима EyeRest. Заявлено, что он способствует отдыху глаз, а по сути просто переводит цветовую гамму на мониторе в более желтые тона, удаляя весь чисто белый цвет. Не знаю, может это и помогает глазам, но видеть пожелтевшую картинку на мониторе мне лично как-то было не очень... Ощущение, что монитор резко состарился и «потерял» былую белизну картинки.
Далее рассмотрим раздел управления подсветкой Mystic Light.
Утилита имеет 25 (!) вариантов свечения того самого «зеркального» многоугольника на кожухе слева от сокета, да и не только его. Можно задавать те же режимы подсветки и для остальных элементов системы свечения платы (три разъема RGB плюс проприетарный разъем для RGB-устройств Corsair). Позволительно выбрать режим свечения как для отдельных элементов, так и для всей группы в целом. Ну и, разумеется, можно выключить подсветку вообще. Данная программа «видит» фирменный кулер от AMD (оригинально Cooler Master Wraith Prism RGB) при его подключении через USB и может также им управлять (у кого нет возможности подключить этот кулер через USB — он имеет также подключение через RGB разъем на материнской плате).
Выше в видеоролике и на фото мы уже демонстрировали всю эту красоту.
Далее интересная возможность включения аппаратного мониторинга работы системного блока с выбором отдельных элементов, за которыми требуется наблюдение.


В результате получаем вот такое окно, которое можно переключать, если количество отмеченных в мониторинге элементов не умещается в нем. Это окно весьма удобно разместить где-то сбоку для удобства просмотра ситуации с «железом», например, в случае разгона или серьезной нагрузки в игре. Правда тогда придется отказаться от режима «полного экрана» в той же игре. В режим On-Screen-Display (OSD) окно мониторинга не переключается.
Далее уже идет наверно самый интересный раздел: производительность.
Стартовая вкладка — это для тех, кому неохота влезать в тонкости разгона. Здесь можно просто выбрать режим, чтобы система сама выставила все частоты и напряжения (бесшумный — это выключение любого разгона, фиксация максимальной тактовой частоты работы процессора на уровне его штатной).
Если выбрать режим «разгон», то снижение частоты работы CPU ниже штатной будет запрещено, и согласно технологии AMD Precision Boost автоматически поднимается частота работы ядер до заданного максимума в пределах теплопакета и температуры конкретной модели процессора.
Если же такого «авторазгона» мало, то есть два пустых профиля для записи своих собственных установок частот и напряжений. В этих случаях можно использовать также предустановленные режимы разгона Game Boost.
Понятное дело, что эти режимы задают довольно жесткие параметры напряжений и частот и входят подчас в конфликт с теми параметрами, что задает сама AMD. Ведь уже широко известно, что тем самым Precision Boost разработчик по сути заведомо разгоняет процессоры и выжимает из них максимум. Это как раз к слову о том самом «барабане» Game Boost, что ранее нам попадался на материнской плате. Как через Dragon Center, так и через BIOS/UEFI можно выбрать: управлять этими пресетами будем аппаратно или программно: то есть просто методом физического переключения «барабана» либо смена пресета будет идти программным путем. Однако, как показала практика, он по сути просто унаследован от предыдущих моделей материнских плат и подчас бесполезен. К тому же, есть AMD Ryzen Master, но про него позже.
Настройки BIOS
Все современные платы сейчас имеют UEFI (Unified Extensible Firmware Interface), которые, по сути, являются операционными системами в миниатюре. Для входа в настройки при загрузке ПК традиционно надо нажать клавишу Del или F2.
По умолчанию система предлагает «простое» меню для тонкой настройки, но можно нажать F7 и попасть в «продвинутое» меню. Понятно, что закладка чисто информационная, поэтому нажимаем F7.
Основные разделы «продвинутого» меню касаются общих установок работы материнской платы, настроек разгона, возможности обновления прошивки BIOS (уже через программный интерфейс), просмотра состояния платы (мониторинга), записи-чтения профилей, в которых занесены установки по разгонам, а также имеется интерактивная схема самой материнской платы, где показаны все основные ее части.
Закладка мониторинга не только просто демонстрирует температуры и частоты вращения вентиляторов, но и дает возможность управлять работой вентиляторов. Ранее я писал, что на плате есть 7 разъемов для подключения оных. И каждый из них имеет возможность управления из BIOS (можно выставить режим контроля: через ШИМ или напрямую), также можно наглядно выставить контрольные точки работы вентиляторов в зависимости от нагрева.
Общие настройки работы системы не сильно отличаются от общепринятых во всех BIOS последних лет.

Про CSM (Compatibility Support Module — блок совместимости со старыми устройствами) уже не раз писал. Это связано с новыми режимами работы загрузочных накопителей в UEFI, а также с файловыми системами. Старые таблицы разделов базируются на MBR, этот вариант распознают все операционные системы. Новые базируются уже на GPT, который «понимает» в качестве загрузочного только Windows 8/10. Если CSM выключить, это будет означать, что загрузочный накопитель отформатирован с GPT, загрузка с него пойдет быстрее (по сути, UEFI «передает вахту» Windows 10, даже не меняя заставку). Если же у вас загрузочный накопитель с MBR, то CSM следует включить, тогда будет опрос и запуск загрузки как раньше. Стоит отметить, что все NVMe-накопители поддерживают загрузку только с GPT.
MSI Fast boot следует включать, если уже отлажены все настройки, чтобы при следующей перезагрузке UEFI не опрашивал все и вся заново, а брал ранее установленные настройки, что ускоряет запуск компа.
Вернемся к вкладке OC Settings, на которой сосредоточены все основные настройки работы системы в плане частот, таймингов и напряжений.





Настроек по разгону не так много, как обычно бывает у самых «продвинутых» и топовых плат, но все достаточно запутанные «дебри». Очевидно, что на то, чтобы все это с умом попробовать, уйдет очень много времени. Однако...
Как уже я говорил ранее, Precision Boost работает уже не хуже, чем заядлый оверклокер.
Поэтому переходим к собственно разгону.
Разгон
Полная конфигурация тестовой системы:
- материнская плата MSI MEG X570 Ace;
- процессор AMD Ryzen 9 3900X 3,8 ГГц;
- оперативная память Corsair UDIMM (CMT32GX4M4C3200C14) 32 ГБ (4×8) DDR4 (XMP 3200 МГц);
- накопитель SSD OCZ TRN100 240 ГБ;
- видеокарта AMD Radeon RX 5700 XT ;
- блок питания Corsair AX1600i (1600 Вт) Вт;
- СО AMD Wraith Prism RGB;
- телевизор LG 43UK6750 (43″ 4K HDR);
- клавиатура и мышь Logitech;
- операционная система Windows 10 Pro (v.1903), 64-битная.
Для проверки стабильности разгона я использовал программы:
- AIDA 64 Extreme
- AMD Ryzen Master
- 3DMark Time Spy CPU benchmark
- 3DMark Fire Strike Physics benchmark
- 3DMark Night Raid CPU benchmark
- HWInfo64
- Adobe Premiere CS 2019 (рендеринг видеоролика)
Итак, можно идти по старому пути — через фирменный Dragon Center или через настройки в BIOS выставлять те или иные частоты, вольтажи, чтобы получить стабильную работу на повышенных частотах. Либо воспользоваться программой AMD Ryzen Master, которая бесплатно раздается самой компанией (утилиту можно скачать с сайта AMD). Уже вышла новая версия, поддерживающая Ryzen 3xxx.
Ryzen Master предлагает два основных режима использования процессора, и в зависимости от них выставляет нужные параметры работы CPU: Creator Mode и Game Mode. Желающие экспериментов могут создать свои профили и пресеты.
Не секрет, что старшие Ryzen 3ххх уже в чем-то схожи с Ryzen Threadripper (у которых есть разделение способов работы с памятью: профессиональный и игровой). Поэтому и в данном случае отличие Creator Mode от Game Mode состоит в том, что (если кратко): в случае Creator Mode идет тонкая настройка работы ядер с памятью для лучшей производительности в приложениях, требующих высокой вычислительной мультиядерной мощности в ущерб частотам, а в случае Game Mode упор идет на максимальные частоты, однако всего лишь на 4-6 ядрах, которых вполне хватает для игр.
И вот посмотрите, при задании Автооверклокинга (автоматического разгона), сразу бросается в глаза настройка по ядрам, вернее, их количество.
Запускаем первый режим Creator Mode, когда задействованы все ядра, максимально поднята частота на каждом. Нагружаем очень жестким тестом рендеринга с помощью Adobe Premiere CS 2019.
Задача моментально нагрузила все ядра процессора (вообще «Премьеру» сколько ни дай ресурсов, он все сожрет и не подавится — это общеизвестно), максимальная частота смогла вырасти до 4.2 ГГц, как начал работать лимит по термопакету (температура нагрева CPU не выше 95С), сбрасывая частоты работы. Таким образом, в этом режиме при очень жесткой нагрузке (проверялось еще и с помощью тестов AIDA64) максимальная частота по процессору достижима в пределах 4,1 — 4,2 ГГц. Разумеется, все тесты шли с расчетом на штатную СО, поставляемую с процессором: вентилятор работал на максимуме, выкручивая обороты на 100% — около 2900 оборотов в минуту (шум был высоким).
Теперь запустим режим Game Mode в AMD Ryzen Master.
Запускал ряд игр: Shadow Of The Tomb Raider, Metro Exodus, выставляя настройки графики на минимум, на средний уровень. Также запускал тесты 3DMark (указанные выше). Картина сильно поменялась: частоты работы ядер выросли, достигали почти 4,5 ГГц, загрузка процессора была высокой, однако всего по 4-8 ядрам (второй блок CCD1 не оптимизировался), остальные почти простаивали, поэтому в целом нагрев был не слишком высок. При этом все же Ryzen Master не позволил поднять частоты выше.
Дальнейшие поиски возможностей поднятия частот работы CPU я не проводил. Оставил это для материнских плат более высокого уровня. Да и вообще, как мне кажется, что выжимка еще пары сотни мегагерц — овчинка выделки не стоит. Все разогнано до нас, как уже раньше говорил.
Надо отметить очень эффективную работу системы охлаждения материнской платы, температуры VRM, чипсета были в пределах разумного, вентилятор на X570 включался всего пару раз.
По разгону памяти скажу, что используемая нами память смогла работать на частоте 3600 МГц (правда пришлось повозиться с настройками), это дало какой-то мизерный прирост по сравнению с 3200 МГц, поэтому не увидел смысла дальше пытаться мучать модули памяти.
Что касается предустановленной на материнке системы Game Boost (тот самый «барабан»), то я попробовал его режимы: собственно, можно его вращать сколько угодно, AMD Precision Boost будет управлять термопакетом, не допуская перегрева CPU выше 95С, частоты работы будут при этом понижаться (вне зависимости от выставленного режима Game Boost). Можно, конечно, выключить Precision Boost, но там уже будет огромный риск для процессора. Если кому-то нужны тесты в этом абсолютно ручном режиме оверклокинга без контроля со стороны безопасности AMD, то он может предоставить свой процессор и подписаться в том, что не будет иметь претензий, если процессор помрет. :) У нас всего один сэмпл, и им рисковать мы не будем.
Выводы
Плата MSI MEG X570 Ace по меркам премиального сегмента относительно дешева, хотя это понятие условное: на момент написания материала она имела цену около 26-28 тысяч рублей, и понятно, что многим это покажется чрезмерно дорого. При этом у нее отменная функциональность: 17 портов USB всех калибров, прекрасно защищенные слоты PCI-E, три слота M.2 (поддерживающие PCI-E 4.0!). Разумеется, производительность самих новых Ryzen мы в обзоре оставили за скобками (от материнской платы она почти не зависит). Стоит отметить очень хорошую систему питания, дающую ощутимый запас для разгона и обеспечивающую гибкие возможности регулирования напряжений (программа AMD Ryzen Master тестирует это при запуске режима разгона). 7 разъемов для вентиляторов позволяют организовать какую угодно систему охлаждения ПК, при этом есть гибкая система контроля за работой каждого вентилятора! Еще в плюсы надо добавить красивую подсветку самой платы, включая широкие возможности для подключения дополнительных RGB-устройств, в том числе проприетарные решения Corsair. Можно упомянуть и поддержку быстрой зарядки мобильных гаджетов через порты USB Type-C. Поддержка со стороны программного обеспечения также хороша: универсальное приложение Dragon Center обеспечивает широкие возможности настройки работы и контроля за состоянием самой платы и системного блока в целом.
Плата получилась очень интересной, но стоит ли платить за нее такие деньги? Ведь есть платы на том же AMD X570 и за 15 тысяч. Но во-первых, мы еще не изучали те решения и не можем сказать, насколько те урезаны по сравнению с серией MEG. Во-вторых, очевидно, что тот же AMD Ryzen Master тщательно «щупает» систему питания и выставляет максимально возможные частоты работы только на платах премиального уровня (никто не будет делать такую же продвинутую систему питания на платах среднего уровня). Поэтому для топового сегмента MSI MEG X570 Ace весьма хороша, а в этом сегменте есть материнки и за 45-55 тысяч рублей.
Не забывайте и про длительную гарантию (при регистрации продукта).
Со своей стороны, мы будем стремиться изучить и относительно дешевые материнские платы на Х570, чтобы понять на основе объективных сравнений, действительно ли нужны платы премиального сегмента с ценой выше 20 тысяч? Хватит ли платы, скажем, за 13 тысяч? Или вообще вставить Ryzen 3000 в плату на B450 за 6000 рублей и радоваться жизни?..
В номинации «Оригинальный дизайн» плата MSI MEG X570 Ace получила награду:

Благодарим компанию MSI Russia
и лично Валерию Корнееву
за предоставленную на тестирование плату
Для тестового стенда:
блок питания Corsair AX1600i (1600W) предоставлен компанией Corsair
термопаста Noctua NT-H2 предоставлена компанией Noctua











































































