Оглавление
- Форм-фактор
- Технические характеристики
- Основная функциональность: чипсет, процессор, память
- Периферийная функциональность: PCIe, SATA, разные «фенечки»
- Периферийная функциональность: USB-порты, сетевые интерфейсы, ввод-вывод
- Аудиоподсистема
- Питание, охлаждение
- Подсветка
- Программное обеспечение под Windows
- Настройки BIOS
- Работоспособность (и разгон)
- Выводы
Всю детальную информацию о новом семействе процессоров 13-го поколения от Intel (на примере i9-13900K) можно найти в материале от Алексея Берилло.
А мы занимается дальнейшим изучением материнских плат на базе Intel Z790, которые попадают на наш рынок.
Посмотрим на различия между системными чипсетами последних 4х поколений.
| Особенности | Z790 | Z690 | Z590 | Z490 |
|---|---|---|---|---|
| Совместимость с процессорами Intel | 13th/12th Gen Core | 13th/12th Gen Core | 10th & 11th Gen Core | 10th & 11th Gen Core |
| Версия PCIe (процессор) | 4.0 & 5.0 | 4.0 & 5.0 | 3.0 (10th Gen) or 4.0 (11th Gen) | 3.0 (10th Gen) or 4.0 (11th Gen) |
| Количество линий PCIe (процессор) | 20 | 20 | 16 (10th Gen) or 20 (11th Gen) | 16 |
| Версия PCIe (чипсет) | 3.0 & 4.0 | 3.0 & 4.0 | 3.0 | 3.0 |
| Количество линий PCIe (чипсет) | 28 (20 x 4.0 & 8 x 3.0) | 28 (12 x 4.0 & 16 x 3.0) | 24 | 24 |
| Версия DMI | 4.0 | 4.0 | 3.0 | 3.0 |
| Количество линий DMI | x8 | x8 | x8 | x4 |
| Поколение ОЗУ | DDR4 & DDR5 | DDR4 & DDR5 | DDR4 | DDR4 |
| Количество каналов ОЗУ | 2 | 2 | 2 | 2 |
| Максимальное количество слотов ОЗУ | 4 | 4 | 4 | 4 |
| Максимальный объем ОЗУ | 128 ГБ | 128 ГБ | 128 ГБ | 128 ГБ |
| Количество портов SATA 6.0 Gb/s до | 8 | 8 | 6 | 6 |
| Порты USB 3.2 Gen 2x2 (20Gbps) до | 5 | 4 | 3 | 0 |
| Порты USB 3.2 Gen 2x1 (10Gbps) до | 10 | 10 | 10 | 6 |
| Порты USB 3.2 Gen 1x1 (5Gbps) до | 10 | 10 | 10 | 10 |
| Порты USB 2.0 до | 14 | 14 | 14 | 14 |
| Встроенная поддержка Wi-Fi | Wi-Fi 6E | Wi-Fi 6E | Wi-Fi 6 | Wi-Fi 6 |
Чипсет Z790, как и его предшественник, получил 38 высокоскоростных портов (High Speed In Out, HSIO).
Также у Z790 мы видим поддержку до 5х интегрированных USB 3.2 Gen2x2 (до 20 Gb/s) портов (правда каждый из них требует поддержки со стороны двух USB 3.2 Gen2, неважно, от самого Z790 или сторонних хабов).
Также 12е и 13е поколения процессоров имеет поддержку PCIe 5.0 в виде 16 линий (расходуемые на слоты PCIe x16), плюс 4 линии PCIe 4.0, идущие на М.2 слот, получающий данные непосредственно от процессора. По поводу памяти : 13е поколение (как и 12е) процессоров может работать как с DDR5, так и с DDR4.
Многие пользователи знают, что у компании MSI имеется три основных сегмента игровых материнских плат: MEG (самый «топ»), MPG (это MEG, но без ряда «фишек» по оверклокингу, ну и в целом наворотов мало) и MAG (а это самый дешевый игровой сегмент, где «штучек-дрючек» нет, но упор делается на простоту подключений и строгий дизайн под ПК любой конфигурации).
Герой нынешнего обзора — MSI MAG Z790 Tomahawk WiFi. То есть материнка из семейства MAG (MSI Arsenal Gaming), которая относится к нижнебюджетным среди игровых решений (ну по сути самым простым), однако все равно являет собой отличный инструмент для современного ПК, обладая широкими возможностями как по набору периферии, так и по возможностям питания.
Приступим.
MSI MAG Z790 Tomahawk WiFi поставляется в стандартной коробке. Комплект размещен под платой в отдельном отсеке.
Комплект поставки очень прост: кроме традиционных элементов типа руководства пользователя и кабелей SATA, имеются антенны встроенного Wi-Fi-модуля, дополнительные крепежи для М.2 слотов, бонусные стикеры.
ПО не поставляется, впрочем за время путешествия платы к покупателю оно все равно успевает устареть, так что придется его загружать с сайта производителя сразу после покупки.
«Заглушка» на заднюю панель с разъемами уже смонтирована на самой плате.
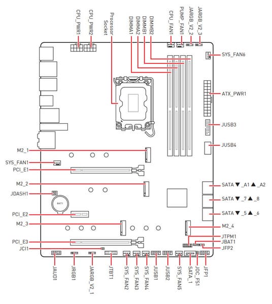
Форм-фактор
Форм-фактор ATX имеет размеры до 305×244 мм, а E-ATX — до 305×330 мм. Материнская плата MSI MAG Z790 Tomahawk WiFi имеет размеры 305×244 мм, поэтому выполнена в форм-факторе ATX, и на ней имеются 9 монтажных отверстий для установки в корпус.
Оборотная сторона — почти пустая, там расположены некоторые элементы логики, включая удвоителей фаз питания. Текстолит обработан хорошо: во всех точках пайки не только острые концы срезаны, но и все неплохо отшлифовано.
По традиции у всех плат от MSI на оборотной стороне обозначены места, где могут оставаться ненужные в данный момент крепежные втулки (чаще всего латунные), на которые обычно ложится матплата в корпусе, и к которым ее прикручивают. Эти места отмечены белой краской, и нарочно в них нет никаких электропроводных элементов, чтобы в случае установки матплаты не было случайных замыканий или повреждений от лишней крепежной втулки.
Технические характеристики
Традиционная таблица с перечнем функциональных особенностей.
| Поддерживаемые процессоры | Intel Core 12/13-го поколений |
|---|---|
| Процессорный разъем | LGA 1700 |
| Чипсет | Intel Z790 |
| Память | 4 × DDR5, до 7200 МГц (XMP), до 192 ГБ, два канала |
| Аудиоподсистема | 1 × Realtek RTL4080 (7.1) |
| Сетевые контроллеры | 1 × Intel I225-V Ethernet 2,5 Гбит/с 1 × Intel Dual Band Wireless AX211NGW (Wi-Fi 802.11a/b/g/n/ac/ax (2,4/6 ГГц) + Bluetooth 5.3) |
| Слоты расширения | 1 × PCIe 5.0 x16 (режим x16) 1 × PCIe 4.0 x16 (режим x4) 1 × PCIe 3.0 x1 (режим x1) |
| Разъемы для накопителей | 7 × SATA 6 Гбит/с (Z790+ASM1061) 1 × M.2 (M.2_1,CPU, PCIe 4.0 x4 для устройств формата 2260/2280/22110) 1 × M.2 (M.2_2,Z790, PCIe 4.0 x4 для устройств формата 2260/2280) 1 × M.2 (M.2_3,Z790, PCIe 4.0 x4/SATA для устройств формата 2242/2260/2280) 1 × M.2 (M.2_4,Z790, PCIe 4.0 x4 для устройств формата 2242/2260/2280) |
| USB-порты | 4 × USB 2.0: 2 внутренних разъема на 4 порта (GL850G) 4 × USB 3.2 Gen1: 4 порта Type-A (синие) (GL3523) 2 × USB 3.2 Gen1: 1 внутренний разъем на 2 порта (GL3523) 1 × USB 3.2 Gen2x2: 1 внутренний разъем Type-C (Z790) 4 × USB 3.2 Gen2: 4 порта Type-A (красные) (Z790) 1 × USB 3.2 Gen2: 1 порт Type-C (Z790) 1 × USB 3.2 Gen2x2: 1 порт Type-C (Z790) |
| Разъемы на задней панели | 1 × USB 3.2 Gen2x2 (Type-C) 1 × USB 3.2 Gen2 (Type-C) 4 × USB 3.2 Gen2 (Type-A) 4 × USB 3.2 Gen1 (Type-A) 1 × RJ-45 5 аудиоразъемов типа миниджек 1 разъем S/PDIF 2 антенных разъема 1 разъем HDMI out 1 разъем Display Port out кнопка сброса CMOS кнопка перепрошивки BIOS — Flash BIOS |
| Прочие внутренние элементы | 24-контактный разъем питания ATX 2 8-контактный разъем питания EPS12V 1 слот M.2 (E-key), занят адаптером беспроводных сетей 1 разъем для подключения порта USB 3.2 Gen2 Type-C 1 разъем для подключения 2 портов USB 3.2 Gen1 2 разъема 4 портов USB 2.0 8 разъемов для подключения 4-контактных вентиляторов и помп ЖСО 3 разъема для подключения адаптеров подсветки (1 разъем неадресуемой RGB-ленты, 2 разъема адресуемой ARGB-ленты) 1 разъем для дискретной карты Intel Thunderbolt 1 разъем для TPM 1 разъем для подключения адаптера управления с передней панели корпуса 1 разъем для Tuning Controller |
| Форм-фактор | ATX (305×244 мм) |
| Средняя цена |
Основная функциональность: чипсет, процессор, память


Схема работы связки чипсет+процессор.
Формально имеется поддержка памяти DDR5 до 5600 МГц, однако всем хорошо известно, и производители материнских плат это активно рекламируют: через XMP-профили сейчас можно использовать частоты до 7000 и выше МГц. В частности данная плата поддерживает частоты до 7200 МГц (DDR5).
Процессоры Intel Core 13/12-го поколений (совместимые с сокетом LGA1700 и поддерживаемые Z790) имеют 20 линий ввода-вывода (16 PCIe 5.0, 4 PCIe 4.0), не имеют USB и SATA портов. При этом взаимодействие с Z790 идет по особому каналу Digital Media Interface 4.0 (DMI 4.0 x8). Все PCIe линии процессора идут на слоты расширения PCIe и порт М.2. Serial Peripheral Interface (SPI) используется для взаимодействия с системой UEFI/BIOS, а шина Low Pin Count (LPC) — для связи с устройствами ввода/вывода, не требующими высокой пропускной способности (контроллерами вентиляторов, TPM, старой периферии).
В свою очередь чипсет Z790 поддерживает в сумме 38 линий ввода/вывода, которые распределяться могут так:
- до 14 портов USB (из которых до 5 портов USB 3.2 Gen2х2, 10 портов USB 3.2 Gen2, до 10 портов USB 3.2 Gen1, до 14 портов USB 2.0, линии USB 2.0 используются в том числе и для поддержки 3.2 портов, а каждый порт USB 3.2 Gen2х2 требует поддержки со стороны двух USB 3.2 Gen2);
- до 8 портов SATA 6Гбит/с;
- до 28 линий PCIe (8 версии 3.0 и 20 версии 4.0).
MSI MAG Z790 Tomahawk WiFi поддерживает процессоры Intel Core 12/13-го поколений, выполненные под разъем (сокет) LGA1700.
Для установки модулей памяти на плате MSI имеется четыре DIMM-слота (для работы памяти в Dual Channel в случае использования всего 2 модулей их следует устанавливать в А2 и B2. Плата поддерживает небуферизованную память DDR5 (non-EСС), а максимальный объем памяти составляет 192 ГБ. Поддерживаются модули емкостью 24 и 48 ГБ, а также профили XMP.
Слоты DIMM не имеют металлической окантовки, защищающую их как от физических повреждений, как и от помех.
Периферийная функциональность: PCIe, SATA, разные «фенечки»
Выше мы изучили потенциальные возможности тандема Z790+Core, а теперь посмотрим, что из этого и как реализовано в данной материнской плате.
Кроме USB-портов, к которым мы подойдем позже, чипсет Z790 обладает 28 PCIe линиями. Считаем, сколько линий уходит на поддержку (связь) с тем или иным элементом (надо учитывать, что 28 линий не единой версии, а 20 линий PCIe 4.0 и 8 линий PCIe 3.0):
- Слот PCIe x16_2 (PCI_E3) (4 линии PCIe 4.0);
- Слот PCIe x1 (PCI_E2) (1 линия PCIe 3.0);
- порты SATA_5/6/78: 4 линии PCIe 3.0;
- ASMedia ASM1061 (SATA_A1/A2) (1 линия PCIe 3.0);
- Слот M.2_2 (4 линии PCIe 4.0);
- Слот M.2_4 (4 линии PCIe 4.0);
- Переключатель: или слот M.2_3 или порт SATA_1 (максимально 4 линии PCIe 4.0);
- Intel i225-V (Ethernet 2,5Gb/s) (1 линия PCIe 3.0);
- Intel AX210NGW WIFI/BT (Wireless) (1 линия PCIe 3.0)
24 линий PCIe оказались занятыми (16 PCIe 4.0 + 8 PCIe 3.0). В случае использования современных аудиокодеков связь между ними и Z790 идет через USB-порт. Также один USB 2.0 расходуется на поддержку BT (при наличии слота M.2 (key E) и контроллеры GL3523, GL850G для своих нужд использует сигнальные линии USB 2.0 Детально об этом ниже в разделе USB-портов.
Теперь посмотрим выше на то, как работают процессоры в данной конфигурации. У CPU 12/13-го поколений всего 20 линий PCIe, 4 из них версии PCIe 4.0 отведены на порт М.2 (M2_1). Оставшиеся 16 линий PCIe 5.0 идут на слот PCIe x16_1 (PCIe_E1). Вариантов переключения нет, потому и мультиплексоров для слотов нет.
Теперь в целом про слоты PCIe.

Всего на плате есть 3 слота: слот PCIe x16_1 (PCI_E1) (для видеокарт или других устройств), слот PCIe x16_2 (PCI_E3, фактически имеющий 4 линии) и один PCIe_x1 (PCI_E2). Если про первый PCIe x16 я выше уже рассказал (он подключен к CPU), то PCIe x16_2 подключен к Z790 и работает в режиме х4.
Первый слот PCIe x16 имеет металлическое армирование из нержавеющей стали, которое увеличивает надежность (что может быть важным в случае довольно частой смены видеокарт, но что более важно: такой слот легче выдержит нагрузку на изгиб в случае установки очень тяжелой видеокарты топового уровня. Кроме того, такая защита предохраняет слот от электромагнитных помех.
Матплата позволяет смонтировать СО любого размера.
На очереди — накопители.
Всего у платы 7 разъемов Serial ATA 6 Гбит/с + 4 слота для накопителей в форм-факторе M.2. Порты SATA странно промаркированы: 1, 5, 6, 7, 8, A1, A2. 5 из них реализованы через чипсет Z790 и поддерживают создание RAID. При этом порт SATA 1 делит ресурсы с портом М.2_3.
Остальные 2 порта SATA A1/A2 реализованы через ASM1061 от ASMedia.
Материнская плата имеет 4 гнезда форм-фактора М.2.
Второй, третий и четвертый слоты M.2 получают данные от чипсета Z790, при этом все они поддерживают PCIe 4.0. Первый M.2_1 получает данные от CPU (PCIe 4.0). При этом М.2_3 поддерживает модули с любым интерфейсом, а все остальные работают с модулями только с PCIe интерфейсом.
Все слоты М.2 поддерживают размеры модулей 2260/2280, а также М.2_1 позволяет установить накопители размером до 22110, а в М.2_3 и М.2_4 установятся и с размером 2242. На всех M.2 можно организовать RAID. Слот М.2_3 делит ресурсы с портом SATA 1: при использовании в М.2_3 накопителя с SATA интерфейсом порт SATA 1 отключен.
Для реализации этого переключения имеется мультиплексор PI3DBS1641 от Diodes Inc.
Все M.2 слоты имеют радиаторы. M.2_1 и М.2_2 обладают отдельными радиаторами, когда как остальные слоты M.2 имеют общий радиатор.
Периферийная функциональность: USB-порты, сетевые интерфейсы, ввод-вывод
Теперь на очереди USB-порты и прочие вводы-выводы. И начнем с задней панели, куда выведены большинство из них.
Повторим: чипсет Z790 способен реализовать не более 14 портов USB, из которых может быть до 10 портов USB 3.2 Gen1, до 10 портов USB 3.2 Gen2, до 5 портов USB 3.2 Gen2x2, и/или до 14 портов USB 2.0.
Также мы помним и про 28 линий PCIe, которые идут на поддержку накопителей, сетевых и иных контроллеров (я выше уже показал на что и как расходуются 24 линии из 28).
И что мы имеем? Всего на материнской плате — 17 портов USB:
- 2 порта USB 3.2 Gen2x2: оба реализованы с помощью 4 линий USB 3.2 Gen2 от Z790 (по 2 на каждый порт) и представлены: портом Type-C на задней панели и внутренним портом Type-C (для подключения к соответствующему разъему на передней панели корпуса);
- 5 портов USB 3.2 Gen2: все реализованы через Z790 и представлены на задней панели: 4 – портами Type-A (красного цвета); 1 – портом Type-C;
- 6 портов USB 3.2 Gen1: 2 реализованы через контроллер Genesys Logic GL3523G (на него потрачена 1 линия USB 2.0) и представлены внутренним разъемом на материнской плате на 2 порта); еще 4 реализованы через второй контроллер Genesys Logic GL3523G (на него потрачена 1 линия USB 2.0) и представлены на задней панели 4 портами Type-A (синего цвета);
- 4 порта USB 2.0/1.1: все реализованы через контроллер Genesys Logic GL850G (на него потрачена 1 линия USB 2.0) и представлены двумя внутренними разъемами на материнской плате (каждый на 2 порта).
Таким образом, у нас 5 контроллеров используют USB линии:
- Genesys Logic GL3523 (2 USB 3.2 Gen1) (1 линия USB 2.0);
- Genesys Logic GL3523 (4 USB 3.2 Gen1) (1 линия USB 2.0);
- Genesys Logic GL850G (4 USB 2.0) (1 линия USB 2.0);
- Audio (1 линия USB 2.0);
- Bluetooth (AX210) (1 линия USB 2.0).
Итак, через чипсет Z790 реализовано высокоскоростных портов USB:
- 2 выделенных USB 3.2 Gen2x2 (не в счет, ибо получены засчет других HSIO);
- + 5 выделенных USB 3.2 Gen2
- + 4 USB 3.2 Gen2 на поддержку двух USB 3.2 Gen2x2
= 9 высокоскоростных портов. Не забываем, что каждый высокоскоростной порт USB обеспечен портом USB 2.0, то есть уже 9 портов USB 2.0 также занято. Плюс 5 портов USB 2.0 на обеспечение контроллеров. Всего 14 USB портов реализовано.
Ну и 24 линии PCIe, выделенных на поддержку иной периферии.
Итого у Z690 в данном случае реализовано 33 высокоскоростных порта из 38.
Все быстрые USB порты Type-C оснащены ре-драйверами от Diodes Inc и ASMedia, дающими устойчивый вольтаж, способный обеспечить быструю зарядку мобильных гаджетов через них.
Теперь о сетевых делах.
Материнская плата оснащена средствами связи хорошо. Имеется скоростной Ethernet-контроллер Intel i225-V, способный работать по стандарту 2,5 Гбит/с.
Имеется и комплексный беспроводной адаптер на контроллере Intel AX-211NGW, через который реализованы Wi-Fi 6E (802.11a/b/g/n/ac/ax) и Bluetooth 5.3. Он установлен в слот M.2 (E-key), и его разъемы для привинчивания выносных антенн выведены на заднюю панель.
Заглушка, традиционно надеваемая на заднюю панель, в данном случае уже надета, и изнутри экранирована для снижения электромагнитных помех.
Аудиоподсистема
В данном случае применен аудиокодек Realtek ALC4080. Он обеспечивает вывод звука по схемам до 7.1 с разрешением до 32 бит / 384 кГц.
В аудиоцепях платы применяются «аудиофильские» конденсаторы Nichicon Fine Gold.
Аудиотракт вынесен на угловую часть платы, не пересекается с другими элементами.
Все аудиоразъемы на задней панели имеют позолоченное покрытие, однако нет привычной цветовой окраску разъемов, поэтому ориентироваться можно только по обозначениям.
Питание, охлаждение
Для питания платы на ней предусмотрены 3 разъема: в дополнение к 24-контактному ATX (он на правой стороне платы (на фото — слева) здесь есть еще два 8-контактных EPS12V.
Схема питания процессора выполнена по схеме 16+1+1 (всего 18 фаз, 16 на VCore, 1 на iGPU и 1 на VCCIO).
Каждый канал фазы имеет суперферритовый дроссель и RAA 220075RO MOSFET от Renesas на 75 А для встроенного графического ядра, ISL99390 (90A, Renesas) для VCore и MP87670 от Monolithic Power Systems для VCCIO на 70А.
Управляет схемой питания VCore и iGPU ШИМ-контроллер RAA229132 от того же Renesas, рассчитанный максимум на 12 фаз.
Так что мы видим, что схема питания должна иметь или удвоители, или просто параллельные потоки. Заглянув на оборотную сторону матплаты, находим там удвоители фаз ISL6617A от Renesas, как раз 8 штук. Так что, схема реально выглядит как 8х2+1+1 – всего 10 реальных фаз питания, девятью из них и управляет вышеназванный ШИМ-контроллер.
А для одной фазы VCCIO имеется свой ШИМ-контроллер от Monolithic Power Systems.
Питание VCCSA имеет однофазную схему.
Теперь про охлаждение.
Все потенциально сильно греющиеся элементы имеют свои собственные радиаторы.
Как мы видим, охлаждение чипсета (один радиатор) организовано отдельно от силовых преобразователей. VRM-секции имеют свои два раздельных радиатора.
Как я уже упоминал ранее, M.2 слоты также имеют радиаторы: у верхнего и среднего — по своему персональному радиатору, у М.2_3 и М.2_4 – общий радиатор.
Стоит особо отметить новый способ крепления радиатора для М.2_1 – с защелкой. Это очень помогает быстро демонтировать и установить радиатор без поиска отвертки и траты времени на откручивание винтов.
Подсветка
Программное обеспечение под Windows
Настройки BIOS
Работоспособность (и разгон)
Запускаем все в режиме по умолчанию (но при этом активизируем MCE). Затем нагружаем тестами.
В режиме авторазгона мы получили 5.5 ГГц по всем P-ядрам, и 4.3 ГГц по всем Е-ядрам! Напомню, что Р-ядра — это обычные всем привычные ядра, имеющие по 2 потока каждый, «Р» — означает Performance, то есть производительные. «Е» — это энергоэффективные ядра, так называемые, малые ядра, у них по 1 потоку. В целом мы видим, что система по умолчанию, определив мощное питание матплаты, выставила очень приличный авторазгон. Все остальные параметры системы по нагреву компонентов были в норме.
С учетом того, что эта матплата – не оверклокерская, относится к самому простому семейству игровых плат MAG, такого авторазгона более чем достаточно.
Выводы
Материнская плата MSI MAG Z790 Tomahawk WiFi — добротный представитель серии игровых плат MAG с примерной стоимостью в районе 30-35 тысяч рублей. Рассмотренная модель предназначена для поддержки 12- и 13-го поколений процессоров Intel Core и, конечно, подойдет любым покупателям, а не только геймерам.
У платы 17 USB-портов, включая 5 очень быстрых USB 3.2 Gen2, а также 2 самых быстрых USB 3.2 Gen2×2. Есть 2 слота PCIe х16, один из которых подключен к процессору 16 линиями PCIe, причем версии 5.0, а другой подключен к чипсету и работает в режиме х4. Также у платы 4 слота M.2: один из них подключен напрямую к процессору, 3 других подключены к чипсету Z790 — все линиями PCIe 4.0.
Еще у этой модели 7 портов SATA и 8 разъемов для вентиляторов. Система питания процессора очень мощная и способна обеспечить работу любых совместимых процессоров с приличным запасом на разгон (несмотря даже на то, что в схеме используются удвоители фаз питания). Также мы видим очень грамотную систему охлаждения каждого потенциально греющегося элемента, включая накопители в слотах M.2. Сетевые возможности хорошие: быстрый проводной контроллер 2,5 Гбит/с, а также один самый современный беспроводной. В числе плюсов платы можно упомянуть широкие возможности для подключения RGB-устройств подсветки.







































































































