Оглавление
- Форм-фактор
- Технические характеристики
- Основная функциональность: чипсет, процессор, память
- Периферийная функциональность: PCIe, SATA, разные дополнительные устройства
- Периферийная функциональность: USB-порты, сетевые интерфейсы, ввод-вывод
- Аудиоподсистема
- Питание, охлаждение
- Подсветка
- Программное обеспечение под Windows
- Настройки BIOS
- Работоспособность (и разгон)
- Выводы
Мы продолжаем изучать, как устроена та или иная материнская плата, на что способна система питания, с каким ассортиментом периферии, а также программных средств она попадает к потребителю. Особо хочу отметить, что вопросы производительности процессоров в той или иной матплате не касаются данного раздела, ибо исследование процессоров — в своем разделе. Что касается разгонов (оверклокинга) процессоров, то: во-первых, это опять же не задача обзоров материнских плат, во-вторых, степень разгона зависит от конкретного экземпляра процессора, в том числе и разгона оперативной памяти, так как контроллеры памяти – в процессорах и также зависят от конкретного экземпляра; в-третьих, на оверклокинг сильно может влиять та или иная версия BIOS, и не факт, что последняя версия – самая лучшая для темы по разгону. Поэтому прошу учесть эти моменты. Если какой-либо производитель внес новую функцию, улучшающую (по его словам) оверклокинг, то мы так и донесем о наличии таковой. Проверять не будем по выше указанным причинам. Тема разгона – это огромный и сложный вопрос, и для него нужен чуть ли не отдельный автор, так как можно неделями подбирать нужные опции и установки из сотен в BIOS, включая аппаратные возможности той или иной матплаты.
Перейдем к делу.
В прошлом году обновилась линейка системных чипсетов от AMD, сие поколение получило цифру 8, то есть X870/B850 и так далее. И мы продолжаем знакомиться с матплатами, основанными уже на чипсете среднего уровня – AMD B850.
Таблица основных отличий чипсетов AM5 двухлетней давности и последнего поколения.
| Особенности | B650/B650E | B850 | X870 | X670/X670E | X870E |
|---|---|---|---|---|---|
| Совместимость с процессорами AMD | Ryzen 7xxx/8xxx/9xxx | ||||
| Версия PCIe (процессор) | 4.0 & 5.0/5.0 | 4.0 & 5.0 | 5.0 | 4.0 & 5.0/5.0 | 5.0 |
| Количество линий PCIe (процессор) | 28 | ||||
| Количество линий PCIe от процессора на связь с чипсетом | x4 PCIe 4.0 | ||||
| Версия PCIe (чипсет) | 3.0 & 4.0 | ||||
| Количество линий PCIe (чипсет) | 12 (8 x 4.0 & 4 x 3.0) | 12 (8 x 4.0 & 4 x 3.0) | 12 (8 x 4.0 & 4 x 3.0)* | 20 (12 x 4.0 & 8 x 3.0) | 20 (12 x 4.0 & 8 x 3.0)* |
| Поколение ОЗУ | DDR5 | ||||
| Количество каналов ОЗУ | 2 | ||||
| Максимальное количество слотов ОЗУ | 4 | ||||
| Максимальный объем ОЗУ | 256 ГБ | ||||
| Количество портов SATA 6.0 Gb/s до | 4 | 4 | 4 | 8 | 8 |
| Порты USB4 (40Gbps) до | необязательно, по желанию производителя через сторонний контроллер | необязательно, по желанию производителя через сторонний контроллер | 2 (обязательно) через сторонний контроллер с выделением для него 4х линий PCIe | необязательно, по желанию производителя через сторонний контроллер | 2 (обязательно) через сторонний контроллер с выделением для него 4х линий PCIe |
| Порты USB 3.2 Gen 2x2 (20Gbps) до | 1 | 1 | 1 | 2 | 2 |
| Порты USB 3.2 Gen 2x1 (10Gbps) / Gen 1x1 (5Gbps) до | 6 | 6 | 6 | 8 | 8 |
| Порты USB 2.0 до | 6 | 6 | 6 | 12 | 12 |
| Конфигурация слота PCIe x16 (от процессора) | только x16/x16 или x8+x8 или x8+x4+x4 | x16 или x8+x8 или x8+x4+x4 | x16 или x8+x8 или x8+x4+x4 | только x16/x16 или x8+x8 или x8+x4+x4 | x16 или x8+x8 или x8+x4+x4 |
| Возможность разгона по частоте шины | Да | ||||
Примечание: * – 4 линии PCIe 4.0 могут быть зарезервированы для контроллера USB4 как у чипсета, так и у CPU.
Более 2х лет назад AMD внедрила размещение старшего чипсета X670/X670E в виде двух микросхем Promontory 21, которые между собой также соединяются линиями PCIe 4.0, при этом каждый их этих чипов представлял собой фактически более младшие решения B650/B650E. Если как-то грубо отбросить трату 4х линии PCIe на связь между данными микросхемами, то можно сказать, что X6xx имеет ровно в 2 раза больше линий и портов, чем B6xx, то есть разница между X670/X670E и B650/650E – очень существенная именно по количеству имеющихся линий PCIe/USB. Суффикс «E» у тех чипсетов означает лишь поддержку PCIe 5.0 от процессора для слота PCIe x16 и слотов M.2 (а также возможность деления 16-ти линий на варианты x8+x8 или x8+x4+x4), когда как у аналогов без «Е» на «процессорных» слотах версия 4.0 (и 16 линий PCIe делить нельзя – только 1 вариант: все 16 линий на слот для видеокарт).
Мы также знаем, что поколение X8хх отличается от X6хх прежде всего обязательным присутствием контроллера USB4, что ранее было опциональным и зависело от желания партнера AMD, однако матплаты на B850 в большинстве своем обходятся без USB4.
Стоит напомнить, что B850 физически это тот же чип Promontory 21, то есть AMD B850 – это по сути B650 (от процессора на слоты и порты могут идти линии PCIe как версии 5.0, так и 4.0 – на выбор производителя), нет обязательной поддержки USB4, но при этом имеется опция разделения 16 линий для видеокарты на x8+x8 – что являлось прерогативой B650E).
А теперь переходим к объекту сегодняшнего исследования: материнская плата MSI MAG B850 Tomahawk Max WiFi. Эта матплата принадлежит относительно малобюджетной игровой серии MAG, поэтому данная плата имеет стоимость в пределах 22 – 26 тысяч рублей. Подчеркну, что у MSI вся игровая линейка MAG/MPG/MEG материнских плат маркетологами поставлена выше остальных (прежде всего по стоимости), поэтому не стоит удивляться, что продукты из серии MAG могут быть дороже, чем из серий Pro или Gaming (вот тут меня давно удивляет момент, что у MSI кроме MAG/MPG/MEG еще появилась и серия Gaming: пути маркетинга неисповедимы).
MSI MAG B850 Tomahawk Max WiFi поставляется в коробке стандартного дизайна серии MAG. Комплект размещен под платой в отдельном отсеке.
В комплект поставки входят: краткое руководство пользователя (детальное можно скачать с сайта производителя), один кабель SATA, адаптер-удлинитель EZ Conn V1 для подключения вентиляторов MSI к проприетарному гнезду JAF_1, адаптер EZ Front Panel Cable для удобного подключения кабелей от корпуса к матплате, ключ для смены стоек в слотах M.2, запасные стойки, антенна встроенного Wi-Fi-модуля (на фото нет) и бонусные стикеры.
ПО не поставляется, однако по-любому последние версии надо скачивать с вебсайта производителя.
«Заглушка» на заднюю панель с разъемами уже смонтирована на самой плате.
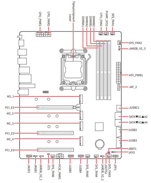
Форм-фактор
Форм-фактор ATX имеет размеры до 305×244 мм, а E-ATX — до 305×330 мм. Материнская плата MSI MAG B850 Tomahawk Max WiFi имеет размеры 305×244 мм, поэтому выполнена в форм-факторе ATX, и на ней имеются 9 монтажных отверстий для установки в корпус.
На оборотной стороне расположены некоторые электронные логические элементы. Текстолит обработан неплохо: во всех точках пайки срезаны острые концы.
Защитной пластины (бэкплейта) у платы нет.
На тыльной стороне платы имеются маркировки в местах потенциального нахождения стоек в корпусе для крепления матплат в местах, где у данной платы нет крепежных отверстий.

Технические характеристики
Традиционная таблица с перечнем функциональных особенностей.
| Поддерживаемые процессоры | AMD Ryzen 7xxx/8xxx/9xxx |
|---|---|
| Процессорный разъем | AM5 |
| Чипсет | AMD B850 |
| Память | 4 × DDR5, до 8400 МТ/с (XMP), до 256 ГБ, два канала |
| Аудиоподсистема | 1 × Realtek ALC4080 (7.1) |
| Сетевые контроллеры | 1 × Realtek RTL8126 Ethernet 5 Гбит/с 1 × Qualcomm Dual Band Wireless QCNCM865 (Wi-Fi7 802.11a/b/g/n/ac/ax/be (2,4/5/6 ГГц) + Bluetooth 5.4) |
| Слоты расширения | 1 × PCIe 5.0 x16 (PCI_E1, режим x16/X8+X8/X4+X4+X4+X4) 1 × PCIe 3.0 x1 PCI_E2, (режим x1) 1 × PCIe 4.0 x16 (PCI_E3, режим x4/x2) * |
| Разъемы для накопителей | 4 × SATA 6 Гбит/с (ASM1064) 1 × M.2 (M.2_1, CPU, PCIe 5.0 x4 для устройств формата 22110/2280) 1 × M.2 (M.2_2, CPU, PCIe 5.0 x4 для устройств формата 2280/2260) 1 × M.2 (M.2_3, B850, PCIe 4.0 x4 для устройств формата 2280/2260)* 1 × M.2 (M.2_4, B850, PCIe 4.0 x4 для устройств формата 2280/2260) |
| USB-порты | 4 × USB 2.0: 2 внутренних разъема на 4 порта (B850) 4 × USB 2.0: 4 порта Type-A (черные) (GL850G) 4 × USB 3.2 Gen1: 2 внутренних разъема на 4 порта (GL3523) 1 × USB 3.2 Gen2: 1 порт Type-A (синий) (B850) 3 × USB 3.2 Gen2: 3 портa Type-C (CPU) 2 × USB 3.2 Gen2: 2 порта Type-A (красные) (CPU+B850) 1 × USB 3.2 Gen2x2: 1 внутренний разъем Type-C (B850) |
| Разъемы на задней панели | 4 × USB 2.0 (Type-A) 3 × USB 3.2 Gen2 (Type-C) 2 × USB 3.2 Gen2 (Type-A) 1 × RJ-45 2 аудиоразъема типа миниджек 1 оптический аудиоразъем S/PDIF 1 × HDMI (выход) 1 кнопка сброса CMOS 1 кнопка обновления прошивки BIOS - Flash BIOS 2 антенных разъема |
| Прочие внутренние элементы | 24-контактный разъем питания ATX 2 8-контактный разъем питания EPS12V 1 8-контактный разъем питания PCIe 1 слот M.2 (E-key), занят адаптером беспроводных сетей 1 разъем для подключения порта USB 3.2 Gen2x2 Type-C 2 разъема для подключения 4 портов USB 3.2 Gen1 2 разъема для подключения 4 портов USB 2.0 8 разъемов для подключения 4-контактных вентиляторов и помп ЖСО 3 разъема для подключения адресуемой ARGB-ленты 1 разъем для подключения неадресуемой RGB-ленты 1 разъем аудио для передней панели корпуса 1 переключатель сброса CMOS 1 разъем JOC_FS1 для включения безопасной загрузки с настройками по умолчанию 1 разъем для подключение систем безопасности TPM 2 разъема для подключения управления с передней панели корпуса 1 разъем JAF_2 для подключение проприетарных систем охлаждения от MSI |
| Форм-фактор | ATX (305×244 мм) |
| Розничные предложения |
* - слоты PCI_E3 и M.2_3 делят ресурсы между собой. Детали ниже.
Основная функциональность: чипсет, процессор, память
Схема работы связки чипсет+процессор.
Все процессоры Ryzen 7000/8000/9000 поддерживают:
- 3 порта USB 3,2 Gen2 Type-C,
- 1 порт USB 3,2 Gen2 Type-A,
- 1 порт USB 2.0,
Только Ryzen 7000/9000 поддерживают:
- 28 линий ввода-вывода (включая PCI-E 5.0, в случае работы с A620 пониженные до версии 4.0):
- 4 линии из них (в случае чипсета A620 пониженные до версии 3.0) идут на взаимодействие с чипсетом,
- 16 линий — это PCI-E 4.0 слот для видеокарт,
- Осталось 8 линий PCIe 4.0:
- 4 линии — это слот M.2,
- остальные 4 могут конфигурироваться производителями материнских плат на выбор.
Только Ryzen 8700/8600 поддерживают:
- 20 линий ввода-вывода (PCIe версии 4.0):
- 4 линии из них (в случае чипсета A620 пониженные до версии 3.0) идут на взаимодействие с чипсетом,
- 8 линий — это PCI-E 4.0 слот для видеокарт,
- Осталось 8 линий PCIe 4.0:
- 4 линии — это слот M.2,
- остальные 4 могут конфигурироваться производителями материнских плат на выбор.
Только Ryzen 8500/8300 поддерживают:
- 14 линий ввода-вывода (PCIe версии 4.0):
- 4 линии из них (в случае чипсета A620 пониженные до версии 3.0) идут на взаимодействие с чипсетом,
- 4 линии — это PCI-E 4.0 слот для видеокарт,
- Осталось 6 линий PCIe 4.0:
- 4 линии — это слот M.2,
- остальные 2 могут конфигурироваться производителями материнских плат на выбор.
В свою очередь чипсет B850 поддерживает до:
- 6 портов USB 3.2 Gen2,
- 1 порт USB 3.2 Gen2x2,
- 6 портов USB 2.0,
- 12 линий ввода-вывода:
- распределение линий: 8 PCIe 4.0 + 4 PCIe 3.0;
- линии PCIe 3.0 могут включать до 4 портов SATA .
Таким образом в сумме от тандема B850+Ryzen 7000/9000 мы получаем:
- 16 PCI-E 4.0/5.0 линий для видеокарт (от процессора);
- 1 порт USB 3.2 Gen2x2 (от чипсета);
- 10 портов USB 3.2 Gen2 (4 от процессора, 6 от чипсета);
- 7 портов USB 2.0 (1 от процессора, 6 от чипсета);
- 4 порта SATA 6Гбит/с (от чипсета, входят в состав линий PCIe 3.0)
- 4 линии PCIe 5.0 (от процессора) на слот М.2;
- 12 линий PCI-E 4.0 ( от чипсета и процессора), которые могут образовывать разные варианты комбинаций портов и слотов;
- 4 линии PCI-E 3.0 ( от чипсета), которые могут образовывать разные варианты комбинаций портов и слотов (в зависимости от производителя материнских плат).
Итого: до 18 портов USB, 20 свободных PCI-E линий (включая до 4 портов SATA).
Напомню, что чипсет B850 имеет тот же набор портов и линий PCIe, что и B650, плюс возможность разделения 16 PCIe 5.0 линий от процессора на 8 + 8.
Поколения Ryzen 7xxx/8xxx/9xxx поддерживают как традиционные уже модули памяти DDR5 c Intel XMP (Extreme Memory Profile), так и модули с проприетарным от AMD профилем Expo.
Плата MSI поддерживает процессоры AMD поколений 7xxx/8xxx/9xxx, выполненные под разъем (сокет) AM5.
Для установки модулей памяти на плате имеется четыре DIMM-слота (для работы памяти в Dual Channel в случае использования всего 2 модулей их следует устанавливать в А2 и B2).
Плата поддерживает небуферизованную память DDR5, а максимальный объем памяти составляет 256 ГБ. Поддерживаются профили XMP и Expo.

Слоты DIMM не имеют металлической окантовки.
Периферийная функциональность: PCIe, SATA, разные дополнительные устройства
Выше мы изучили потенциальные возможности тандема B850+Ryzen, а теперь посмотрим, что из этого и как реализовано в данной материнской плате.
Итак, кроме USB-портов, к которым мы подойдем позже, чипсет B850 обладает 12 PCIe линиями. Считаем, сколько линий уходит на поддержку (связь) с тем или иным элементом:

- Переключатель: или слот M.2_3 получает 2 линии PCIe 4.0) + слот PCIe x16_3 (PCI_E3) получает (2 линии PCIe 4.0); или слот M.2_3 отключен + слот PCIe x16_3 (PCI_E3) получает (4 линии PCIe 4.0) – всего максимально 4 линии PCIe 4.0;
- Слот PCIe x16_2 (PCI_E2) (1 линия PCIe 3.0);
- Слот M.2_4 (4 линии PCIe 4.0);
- Realtek RTL8126 (Ethernet 5Gb/s) (1 линия PCIe 3.0);
- Qualcomm QCNCM865 WIFI7/BT (Wireless) (1 линия PCIe 3.0);
- ASMedia ASM1064 (хаб 4х портов SATA) (1 линия PCIe 3.0);
12 линий PCIe (8 PCIe 4.0 + 4 PCIe 3.0) оказались занятыми, плюс 4 порта SATA (от стороннего контроллера). 1 линия USB 2.0 расходуется на связь с Realtek ALC4080, плюс один USB 2.0 расходуется на поддержку BT, контроллер подсветки также потребляет линию USB 3.2 Gen1. Детально об этом ниже в разделе USB-портов.
4 слота SATA 1/2/3/4 обслуживает хаб ASMedia ASM1064 (получающий от B850 1 линию PCIe 3.0).
Теперь посмотрим выше на то, как работают процессоры в данной конфигурации. У всех Ryzen 7xxx/9xxx — 24 линии PCIe (плюс 4 линии на даунлинк с чипсетом). Смотрим распределение:
- Порт M.2 (M.2_1) (4 линии PCIe 5.0);
- Слот PCIe x16_1 (16 линий PCIe 5.0);
- Порт M.2 ( M.2_2) (4 линии PCIe 5.0)
В процессорах Ryzen встроен контроллер High Definition Audio (HDA), связь с аудиокодеками выпусков до RTL 4xxx идет путем эмуляции PCI шины, а вот начиная с RTL4xxx, требуются уже линии USB 2.0 (как и в нашем случае теперь).
Теперь в целом про слоты PCIe и M.2.
Всего на плате есть 3 слота: слот PCIe x16_1 (PCI_E1 для видеокарт или других устройств), «длинные» слоты PCIe x16_2 (PCI_E2, но фактически имеющий 1 линию PCIe 3.0)) и PCIe x16_3 (PCI_E3, но фактически имеющий 4 линии PCIe 4.0).
Слоты PCI_E3 и M.2_3 делят линии между собой: при занятости M.2_3 слот PCI _E3 получает не 4, а всего 2 линии PCIe 4.0, и наоборот, при занятости последнего (4 линии PCIe 4.0), слот M.2_3 отключен.
Как видим, перераспределение линий PCIe 4.0 на этой материнке имеется, поэтому задействованы мультиплексоры от Texas Instruments.
Слот PCI_E1 имеет металлическое армирование: защиту из нержавеющей стали. Все это увеличивает надежность. Кроме того, такая защита предохраняет слот от электромагнитных помех.
Для удобного извлечения видеокарт из слота PCI_E1 имеется особый механизм EZ-PCIE-Release c кнопкой.

Матплата позволяет смонтировать СО любого размера.
Также плата оснащена усилителем (ре-драйвером) шины PCIe 5.0.
На очереди — накопители.
Всего у платы 4 разъема Serial ATA 6 Гбит/с + 4 слота для накопителей в форм-факторе M.2.
4 порта SATA 1,2,3,4 реализованы через хаб ASMedia ASM1064.
Материнская плата имеет 4 гнезда форм-фактора М.2.
Третий и четвертый слоты M.2 (M.2_3, M.2_4) получают данные от чипсета B850, а первые два — от CPU, при этом M.2_1/2 получают PCIe 5.0, а M.2_3/4 получают PCIe 4.0.
Все слоты M.2 работают с модулями только с PCIe интерфейсом.
Все слоты M.2 поддерживают модули с размером 2280. А слот M.2_1 поддерживает также 22110. Кроме того, слоты M.2_2/3/4 поддерживают еще и 2260.
Поскольку нет деления ресурсов уже между слотами M.2 и портами SATA, то и соответствующих мультиплексоров нет.
У всех слотов M.2 имеется удобный способ крепления накопителей через установленные на стойках поворотные замки.
Все M.2 слоты имеют радиаторы. M.2_1/2 обладает отдельными радиаторами, когда как остальные два слота M.2 имеют общий радиатор. Охлаждение тыльной стороны модулей не предусмотрено.
Также отдельно надо отметить, что все радиаторы удобно снимать и ставить с помощью откидывающихся запоров (без завинчивания/развинчивания).

По умолчанию стойка для крепления накопителей в каждом слоте установлена на размер 2280.

Если надо установить модуль с размером 2260 или 22110, то с помощью имеющегося в комплекте поставки ключа можно стойку переместить в нужное место.
Периферийная функциональность: USB-порты, сетевые интерфейсы, ввод-вывод
Теперь на очереди USB-порты и прочие вводы-выводы. И начнем с задней панели, куда выведены большинство из них.
Повторим: чипсет B850 способен реализовать максимально: 6 портов USB 3.2 Gen2/1, 1 USB 3.2 Gen2x2, 6 портов USB 2.0. Процессор Ryzen 7000/8000/9000 способен реализовать до 4 портов USB 3.2 Gen2 и 1 USB 2.0.
Также мы помним и про 12 линий PCIe от чипсета, которые идут на поддержку накопителей, сетевых и иных контроллеров (я выше уже показал на что и как расходуются все 12 линий).
И что мы имеем? Всего на материнской плате — 19 портов USB:
- Порт USB4 отсутствует;
- 1 порт USB 3.2 Gen2x2 реализован через B850 и представлен внутренним портом Type-C (для подключения к соответствующему разъему на передней панели корпуса);
- 5 портов USB 3.2 Gen2: 4 реализованы через CPU и 3 представлены на задней панели портами Type-C, а 1 представлен на задней панели портом Type-A (красного цвета); остальной 1 реализован через B850 и также представлен на задней панели портом Type-A (красного цвета);
- 5 портов USB 3.2 Gen1: 4 реализованы через контроллер Genesys Logic GL3523 (на него потрачена 1 линия USB 3.2 Gen1 от B850) и представлены двумя внутренними разъемами на материнской плате (каждый на 2 порта); еще 1 реализован через B850 и представлен на задней панели портом Type-A (синего цвета);
- 8 портов USB 2.0/1.1: 4 реализованы через контроллер Genesys Logic GL850G (на него потрачена 1 линия USB 2.0 от B850) и представлены на задней панели портами Type-A (черного цвета); еще 4 реализованы через B850 и представлены двумя внутренними разъемами на материнской плате (каждый на 2 порта);
Итак, у нас 4 контроллера используют USB линии от B850:
- Realtek RTL4080 (аудиокодек) (1 линия USB 2.0);
- Bluetooth (беспроводной контроллер MT7927) (1 линия USB 2.0);
- Genesys Logic GL3523 (хаб 4х портов USB 3.2 Gen1) (1 линия USB 3.2 Gen1);
- Nuvoton NUC126 (контроллер подсветки) (1 линия USB 3.2 Gen1);
И 1 контроллер использует USB линии от CPU:
- Genesys Logic GL850G (хаб 4х портов USB 2.0) (1 линия USB 2.0);
Таким образом, через чипсет B850 реализовано высокоскоростных портов USB:
- + 1 выделенный USB 3.2 Gen2x2;
- + 1 выделенный USB 3.2 Gen2;
- + 1 выделенный USB 3.2 Gen1;
- + 2 USB 3.2 Gen1 для поддержки контроллеров;
= 5 высокоскоростных портов и 6 USB 2.0 портов (4 выделенных и 2 линии на поддержку контроллеров).
Плюс 12 линий PCIe, выделенные на поддержку иной периферии. Итого, у B850 в данном случае реализовано 17 высокоскоростных портов.
Все USB 3.2 Gen1/2 порты оснащены ре-драйверами.
Теперь о сетевых делах.
Материнская плата оснащена средствами связи хорошо. Имеется скоростной Ethernet-контроллер Realtek RTL8126, способный работать по стандарту 5 Гбит/с.
Имеется и комплексный беспроводной адаптер на контроллере Qualcomm QCNCM865, через который реализованы Wi-Fi 7 (802.11a/b/g/n/ac/ax/be, 2,4/5/6 ГГц) и Bluetooth 5.4. Он установлен в слот M.2 (E-key), и его разъемы для выносных антенн выведены на заднюю панель.
И тут надо особо отметить уже вовсю применяемый новый способ крепления антенн к задней панели портов. Теперь прикручивать антенны не надо (даже если имеется резьба для их привинчивания), просто вставить в разъемы на матплате. Разъединить также легко.
Заглушка, традиционно надеваемая на заднюю панель, в данном случае уже надета, и изнутри экранирована для снижения электромагнитных помех.
Аудиоподсистема
Плата оснащена звуковым кодеком Realtek ALC4080, обеспечивающим вывод звука по схемам до 7.1 с разрешением до 32 бит / 384 кГц.
В аудиоцепях платы применяются «аудиофильские» конденсаторы.
Аудиотракт вынесен на угловую часть платы, не пересекается с другими элементами. У платы на задней панели два универсальных разъема по приему и выводу сигналов плюс оптический S/PDIF.
Вывод по схемам 4.0, 5.1 и 7.1 возможен только через использование аудиогнезд на передней панели корпуса совместно с гнездами на самой плате (ну еще и через S/PDIF).


Настройка схем – с помощью ПО, скачиваемого с сайта производителя.
Питание, охлаждение
Для питания платы на ней предусмотрены 4 разъема: в дополнение к 24-контактному ATX (он на правой стороне платы (на фото — слева) здесь есть еще два 8-контактных EPS12V, а также 8-контактный PCIe для поддержки усиленного питания слотов PCIe x16 (отмечен фиолетовым цветом).
Схема подключения возможна для двух видеокарт на процессорах Nvidia, а также до трех карт на процессорах AMD. Не забываем, что мультиграфические конфигурации нынче поддерживаются только рабочим специализированным ПО (современные игры уже это не поддерживают).
Внешне схема питания выглядит как 14+2+1: 14 фаз — ядро процессора, 2 фазы — SoC (I/O-чиплет Ryzen), 1 фазa — VDD_MISC (вывод встроенной графики).
Каждый канал фазы имеет суперферритовый дроссель и в случае с VCore+SoC транзисторную сборку MP87670 от Monolithic Power Systems (до 80A).
Управляет этими наборами фаз VCore и SoC (14+2) ШИМ-контроллер MP2857 от того же производителя MPS.
Фаза питания встроенной графики имеет транзисторную сборку AOZ5516QI от Alpha&Omega Semi (55A).
Управляет этой фазой питания ШИМ-контроллер RT3672 от Richtek.
Теперь про охлаждение.
Все потенциально сильно греющиеся элементы имеют свои собственные радиаторы.
Как мы видим, охлаждение чипсета (один радиатор) организовано отдельно от силовых преобразователей. VRM-секция имеет свои два раздельных радиатора.
Как я уже упоминал ранее, M.2 слоты также имеют радиаторы: у первого и четвертого персональные радиаторы, у остальных — общий.
Напомню, что материнская плата не имеет бэкплейта.
Подсветка
Программное обеспечение под Windows
Настройки BIOS
Работоспособность (и разгон)
Запускаем все в режиме по умолчанию. Затем нагружаем тестами от OCCT.
В данном случае авторазгон сработал хорошо: с учетом стрессовой нагрузки на процессор (его максимальный нагрев был чуть ниже 76 градусов, а максимум потребления не превышал 200 Вт, частоты по ядрам были 5,26 – 5,5 ГГц). При этом стоит отметить, что во всех этих испытаниях мы не получили никаких нареканий на работу сопутствующих блоков, никаких перегревов или странных явлений не было.
Еще раз повторю, что многое в авторазгоне зависит от системы питания. Все ШИМ-контроллеры программируемые, вся информация о них – в UEFI BIOS, откуда и приходят режимы работы CPU в том или ином случае. Разумеется, данная матплата уже поддерживает новый режим работы Turbo Mode X3D, этот режим работает только на процессорах 9xxx X3D и связан с отсечением рабочих ядер без дополнительного кеша, чтобы оставшиеся ядра смогли работать на более высоких частотах, поднимая тем самым общую игровую производительность в разрешениях, где нет упора в видеокарты. Для нужд тестлаба по материнским платам мы не имеем таких процессоров, поэтому на практике проверить не можем.
Выводы
MSI MAG B850 Tomahawk Max WiFi — сравнительно недорогая материнская плата на чипсете среднего уровня для платформы AMD AM5. На момент публикации обзора ее розничная стоимость начиналась от 25 тысяч рублей. Для платы заявлены повышенные надежность и стабильность работы, она имеет 8 слоев с повышенным содержанием меди (экранирование серверного класса).
У нее 19 портов USB разных видов, включая 1 USB3.2 Gen2×2 (в виде внутреннего порта Type-C), 5 USB 3.2 Gen2 (в виде портов Type-A и Type-C) и 5 USB 3.2 Gen1 (4 внутренних и 1 Type-A). Также плата предлагает слот PCIe х16, получающий от процессора 16 линий PCIe 5.0, и два «длинных» слота PCIe x16, подключенных к чипсету одной линией PCIe 3.0 и четырьмя линиями PCIe 4.0 соответственно. Кроме того, один из этих слотов делит линии со слотом M.2, а всего на плате 4 слота M.2, два из которых подключены к процессору 4 линиями PCIe 5.0.
В арсенале платы также есть 4 порта SATA и 8 разъемов для вентиляторов. Система питания процессора хорошая, способная обеспечить работу даже топовых процессоров с разблокированным множителем с приличным запасом на разгон. Плата имеет адекватную систему охлаждения, все слоты M.2 снабжены радиаторами. Сетевые возможности включают скоростной проводной контроллер 5 Гбит/с и один современный беспроводной — Wi-Fi 7 + Bluetooth 5.4. В числе плюсов платы можно упомянуть возможности для подключения дополнительных RGB-устройств.
В целом для материнской платы такого ценового уровня набор возможностей очень хорош.











































































































