Оглавление
- Форм-фактор
- Технические характеристики
- Основная функциональность: чипсет, процессор, память
- Периферийная функциональность: PCIe, SATA, дополнительные устройства
- Периферийная функциональность: USB-порты, сетевые интерфейсы, ввод-вывод
- Аудиоподсистема
- Питание, охлаждение
- Подсветка
- Программное обеспечение под Windows
- Настройки BIOS
- Работоспособность (и разгон)
- Выводы по материнской плате
- Необходимость в корпусах с поддержкой Back-Connect
В целом, как обычно, мы продолжаем изучать – как устроена та или иная материнская плата, на что способна система питания, с каким ассортиментом периферии, а также программных средств она попадает к потребителю. Напомню, что исследование процессоров — в своем разделе.
Но данный материал является в некотором роде уникальным. Ибо вместе с самой матплатой нам предстоит изучить «вхождение» ее в корпуса особой конструкции. Все дело в том, что рассматриваемый сегодня продукт – не типичный, большинство коннекторов перенесено на оборотную сторону платы. Зачем такое нужно – рассмотрим в конце изучения материнской платы. А сейчас фокусируемся на самой материнке, которая представляет собой продукт на базе среднебюджетного чипсета AMD B650.
Стоит напомнить, что чипсеты B650 и B650E, как и X670 и X670E отличаются между собой поддержкой версии PCIe 4.0 для слота PCIe x16 в случае без «Е» и версии PCIe 5.0 для того же слота в случае с «Е».
Таблица основных отличий чипсетов B650 и X670.
| Особенности | B650/B650E | X670/X670E |
|---|---|---|
| Совместимость с процессорами AMD | Ryzen 7xxx/8xxx/9xxx | Ryzen 7xxx/8xxx/9xxx |
| Версия PCIe (процессор) | 4.0 & 5.0/5.0 | 4.0 & 5.0/5.0 |
| Количество линий PCIe (процессор) | 28 | 28 |
| Количество линий PCIe от процессора на связь с чипсетом | x4 PCIe 4.0 | x4 PCIe 4.0 |
| Версия PCIe (чипсет) | 3.0 & 4.0 | 3.0 & 4.0 |
| Количество линий PCIe (чипсет) | 12 (8 x 4.0 & 4 x 3.0) | 20 (12 x 4.0 & 8 x 3.0) |
| Поколение ОЗУ | DDR5 | DDR5 |
| Количество каналов ОЗУ | 2 | 2 |
| Максимальное количество слотов ОЗУ | 4 | 4 |
| Максимальный объем ОЗУ | 192 ГБ | 192 ГБ |
| Количество портов SATA 6.0 Gb/s до | 4 | 8 |
| Порты USB 3.2 Gen 2x2 (20Gbps) до | 1 | 2 |
| Порты USB 3.2 Gen 2x1 (10Gbps) / Gen 1x1 (5Gbps) до | 6 | 8 |
| Порты USB 2.0 до | 6 | 12 |
| Возможность разгона по частоте шины | Да | Да |
Многие пользователи знают, что у компании MSI имеется три основных сегмента игровых материнских плат: MEG (самый «топ»), MPG (это MEG, но без ряда «фишек» по оверклокингу, ну и в целом наворотов мало) и MAG (а это самый дешевый игровой сегмент, где «штучек-дрючек» нет).
Однако сейчас впервые в нашу лабораторию попала плата, которая явно не малобюджетная, однако она не относится ни к одной из перечисленных выше серий, называется просто MSI B650M Project Zero, базируемая на AMD B650. Что означает такое название – будем разбираться дальше.
MSI B650M Project Zero поставляется в традиционной коробке из жесткого картона, но с особым дизайном на лицевой стороне, который подчеркивает, что материнка идет особняком, не входя ни в какие серии (может позже и войдет, но пока – нет). Комплект размещен под платой в отдельном отсеке.
Комплект поставки в целом скромен: кроме традиционных элементов типа руководства пользователя и кабелей SATA, имеются антенны встроенного Wi-Fi/BT-модуля, бонусные наклейки и все.
ПО не поставляется, впрочем за время путешествия платы к покупателю оно все равно успевает устареть, так что придется его обновлять с сайта производителя сразу после покупки.
«Заглушка» на заднюю панель с разъемами уже смонтирована на самой плате.
Форм-фактор
Форм-фактор Mini-ITX имеет размеры 170×170 мм, microATX до 244×244 мм, ATX до 305×244 мм, а E-ATX — до 305×330 мм. Материнская плата MSI B650M Project Zero имеет размеры 244×244 мм, поэтому выполнена в форм-факторе microATX, и на ней имеются 8 монтажных отверстий для установки в корпус.
Главной особенностью данного продукта является размещение почти всех коннекторов на оборотной стороне. Там же присутствует некоторое количество элементной базы.
Текстолит обработан хорошо: во всех точках пайки не только острые концы срезаны, но и все неплохо отшлифовано. Также имеется маркировка зон, где нет отверстий для крепления, однако в этих местах в корпусе могут быть установлены стойки.
Технические характеристики


Традиционная таблица с перечнем функциональных особенностей.
| Поддерживаемые процессоры | AMD Ryzen 7xxx/8xxx/9xxx под AM5 |
|---|---|
| Процессорный разъем | AM5 |
| Чипсет | AMD B650 |
| Память | 4 × DDR5, до 192 ГБ, до DDR5-7600 (XMP/Expo), два канала |
| Аудиоподсистема | 1 × Realtek ALC897 (7.1) |
| Сетевые контроллеры | 1 × Realtek RTL8125BG Ethernet 2.5 Гбит/с 1 × AMD (MediaTek) Dual Band Wireless RZ608 (MT7921) (Wi-Fi 6E 802.11a/b/g/n/ac/ax (2,4/6 ГГц) + Bluetooth 5.3) |
| Слоты расширения | 1 × PCI Express 4.0 x16 (CPU) 1 × PCI Express 4.0 x1 (B650) |
| Разъемы для накопителей | 4 × SATA 6 Гбит/с (B650) 1 × M.2 (CPU, PCIe 4.0 x4 для устройств формата 2260/2280) 1 × M.2 (CPU, PCIe 4.0 x4 для устройств формата 2260/2280) |
| USB-порты | 2 × USB 2.0: 2 порта Type-A (черные)(B650) 4 × USB 2.0: 2 внутренних разъема на 4 порта (GL850G) 2 × USB 3.2 Gen1: 2 порта Type-A (синие)(ASM1074) 2 × USB 3.2 Gen1: 1 внутренний разъем на 2 порта (ASM1074) 1 × USB 3.2 Gen2x2: 1 порт Type-C (B650) 1 × USB 3.2 Gen2: 1 порт Type-C (CPU) 1 × USB 3.2 Gen2: 1 внутренний разъем Type-C (B650) 3 × USB 3.2 Gen2: 3 порта Type-A (красные) (B650+CPU) |
| Разъемы на задней панели | 1 × USB 3.2 Gen2x2 (Type-C) 1 × USB 3.2 Gen2 (Type-C) 3 × USB 3.2 Gen2 (Type-A) 2 × USB 2.0 (Type-A) 2 × USB 3.2 Gen1 (Type-A) 1 × RJ-45 3 аудиоразъема типа миниджек 1 × HDMI-out 1 × DP-out кнопка сброса CMOS 2 антенных разъема кнопка перепрошивки BIOS — Flash BIOS |
| Прочие внутренние элементы | 24-контактный разъем питания ATX 2 8-контактных разъема питания EPS12V 1 слот M.2 (E-key), занят адаптером беспроводных сетей 1 разъем для подключения порта USB 3.2 Gen2 Type-C 1 разъем для подключения 2 портов USB 3.2 Gen1 2 разъема для подключения 4 портов USB 2.0 5 разъемов для подключения 4-контактных вентиляторов и помп ЖСО 3 разъема для подключения адресуемой ARGB-ленты 1 разъем аудио для передней панели корпуса 1 разъем для сброса CMOS 1 разъем TPM для систем безопасности 1 разъем для безопасной загрузки 1 разъем для подключения управления с передней панели корпуса |
| Форм-фактор | microATX (244×244 мм) |
| Розничные предложения |
Основная функциональность: чипсет, процессор, память


Схема работы связки чипсет+процессор.
Все процессоры Ryzen 7000/8000/9000 поддерживают:
- 3 порта USB 3,2 Gen2 Type-C,
- 1 порт USB 3,2 Gen2 Type-A,
- 1 порт USB 2.0,
Только Ryzen 7000/9000 поддерживают:
- 28 линий ввода-вывода (включая PCI-E 5.0, в случае работы с A620 пониженные до версии 4.0):
- 4 линии из них (в случае чипсета A620 пониженные до версии 3.0) идут на взаимодействие с чипсетом,
- 16 линий — это PCI-E 4.0 слот для видеокарт,
- Осталось 8 линий PCIe 4.0:
- 4 линии — это слот M.2,
- остальные 4 могут конфигурироваться производителями материнских плат на выбор.
Только Ryzen 8700/8600 поддерживают:
- 20 линий ввода-вывода (PCIe версии 4.0):
- 4 линии из них (в случае чипсета A620 пониженные до версии 3.0) идут на взаимодействие с чипсетом,
- 8 линий — это PCI-E 4.0 слот для видеокарт,
- Осталось 8 линий PCIe 4.0:
- 4 линии — это слот M.2,
- остальные 4 могут конфигурироваться производителями материнских плат на выбор.
Только Ryzen 8500/8300 поддерживают:
- 14 линий ввода-вывода (PCIe версии 4.0):
- 4 линии из них (в случае чипсета A620 пониженные до версии 3.0) идут на взаимодействие с чипсетом,
- 4 линии — это PCI-E 4.0 слот для видеокарт,
- Осталось 6 линий PCIe 4.0:
- 4 линии — это слот M.2,
- остальные 2 могут конфигурироваться производителями материнских плат на выбор.
В свою очередь чипсет B650/B650E поддерживает до:
- 6 портов USB 3.2 Gen2,
- 1 порт USB 3.2 Gen2x2,
- 6 портов USB 2.0,
- 12 линий ввода-вывода:
- распределение линий: 8 PCIe 4.0 + 4 PCIe 3.0;
- линии PCIe 3.0 могут включать до 4 портов SATA.
Таким образом в сумме от тандема B650/B650E+Ryzen 7000/9000 мы получаем:
- 16 PCI-E 5.0 линий для видеокарт (от процессора);
- 1 порт USB 3.2 Gen2x2 (от чипсета);
- 10 портов USB 3.2 Gen2 (4 от процессора, 6 от чипсета);
- 7 портов USB 2.0 (1 от процессора, 6 от чипсета);
- 4 порта SATA 6Гбит/с (от чипсета, входят в состав линий PCIe 3.0)
- 8 линий PCIe 5.0 (от процессора), 4 из которых — на слот М.2, 4 — могут образовывать разные варианты комбинаций портов и слотов (в зависимости от производителя материнских плат);
- 8 линий PCI-E 4.0 ( от чипсета), которые могут образовывать разные варианты комбинаций портов и слотов (в зависимости от производителя материнских плат);
- 4 линии PCI-E 3.0 ( от чипсета), которые могут образовывать разные варианты комбинаций портов и слотов (в зависимости от производителя материнских плат).
Итого: до 18 портов USB, 20 свободных PCI-E линий (включая до 4 портов SATA).
Еще раз напомню, что чипсеты AMD B650 и B650E полностью равнозначны по функциональности (набору портов и линий), но слот PCIe x16 (для видеокарт), получаемый данные от процессора в случае B650E получает версию PCIe 5.0, а в случае B650 — 4.0.
Поколения Ryzen 7xxx/8xxx/9xxx поддерживают как традиционные уже модули памяти DDR5 c Intel XMP (Extreme Memory Profile) (которые через Direct Over Clock Profile (DOCP) подгоняются под характеристики, заложенные в XMP), так и модули с проприетарным от AMD профилем Expo.
Детально об этом всем имеется в материале по самому процессору Ryzen 9 7950X и архитектуре Zen4.
MSI B650M Project Zero поддерживает процессоры AMD поколений 7000/8000/9000, выполненные под разъем (сокет) AM5.
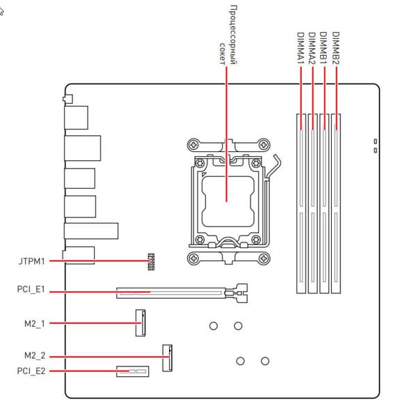
Для установки модулей памяти на плате имеется четыре DIMM-слота (для работы памяти в Dual Channel в случае использования всего 2 модулей их следует устанавливать в А2 и B2). Плата поддерживает небуферизованную память DDR5, а максимальный объем памяти составляет 192 ГБ. Поддерживаются профили XMP и Expo.
Слоты DIMM не имеют металлическую окантовки, которая препятствует деформации слотов и печатной платы при установке модулей памяти и защищает от электромагнитных помех. Но при этом в месте замка на слотах (где у модулей памяти вырез) имеется металлическая вставка, повышающая надежность установки DIMM-ов.
Периферийная функциональность: PCIe, SATA, дополнительные устройства
Выше мы изучили потенциальные возможности тандема B650+Ryzen, а теперь посмотрим, что из этого и как реализовано в данной материнской плате.
Итак, кроме USB-портов, к которым мы подойдем позже, чипсет B650 обладает 12 PCIe линиями. Считаем, сколько линий уходит на поддержку (связь) с тем или иным элементом:
- Слот PCIe x1 (1 линия PCIe 4.0);
- SATA 0,1,2,3 (4 линии PCIe 3.0);
- Realtek RTL8125BG (Ethernet 2.5 Gb/s) (1 линия PCIe 4.0);
- AMD RX608 WIFI/BT (Wireless) (1 линия PCIe 4.0)
7 линий PCIe (3 версии 4.0 и 4 версии 3.0) оказались занятыми, включая 4 порта SATA от B650.
Теперь посмотрим выше на то, как работают процессоры в данной конфигурации. У всех Ryzen 7xxx/8xxx/9xxx — 24 линии PCIe (плюс 4 линии на даунлинк с чипсетом). Смотрим распределение:
- Порт M.2 (M2_1) (4 линии PCIe 4.0);
- Порт M.2 (M2_2) (4 линии PCIe 4.0);
- Слот PCIe x16 (PCI_E1) (16 линий PCIe 4.0);

В процессоры Ryzen и встроен контроллер High Definition Audio (HDA) (поэтому связь с аудиокодеками старых выпусков идет путем эмуляции PCI шины). Контроллер беспроводной сети использует линию USB 2.0 от процессора, а контроллер USB 2.0 Genesys Logic GL850G использует линию USB 2.0 от CPU (детали ниже в разделе USB портов).
Выше приведена полная схема распределения ресурсов по слотам PCIe. Всего на плате есть 2 слота PCIe: один «длинный» PCIe x16 (PCI_E1), получающие данные от процессора, и один слот PCIe x1 (PCI_E2), получающий данные от B650.
Первый слот PCIe x16 (PCI_E1 для видеокарт) имеет металлическое армирование из нержавеющей стали, которое увеличивает надежность (что может быть важным в случае довольно частой смены видеокарт, но что более важно: такой слот легче выдержит нагрузку на изгиб в случае установки очень тяжелой видеокарты топового уровня. Кроме того, такая защита предохраняет слоты от электромагнитных помех.
Также данный слот отличается тем, что имеет на конце более широкую защелку для более удобного извлечения карт расширения из него.
Матплата позволяет смонтировать СО любого размера.
Поскольку переключений работы слотов PCIe и портов М.2 нет, то и мультиплексоров нет. Также отсутствуют и усилители (ре-драйверы) сигнала PCIe.
На очереди — накопители.
Всего у платы 4 разъема Serial ATA 6 Гбит/с + 2 слота для накопителей в форм-факторе M.2. 4 порта SATA реализованы через чипсет B650 и поддерживают создание RAID.Они размещены в вертикальной ориентации на оборотной стороне матплаты.
Материнская плата имеет 2 гнезда форм-фактора М.2.
Оба слота поддерживают размеры модулей 2260/2280 и работают с модулями только с PCIe интерфейсом.
Оба слота M.2 получают данные от процессора.
Оба M.2 слота имеют единый общий радиатор, который привинчивается с одной стороны к чипсетному радиатору.
Периферийная функциональность: USB-порты, сетевые интерфейсы, ввод-вывод
На очереди USB-порты. И начнем с задней панели, куда выведены большинство из них.
Повторим: чипсет B650 способен реализовать максимально: 6 портов USB 3.2 Gen2/1, 1 USB 3.2 Gen2x2, 6 портов USB 2.0. Процессор семейств Ryzen 7000/8000/9000 способен реализовать до 4 портов USB 3.2 Gen2 и 1 USB 2.0.
Также мы помним и про 12 линий PCIe от чипсета, которые идут на поддержку накопителей, сетевых и иных контроллеров (я выше уже показал на что и как расходуются 7 линий).
И что мы имеем? Всего на материнской плате — 16 портов USB:
- 1 порт USB 3.2 Gen2x2: реализован через B650 и представлен портом Type-C на задней панели;
- 5 портов USB 3.2 Gen2: 3 реализованы через процессор и представлены на задней панели двумя портами Type-A (красные) и одним портом Type-C; еще 2 реализованы через B650 и представлены на задней панели 1 портом Type-A (красный) и внутренним портом Type-C для подключения к соответствующему разъему на передней панели корпуса;
- 4 порта USB 3.2 Gen1: два реализованы через контроллер ASMedia ASM1074 (на него потрачена 1 линия USB 3.2 Gen1 от CPU) и представлены внутренним разъемом на материнской плате на 2 порта; остальные два реализованы через второй контроллер ASMedia ASM1074 (на него потрачена 1 линия USB 3.2 Gen1 от B650) и представлены на задней панели двумя портами Type-A (синие);
- 6 портов USB 2.0/1.1: 4 реализованы через контроллер Genesys Logic GL850G (на него потрачена 1 линия USB 2.0 от CPU) и представлены двумя внутренними разъемами (каждый на 2 порта); еще 2 реализованы через B650 и представлены 2 портами Type-A на задней панели (черные).
Итак, через чипсет B650 реализовано 1 USB 3.2 Gen2x2, 1 USB 3.2 Gen2, 1 USB 3.2 Gen1 и 3 USB 2.0 портов (помним, что беспроводной контроллер требует одну линию USB 2.0).
Плюс 7 линий PCIe, выделенные на поддержку иной периферии. Итого, у B650 в данном случае реализовано 10 высокоскоростных портов.
Все быстрые USB порты Type-A/Type-C имеют свои усилители сигнала от Diodes Inc.(ex Pericom).
А для нужд быстрой зарядки порт Type-C на задней панели и аналогичный внутренний порт для вывода на переднюю панель имеют редрайверы от той же компании.
Теперь о сетевых делах.
Материнская плата оснащена средствами связи хорошо. Имеется скоростной Ethernet-контроллер Realtek RTL8125BG , способный выдавать до 2,5 Гбит/с.
Имеется и комплексный беспроводной адаптер на контроллере MediaTek MT7921 (AMD RZ608), через который реализованы Wi-Fi 6E (802.11a/b/g/n/ac/ax) и Bluetooth 5.3. Он установлен в слот M.2 (E-key), и его разъемы для привинчивания выносных антенн выведены на заднюю панель.
Заглушка, традиционно надеваемая на заднюю панель, в данном случае уже надета, и изнутри экранирована для снижения электромагнитных помех.
Аудиоподсистема
У данной платы звуком заведует уже очень старенький аудиокодек Realtek ALC897. Он обеспечивает вывод звука по схемам до 7.1.
В аудиоцепях платы применяются «аудиофильские» конденсаторы.
Аудиотракт вынесен на угловую часть платы, не пересекается с другими элементами. У карты три разъема на задней панели со стандартной цветовой раскраской по приему и выводу сигналов. S/PDIF отсутствует.
Схемы подключения (для варианта 7.1 придется использовать гнездо на передней панели корпуса, поэтому требуется подключить внутренний аудио-коннектор на материнской плате к передней панели корпуса).

Питание, охлаждение
Для питания платы на ней предусмотрены 3 разъема: в дополнение к 24-контактному ATX здесь есть еще два ATX12V (8 контактов). Все они расположены на оборотной стороне матплаты.
Для материнки на среднебюджетном чипсете система питания выглядит неплохой.
Внешне схема питания выглядит как 10+2+1: 10 фаз — ядро процессора, 2 фазы — SoC (I/O-чиплет Ryzen), 1 фаза — VDD_MISC (вывод встроенной графики).
Управляет всеми фазами цифровой контроллер MP2857 от Monolithic Power Systems, умеющий управлять максимум 9-ю фазами, так что на деле идет запараллеливание фаз питания VCore: 5x2+2+1 (реально 8 фаз).
Каждая фаза VCore и SoC имеет по транзисторной сборке MP87670 от MPS (до 70А).
Фаза для встроенной графики имеет свою транзисторную сборку MXL7630S от MaxLinear (до 30A).
Теперь про охлаждение.
Все потенциально сильно греющиеся элементы имеют свои собственные радиаторы. Чипсет B650 имеет радиатор c приличной площадью, он прекрасно справляется с охлаждением без вентилятора (к нему еще прикручивается общий радиатор от слотов M.2).
Остальной набор охлаждающих элементов весьма обычен и привычен.
Две группы силовых преобразователей имеют свои раздельные радиаторы. Боковая металлическая планка с черным пластиковым упором посредине играет лишь дизайнерскую функцию, а также прикрывает места пайки основного 24-контактного разъема питания матплаты.
У обоих модулей M.2, как я уже выше отмечал, есть свой общий радиатор с термоинтерфейсом.
Подсветка
Программное обеспечение под Windows
Настройки BIOS
Работоспособность (и разгон)
Запускаем все в режиме по умолчанию. Затем нагружаем тестами от OCCT.
Мы видим, что авторазгон сработал (до 4,4 ГГц). При этом стоит отметить, что во всех этих испытаниях мы не получили никаких нареканий на работу сопутствующих блоков, никаких перегревов или странных явлений не было.
С учетом того, что у нас для тестирования данной платы был процессор средней руки, который явно не для оверклокинга, нас не удивил такой небольшой авторазгон. К тому же из-за ограничений по времени не имели возможности изучать настройки для улучшения автооверклокинга.
Выводы по материнской плате
MSI B650M Project Zero — второй представитель нового дизайна материнских плат в нашей лаборатории после Gigabyte B650E Aorus Stealth Ice. Уникальность этих моделей заключается в том, что почти все разъемы у них вынесены на тыльную сторону текстолита, на своих привычных местах остались только слоты для памяти, карт расширения и накопителей (плюс, конечно, процессорный разъем). Такой дизайн позволяет оперативно менять все реально устанавливаемые и заменяемые компоненты ПК, однако все «лишние» провода убраны за основание для системной платы и не видны в корпусах с прозрачными стенками. Разумеется, потребуется специальный корпус, в котором будет обеспечен доступ ко всем вынесенным на тыльную сторону разъемам.
Помимо этой уникальной особенности плата вполне обычная — формата microATX, среднего уровня, на чипсете AMD B650, со стоимостью от 30 тысяч рублей. У нее 16 портов USB разных видов, включая 1 самый быстрый USB 3.2 Gen2×2, один слот PCIe х16 (он получает от процессора 16 линий PCIe 4.0) и один PCIe x1, а также 2 слота M.2, подключенных напрямую к процессору линиями PCIe 4.0. В арсенале этой модели также 4 порта SATA и 5 разъемов для вентиляторов. Хотя плата относится к среднему ценовому сегменту (если судить по чипсету), система питания процессора неплохая. Сетевые возможности включают один проводной контроллер 2,5 Гбит/с и беспроводной Wi-Fi 6E + Bluetooth 5.3. В числе плюсов платы можно упомянуть широкие возможности для подключения дополнительных ARGB-устройств (неадресуемая RGB-подсветка не поддерживается).
Также MSI B650M Project Zero предлагает стандартный набор настроек в BIOS Setup для любителей разгона.
Необходимость в корпусах с поддержкой Back-Connect
Как уже можно было убедиться выше, для крепления материнских плат с «обратным» размещением разъемов нужны специальные корпуса, где в несущей панели для платы имеются соответствующие вырезы. Мы для тестирования использовали корпус MSI MAG Pano M100R PZ/White. На сайте компании можно найти список корпусов разных производителей, которые совместимы с материнскими платами Back-Connect.
Согласитесь, весьма непривычно видеть ПК, в котором на виду лишь один кабель, питающий видеокарту, да и то в нижнем кожухе корпуса предусмотрен специальный вырез, чтобы по максимуму скрыть его.
В номинации «Оригинальный дизайн» плата MSI B650M Project Zero получила награду:

В заключение предлагаем посмотреть наш видеообзор материнской платы MSI B650M Project Zero:
YouTube:

































































































