Оглавление
- Форм-фактор
- Технические характеристики
- Основная функциональность: чипсет, процессор, память
- Периферийная функциональность: PCIe, SATA, разные дополнительные устройства
- Периферийная функциональность: USB-порты, сетевые интерфейсы, ввод-вывод
- Аудиоподсистема
- Питание, охлаждение
- Подсветка
- Программное обеспечение под Windows
- Настройки BIOS
- Работоспособность (и разгон)
- Выводы
Всю детальную информацию о семействах процессоров можно найти в нашем разделе по ним. В скором времени там появится и новый материал о флагмане последнего поколения Intel Core Ultra. Вообще, надо сказать, что со всеми этими сменами обозначений и наименований уже очень сложно подсчитать, а какое на самом деле сейчас поколение процессоров вышло, ибо когда-то рост поколений был простой линией, затем пошли ответвления, рынок ПК стал сильно сегментироваться, поэтому пошли уже параллельные линии поколений. В данное время мы привыкли к отсчету с момента выхода микроархитектуры Intel Core, ей уже вскоре исполнится 19 лет. И до нынешнего анонса семейства Core Ultra последним поколением стал Core i3/i5/i7/i9 14xxx.
В связи с внедрением довольно основательного обновления архитектуры процессоров компания Intel решила снова в корне изменить систему наименований, и теперь вместо 15-го поколения в свет вышли процессоры Core Ultra.. второго поколения, у которых числовое обозначение начинается с цифры 2. Почему так? Вероятно из-за того, что цифра 1 использовалась в мобильных процессорах Meteor Lake. Да и, откровенно говоря, этот вопрос все же относится к разделу по процессорам, а не по материнским платам. Производителям матплат дали приказ: менять процессорный разъем, готовиться к новому количеству контактов в оном, те «взяли под козырек» и приступили к выпуску новых продуктов.
Разумеется, принципиально новое поколение процессоров должно сопровождать и новое поколение системных чипсетов. Пока был анонсирован флагманский чипсет Intel Z890, все партнеры Intel массово отрапортовали о десятках моделей материнских плат на нем, первые модели уже начали поступать на рынок.
Обычно бывает, что даже при весьма крупном обновлении архитектуры самих процессоров системный чипсет не претерпевает капитальных изменений. Давайте посмотрим, чем же может нас удивить Z890. Стоит напомнить, что его предшественник чипсет Z790 имеет 38 высокоскоростных портов (High Speed In Out, HSIO), обладает поддержкой до 5х интегрированных USB 3.2 Gen2x2 (до 20 Gb/s) портов (правда каждый из них требует поддержки со стороны двух USB 3.2 Gen2, неважно, от самого Z790 или сторонних хабов). В свою очередь 12е/13е/14е поколения процессоров (что поддерживаются матплатами на Z790) имеют поддержку PCIe 5.0 в виде 16 линий (расходуемые на слоты PCIe x16), плюс 4 линии PCIe 4.0, идущие на М.2 слот, получающий данные непосредственно от процессора. По поводу памяти: все эти поколения процессоров могут работать как с DDR5, так и с DDR4.
Посмотрим на таблицу сравнения 4х последних поколений системных чипсетов серии Z.
| Особенности | Z890 | Z790 | Z690 | Z590 |
|---|---|---|---|---|
| Совместимость с процессорами Intel | Core Ultra 2xx | Core 14/13/12 | Core 14/13/12 | Core 11/10 |
| Версия PCIe (процессор) | 4.0 & 5.0 | 4.0 & 5.0 | 4.0 & 5.0 | 3.0 (10 Gen) or 4.0 (11 Gen) |
| Количество линий PCIe (процессор) | 20 версии 5.0 & 4 версии 4.0 = 24 | 16 версии 5.0 & 4 версии 4.0 = 20 | 16 версии 5.0 & 4 версии 4.0 = 20 | 16 (10 Gen) or 20 (11 Gen) |
| Версия PCIe (чипсет) | 4.0 | 3.0 & 4.0 | 3.0 & 4.0 | 3.0 |
| Количество линий PCIe/SATA (чипсет) | 24 версии 4.0 & 8 SATA = 32 | 20 версии 4.0 & 8 версии 3.0 или 8 SATA = 28 | 12 версии 4.0 & 16 версии 3.0 или 8 SATA = 28 | 18 версии 3.0 или 6 SATA = 18 |
| Количество портов SATA 6.0 Gb/s до | 8 | 8 | 8 | 6 |
| Версия DMI | 4.0 | 4.0 | 4.0 | 3.0 |
| Количество линий DMI | x8 | x8 | x8 | x8 |
| Поколение ОЗУ | DDR5 | DDR4 & DDR5 | DDR4 & DDR5 | DDR4 |
| Количество каналов ОЗУ | 2 | 2 | 2 | 2 |
| Максимальное количество слотов ОЗУ | 4 | 4 | 4 | 4 |
| Максимальный объем ОЗУ | 256 ГБ | 256 ГБ DDR5/128 ГБ DDR4 | 256 ГБ DDR5/128 ГБ DDR4 | 128 ГБ |
| Порты USB4 (40Gbps)(процессор) до | 2 | - | - | - |
| Порты USB 3.2 Gen 2x2 (20Gbps) до | 5 | 5 | 4 | 3 |
| Порты USB 3.2 Gen 2x1 (10Gbps) до | 10 | 10 | 10 | 10 |
| Порты USB 3.2 Gen 1x1 (5Gbps) до | 10 | 10 | 10 | 10 |
| Порты USB 2.0 до | 14 | 14 | 14 | 14 |
| Встроенная поддержка Wi-Fi | Wi-Fi 7 | Wi-Fi 7 | Wi-Fi 6E | Wi-Fi 6 |
Можно заметить, что если ранее Z790 поддерживал в сумме 28 линий PCIe, то теперь Z890 – только 24. Однако стоит внимательно посмотреть на линии, идущие на порты SATA. У Z790 8 линий PCIe 3.0 могут расходоваться на порты SATA (они входят в число 28 линий PCIe), когда как у Z890 – те же максимально 8 линий SATA идут довеском к 24 линиям PCIe 4.0, то есть в сумме чипсет Z890 обладает по сути 32 линиями PCIe, однако 8 линий на порты SATA переконфигурировать под иное использование нельзя.
Процессоры Core Ultra также вносят свою лепту в новшество платформы LGA1851 – мало того, что они теперь обладают в сумме 24 линиями PCIe (из них 20 – версии 5.0, а 4 – версии 4.0), еще имеется и встроенный контроллер Thunderbolt 4, который по сути нам дает 2 порта USB4 (до 40 Гб/с каждый).
В сумме новая платформа LGA1851 (процессор + Z890) дает нам прибавку 8 линий PCIe. Это означает, что производители материнских плат теперь имеют возможность установить больше слотов расширения, либо (что более важно) больше слотов для накопителей SSD в формате M.2 не задействуя сторонние контроллеры, либо не разделяя линии PCIe между устройствами по принципу (или этот слот/порт, или тот).
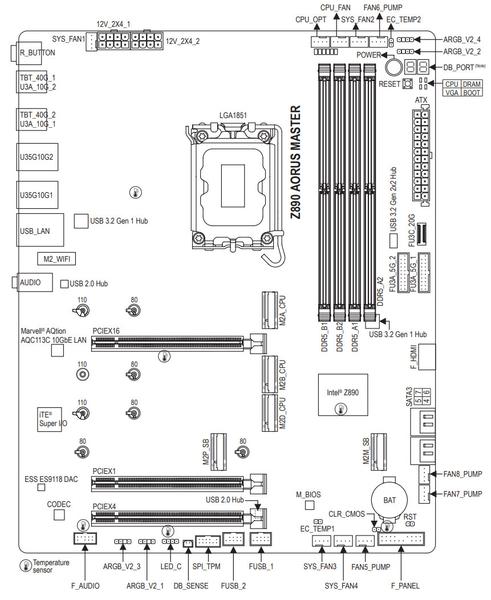
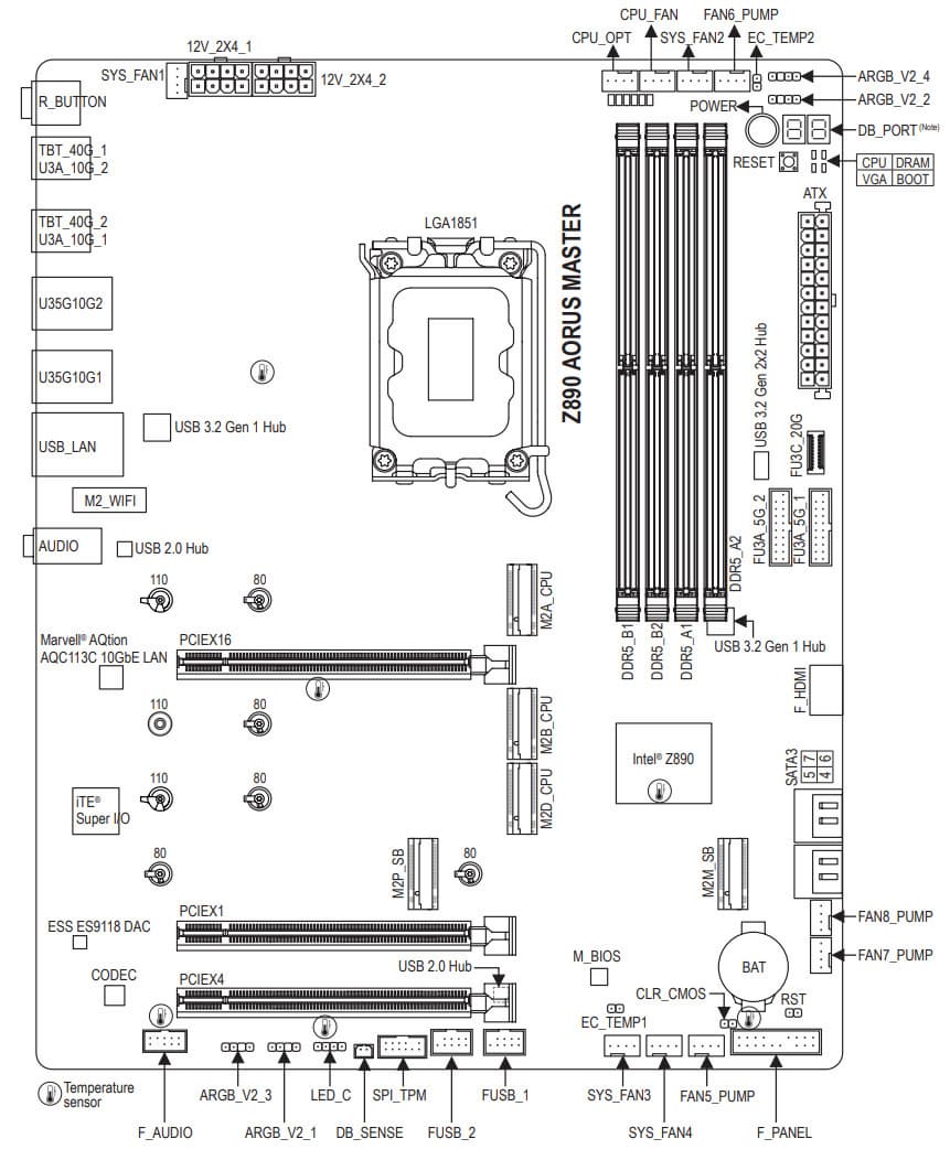
Первой материнской платой на новом чипсете Z890 и с новым процессорным сокетом LGA1851, попавшей к нам в лабораторию, стал продукт компании Gigabyte. Герой нынешнего материала – плата Gigabyte Z890 Aorus Master, она относится к топовому суббренду Aorus, поэтому перед нами почти флагман (мы помним, что самая-самая в этой линейке — материнка c суффиксом Xtreme, а Master — на ступень ниже).
Gigabyte Z890 Aorus Master поставляется в традиционной коробке фирменного «cоколиного» дизайна серии Aorus. Комплект размещен под платой в отдельных отсеках.
Надо отметить, что комплект поставки без излишеств, но разумен: кроме традиционных элементов типа руководства пользователя и кабелей SATA, имеются антенна встроенного Wi-Fi-модуля, фирменный адаптер для передней панели, бонусные стикеры, два термодатчика, датчик шума и дополнительный вентилятор для охлаждения модулей памяти.
ПО не поставляется (все равно последние версии надо скачивать с вебсайта производителя).
«Заглушка» на заднюю панель с разъемами уже смонтирована на самой плате.
Форм-фактор
Форм-фактор ATX имеет размеры до 305×244 мм, а E-ATX — до 305×330 мм. Материнская плата Gigabyte Z890 Aorus Master имеет размеры 305×244 мм, поэтому выполнена в форм-факторе ATX, и на ней имеются 9 монтажных отверстий для установки в корпус. Однако следует иметь в виду, что одно из девяти монтажных отверстий перекрыто радиатором для слота M.2.
На оборотной стороне расположены традиционные некоторые электронные логические элементы, а также элемент жесткости конструкции слота PCIe x16_1. Текстолит обработан неплохо: во всех точках пайки срезаны острые концы. Защитной пластины (бэкплейта) нет.
Технические характеристики
Традиционная таблица с перечнем функциональных особенностей.
| Поддерживаемые процессоры | Intel Core Ultra 2xx |
|---|---|
| Процессорный разъем | LGA 1851 |
| Чипсет | Intel Z890 |
| Память | 4 × DDR5, до 8800 МГц (XMP), до 256 ГБ, два канала (DIMM/CUDIMM) |
| Аудиоподсистема | 1 × Realtek ALC1220 (5.1) + ЦАП ESS ES9118 |
| Сетевые контроллеры | 1 × Marvell AQC113 Ethernet 10 Гбит/с 1 × Intel Dual Band Wireless BE200 (Wi-Fi7 802.11a/b/g/n/ac/ax/be (2,4/5/6 ГГц) + Bluetooth 5.4) |
| Слоты расширения | 1 × PCIe 5.0 x16 (режимы x16, x8+x4)* 1 × PCIe 4.0 x16 (режим x4) 1 × PCIe 3.0 x16 (режим x1) |
| Разъемы для накопителей | 4 × SATA 6 Гбит/с (Z890) 1 × M.2 (M2A_CPU, CPU, PCIe 5.0 x4 для устройств формата 2242/2260/2280/2580/22110/25110) 1 × M.2 (M2B_CPU, CPU, PCIe 4.0 x4 для устройств формата 2280/22110) 1 × M.2 (M2D_CPU, CPU, PCIe 5.0 x4 для устройств формата 2242/2260/2280/22110)* 1 × M.2 (M2P_SB, Z890, PCIe 4.0 x4 для устройств формата 2280) 1 × M.2 (M2M_SB, Z890, PCIe 4.0 x4/SATA для устройств формата 2280) |
| USB-порты | 4 × USB 2.0: 2 внутренних разъема на 4 порта (GL850G) 2 × USB 2.0: 2 порта Type-A (GL850G) 4 × USB 3.2 Gen1: 2 внутренних разъема на 4 порта (RTS5411) 4 × USB 3.2 Gen1: 4 порта Type-A (RTS5411) 6 × USB 3.2 Gen2: 6 портов Type-A (красные) (Z890) 1 × USB 3.2 Gen2x2: внутренний разъем Type-C (RTS5464) 2 × USB4: 2 порта Type-C (CPU, Thunderbolt4) |
| Разъемы на задней панели | 2 × USB4 (Type-C) 6 × USB 3.2 Gen2 (Type-A) 4 × USB 3.2 Gen1 (Type-A) 2 × USB 2.0 (Type-A) 1 × RJ-45 2 аудиоразъема типа миниджек 1 × S/PDIF (оптический, выход) 2 антенных разъема кнопка сброса CMOS кнопка перепрошивки BIOS — Q Flash Plus |
| Прочие внутренние элементы | 24-контактный разъем питания ATX 2 8-контактный разъем питания EPS12V 1 слот M.2 (E-key), занят адаптером беспроводных сетей 1 разъем для подключения порта USB 3.2 Gen2x2 Type-C 2 разъема для подключения 4 портов USB 3.2 Gen1 2 разъема для подключения 4 портов USB 2.0 10 разъемов для подключения 4-контактных вентиляторов и помп ЖСО 1 разъем для подключения неадресуемой RGB-ленты 4 разъема для подключения адресуемой ARGB-ленты 1 разъем аудио для передней панели корпуса 1 разъем для датчика шума 2 разъема для термодатчиков 1 разъем для сброса CMOS 1 разъем для устройств безопасности TPM 1 конфигурируемый разъем Reset 1 разъем для подключения управления с передней панели корпуса 1 кнопка включения питания Power 1 конфигурируемая кнопка перезагрузки Reset |
| Форм-фактор | ATX (305×244 мм) |
| Ожидаемая стоимость | 60-70 тысяч рублей |
* - слот M2D_CPU делит ресурсы со слотом PCIe x16_1, детали - ниже
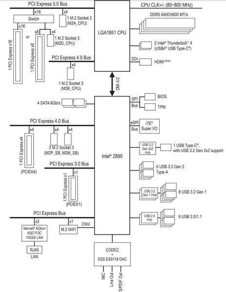
Основная функциональность: чипсет, процессор, память
Схема работы связки чипсет+процессор.
Формально имеется поддержка памяти DDR5 до 6400 МТ/с, однако всем хорошо известно, и производители материнских плат это активно рекламируют: через XMP-профили сейчас можно использовать пропускную способность до 8000 и выше МТ/с. В частности данная плата поддерживает ПСП до 8800 МТ/с (при ручном разгоне до 9500 МТ/с).
Все процессоры Core Ultra 2xx поддерживают:
- 2 порта USB4 (Thunderbolt 4),
- 20 линий ввода-вывода PCIe 5.0, которые могут конфигурироваться:
- 16 линий + 4 линии (слот PCIe x16 + слот M.2);
- 8 линий + 8 линий + 4 линии (2 слота PCIe x16 в режиме x8 + слот M.2);
- 8 линий + 4 линии + 4 линии + 4 линии (слот PCIe x16 в режиме x8 + 3 слота M.2);
- 4 линии ввода-вывода PCIe 4.0: могут конфигурироваться производителями материнских плат на выбор.
При этом взаимодействие с Z890 идет по особому каналу Digital Media Interface 4.0 (DMI 4.0 x8). Serial Peripheral Interface (SPI) используется для взаимодействия с системой UEFI/BIOS, а шина Low Pin Count (LPC) — для связи с устройствами ввода/вывода, не требующими высокой пропускной способности (контроллерами вентиляторов, TPM, старой периферии). HDA более не используется, связь с аудиокодеками идет с помощью линий USB 2.0.
В свою очередь чипсет Z890 поддерживает в сумме 42 линии ввода/вывода, которые распределяться могут так:
- до 10 портов USB 3.2 Gen1/2 (из которых до 5 портов USB 3.2 Gen2х2), до 14 портов USB 2.0 (из них линии используются в том числе и для поддержки 3.2 портов, а каждый порт USB 3.2 Gen2х2 требует поддержки со стороны двух USB 3.2 Gen2);
- до 8 портов SATA 6Гбит/с;
- до 24 линий PCIe 4.0.
Выше жирным шрифтом выделены HSIO (High Speed Input-Output) – высокоскоростные линии ввода-вывода, их в сумме (процессор+чипсет) – 60.
Gigabyte Z890 Aorus Master поддерживает процессоры Intel Core Ultra 2xx, выполненные под разъем (сокет) LGA1851.
Для установки модулей памяти на плате Gigabyte имеется четыре DIMM-слота (для работы памяти в Dual Channel в случае использования всего 2 модулей их следует устанавливать в А2 и B2.
Плата поддерживает небуферизованную память DDR5 (non-EСС), а максимальный объем памяти составляет 256 ГБ. Могут использоваться модули CUDIMM.
Слоты DIMM A2 и B2 имеют металлическую окантовку, которая препятствует деформации слотов и печатной платы при установке модулей памяти и защищает от электромагнитных помех.
Периферийная функциональность: PCIe, SATA, разные дополнительные устройства
Выше мы изучили потенциальные возможности тандема Z890+Core, а теперь посмотрим, что из этого и как реализовано в данной материнской плате.
Кроме USB-портов, к которым мы подойдем позже, чипсет Z890 обладает 24 PCIe линиями PCIe 4.0 и 8 SATA портами. Считаем, сколько линий Z890 уходит на поддержку (связь) с тем или иным элементом:
- Слот PCIe x16_2 (1 линия PCIe 3.0);
- Слот PCIe x16_3 (4 линии PCIe 4.0);
- Слот M.2 (M2P_SB) (4 линии PCIe 4.0);
- Слот M.2 (M2M_SB) (4 линии PCIe 4.0);
- Marvell AQC113 (Ethernet 10Gb/s) (2 линии PCIe 4.0);
- Intel BE200 WIFI7/BT (Wireless) (1 линия PCIe 4.0);
- 4 слота SATA 4/5/6/7
16 линий PCIe оказались занятыми, плюс 4 порта SATA. Связь с аудиокодеками через HDA (эмуляцию шины PCI) теперь невозможна, так что в данном случае линия USB 2.0 расходуется на связь с Realtek RTL1220, плюс один USB 2.0 расходуется на поддержку BT, а также контроллеры GL850G, RTS5411, RTS5464, для своих нужд используют сигнальные линии USB 2.0 и 3.2 Gen1/2. Детально об этом ниже в разделе USB-портов.
Теперь посмотрим выше на то, как работают процессоры в данной конфигурации. У CPU Core Ultra 2xx всего 24 линии PCIe, из них 4 линии версии PCIe 5.0 отведены на порт М.2 (M2A_CPU), 4 версии PCIe 4.0 отведены на порт М.2 (M2B_CPU) . Оставшиеся 16 линий PCIe 5.0 надо делить на слот PCIe x16_1 и слот M.2 (M2D_CPU). Вариантов переключения несколько:
- Слот PCIe x16_1 имеет 16 линий (слот M2D_CPU отключен);
- Слот PCIe x16_1 имеет 8 линий, слот M2D_CPU занимает до 4 линий
Теперь в целом про слоты PCIe.
Всего на плате есть 3 слота: один PCIe x16_1 (для видеокарт или других устройств) и два PCIe x16_2/3 (но фактически имеющие 1 линию PCIe 3.0 и 4 линии PCIe 4.0 соответственно).
Еще раз отмечу, что материнская плата имеет возможность обеспечить слот M.2 (M2D_CPU) версией PCIe 5.0, но в случае занятости этого слота модулем SSD PCIe x16_1 получит всего 8 линий PCIe 5.0.
Как видим, перераспределение линий PCIe этой материнки имеется, поэтому востребованы мультиплексоры Lerain.
Выше я вел речь про первый PCIe x16_1, подключенный к процессору. Остальные два PCIe x16 подключены к Z890, и, несмотря на их форм-фактор, работают в режимах x1 и x4 соответственно.
Все три слота PCIe x16 имеют металлическое армирование: первый слот – из цинкового сплава, остальные – из нержавеющей стали, которое увеличивает их надежность. Кроме того, такая защита предохраняет слоты от электромагнитных помех.
Для удобного извлечения видеокарт из слота имеется специальная кнопка — EZ-Plus, что расположена около слота PCIe x16, но в легко доступном месте.
А слот PCIe x16_1 еще дополнительно оборудован усилением жесткости конструкции с помощью металлической пластины из цинкового сплава с оборотной стороны матплаты.
Матплата позволяет смонтировать СО любого размера.
Для нужд оверклокеров на плате имеется внешний тактовый генератор от Renesas, позволяющий гибко настраивать частоты работы системной шины.
На очереди — накопители.
Всего у платы 4 разъема Serial ATA 6 Гбит/с + 5 слотов для накопителей в форм-факторе M.2. 4 порта SATA 4,5,6,7 реализованы через чипсет Z890 и поддерживают создание RAID.
Материнская плата имеет 5 гнезд форм-фактора М.2.
Четвертый и пятый слоты M.2 (M2P_SB, M2M_SB) получают данные от чипсета Z890, а первые три — от CPU, при этом M2D_CPU получает PCIe 5.0, деля ресурсы со слотом PCIe x16_1 (о чем я уже выше рассказывал), M2A_CPU штатно получает от процессора PCIe 5.0, а M2B_CPU получает от процессора PCIe 4.0.
И только М2M_SB поддерживает модули с любым интерфейсом, а все остальные работают с модулями только с PCIe интерфейсом.
Все слоты M.2 поддерживают модули с размером 2280. Слоты M2A_CPU, M2B_CPU, M2D_CPU поддерживают еще и 22110, а M2A_CPU – 25110/2580. Модули размером 2242 можно установить в слоты M2A_CPU и M2D_CPU.
На всех M.2 можно организовать RAID. Следует особо отметить удобный способ крепления накопителей М.2 в слотах через установленные на стойках поворотные замки.
Все M.2 слоты имеют радиаторы. Верхний M2A_CPU обладает отдельным мощным радиатором, когда как остальные все слоты M.2 имеют общий радиатор. Слоты M.2, поддерживающие PCIe 5.0 (M2A_CPU, M2D_CPU) кроме верхних радиаторов еще имеют радиаторы для охлаждения тыльной стороны модулей.
Периферийная функциональность: USB-порты, сетевые интерфейсы, ввод-вывод
Теперь на очереди USB-порты и прочие вводы-выводы. И начнем с задней панели, куда выведены большинство из них.
Повторим: чипсет Z890 способен реализовать не более 14 портов USB, из которых может быть до 10 портов USB 3.2 Gen1, до 10 портов USB 3.2 Gen2, до 5 портов USB 3.2 Gen2x2, и/или до 14 портов USB 2.0.
Также мы помним и про 24 линии PCIe 4.0, которые идут на поддержку накопителей, сетевых и иных контроллеров (я выше уже показал на что и как расходуются 16 линий PCIe 4.0 + 4 порта SATA).
И что мы имеем? Всего на материнской плате — 23 порта USB:
- 2 порта USB4: оба реализованы через Thunderbolt 4, встроенный в CPU и представлены двумя портами Type-C на задней панели;
- 1 порт USB 3.2 Gen2x2: реализован с помощью контроллера Realtek RTS5464 (на него потрачена одна линия USB 3.2 Gen1 от Z890) и представлен одним внутренним портом Type-C (для подключения к соответствующему разъему на передней панели корпуса);
- 6 портов USB 3.2 Gen2: все реализованы через Z890 и представлены на задней панели портами Type-A (красного цвета);
- 8 портов USB 3.2 Gen1: 4 реализованы через контроллер Realtek RTS5411 (на него потрачена 1 линия USB 3.2 Gen1 от Z890) и представлены 2 внутренними разъемами на материнской плате (каждый на 2 порта); еще 4 реализованы через второй контроллер Realtek RTS5411 (на него потрачена 1 линия USB 3.2 Gen1 от Z890) и представлены на задней панели портами Type-A (синего цвета);
- 6 портов USB 2.0/1.1: 4 реализованы через контроллер Genesys Logic GL850G (на него потрачена 1 линия USB 2.0 от Z890) и представлены двумя внутренними разъемами (каждый на 2 порта); остальные 2 реализованы через второй контроллер Genesys Logic GL850G (на него потрачена 1 линия USB 2.0 от Z890) и представлены на задней панели портами Type-A (черного цвета).
В целом у нас 4 контроллера используют USB 2.0 линии от Z890:
- Genesys Logic GL850G (4 USB 2.0 через 2 внутренних разъема) (1 линия USB 2.0);
- Genesys Logic GL850G (2 USB 2.0 через 2 порта Type-A на задней панели) (1 линия USB 2.0);
- Realtek RTL1220 (аудиокодек) (1 линия USB 2.0);
- Bluetooth (Intel BE200) (1 линия USB 2.0).
Еще три контроллера используют линии USB 3.2 Gen1 от Z890:
- Realtek RTS5411 (4 USB 3.2 Gen1 через 2 внутренних разъема) (1 линия USB 3.2 Gen1);
- Realtek RTS5411 (4 USB 3.2 Gen1 через 4 порта Type-A на задней панели) (1 линия USB 3.2 Gen1)
- Realtek RTS5464 (2 USB 3.2 Gen2 на обеспечение порта USB 3.2 Gen2x2) (1 линия USB 3.2 Gen1).
Итак, через чипсет Z890 реализовано высокоскоростных портов USB:
- + 6 выделенных USB 3.2 Gen2
- + 3 USB 3.2 Gen1 на обеспечение трех контроллеров
= 9 высокоскоростных портов. Не забываем, что каждый высокоскоростной порт USB обеспечен портом USB 2.0, то есть уже 9 портов USB 2.0 также занято. Плюс 4 порта USB 2.0 на обеспечение контроллеров. Всего 13 USB 2.0 портов реализовано.
Ну и 16 линий PCIe, выделенных на поддержку иной периферии.
Итого у Z890 в данном случае реализовано 29 высокоскоростных порта из 34.
USB порт 3.2 Gen2x2 оснащен ре-драйверами, дающими устойчивый вольтаж, способный обеспечить быструю зарядку мобильных гаджетов. Также и порты USB 3.2 Gen2 оснащены ре-драйверами для обеспечения обычной зарядки тех же гаджетов.


Следует обратить особое внимание на поддержку USB4, которая на новой платформе Intel реализована через Thunderbolt 4, аппаратно встроенный в CPU, то есть никаких теперь дополнительных контроллеров TB4 не требуется (напомню, что на недавно вышедшем в свет обновлении X870E/X870 платформы AMD AM5 подобная реализация потребовала размещения на материнских платах контроллера от ASMedia, который «отъедает» 4 линии PCIe от системного чипсета (или CPU)).
В дальнейшем уже мы не станем особо акцентировать на наличие TB4/USB4, а просто будем перечислять выше в списке поддерживаемых USB-портов, ибо такая поддержка станет безальтернативной и обязательной для всей платформы LGA1851.
Для устойчивой скоростной передачи по протоколам USB4/TB4 на матплате имеются два усилителя (ре-драйвера) от той же компании Intel.


Теперь о сетевых делах.
Материнская плата оснащена средствами связи очень хорошо. Имеется очень скоростной Ethernet-контроллер Marvell Aqtion AQC113, способный работать по стандарту 10 Гбит/с.
Имеется и комплексный беспроводной адаптер на контроллере Intel BE200, через который реализованы Wi-Fi 7 (802.11a/b/g/n/ac/ax/be, 2,4/5/6 ГГц) и Bluetooth 5.4. Он установлен в слот M.2 (E-key), и его разъемы для выносных антенн выведены на заднюю панель.
И тут надо особо отметить уже вовсю применяемый новый способ крепления антенн к задней панели портов. Пока это еще в новинку, поэтому обращаю внимание. Теперь прикручивать антенны не надо, просто вставить в разъем на матплате, пластиковые замки надежно зафиксируют сопряжение. Разъединить также легко. Разумеется, остался вопрос – на сколько вот такого рода соединений и рассоединений хватит этих замков. Ответить пока не представляется возможным.
Заглушка, традиционно надеваемая на заднюю панель, в данном случае уже надета, и изнутри экранирована для снижения электромагнитных помех.
Аудиоподсистема
Мы знаем, что уже достаточно давно в большинстве современных материнских платах звуком заведовал аудиокодек Realtek ALC1220. В целом обеспечивает вывод звука по схемам до 7.1 с разрешением до 24 бит / 192 кГц. Мы видели уже и ALC4082 того же производителя с улучшенными характеристиками 32 бит / 384 кГц. Однако в данном случае мы видим возврат к прежнему ALC1220, а также схема вывода упрощена до 5.1. При этом теперь для работы такого кодека уже требуется сигнальные линии USB 2.0 (впрочем, оно и к лучшему, ибо протокол HDA «Азалия» уже сильно устарел и лимитирован).
Имеется и ЦАП ESS ES9118
В аудиоцепях платы применяются «аудиофильские» конденсаторы.
Аудиотракт вынесен на угловую часть платы, не пересекается с другими элементами. У карты два универсальных разъема с позолоченным покрытием по приему и выводу сигналов плюс оптический S/PDIF. Вывод по схеме 5.1 возможен только через использование аудиогнезд на передней панели корпуса совместно с двумя гнездами на самой плате, а также через S/PDIF. Настройка схемы – с помощью скачиваемого с сайта производителя ПО.
Питание, охлаждение
Для питания платы на ней предусмотрены 3 разъема: в дополнение к 24-контактному ATX (он на правой стороне платы (на фото — слева) здесь есть еще два 8-контактных EPS12V. Все разъемы питания имеют металлическое армирование.
Схема питания процессора выполнена по схеме 18+2+1+1 (всего 22 фазы, 18 на VCore, 2 на VCCSA, 1 на VCCIO и 1 на интегрированное графическое ядро).
Каждый канал фазы VCore имеет суперферритовый дроссель и R2209004 DrMOS от Renesas на 110 А.
Каждый канал фазы питания VCCSA кроме дросселя имеет ISL99380 DrMOS от Renesas на 80 А.
Управляет схемой VCore (выделено фиолетовым цветом) + VCCSA (выделено голубым цветом) ШИМ-контроллер RAA229130 от Renesas, при этом фазы питания VCore работают по параллельной схеме 9х2, то есть фактически контроллер управляет 9+2 = 11 фазами.
Блок VCCIO, а также схема питания iGPU имеют свои отдельные однофазные схемы питания, управляемые ШИМ-контроллерами NCP81526C от On Semi.
Теперь про охлаждение.
Все потенциально сильно греющиеся элементы имеют свои собственные радиаторы.
Как мы видим, охлаждение чипсета (один радиатор) организовано отдельно от силовых преобразователей. VRM-секция имеет свои два радиатора, соединенные тепловой трубкой под прямым углом.
Радиатор VRM, идущий вдоль заднего блока портов, имеет кожух, прикрывающий тот самый блок, оснащенный подсветкой.
Как я уже упоминал ранее, M.2 слоты также имеют радиаторы: у верхнего — свой персональный радиатор, у остальных — общий.
Учитывая, что одной из особенностей данной матплаты является поддержка современной памяти DDR5 в в виде CUDIMM. Цель этих новаций – достижение более высоких тактовых частот работы, а значит и нагрев модулей памяти может вырасти. Поэтому в комплекте поставки матплаты имеется дополнительный небольшой вентилятор, устанавливаемый на верхнем торце платы рядом со слотами ОЗУ.
Для монтажа вентилятора используется одно из штатных крепежных отверстий материнки, при этом можно применить как обычный винт, которым прикручивается матплата, так и прилагаемый к вентилятору набор крепежа.
Напомню, что материнская плата не имеет бэкплейта.
Подсветка
Программное обеспечение под Windows
Настройки BIOS
Работоспособность (и разгон)
Запускаем все в режиме по умолчанию, настройки PerfDrive в режиме оптимизации . Затем нагружаем тестами.
В режиме авторазгона мы получили до 5,4 ГГц по всем P-ядрам, и 4.6 ГГц по всем Е-ядрам. Напомню, что начиная с этого поколения процессоров, все ядра имеют по 1 потоку, то есть гипертрейдинга (многопоточности) теперь нет.
Мне сложно оценить, высокий ли этот авторазгон, или нет. С первого взгляда – очень приличный. Ибо, безусловно, у материнской платы очень мощное питание. Сразу же заметил, что у i9 14900K при подобных частотах работы потребление переваливало за 240 Вт, а здесь – около 180 Вт. Но снова подчеркну, что здесь я изучаю параметры материнской платы, а не процессора, по новому CPU у нас будет еще отдельный детальный материал.
К сожалению, данная материнская плата была у нас в лаборатории весьма ограниченное время, поэтому «поиграться» с настройками по разгону не было возможности.
Отдельно следует сказать про использованную в данном материале память. Это продукт от Kingston, набор из двух модулей CUDIMM. Напомню, что это разновидность обычных DIMM с одним отличием – CUDIMM имеют собственный тактовый генератор CKD

Мы знаем, что все современные процессоры имеют в себе контроллер памяти. Он же и задает тактовую частоту работы микросхем на модулях памяти, согласуя тайминги с заданным пользователем профилем, либо считывая из SPD. Однако чем выше частота работы памяти, тем сложнее «донести» заданный тактовый сигнал (между модулями памяти и процессором имеется и физическое сопряжение «слот-DIMM», и некоторая физическая длина дорожек на матплате. Любой опытный специалист ремонтных компаний скажет, что у современных ПК проблемы нестабильной работы часто решаются банальным передергиванием модулей памяти, либо их протиркой (очисткой), ибо пресловутое физическое сопряжение при современных частотах работы может уже оказывать сильное влияние.
Поэтому вышеперечисленные проблемы стали преградой для дальнейшего роста ПСП (а значит и частот работы), и чтобы DDR5 могла стабильно работать на частотах 8000 МГц и выше, необходим экземпляр процессора с удачным контроллером памяти. Тактовый генератор CUDIMM призван решить этот вопрос, ибо сигналы от CPU поступают не сразу на микросхемы памяти, а именно на CKD. Он служит этаким буфером, принимая тактовый сигнал, затем регенерируя его и распределяя по чипам памяти.
Как видно, модули CUDIMM совместимы с обычными слотами DIMM, поэтому их можно использовать во всех матплатах с поддержкой DDR5 (требуется лишь некоторая настройка в BIOS в конкретных ситуациях). Несмотря на то, что JEDEC уже стандартизировал CUDIMM в начале 2024 года, основные производители ОЗУ пока не спешат массово выпускать такие продукты. Вероятно именно из-за того, что надо прорабатывать вопрос совместимости с продуктами (матплатами и процессорами) прошлых поколений, ведь обязательно надо в BIOS вносить соответствующие настройки, а значит, должна быть проделана сложная и рутинная работа по сотням моделей матплат прошлых выпусков).
Выводы
Gigabyte Z890 Aorus Master — очень мощный, современный и весьма дорогой вариант материнской платы из серии Aorus на базе последнего чипсета Intel Z890. Это не самая старшая модель в линейке, но ее стоимость ожидается в районе 60-70 тысяч рублей. Плата весьма навороченная, имеет поддержку процессоров Intel Core Ultra поколения 200, создана для геймеров и энтузиастов-оверклокеров.
У нее имеется 23 порта USB разных видов, включая 2 самых быстрых USB4, один USB 3.2 Gen2×2 в виде внутреннего порта Type-C и 6 USB 3.2 Gen2. Также плата предлагает 3 слота PCIe х16, один из которых получает от процессора 16 линий PCIe 5.0, а два других работают в режимах х1 и x4 (подключены к чипсету). У платы 5 слотов M.2, три из которых подключены напрямую к процессору: один — линиями PCIe 4.0, второй — линиями PCIe 5.0, а третий делит линии PCIe 5.0 со слотом PCIe x16, вынуждая последний переходить в режим х8. Два других слота М.2 подключены к чипсету Z890 линиями PCIe 4.0.
В арсенале платы также есть 4 порта SATA и 10 разъемов для вентиляторов. Система питания процессора очень мощная, способная обеспечить работу любых совместимых процессоров с приличным запасом на разгон. Плата имеет грамотную систему охлаждения каждого потенциально греющегося элемента, включая накопители в слотах M.2 (термопрокладки для охлаждения накопителей в двух слотах PCIe 5.0 есть с обеих сторон). Сетевые возможности прекрасные: очень быстрый проводной контроллер 10 Гбит/с и один самый современный беспроводной — Wi-Fi 7 + Bluetooth 5.4. В числе плюсов платы можно упомянуть неплохую стильную подсветку, а также широкие возможности для подключения дополнительных RGB-устройств.

В номинации «Оригинальный дизайн» плата Gigabyte Z890 Aorus Master получила награду:

В заключение предлагаем посмотреть наш видеообзор материнской платы Gigabyte Z890 Aorus Master:












































































































