Оглавление
- Форм-фактор
- Технические характеристики
- Основная функциональность: чипсет, процессор, память
- Периферийная функциональность: PCIe, SATA, разные дополнительные устройства
- Периферийная функциональность: USB-порты, сетевые интерфейсы, ввод-вывод
- Аудиоподсистема
- Питание, охлаждение
- Подсветка
- Программное обеспечение под Windows
- Настройки BIOS
- Работоспособность (и разгон)
- Выводы
Мы продолжаем изучать – как устроена та или иная материнская плата, на что способна система питания, с каким ассортиментом периферии, а также программных средств она попадает к потребителю.
Исследование процессоров — в своем разделе.
Как известно, платформа AMD AM5 этим летом получила развитие: вышло новое поколение процессоров Ryzen 9xxx. Вместе с ними обновилась и линейка системных чипсетов от AMD, новое поколение получило цифру 8, то есть X870/B850 и так далее.
Ниже приведена таблица основных отличий старших чипсетов AM5 двухлетней давности и последнего поколения.
| Особенности | B650/B650E | X870 | X670/X670E | X870E |
|---|---|---|---|---|
| Совместимость с процессорами AMD | Ryzen 7xxx/8xxx/9xxx | |||
| Версия PCIe (процессор) | 4.0 & 5.0/5.0 | 5.0 | 4.0 & 5.0/5.0 | 5.0 |
| Количество линий PCIe (процессор) | 28 | |||
| Количество линий PCIe от процессора на связь с чипсетом | x4 PCIe 4.0 | |||
| Версия PCIe (чипсет) | 3.0 & 4.0 | |||
| Количество линий PCIe (чипсет) | 12 (8 x 4.0 & 4 x 3.0) | 12 (8 x 4.0 & 4 x 3.0)* | 20 (12 x 4.0 & 8 x 3.0) | 20 (12 x 4.0 & 8 x 3.0)* |
| Поколение ОЗУ | DDR5 | |||
| Количество каналов ОЗУ | 2 | |||
| Максимальное количество слотов ОЗУ | 4 | |||
| Максимальный объем ОЗУ | 192 ГБ | |||
| Количество портов SATA 6.0 Gb/s до | 4 | 4 | 8 | 8 |
| Порты USB4 (40Gbps) до | необязательно, по желанию производителя через сторонний контроллер | 2 (обязательно) через сторонний контроллер с выделением для него 4х линий PCIe | необязательно, по желанию производителя через сторонний контроллер | 2 (обязательно) через сторонний контроллер с выделением для него 4х линий PCIe |
| Порты USB 3.2 Gen 2x2 (20Gbps) до | 1 | 1 | 2 | 2 |
| Порты USB 3.2 Gen 2x1 (10Gbps) / Gen 1x1 (5Gbps) до | 6 | 6 | 8 | 8 |
| Порты USB 2.0 до | 6 | 6 | 12 | 12 |
| Конфигурация слота PCIe x16 (от процессора) | только x16/x16 или x8+x8 или x8+x4+x4 | x16 или x8+x8 или x8+x4+x4 | только x16/x16 или x8+x8 или x8+x4+x4 | x16 или x8+x8 или x8+x4+x4 |
| Возможность разгона по частоте шины | Да | |||
Примечание: * – 4 линии PCIe 4.0 могут быть зарезервированы для контроллера USB4 как у чипсета, так и у CPU.
Суффикс «E» у чипсетов поколения 6xx означает лишь поддержку PCIe 5.0 от процессора для слота PCIe x16 и слотов M.2 (а также возможность деления 16-ти линий на варианты x8+x8 или x8+x4+x4), когда как у аналогов без «Е» на «процессорных» слотах версия 4.0 (и 16 линий PCIe делить нельзя – только 1 вариант: все 16 линий на слот для видеокарт).
Отметим, что серия 8хх отличается от 6хх прежде всего обязательным присутствием контроллера USB4, что ранее было опциональным и зависело от желания партнера AMD. На сегодня такой контроллер это ASM4242 от ASMedia, и он требует 4 линии PCIe, которые могут использоваться как от чипсета 8xx, так и от процессора Ryzen (за счет линий для NVMe (M.2) слотов).
Сегодня у нас на рассмотрении продукт из серии Aorus от компании Gigabyte. Эта серия производителем позиционируется как флагманская, но при этом в ней могут материнские платы и на среднебюджетных чипсетах, просто исполнение более премиального уровня.
Переходим к самой материнской плате Gigabyte X870E Aorus Pro Ice. Уже по суффиксу Ice в названии можно понять, что плата белого цвета (ну или в серо-белых тонах).
Gigabyte X870E Aorus Pro Ice поставляется в традиционной коробке фирменного дизайна серии (но белого цвета, подчеркивающего окрас самой материнки). Комплект размещен под платой в отдельном отсеке.
Комплект поставки скромен, ибо, как я уже говорил ранее, внутри серии Aorus имеются продукты разных уровней (например, Aorus Xtreme, Aorus Master – это флагманы, Aorus Pro – уровнем ниже, Aorus Elite – еще ниже), и наша материнка относится к как бы к среднему уровню топовой серии. Итак, кроме традиционных элементов типа руководства пользователя и кабелей SATA (кстати, тоже белые), имеются антенна встроенного Wi-Fi-модуля (белая!), провод с детектором шума, фирменный адаптер G-connector для передней панели, бонусные стикеры.
ПО не поставляется, это уже и не нужно, ибо последние версии драйверов и утилит следует устанавливать с вебсайта производителя, а не с подобных накопителей. Гнезда для подключения антенный беспроводного сетевого подключения WiFi7 имеют новый дизайн: штекеры от антенны вставляются и удерживаются пластиковыми замками, а не привинчиваются, как ранее.
«Заглушка» на заднюю панель с разъемами уже смонтирована на самой плате.
Форм-фактор
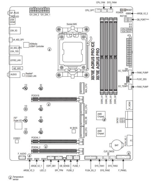
Форм-фактор ATX имеет размеры до 305×244 мм, а E-ATX — до 305×330 мм. Материнская плата Gigabyte X870E Aorus Pro Ice имеет размеры 305×244 мм, поэтому выполнена в форм-факторе ATX, и на ней имеются 9 монтажных отверстий для установки в корпус. Одно из отверстий перекрыто радиатором от M.2 слота.
На оборотной стороне расположена металлическая пластина жесткости крепления основного слота PCIe x16 и традиционная некоторая логика. Текстолит обработан хорошо: во всех точках пайки острые концы срезаны,а также отшлифовано. Защитной пластины (бэкплейта) нет. Любопытно отметить, что с оборотной стороны плата покрашена в серый, а не белый цвет, а также видны попытки создания некоего абстрактного рисунка на тему «Я не знаю, что такое Aorus, но я так его вижу».
Кстати, вот одно из традиционных отличий продуктов топового уровня от остальных: оснащение слота для видеокарты PCIe x16 очень внушительной пластиной жесткости с оборотной стороны PCB.
Технические характеристики
Традиционная таблица с перечнем функциональных особенностей.
| Поддерживаемые процессоры | AMD Ryzen 7xxx/8xxx/9xxx под AM5 |
|---|---|
| Процессорный разъем | AM5 |
| Чипсет | AMD X870E |
| Память | 4 × DDR5, до 256 ГБ (поддержка 64 ГБ модулей), до DDR5-8000 (XMP/Expo), два канала |
| Аудиоподсистема | 1 × Realtek ALC1220 (7.1) |
| Сетевые контроллеры | 1 × Realtek RTL8125D Ethernet 2,5 Гбит/с 1 × Qualcomm Dual Band Wireless QCNCM865 (Wi-Fi 7 802.11a/b/g/n/ac/ax/be (2,4/5/6 ГГц) + Bluetooth 5.3) |
| Слоты расширения | 1 × PCIe 5.0 x16 (режимы x16, x8+x4+x4)* 1 × PCIe 4.0 x16 (режим x4) 1 × PCIe 3.0 x16 (режим x4) |
| Разъемы для накопителей | 4 × SATA 6 Гбит/с (X870E) 1 × M.2 (M2A_CPU, CPU, PCIe 5.0 x4 для устройств формата 2280/2580/22110/25110) 1 × M.2 (M2B_CPU, CPU, PCIe 5.0 x4 для устройств формата 2280/22110)* 1 × M.2 (M2C_CPU, CPU, PCIe 5.0 x4 для устройств формата 2280/22110)* 1 × M.2 (M2D_SB, X870E, PCIe 4.0 x4 для устройств формата 2280/22110) |
| USB-порты | 4 × USB 2.0: 2 внутренних разъема на 4 порта (X870E) 2 × USB 2.0: 2 порта Type-A (белые) (X870E) 4 × USB 3.2 Gen1: 2 внутренних разъема на 4 порта (X870E) 4 × USB 3.2 Gen1: 4 порта Type-A (синие) (X870E) 1 × USB 3.2 Gen2x2: 1 внутренний разъем Type-C (X870E) 3 × USB 3.2 Gen2: 3 порта Type-A (красные) (X870E+CPU) 2 × USB4: 2 порта Type-C (ASM4242) |
| Разъемы на задней панели | 2 × USB4 (Type-C) 3 × USB 3.2 Gen2 (Type-A) 4 × USB 3.2 Gen1 (Type-A) 2 × USB 2.0 (Type-A) 1 × RJ-45 2 аудиоразъема типа миниджек 1 × оптический S/PDIF (выход) 1 × HDMI (выход) 2 антенных разъема кнопка перепрошивки BIOS — Q-Flash Plus |
| Прочие внутренние элементы | 24-контактный разъем питания ATX 2 8-контактных разъема питания EPS12V 1 слот M.2 (E-key), занят адаптером беспроводных сетей 1 разъем для подключения порта USB 3.2 Gen2x2 Type-C 2 разъема для подключения 4 портов USB 3.2 Gen1 2 разъема для подключения 4 портов USB 2.0 8 разъемов для подключения 4-контактных вентиляторов и помп ЖСО 3 разъема для подключения адресуемой ARGB-ленты 1 разъем для подключения неадресуемой RGB-ленты 1 разъем аудио для передней панели корпуса 1 разъем для систем безопасности TPM 1 разъем для датчика шума 2 разъема для термодатчиков 1 разъем для подключения управления с передней панели корпуса |
| Форм-фактор | ATX (305×244 мм) |
| Розничные предложения |
Примечание: * – слот PCIe x16 делит ресурсы со слотами M2B_SB и M2C_SB. Детали - ниже
Основная функциональность: чипсет, процессор, память
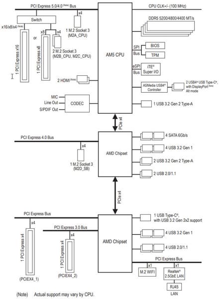
Схема работы связки чипсет+процессор.
Все процессоры Ryzen 7000/8000/9000 поддерживают:
- 3 порта USB 3,2 Gen2 Type-C,
- 1 порт USB 3,2 Gen2 Type-A,
- 1 порт USB 2.0,
Только Ryzen 7000/9000 поддерживают:
- 28 линий ввода-вывода (включая PCI-E 5.0, в случае работы с A620/B840 пониженные до версии 4.0):
- 4 линии из них (в случае чипсета A620/B840 пониженные до версии 3.0) идут на взаимодействие с чипсетом,
- 16 линий — это PCI-E 5.0 слот для видеокарт,
- Осталось 8 линий PCIe 5.0:
- 4 линии — это слот M.2,
- остальные 4 могут конфигурироваться производителями материнских плат на выбор.
Только Ryzen 8700/8600 поддерживают:
- 20 линий ввода-вывода (PCIe версии 4.0):
- 4 линии из них (в случае чипсета A620/B840 пониженные до версии 3.0) идут на взаимодействие с чипсетом,
- 8 линий — это PCI-E 4.0 слот для видеокарт,
- Осталось 8 линий PCIe 4.0:
- 4 линии — это слот M.2,
- остальные 4 могут конфигурироваться производителями материнских плат на выбор.
Только Ryzen 8500/8300 поддерживают:
- 14 линий ввода-вывода (PCIe версии 4.0):
- 4 линии из них (в случае чипсета A620/B840 пониженные до версии 3.0) идут на взаимодействие с чипсетом,
- 4 линии — это PCI-E 4.0 слот для видеокарт,
- Осталось 6 линий PCIe 4.0:
- 4 линии — это слот M.2,
- остальные 2 могут конфигурироваться производителями материнских плат на выбор .
В свою очередь чипсет X870E поддерживает до:
- 8 портов USB 3.2 Gen2,
- 2 портов USB 3.2 Gen2x2,
- 12 портов USB 2.0,
- 2 портов USB4;
- 24 линии ввода-вывода:
- 4 линии для связи внутри микросхем чипсета (см. ниже).
- Остальные 20 линий распределяются как 12 PCIe 4.0 + 8 PCIe 3.0 (включая до 8 портов SATA).
Таким образом в сумме от тандема X870E+Ryzen 7000/9000 мы получаем:
- 16 PCI-E 5.0 линий для видеокарт (от процессора);
- 2 порта USB4 (от контроллера ASM4242);
- 2 порта USB 3.2 Gen2x2 (от чипсета);
- 12 портов USB 3.2 Gen2 (4 от процессора, 8 от чипсета);
- 13 портов USB 2.0 (1 от процессора, 12 от чипсета);
- 8 портов SATA 6Гбит/с (от чипсета)
- 8 линий PCIe 5.0 (от процессора), 4 из которых — на слот М.2, 4 — могут образовывать разные варианты комбинаций портов и слотов (в зависимости от производителя материнских плат);
- 12 линий PCI-E 4.0 ( от чипсета), которые могут образовывать разные варианты комбинаций портов и слотов (в зависимости от производителя материнских плат);
- 8 линий PCI-E 3.0 ( от чипсета), которые могут образовывать разные варианты комбинаций портов и слотов (в зависимости от производителя материнских плат).
Итого: 25 портов USB, 28 свободных PCI-E линий (включая до 8 портов SATA).
Напомню, что чипсеты AMD X670 и X670E полностью равнозначны по функциональности (набору портов и линий), но слот PCIe x16 (для видеокарт), получаемый данные от процессора в случае X670E получает версию PCIe 5.0, а в случае X670 — 4.0. Чипсет X870E имеет тот же набор, что и X670E, плюс поддержка 2х портов USB4 (через сторонний контроллер). Чипсеты X670, X670E, X870E состоят из двух микросхем, каждая из которых представляет собой по сути соответственно, B650, B650E или X870.
Поколения Ryzen 7xxx/8xxx/9xxx поддерживают как традиционные уже модули памяти DDR5 c Intel XMP (Extreme Memory Profile), так и модули с проприетарным от AMD профилем Expo.
Плата Gigabyte поддерживает процессоры AMD поколений 7xxx/8xxx/9xxx, выполненные под разъем (сокет) AM5.
Для установки модулей памяти на плате имеется четыре DIMM-слота (для работы памяти в Dual Channel в случае использования всего 2 модулей их следует устанавливать в А2 и B2).
Плата поддерживает небуферизованную память DDR5, а максимальный объем памяти составляет 256 ГБ. Поддерживаются профили XMP и Expo.

Два слота DIMM A2/B2 имеют металлическую окантовку, остальные – без оной.
Периферийная функциональность: PCIe, SATA, разные дополнительные устройства
Выше мы изучили потенциальные возможности тандема X870E+Ryzen, а теперь посмотрим, что из этого и как реализовано в данной материнской плате.

Итак, кроме USB-портов, к которым мы подойдем позже, чипсет X870E обладает 20 PCIe линиями (плюс 4 линии на аплинк с процессором). Считаем, сколько линий уходит на поддержку (связь) с тем или иным элементом:
- слот PCIe x16_2 (4 линии PCIe 4.0);
- слот PCIe x16_3 (4 линии PCIe 3.0);
- порты SATA_0/1/2/4 (4 линии PCIe 3.0);
- Слот M2D_SB (4 линии PCIe 4.0);
- Realtek RTL8125D (Ethernet 2,5Gb/s) (1 линия PCIe 4.0);
- Qualcomm QCNCM865 WIFI/BT (Wireless) (1 линия PCIe 4.0)
18 линий PCIe оказались занятыми (10 PCIe 4.0 + 8 PCIe 3.0). В данном случае связь с аудиокодеком идет через внутренний HDA. На поддержку BT (при наличии слота M.2 (key E) расходуется один USB 2.0. Детально об этом ниже в разделе USB-портов.
Теперь посмотрим выше на то, как работают процессоры в данной конфигурации. У всех Ryzen 7xxx/9xxx — 24 линии PCIe (плюс 4 линии на даунлинк с чипсетом). Смотрим распределение:
- Слот M2A_CPU (4 линии PCIe 5.0);
- Хаб USB4 ASMedia ASM4242 ( (4 линии PCIe 4.0);
- 16 линий PCIe 5.0 делятся между слотами PCIe x16_1, M2B_CPU и M2C_CPU. Варианты:
- Слот PCIe x16_1 имеет 16 линий PCIe 5.0, слоты M2A_CPU и M2B_CPU отключены;
- Слот PCIe x16_1 имеет 8 линий PCIe 5.0, слоты M2A_CPU и M2B_CPU имеют по 4 линии PCIe 5.0.
Все 24 линии PCIe распределены.
Теперь в целом про слоты расширения.
Всего на плате есть 3 слота: слот PCIe x16_1 (для видеокарт или других устройств, режим х16), два слота PCIe x16_2/3, работающих в режиме х4. Если про первый PCIe x16_1 я выше уже рассказал (он подключен к CPU), то PCIe x16_2/3 подключены к X870E, но разными версиями: PCIe x16_2 – PCIe 4.0, PCIe x16_3 – PCIe 3.0.
Как видим, перераспределения линий PCIe между слотами PCIe у этой материнки нет имеется, традиционных мультиплексоров нет. А перераспределение линий PCIe между слотом PCIe x16_1 и слотами M.2 задается вручную через BIOS (автоматического определения нет).
Первый («процессорный») слот PCIe x16 имеет не только жесткую защиту от деформирования в виде пластины с оборотной стороны платы (о чем я выше уже писал), но также еще и металлическое армирование из цинкового сплава, которое увеличивает надежность. Кроме того, такая защита предохраняет слот от электромагнитных помех.
Имеется и схема EZ-Latch-Plus удобного изъятия карт расширения из первого слота. Путем нажатия кнопки за пределами слота можно легко открыть замок PCIe x16_1.
Матплата позволяет смонтировать СО любого размера.
Для поддержания стабильных частот на шине PCIe имеются усилители (ре-драйверы) сигнала PCIe 5.0 от Phison.
Внешнего тактового генератора нет (тщательным намазыванием термопасты компенсируем его отсутствие – шутка).
На очереди — накопители.
Всего у платы 4 разъема Serial ATA 6 Гбит/с + 4 слота для накопителей в форм-факторе M.2.
4 порта SATA 0,1,2,3 реализованы через чипсет X870E и поддерживают создание RAID.
Материнская плата сама имеет 4 гнезда форм-фактора М.2.
Слот M2D_SB получает данные от чипсета X870E (PCIe 4.0), а остальные три — от CPU (PCIe 5.0). При этом все слоты работают с модулями только с PCIe интерфейсом и поддерживают размеры модулей 2280 и 22110. Слот M2A_CPU также поддерживает еще и размеры 2580/25110. На всех M.2 можно организовать RAID.
Особо обращу внимание на то, что слоты M2B_CPU / M2C_CPU, получающие данные от процессора, делят ресурсы со слотом PCIe x16_1, о чем я говорил уже выше. Частично это связано с тем, что контроллер USB4 требует 4 линии PCIe 4.0, и инженеры решили «отнять» их у CPU (поэтому у того свободно поддерживается только один слот M2A_CPU).
Все M.2 слоты на матплате имеют радиаторы. Слот M2A_CPU обладает отдельным очень толстым радиатором, когда как остальные M.2 слоты имеют общий радиатор. Следует отметить, что слот M2A_CPU кроме охлаждения верхней стороны имеет еще и нижний радиатор.
То есть следует отметить, что охлаждение системного чипсета (2 микросхемы) отдельно от охлаждения модулей в слотах M.2.
Периферийная функциональность: USB-порты, сетевые интерфейсы, ввод-вывод
Теперь на очереди USB-порты и прочие вводы-выводы. И начнем с задней панели, куда выведены большинство из них.
Повторим: чипсет X870E способен реализовать максимально: 8 портов USB 3.2 Gen2/1, 2 USB 3.2 Gen2x2, 12 портов USB 2.0. Процессор Ryzen 7000/9000 способен реализовать до 4 портов USB 3.2 Gen2 и 1 USB 2.0.
Также мы помним и про 20 линий PCIe от чипсета, которые идут на поддержку накопителей, сетевых и иных контроллеров (я выше уже показал на что и как расходуются 18 линий).
И что мы имеем? Всего на материнской плате — 20 портов USB:
- 2 порта USB4: оба реализованы с помощью хаба ASMedia ASM4242 (на него потрачены 4 линии PCIe 4.0 от CPU) и представлены двумя портами Type-C на задней панели;
- 1 порт USB 3.2 Gen2x2: реализован с помощью X870E и представлен внутренним портом Type-C (для подключения к соответствующему разъему на передней панели корпуса);
- 3 порта USB 3.2 Gen2: 1 реализован через X870E остальные 2 реализованы через CPU, и все представлены на задней панели портами Type-A (красного цвета);
- 8 портов USB 3.2 Gen1: все реализованы через X870E и 4 представлены двумя внутренними разъемами на материнской плате (каждый на 2 порта); еще 4 представлены на задней панели портами Type-A (синего цвета);
- 6 портов USB 2.0/1.1: все реализованы через X870E и 4 представлены двумя внутренними разъемами (каждый на 2 порта), еще 2 представлены портами Type-A (белого цвета) на задней панели.
Плюс у нас беспроводной контроллер использует 1 линию USB 2.0 от X870E.
Итак, через чипсет X870E реализовано высокоскоростных портов USB:
- + 1 выделенный USB 3.2 Gen2x2;
- + 1 выделенный USB 3.2 Gen2
- + 8 выделенных USB 3.2 Gen1
= 10 высокоскоростных портов и 7 USB 2.0 портов (6 выделенных и 1 линия на поддержку контроллера QCNCM865).
Плюс 18 линий PCIe, выделенные на поддержку иной периферии. Итого, у X870E в данном случае реализовано 28 высокоскоростных портов.
Через процессор реализовано всего 2 высокоскоростных порта USB – USB 3.2 Gen2.
Все быстрые USB 3.2 порты оснащены ре-драйверами.
А порт USB 3.2 Gen2x2 в виде внутреннего Type-C отдельным контроллером от Realtek, являющимся по сути усилителем питания, дающий вольтаж, способный обеспечить быструю зарядку мобильных гаджетов через него.
Отдельно надо отметить, что материнская плата оснащена портами USB4. Плата комплектуется соответствующим контроллером ASM4242 от ASMedia, который распаян на материнской плате. О нем я уже говорил выше. На задней панели имеется 2 гнезда Type-C как для вывода через протокол USB4, так и для вывода графики на мониторы с интерфейсом Type-C (но только при наличии встроенной графики в процессор).
Теперь о сетевых делах.
Материнская плата оснащена средствами связи просто отлично. Имеется скоростной Ethernet-контроллер Realtek RTL8125D, способный работать по стандарту 2,5 Гбит/с.
Имеется и комплексный беспроводной адаптер на контроллере Qualcomm QCNCM865, через который реализованы Wi-Fi 7 (802.11a/b/g/n/ac/ax/be) и Bluetooth 5.3. Он установлен в слот M.2 (E-key), и его разъемы для привинчивания выносных антенн выведены на заднюю панель.
Заглушка, традиционно надеваемая на заднюю панель, в данном случае уже надета, и изнутри экранирована для снижения электромагнитных помех.
Аудиоподсистема
Плата оснащена звуковым кодеком Realtek ALC1220, обеспечивающим вывод звука по схемам до 7.1 с разрешением до 24 бит / 192 кГц.
Операционного усилителя нет.
В аудиоцепях платы применяются «аудиофильские» конденсаторы Nichicon Fine Gold.
Аудиотракт вынесен на угловую часть платы, не пересекается с другими элементами. Организация схемы 7.1 осуществляется с помощью двух дополнительных гнезд на передней (верхней) панели корпуса ПК (обязательно подключить их к матплате стандартным кабелем), а также через S/PDIF на задней панели.
Питание, охлаждение
Для питания платы на ней предусмотрены 3 разъема: в дополнение к 24-контактному ATX (он на правой стороне платы (на фото — слева) здесь есть еще два 8-контактных EPS12V.
Внешне схема питания выглядит как 16+2+2: 16 фаз — ядро процессора, 2 фазы — SoC (I/O-чиплет Ryzen), 2 фазы — VDD_MISC (вывод встроенной графики).
Каждый канал фазы VCore и встроенной графики имеет суперферритовый дроссель и транзисторную сборку PMC41410 от Infineon (ex- IOR) (до 105A).
Управляет обоими наборами фаз (16+2) ШИМ-контроллер XDPE192C3B от Infineon, рассчитанный на 12 фаз, поэтому у фаз питания для VCore организовано параллельное управление: 8x2 плюс 2 фазы на встроенную графику: физически 10 фаз питания.
2 фазы питания SoC образуют суперферритовые дроссели и наборы полевых МОП-транзисторов NTMFS4C06-4C10 от On Semi на 69 А.
Управляет этой схемой ШИМ-контроллер RT3672 от Richtek.
Теперь про охлаждение.
Все потенциально сильно греющиеся элементы имеют свои собственные радиаторы.
Как мы видим, охлаждение двух микросхем чипсета (один радиатор) организовано отдельно от остальных элементов. VRM-секция имеет свои два радиатора, соединенных тепловой трубкой под прямым углом.
Как я уже упоминал ранее, M.2 слоты также имеют радиаторы: у первого — свой персональный радиатор (также этот слот снабжен нижним радиатором), у остальных — общий.
Контроллер USB4 – ASMedia ASM4242 имеет свой небольшой радиатор.
Напомню, что материнская плата не имеет бэкплейта.
Подсветка
Программное обеспечение под Windows
Настройки BIOS
Работоспособность (и разгон)
Запускаем все в режиме по умолчанию. Затем нагружаем тестами от OCCT.
В данном случае авторазгон сработал очень хорошо с учетом стрессовой нагрузки на процессор (его максимальный нагрев был чуть ниже 80 градусов, а максимум потребления выше 190 Вт). При этом стоит отметить, что во всех этих испытаниях мы не получили никаких нареканий на работу сопутствующих блоков, никаких перегревов или странных явлений не было.
Выводы
Материнская плата Gigabyte X870E Aorus Pro Ice относится к игровой серии Aorus, основана на топовом чипсете AMD X870E и позиционируется для работы с топовыми процессорами AMD платформы AM5. Это решение для игровых ПК высокого уровня, но модель не относится к флагманским, так что ее цену можно, пусть и с натяжкой, назвать умеренной.
У Gigabyte X870E Aorus Pro Ice имеется 20 портов USB разных видов, включая 2 самых современных USB4 (40 Гбит/с), 11 USB 3.2 Gen1/2, а также USB 3.2 Gen2×2 в виде внутреннего порта Type-C. Плата предлагает 1 слот PCIe х16, который получает от процессора 16 линий PCIe версии 5.0 (и делит их с двумя слотами M.2, подключенными к процессору), также имеется 2 слота формата PCIe x16, соединенных с чипсетом 4 линиями PCIe 4.0/3.0. Всего у платы 4 слота M.2: три из них подключены напрямую к процессору линиями PCIe 5.0, один подключен к чипсету X870E линиями PCIe 4.0. Также в арсенале платы есть 4 порта SATA и 8 разъемов для вентиляторов. Система питания процессора очень мощная, она способна обеспечить работу любых совместимых процессоров с приличным запасом на разгон. Плата имеет грамотную систему охлаждения каждого потенциально греющегося элемента, включая накопители в слотах M.2.
Сетевые возможности включают проводной контроллер 2,5 Гбит/с и беспроводной Wi-Fi 7 + Bluetooth 5.3. Поддержка USB4 позволяет передавать данные на скорости до 40 Гбит/с и выводить изображение на монитор или телевизор через порт USB Type-C. В числе плюсов Gigabyte X870E Aorus Pro Ice можно упомянуть возможности для подключения дополнительных ARGB-устройств.
Рассмотренная плата предлагает широкие программные возможности для любителей разгона (через BIOS Setup), в рамках позиционирования внутри линейки Aorus имеются неплохие оверклокерские возможности.

В заключение еще раз напомним, что в новом поколении чипсетов AMD только X870E является топовым и поддерживает такой же набор линий PCIe и портов, как его предшественник X670E, плюс 2 порта USB4. Похожий по названию X870 — это, по сути, B650E + USB4.






























































































