Оглавление
- Форм-фактор
- Технические характеристики
- Основная функциональность: чипсет, процессор, память
- Периферийная функциональность: PCIe, SATA, разные дополнительные устройства
- Периферийная функциональность: USB-порты, сетевые интерфейсы, ввод-вывод
- Аудиоподсистема
- Питание, охлаждение
- Подсветка
- Программное обеспечение под Windows
- Настройки BIOS
- Работоспособность (и разгон)
- Выводы по материнской плате
- Необходимость в корпусах с поддержкой дизайна Stealth
Мы продолжаем изучать – как устроена та или иная материнская плата, на что способна система питания, с каким ассортиментом периферии, а также программных средств она попадает к потребителю. А исследование процессоров — в своем разделе.
К нам снова попал не типичный продукт – материнская плата, у которой все коннекторы перенесены на оборотную сторону (у Gigabyte такие продукты отнесены в серию Stealth). У нас уже был материал по подобной матплате, и мы убедились, что такого рода дизайн – для удобства сборки ПК, а также для эстетического удовольствия не видеть внутри ПК кабелей и проводов. Сегодня в нашу лабораторию попала материнка от Gigabyte, и снова продукт на базе среднебюджетного чипсета AMD B650, правда на сей раз версии B650E.
Стоит напомнить, что чипсеты B650 и B650E, как и X670 и X670E отличаются между собой поддержкой версии PCIe 4.0 для слота PCIe x16 в случае без «Е» и версии PCIe 5.0 для того же слота в случае с «Е».
Таблица основных отличий чипсетов B650 и X670.
| Особенности | B650/B650E | X670/X670E |
|---|---|---|
| Совместимость с процессорами AMD | Ryzen 7xxx/8xxx/9xxx | Ryzen 7xxx/8xxx/9xxx |
| Версия PCIe (процессор) | 4.0 & 5.0/5.0 | 4.0 & 5.0/5.0 |
| Количество линий PCIe (процессор) | 28 | 28 |
| Количество линий PCIe от процессора на связь с чипсетом | x4 PCIe 4.0 | x4 PCIe 4.0 |
| Версия PCIe (чипсет) | 3.0 & 4.0 | 3.0 & 4.0 |
| Количество линий PCIe (чипсет) | 12 (8 x 4.0 & 4 x 3.0) | 20 (12 x 4.0 & 8 x 3.0) |
| Поколение ОЗУ | DDR5 | DDR5 |
| Количество каналов ОЗУ | 2 | 2 |
| Максимальное количество слотов ОЗУ | 4 | 4 |
| Максимальный объем ОЗУ | 192 ГБ | 192 ГБ |
| Количество портов SATA 6.0 Gb/s до | 4 | 8 |
| Порты USB 3.2 Gen 2x2 (20Gbps) до | 1 | 2 |
| Порты USB 3.2 Gen 2x1 (10Gbps) / Gen 1x1 (5Gbps) до | 6 | 8 |
| Порты USB 2.0 до | 6 | 12 |
| Возможность разгона по частоте шины | Да | Да |
Мы знаем, что у Gigabyte кроме собственного бренда есть суббренд Aorus, в который компания относит все самые навороченные и флагманские продукты. Вот наша сегодняшняя плата (несмотря на то, что базируется на среднебюджетном чипсете) относится к этой серии — Gigabyte B650E Aorus Stealth Ice, базируемая на AMD B650E. Реально ли это флагман? Или все же субфлагман? Или даже ниже?
Давайте разбираться.
Gigabyte B650E Aorus Stealth Ice поставляется в традиционной для Aorus коробке из жесткого картона с фирменным орлиным дизайном серии, коробка в белых тонах, что подчеркивает белый окрас самой матплаты. Комплект размещен под платой в отдельных отсеках.
Внутри суббренда Aorus данная плата все же не является флагманским решением, поэтому комплект поставки в целом скромен: кроме традиционных элементов типа руководства пользователя и кабелей SATA, имеются антенна встроенного Wi-Fi/BT-модуля, фирменный G-connector для передней панели. Даже бонусных наклеек нет.
ПО не поставляется, впрочем за время путешествия платы к покупателю оно все равно успевает устареть, так что придется его обновлять с сайта производителя сразу после покупки.
«Заглушка» на заднюю панель с разъемами уже смонтирована на самой плате.
Форм-фактор
Форм-фактор ATX имеет размеры до 305×244 мм, а E-ATX — до 305×330 мм. Материнская плата Gigabyte B650E Aorus Stealth Ice имеет размеры 305×244 мм, поэтому выполнена в форм-факторе ATX, и на ней имеются 9 монтажных отверстий для установки в корпус. Однако следует иметь в виду, что некоторые отверстия перекрыты радиаторами и прочими кожухами.
Главной особенностью материнской платы является размещение всех коннекторов на оборотной стороне. Слот PCIe и слоты M.2 – на лицевой стороне (что логично -).
Кроме коннекторов на оборотной стороне почти ничего нет, кроме жестких креплений процессорного сокета. Текстолит обработан хорошо: во всех точках пайки не только острые концы срезаны, но и все неплохо отшлифовано. На задней стороне установлена пластина из алюминия с наноуглеродным покрытием. Она помогает обеспечивает жесткость материнской платы, но не отводит тепло от задней стороны PCB (нет термоинтерфейса).
По поводу перекрытых некоторых крепежных отверстий: дизайном предусмотрены магнитные накладки на панели, и при снятии первых, становятся доступны отверстия в матплате для ее крепления.
Технические характеристики


Традиционная таблица с перечнем функциональных особенностей.
| Поддерживаемые процессоры | AMD Ryzen 7xxx/8xxx/9xxx под AM5 |
|---|---|
| Процессорный разъем | AM5 |
| Чипсет | AMD B650E |
| Память | 4 × DDR5, до 192 ГБ, до DDR5-8000 (XMP/Expo), два канала |
| Аудиоподсистема | 1 × Realtek ALC897 (7.1) |
| Сетевые контроллеры | 1 × Realtek RTL8125D Ethernet 2.5 Гбит/с 1 × MediaTek Dual Band Wireless MT7925 (Wi-Fi 7 802.11a/b/g/n/ac/ax (2,4/5/6 ГГц) + Bluetooth 5.4) |
| Слоты расширения | 1 × PCI Express 5.0 x16 |
| Разъемы для накопителей | 4 × SATA 6 Гбит/с (B650E) 1 × M.2 (M2A_CPU, CPU, PCIe 5.0 x4 для устройств формата 2280/2580/22110/25110) 1 × M.2 (M2B_CPU, CPU, PCIe 4.0 x4 для устройств формата 2280/22110) 1 × M.2 (M2С_SB, B650E, PCIe 4.0 x4 для устройств формата 2280/22110) |
| USB-порты | 4 × USB 2.0: 4 порта Type-A (черные)(GL850G) 4 × USB 2.0: 2 внутренних разъема на 4 порта (B650E) 2 × USB 3.2 Gen1: 1 внутренний разъем на 2 порта (B650E) 5 × USB 3.2 Gen1: 5 портов Type-A (синие) (RTS5411+B650E) 1 × USB 3.2 Gen2x2: 1 внутренний разъем Type-C (B650E) 1 × USB 3.2 Gen2: 1 порт Type-C (CPU) 2 × USB 3.2 Gen2: 2 порта Type-A (красные) (CPU) |
| Разъемы на задней панели | 1 × USB 3.2 Gen2 (Type-C)/DP-out 2 × USB 3.2 Gen2 (Type-A) 5 × USB 3.2 Gen1 (Type-A) 4 × USB 2.0 (Type-A) 1 × RJ-45 3 аудиоразъема типа миниджек 1 × HDMI-out 2 антенных разъема кнопка перепрошивки BIOS — Q-Flash Plus |
| Прочие внутренние элементы | 24-контактный разъем питания ATX 1 8-контактный разъем питания EPS12V 1 слот M.2 (E-key), занят адаптером беспроводных сетей 1 разъем для подключения порта USB 3.2 Gen2x2 Type-C 1 разъем для подключения 2 портов USB 3.2 Gen1 2 разъема для подключения 4 портов USB 2.0 6 разъемов для подключения 4-контактных вентиляторов и помп ЖСО 1 разъем для подключения неадресуемой RGB-ленты 2 разъема для подключения адресуемой ARGB-ленты 1 разъем аудио для передней панели корпуса 1 разъем для сброса CMOS 1 разъем TPM для систем безопасности 1 разъем для подключения карт Thunderbolt 2 разъема для термодатчиков 1 разъем для подключения управления с передней панели корпуса 1 универсальный разъем Reset (настраивается в BIOS) 1 универсальная кнопка Reset (настраивается в BIOS) |
| Форм-фактор | ATX (305×244 мм) |
| Ожидаемая цена | 30-35 тысяч рублей |
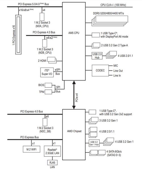
Основная функциональность: чипсет, процессор, память


Схема работы связки чипсет+процессор.
Все процессоры Ryzen 7000/8000/9000 поддерживают:
- 3 порта USB 3,2 Gen2 Type-C,
- 1 порт USB 3,2 Gen2 Type-A,
- 1 порт USB 2.0,
Только Ryzen 7000/9000 поддерживают:
- 28 линий ввода-вывода (включая PCI-E 5.0, в случае работы с A620 пониженные до версии 4.0):
- 4 линии из них (в случае чипсета A620 пониженные до версии 3.0) идут на взаимодействие с чипсетом,
- 16 линий — это PCI-E 4.0 слот для видеокарт,
- Осталось 8 линий PCIe 4.0:
- 4 линии — это слот M.2,
- остальные 4 могут конфигурироваться производителями материнских плат на выбор.
Только Ryzen 8700/8600 поддерживают:
- 20 линий ввода-вывода (PCIe версии 4.0):
- 4 линии из них (в случае чипсета A620 пониженные до версии 3.0) идут на взаимодействие с чипсетом,
- 8 линий — это PCI-E 4.0 слот для видеокарт,
- Осталось 8 линий PCIe 4.0:
- 4 линии — это слот M.2,
- остальные 4 могут конфигурироваться производителями материнских плат на выбор.
Только Ryzen 8500/8300 поддерживают:
- 14 линий ввода-вывода (PCIe версии 4.0):
- 4 линии из них (в случае чипсета A620 пониженные до версии 3.0) идут на взаимодействие с чипсетом,
- 4 линии — это PCI-E 4.0 слот для видеокарт,
- Осталось 6 линий PCIe 4.0:
- 4 линии — это слот M.2,
- остальные 2 могут конфигурироваться производителями материнских плат на выбор.
В свою очередь чипсет B650/B650E поддерживает до:
- 6 портов USB 3.2 Gen2,
- 1 порт USB 3.2 Gen2x2,
- 6 портов USB 2.0,
- 12 линий ввода-вывода:
- распределение линий: 8 PCIe 4.0 + 4 PCIe 3.0;
- линии PCIe 3.0 могут включать до 4 портов SATA.
Таким образом в сумме от тандема B650/B650E+Ryzen 7000/9000 мы получаем:
- 16 PCI-E 5.0 линий для видеокарт (от процессора);
- 1 порт USB 3.2 Gen2x2 (от чипсета);
- 10 портов USB 3.2 Gen2 (4 от процессора, 6 от чипсета);
- 7 портов USB 2.0 (1 от процессора, 6 от чипсета);
- 4 порта SATA 6Гбит/с (от чипсета, входят в состав линий PCIe 3.0)
- 8 линий PCIe 5.0 (от процессора), 4 из которых — на слот М.2, 4 — могут образовывать разные варианты комбинаций портов и слотов (в зависимости от производителя материнских плат);
- 8 линий PCI-E 4.0 ( от чипсета), которые могут образовывать разные варианты комбинаций портов и слотов (в зависимости от производителя материнских плат);
- 4 линии PCI-E 3.0 ( от чипсета), которые могут образовывать разные варианты комбинаций портов и слотов (в зависимости от производителя материнских плат).
Итого: до 18 портов USB, 20 свободных PCI-E линий (включая до 4 портов SATA).
Еще раз напомню, что чипсеты AMD B650 и B650E полностью равнозначны по функциональности (набору портов и линий), но слот PCIe x16 (для видеокарт), получаемый данные от процессора в случае B650E получает версию PCIe 5.0, а в случае B650 — 4.0.
Поколения Ryzen 7xxx/8xxx/9xxx поддерживают как традиционные уже модули памяти DDR5 c Intel XMP (Extreme Memory Profile) (которые через Direct Over Clock Profile (DOCP) подгоняются под характеристики, заложенные в XMP), так и модули с проприетарным от AMD профилем Expo.
Детально об этом всем имеется в материале по самому процессору Ryzen 9 7950X и архитектуре Zen4,
Gigabyte B650E Aorus Stealth Ice поддерживает процессоры AMD поколения 7000/8000/9000, выполненные под разъем (сокет) AM5.
Для установки модулей памяти на плате имеется четыре DIMM-слота (для работы памяти в Dual Channel в случае использования всего 2 модулей их следует устанавливать в А2 и B2). Плата поддерживает небуферизованную память DDR5, а максимальный объем памяти составляет 192 ГБ. Поддерживаются профили XMP и Expo.
Слоты не имеют металлической окантовки (для защиты от помех), но при этом проводники к ОЗУ тщательно экранированы.
Периферийная функциональность: PCIe, SATA, разные дополнительные устройства
Выше мы изучили потенциальные возможности тандема B650E+Ryzen, а теперь посмотрим, что из этого и как реализовано в данной материнской плате.
Итак, кроме USB-портов, к которым мы подойдем позже, чипсет B650E обладает 12 PCIe линиями. Считаем, сколько линий уходит на поддержку (связь) с тем или иным элементом:
- Порт M.2 (M2С_SB) (4 линии PCIe 4.0);
- SATA 0,1,2,3 (4 линии PCIe 3.0);
- Realtek RTL8125D (Ethernet 2.5 Gb/s) (1 линия PCIe 4.0);
- Mediatek MT7925 WIFI7/BT (Wireless) (1 линия PCIe 4.0)
10 линий PCIe (6 версии 4.0 и 4 версии 3.0) оказались занятыми, включая 4 порта SATA.
Теперь посмотрим выше на то, как работают процессоры в данной конфигурации. У всех Ryzen 7xxx/8xxx/9xxx — 24 линии PCIe (плюс 4 линии на даунлинк с чипсетом). Смотрим распределение:
- Порт M.2 (M2A_CPU) (4 линии PCIe 5.0);
- Порт M.2 (M2B_CPU) (4 линии PCIe 4.0);
- Слот PCIe x16_1 (16 линий PCIe 5.0)
В процессорах Ryzen встроен контроллер High Definition Audio (HDA), связь с аудиокодеком идет путем эмуляции PCI шины. А также контроллер USB 2.0 Genesys Logic GL850G использует линию USB 2.0 от CPU, а Realtek RTS5411 использует 1 линию USB 3.2 Gen1 от B650E (детали ниже в разделе USB портов).
Выше приведена полная схема распределения ресурсов по слотам PCIe. Всего на плате есть один PCIe x16 PCIe 5.0, получающий данные от процессора.
«Процессорный» слот PCIe x16 имеет металлическое армирование, которое увеличивает надежность (что может быть важным в случае довольно частой смены видеокарт, но что более важно: такой слот легче выдержит нагрузку на изгиб в случае установки очень тяжелой видеокарты топового уровня. Кроме того, такая защита предохраняет слоты от электромагнитных помех.
Для удобного извлечения видеокарт из слота имеется специальный длинный боковой «рычаг», оканчивающийся кнопкой — EZ-Latch-Plus, при нажатии которой замок слота опускается, что позволяет легко извлечь видеокарту.


Матплата позволяет смонтировать СО любого размера.
Никаких делений ресурсов и переключений работы слотов и портов у данной платы нет, поэтому мультиплексоры не востребованы. Внешнего тактового генератора нет.
На очереди — накопители.
Всего у платы 4 разъема Serial ATA 6 Гбит/с + 3 слота для накопителей в форм-факторе M.2. Все порты SATA реализованы через чипсет B650E и поддерживают создание RAID, а размещены на оборотной стороне платы в вертикальной ориентации.
Материнская плата имеет 3 гнезда форм-фактора М.2.
Все 3 слота поддерживают размеры модулей 22110/2280, также M2A_CPU поддерживает размер модулей 25110 и 2580. Все слоты работают с модулями только с PCIe интерфейсом, при этом два (M2A_CPU, M2B_CPU) получают данные от CPU, а один M2C_SB – от чипсета B650E.
Все M.2 слоты имеют радиаторы. Верхний M2A_CPU обладает отдельным радиатором, когда как остальные M.2 имеют общий радиатор.
Периферийная функциональность: USB-порты, сетевые интерфейсы, ввод-вывод
На очереди USB-порты. И начнем с задней панели, куда выведены большинство из них.
Повторим: чипсет B650E способен реализовать максимально: 6 портов USB 3.2 Gen2/1, 1 USB 3.2 Gen2x2, 6 портов USB 2.0. Процессор Ryzen 7000/8000/9000 способен реализовать до 4 портов USB 3.2 Gen2 и 1 USB 2.0.
Также мы помним и про 12 линий PCIe от чипсета, которые идут на поддержку накопителей, сетевых и иных контроллеров (я выше уже показал на что и как расходуются 10 линий).
И что мы имеем? Всего на материнской плате — 19 портов USB:
- 1 порт USB 3.2 Gen2x2: реализован через B650E и представлен внутренним портом Type-C для подключения к соответствующему разъему на передней панели корпуса;
- 3 порта USB 3.2 Gen2: все реализованы через CPU и представлены на задней панели двумя портами Type-A (красные) и 1 портом Type-C;
- 7 портов USB 3.2 Gen1: 3 реализованы через B650E, при этом 2 представлены внутренним разъемом на материнской плате на 2 порта, а 1 представлен на задней панели портом Type-A (синий); еще 4 реализованы через контроллер Realtek RTS5411 (на него потрачена 1 линия USB 3.2 Gen1 от B650E) и представлены на задней панели 4 портами Type-A (синие);
- 8 портов USB 2.0/1.1: 4 реализованы через B650E и представлены двумя внутренними разъемами (каждый на 2 порта); еще 4 реализованы через контроллер Genesys Logic GL850G (на него потрачена 1 линия USB 2.0 от CPU) и представлены 4 портами Type-A на задней панели (черные).
Итак, через чипсет B650E реализовано 1 USB 3.2 Gen2x2, 3 USB 3.2 Gen1 и 5 USB 2.0 портов (помним, что беспроводной контроллер требует одну линию USB 2.0).
Плюс 10 линий PCIe, выделенные на поддержку иной периферии. Итого, у B650E в данном случае реализовано 14 высокоскоростных портов.
Все быстрые USB порты Type-A/Type-C имеют свои усилители сигнала PI3EQX1004 от Diodes Inc.(ex Pericom).
А для нужд быстрой зарядки порт Type-C на задней панели и аналогичный внутренний порт для вывода на переднюю панель имеют редрайверы от Realtek.
Теперь о сетевых делах.
Материнская плата оснащена средствами связи хорошо. Имеется скоростной Ethernet-контроллер: Realtek RTL8125D, способный выдавать до 2,5 Гбит/с.
Имеется и комплексный беспроводной адаптер на контроллере MediaTek MT7925, через который реализованы Wi-Fi 7 (802.11a/b/g/n/ac/ax/be) и Bluetooth 5.4. Он установлен в слот M.2 (E-key), и его разъемы для крепления выносных антенн выведены на заднюю панель.
В данном адаптере реализована новая схема подключения антенн – с помощью пластиковых замков (без завинчивания наконечников антенных проводов).
Заглушка, традиционно надеваемая на заднюю панель, в данном случае уже надета, и изнутри экранирована для снижения электромагнитных помех.
Аудиоподсистема
Данная материнская плата оснащена очень старым аудиокодеком Realtek ALC897. Он обеспечивает вывод звука по схемам до 7.1 с разрешением до 24 бит / 192 кГц. Для получения схемы 7.1 следует использовать три гнезда на задней панели матплаты, а также внутренний аудио-выход с материнской платы подключить к передней панели корпуса и в качестве 4го гнезда использовать Line-out на корпусе.
Ни ЦАП, ни операционных усилителей нет.
В аудиоцепях платы применяются «аудиофильские» конденсаторы.
Аудиотракт вынесен на угловую часть платы, не пересекается с другими элементами. У карты три стандартных разъема по приему и выводу сигналов на задней панели. S/PDIF отсутствует.
Питание, охлаждение
Для питания платы на ней предусмотрены 2 разъема: в дополнение к 24-контактному ATX здесь есть еще один ATX12V (8 контактов).
Для материнки на среднебюджетном чипсете система питания выглядит весьма внушительно.
Внешне схема питания выглядит как 12+2+2: 12 фаз — ядро процессора, 2 фазы — SoC (I/O-чиплет Ryzen), 2 фазы — VDD_MISC (вывод встроенной графики).
Управляет фазами VCore и SoC цифровой контроллер RT3678 от Richtek. Он умеет работать максимум с 10 фазами, так что, на самом деле идет управления фазами питания ядра по параллельной схеме, и мы имеем 6x2 (VCore) + 2 (SoC) = 8 реальных фаз питания для управления данным ШИМ-контроллером.
Фазы питания VDD_MISC — под управлением ШИМ-контроллера RT3672 от Richtek.
Каждая фаза VCore и SoC имеет по транзисторной сборке NCP302155 от On Semi (до 55А).
Схема питания VDD_MISC снабжена набором полевых транзисторов NTMFS4C10N/4C06N от On Semi (до 69А).
Теперь про охлаждение.
Все потенциально сильно греющиеся элементы имеют свои собственные радиаторы. Чипсет B650E имеет весьма широкий радиатор, он прекрасно справляется с охлаждением без вентилятора.
Остальной набор охлаждающих элементов весьма привычен.
Две группы силовых преобразователей имеют свои раздельные радиаторы, соединенные тепловой трубкой.
У всех модулей M.2, как я уже выше отмечал, есть свои радиаторы с термоинтерфейсом. У верхнего — свой отдельный радиатор, у двух остальных — общий.
Материнская плата имеет бэкплейт с оборотной стороны, который имеет функции защиты матплаты, а также усиления жесткости.
Подсветка
Программное обеспечение под Windows
Настройки BIOS
Работоспособность (и разгон)
Запускаем все в режиме по умолчанию. Затем нагружаем тестами от OCCT.
Хорошо известно, что современные технологии авторазгона от Intel (Turbo Boost) и AMD (Precision Boost) базируют свои лимиты подъема частот на информации о системе питания на той или иной матплате, возможностях чипсета и т.д. (контроллеры – цифровые, в UEFI вся информация имеется).
Следует отметить, что у данной плата хорошо реализован контроль за частотой IF (Infinity Fabric) (разумеется, если она выставлена в режиме Auto), и множитель для частоты памяти автоматически подобран.
Мы видим, что авторазгон у этой платы в режиме работы по умолчанию сработал отлично (до 5,3 ГГц по всем ядрам — это очень приличный уровень для матплаты на среднебюджетном чипсете). При этом стоит отметить, что во всех этих испытаниях мы не получили никаких нареканий на работу сопутствующих блоков, никаких перегревов или странных явлений не было.
Выводы по материнской плате
Материнская плата Gigabyte B650E Aorus Stealth Ice — субфлагманский продукт компании на чипсете AMD B650E, представитель серии Aorus для процессорного разъема AM5 с предполагаемой стоимостью в районе 30-35 тысяч рублей. Плата поддерживает процессоры AMD Ryzen 7000/8000/9000 и создана для геймеров и продвинутых пользователей.
Уникальной особенностью этой платы является размещение почти всех разъемов (кроме слотов памяти, PCIe и M.2) на обратной стороне текстолита, чтобы подходящие к ним кабели не портили внешний вид компьютера с прозрачными стенками и красивой подсветкой. Кабель-менеджмент при этом организуется в задней части корпуса, что логично и снижает требования к длине многих кабелей. Но, разумеется, для установки такой платы подойдет не любой корпус.
У Gigabyte B650E Aorus Stealth Ice имеется 19 портов USB разных видов, включая быстрые USB 3.2 Gen2×2 и Gen2, в том числе поддерживается вывод изображения в формате DP через разъем USB Type-C. Слот PCIe х16 получает от процессора 16 линий PCIe 5.0, как и один слот M.2 (M2A_CPU). Остальные 2 слота M.2 подключены линиями PCIe 4.0.
В арсенале этой модели также есть 4 порта SATA и 6 разъемов для вентиляторов. Несмотря на формальную принадлежность к среднему ценовому сегменту (если судить по чипсету), система питания процессора весьма мощная. Плата имеет систему охлаждения для каждого потенциально греющегося элемента, включая накопители в слотах M.2. Сетевые возможности хорошие: проводной контроллер 2,5 Гбит/с и беспроводной Wi-Fi 7 + Bluetooth 5.4. В числе плюсов платы можно упомянуть очень элегантную и красивую подсветку, а также широкие возможности для подключения дополнительных RGB-устройств.
Конечно же, у платы Gigabyte B650E Aorus Stealth Ice имеются и некоторые возможности для любителей разгона.
Необходимость в корпусах с поддержкой дизайна Stealth
Компания Gigabyte назвала этот дизайн концепцией Stealth.
Естественно, для установки таких материнских плат требуются корпуса, имеющие вырезы в несущей панели напротив всех перенесенных на обратную сторону разъемов.
На сайте компании можно найти список совместимых корпусов, на момент подготовки обзора он выглядел так:

Ожидается, что ассортимент таких корпусов будет расширяться.
В номинации «Оригинальный дизайн» плата Gigabyte B650E Aorus Stealth Ice получила награду:

Благодарим Владислава Громова из Хабаровска (Telegram-канал, сайт)
за предоставленную СЖО Arctic Liquid Freezer III 420-ARGB











































































































