Оглавление
- Форм-фактор
- Технические характеристики
- Основная функциональность: чипсет, процессор, память
- Периферийная функциональность: PCIe, SATA, разные дополнительные устройства
- Периферийная функциональность: USB-порты, сетевые интерфейсы, ввод-вывод
- Аудиоподсистема
- Питание, охлаждение
- Подсветка
- Программное обеспечение под Windows
- Настройки BIOS
- Работоспособность (и разгон)
- Выводы
Мы продолжаем изучать – как устроена та или иная материнская плата, на что способна система питания, с каким ассортиментом периферии, а также программных средств она попадает к потребителю.
Исследование процессоров — в своем разделе.
Сегодня у нас в лаборатории побывала материнская плата на базе среднебюджетного чипсета AMD B650. Напомню, что топовые чипсеты AMD X670/X670E представляют собой набор из двух физических чипов (названных AMD как «восходящий» и «нисходящий»), каждый из которых представляет собой B650/650E. То есть, X670 = 2x B650. При этом все же при работе в виде «тандема» из двух B650 в лице X670, мы получаем не полностью удвоенные параметры B650: например, у B650 – 8 линий PCIe 4.0, но у X670 их не 16, а 12. Также и портов USB 3.2 Gen2 у B650 – до 6, однако у X670 – не до 12, а всего лишь до 8.
Чипсеты B650 и B650E, как и X670 и X670E отличаются между собой поддержкой версии PCIe 4.0 для слота PCIe x16 в случае без «Е» и версии PCIe 5.0 для того же слота в случае с «Е».
Таблица основных отличий чипсетов B650 и X670.
| Особенности | B650/B650E | X670/X670E |
|---|---|---|
| Совместимость с процессорами AMD | Ryzen 7xxx | Ryzen 7xxx |
| Версия PCIe (процессор) | 4.0 & 5.0/5.0 | 4.0 & 5.0/5.0 |
| Количество линий PCIe (процессор) | 28 | 28 |
| Количество линий PCIe от процессора на связь с чипсетом | x4 PCIe 4.0 | x4 PCIe 4.0 |
| Версия PCIe (чипсет) | 3.0 & 4.0 | 3.0 & 4.0 |
| Количество линий PCIe (чипсет) | 12 (8 x 4.0 & 4 x 3.0) | 20 (12 x 4.0 & 8 x 3.0) |
| Поколение ОЗУ | DDR5 | DDR5 |
| Количество каналов ОЗУ | 2 | 2 |
| Максимальное количество слотов ОЗУ | 4 | 4 |
| Максимальный объем ОЗУ | 128 ГБ | 128 ГБ |
| Количество портов SATA 6.0 Gb/s до | 4 | 8 |
| Порты USB 3.2 Gen 2x2 (20Gbps) до | 1 | 2 |
| Порты USB 3.2 Gen 2x1 (10Gbps) / Gen 1x1 (5Gbps) до | 6 | 8 |
| Порты USB 2.0 до | 6 | 12 |
| Возможность разгона по частоте шины | Да | Да |
Теперь возвращаемся к самой матплате.
Сегодня у нас в тестовой лаборатории побывала материнская плата от Gigabyte из премиальной серии Aorus, однако внутри самой серии это одна из младших моделей на базе среднебюджетного чипсета AMD B650.
Перед нами Gigabyte B650 Aorus Elite AX Ice. Уникальность белого дизайна платы подчеркнута суффиксом Ice.
Плата поставляется в стандартной коробке фирменного дизайна (при этом белые тона обложки коробки как бы подчеркивают особенность дизайна с белой PCB и серебристыми радиаторами). Комплект размещен под платой в отдельном отсеке.
Кроме традиционных элементов типа руководства пользователя и кабелей SATA, комплект поставки включает. антенну для беспроводной связи и фирменный адаптер G connector для удобного подключения к передней панели корпуса. Комплект крайне скромный.
ПО не поставляется, однако его все равно придется скачивать с вебсайта компании ради последних версий драйверов и программ.
«Заглушка» на заднюю панель с разъемами уже смонтирована на самой плате.
Форм-фактор
Форм-фактор ATX имеет размеры до 305×244 мм, а E-ATX — до 305×330 мм. Материнская плата Gigabyte B650 Aorus Elite AX Ice имеет размеры 305×244 мм, поэтому выполнена в форм-факторе ATX, и на ней имеются 9 монтажных отверстий для установки в корпус.
На оборотной стороне практически пусто. Текстолит обработан: во всех точках пайки острые концы срезаны. Бэкплейта нет.
Технические характеристики
Традиционная таблица с перечнем функциональных особенностей.
| Поддерживаемые процессоры | AMD Ryzen 7xxx под AM5 |
|---|---|
| Процессорный разъем | AM5 |
| Чипсет | AMD B650 |
| Память | 4 × DDR5, до 192 ГБ, до DDR5-8000 (XMP/Expo), два канала |
| Аудиоподсистема | 1 × Realtek ALC897 (5.1) |
| Сетевые контроллеры | 1 × Realtek RTL8125BG Ethernet 2,5 Гбит/с 1 × Realtek RTL8852 Dual Band Wireless (Wi-Fi 802.11a/b/g/n/ac/ax (2,4/6 ГГц) + Bluetooth 5.2) |
| Слоты расширения | 1 × PCI Express 4.0 x16 (CPU) 1 × PCI Express 4.0 x16 (режим x1) (B650) 2 × PCI Express 4.0 x16 (режим x1) (B650) |
| Разъемы для накопителей | 4 × SATA 6 Гбит/с (B650) 1 × M.2 (CPU, PCIe 5.0 x4 для устройств формата 2580/25110) 1 × M.2 (CPU, PCIe 4.0 x4 для устройств формата 2580/25110) 1 × M.2 (B650, PCIe 4.0 x4 для устройств формата 2580/25110) |
| USB-порты | 4 × USB 2.0: 2 внутренних разъема на 4 порта (B650) 4 × USB 2.0: 4 порта Type-A (черные) на задней панели (GL850G) 2 × USB 3.2 Gen1: 1 внутренний разъем на 2 порта (B650) 4 × USB 3.2 Gen1: 4 порта Type-A (синие) на задней панели (RTS5411) 1 × USB 3.2 Gen1: 1 порт Type-A (синий) на задней панели (B650) 1 × USB 3.2 Gen2x2: 1 внутренний разъем Type-C (B650) 1 × USB 3.2 Gen2: 1 порт Type-C на задней панели (CPU) 2 × USB 3.2 Gen2: 2 порта Type-A (красные) на задней панели (CPU) |
| Разъемы на задней панели | 5 × USB 3.2 Gen1 (Type-A) 1 × USB 3.2 Gen2 (Type-C) 2 × USB 3.2 Gen2 (Type-A) 4 × USB 2.0 (Type-A) 1 × RJ-45 2 антенных разъема 1 кнопка Q Flash Plus 3 аудиоразъема типа миниджек 1 × HDMI 2.1 1 × DP 1.4 |
| Прочие внутренние элементы | 24-контактный разъем питания ATX 1 8-контактный разъем питания EPS12V 1 4-контактный разъем питания EPS12V 1 разъем для подключения порта USB 3.2 Gen2x2 Type-C 1 разъем для подключения 2 портов USB 3.2 Gen1 2 разъема для подключения 4 портов USB 2.0 6 разъемов для подключения 4-контактных вентиляторов и помп ЖСО 1 разъем для подключения неадресуемой RGB-ленты 3 разъема для подключения адресуемой ARGB-ленты 1 разъем аудио для передней панели корпуса 1 разъем TPM 1 разъем сброса CMOS 1 кнопка и 1 разъем универсального переключателя Reset 2 разъема для подключения управления с передней панели корпуса |
| Форм-фактор | ATX (305×244 мм) |
| Ориентировочная стоимость | 44 тысячи рублей на Озоне |
Основная функциональность: чипсет, процессор, память
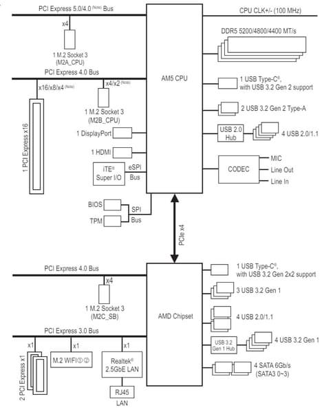
Схема работы связки чипсет+процессор.
Все процессоры Ryzen 7000/8000 поддерживают:
- 3 порта USB 3,2 Gen2 Type-C,
- 1 порт USB 3,2 Gen2 Type-A,
- 1 порт USB 2.0,
Только Ryzen 7000 поддерживают:
- 28 линий ввода-вывода (включая PCI-E 5.0, в случае работы с A620 пониженные до версии 4.0):
- 4 линии из них (в случае чипсета A620 пониженные до версии 3.0) идут на взаимодействие с чипсетом,
- 16 линий — это PCI-E 4.0 слот для видеокарт,
- Осталось 8 линий PCIe 4.0:
- 4 линии — это слот M.2,
- остальные 4 могут конфигурироваться производителями материнских плат на выбор.
Только Ryzen 8700/8600 поддерживают:
- 20 линий ввода-вывода (PCIe версии 4.0):
- 4 линии из них (в случае чипсета A620 пониженные до версии 3.0) идут на взаимодействие с чипсетом,
- 8 линий — это PCI-E 4.0 слот для видеокарт,
- Осталось 8 линий PCIe 4.0:
- 4 линии — это слот M.2,
- остальные 4 могут конфигурироваться производителями материнских плат на выбор.
Только Ryzen 8500/8300 поддерживают:
- 14 линий ввода-вывода (PCIe версии 4.0):
- 4 линии из них (в случае чипсета A620 пониженные до версии 3.0) идут на взаимодействие с чипсетом,
- 4 линии — это PCI-E 4.0 слот для видеокарт,
- Осталось 6 линий PCIe 4.0:
- 4 линии — это слот M.2,
- остальные 2 могут конфигурироваться производителями материнских плат на выбор.
В свою очередь чипсет B650/B650E поддерживает до:
- 6 портов USB 3.2 Gen2,
- 1 порт USB 3.2 Gen2x2,
- 6 портов USB 2.0,
- 12 линий ввода-вывода:
- распределение линий: 8 PCIe 4.0 + 4 PCIe 3.0;
- линии PCIe 3.0 могут включать до 4 портов SATA.
Таким образом в сумме от тандема B650/B650E+Ryzen 7000 мы получаем:
- 16 PCI-E 5.0 линий для видеокарт (от процессора);
- 1 порт USB 3.2 Gen2x2 (от чипсета);
- 10 портов USB 3.2 Gen2 (4 от процессора, 6 от чипсета);
- 7 портов USB 2.0 (1 от процессора, 6 от чипсета);
- 4 порта SATA 6Гбит/с (от чипсета, входят в состав линий PCIe 3.0)
- 8 линий PCIe 5.0 (от процессора), 4 из которых — на слот М.2, 4 — могут образовывать разные варианты комбинаций портов и слотов (в зависимости от производителя материнских плат);
- 8 линий PCI-E 4.0 ( от чипсета), которые могут образовывать разные варианты комбинаций портов и слотов (в зависимости от производителя материнских плат);
- 4 линии PCI-E 3.0 ( от чипсета), которые могут образовывать разные варианты комбинаций портов и слотов (в зависимости от производителя материнских плат).
Итого: до 18 портов USB, 20 свободных PCI-E линий (включая до 4 портов SATA).
Еще раз напомню, что чипсеты AMD B650 и B650E полностью равнозначны по функциональности (набору портов и линий), но слот PCIe x16 (для видеокарт), получаемый данные от процессора в случае B650E получает версию PCIe 5.0, а в случае B650 — 4.0. Отсутствие версии 5.0 у слота для видеокарт помогает снизить стоимость материнских плат в случае с B650, ибо разработчики смогут экономить на усилителях (редрайверах) сигнала PCIe 5.0, которые пока весьма недешевы, а также матплаты с «не-Е» чипсетом не имеют крайне жестких требований к разводке печатной платы, чтобы избежать искажений сигналов.
Поколение Ryzen 7xxx поддерживает как традиционные уже модули памяти DDR5 c Intel XMP (Extreme Memory Profile) (которые через Direct Over Clock Profile (DOCP) подгоняются под характеристики, заложенные в XMP), так и модули с проприетарным от AMD профилем Expo.
Детально об этом всем имеется в материале по самому процессору Ryzen 9 7950X и архитектуре Zen4.
Gigabyte B650 Aorus Elite AX Ice поддерживает процессоры AMD поколения 7000, выполненные под разъем (сокет) AM5.
Для установки модулей памяти на плате имеется четыре DIMM-слота (для работы памяти в Dual Channel в случае использования всего 2 модулей их следует устанавливать в А2 и B2). Плата поддерживает небуферизованную память DDR5, а максимальный объем памяти составляет 192 ГБ. Поддерживаются профили XMP и Expo.
Слоты DIMM не имеют металлическую окантовки, которая препятствует деформации слотов и печатной платы при установке модулей памяти и защищает от электромагнитных помех. Но при этом производитель декларирует наличие в разводке печатной платы защиты слотов для памяти.
Периферийная функциональность: PCIe, SATA, разные дополнительные устройства
Выше мы изучили потенциальные возможности тандема B650+Ryzen, а теперь посмотрим, что из этого и как реализовано в данной материнской плате.
Итак, кроме USB-портов, к которым мы подойдем позже, чипсет B650 обладает 12 PCIe линиями. Считаем, сколько линий уходит на поддержку (связь) с тем или иным элементом:
- Слот PCIe x1_1 (1 линия PCIe 4.0);
- Слот PCIe x1_2 (1 линия PCIe 4.0);
- Слот M.2 (M2C_SB) (4 линии PCIe 4.0);
- SATA 0,1,2,3 (4 линии PCIe 3.0);
- Realtek RTL8125BG (Ethernet 2.5 Gb/s) (1 линия PCIe 4.0);
- Realtek RTL8852 WIFI/BT (Wireless) (1 линия PCIe 4.0)
12 линий PCIe (8 версии 4.0 и 4 версии 3.0) оказались занятыми, включая 4 порта SATA от B650.
Теперь посмотрим выше на то, как работают процессоры в данной конфигурации. У всех Ryzen 7xxx — 24 линии PCIe (плюс 4 линии на даунлинк с чипсетом). Смотрим распределение:
- Порт M.2 (M2A_CPU) (4 линии PCIe 5.0);
- Слот PCIe x16_1 (16 линий PCIe 4.0);
- Порт M.2 (M2B_CPU) (4 линии PCIe 4.0)
Все линии от процессора также заняты.
В процессоры Ryzen и встроен контроллер High Definition Audio (HDA), поэтому связь с аудиокодеками старых выпусков идет путем эмуляции PCI шины (лишь для Realtek RTL4080/4082 требуется линия USB 2.0 от чипсета). Поэтому в нашем случае Realtek RTL897 довольствуется тем, что ему выдает CPU. Контроллер USB 2.0 Genesys Logic GL850G использует линию USB 2.0 от CPU, а контроллеры беспроводной связи и USB 3.2 Gen1 Realtek RTS5411 используют линии USB от чипсета (детали ниже в разделе USB портов).
Выше приведена полная схема распределения ресурсов по слотам PCIe и M.2. Всего на плате есть 3 слота PCIe – все в «длинном» форм-факторе PCIe x16. При этом первый PCIe x16_1 поддерживает 16 линий PCIe, а два других слота по 1 линии. Первый PCIe x16_1 получает данные от процессора, остальные два – от B650.
Первый слот PCIe x16_1 (для видеокарт) имеет металлическое армирование из нержавеющей стали, которое увеличивает надежность (что может быть важным в случае довольно частой смены видеокарт, но что более важно: такой слот легче выдержит нагрузку на изгиб в случае установки очень тяжелой видеокарты топового уровня. Кроме того, такая защита предохраняет слоты от электромагнитных помех.
Мы снова видим своего рода длинный «хвостик» для открытия защелки на первом PCIe x16_1 слоте.
Матплата позволяет смонтировать СО любого размера.
Поскольку переключений работы слотов и портов нет, то мультиплексоры не востребованы. Как и нет усилителей сигнала PCIe 5.0/4.0.
На очереди — накопители.
Всего у платы 4 разъема Serial ATA 6 Гбит/с + 3 слота для накопителей в форм-факторе M.2. 4 порта SATA 1,2,3,4 реализованы через чипсет B650 и поддерживают создание RAID.
Материнская плата имеет 3 гнезда форм-фактора М.2.
Третий слот M2C_SB получает данные от чипсета B650, а первый M2A_CPU — от CPU (PCIe 5.0), и второй M2B_CPU тоже от процессора (PCIe 4.0). Все слоты работают с модулями только с PCIe интерфейсом.
Все слоты поддерживают размеры модулей: 2580/25110. Следует особо отметить способ крепления накопителей М.2 в слотах: через установленные на стойках поворотные замки, что позволяет обойтись без тех самых очень маленьких винтиков, которые легко потерять.
Все M.2 слоты имеют радиаторы, при этом первый M2A_CPU обладает своим отдельным радиатором, а два остальных имеют общий радиатор.
Периферийная функциональность: USB-порты, сетевые интерфейсы, ввод-вывод
Теперь на очереди USB-порты и прочие вводы-выводы. И начнем с задней панели, куда выведены большинство из них.
Повторим: чипсет B650 способен реализовать максимально: 6 портов USB 3.2 Gen2/1, 1 USB 3.2 Gen2x2, 6 портов USB 2.0. Процессор Ryzen 7000 способен реализовать до 4 портов USB 3.2 Gen2 и 1 USB 2.0.
Также мы помним и про 12 линий PCIe от чипсета, которые идут на поддержку накопителей, сетевых и иных контроллеров (я выше уже показал на что и как расходуются все 12 линий).
И что мы имеем? Всего на материнской плате — 19 портов USB:
- 1 порт USB 3.2 Gen2x2: реализован с помощью B650 и представлен внутренним портом Type-C (для подключения к соответствующему разъему на передней панели корпуса);
- 3 порта USB 3.2 Gen2: все реализованы через CPU и представлены: 2 - на задней панели портами Type-A (красного цвета); 1 – на задней панели портом Type-C;
- 7 портов USB 3.2 Gen1: 3 реализованы через B650 и два из них представлены внутренним разъемом на материнской плате на 2 порта; один - на задней панели портом Type-A (синего цвета); еще 4 реализованы через контроллер Realtek RTS5411 (на него потрачена 1 линия USB 3.2 Gen1 от B650) и представлены на задней панели портами Type-A (красного цвета);
- 8 портов USB 2.0/1.1: 4 реализованы через контроллер Genesys Logic GL850G (на него потрачена 1 линия USB 2.0 от CPU) и представлены на задней панели портами Type-A (черного цвета); еще 4 реализованы через B650 и представлены двумя внутренними разъемами (каждый на 2 порта).
Таким образом, у нас 3 контроллера используют USB линии:
- Genesys Logic GL850G (хаб USB 2.0) (1 линия USB 2.0);
- Realtek RTS5411 (хаб USB 3.1 Gen1) (1 линия USB 3.1 Gen1);
- Bluetooth/WiFi (RTL8852) (1 линия USB 2.0).
Напомню, что в данном случае аудиокодек Realtek ALC897 использует HDA.
Итак, через чипсет B650 реализовано высокоскоростных портов USB:
- + 1 выделенный USB 3.2 Gen2x2;
- + 4 выделенных USB 3.2 Gen1
= 5 высокоскоростных портов. Плюс 4 выделенных и 2 порта USB 2.0 на обеспечение контроллеров. Всего 11 USB портов реализовано.
Ну и 12 линий PCIe, выделенных на поддержку иной периферии. Итого, у B650 в данном случае реализовано 17 высокоскоростных портов.
Все быстрые USB порты Type-C оснащены ре-драйверами, дающими устойчивый вольтаж, способный обеспечить быструю зарядку мобильных гаджетов через них.
Теперь о сетевых делах.
Материнская плата оснащена средствами связи прилично. Имеется один скоростной Ethernet-контроллер: Realtek RTL8125BG, способный работать по стандарту 2,5 Гбит/с.
Имеется и комплексный беспроводной адаптер на контроллере Realtek RTL8852, через который реализованы Wi-Fi 6E (802.11a/b/g/n/ac/ax) и Bluetooth 5.2. Он установлен в слот M.2 (E-key), и его разъемы для привинчивания выносных антенн выведены на заднюю панель.
Заглушка, традиционно надеваемая на заднюю панель, в данном случае уже надета, и изнутри экранирована для снижения электромагнитных помех.
Аудиоподсистема
Мы знаем, что почти во всех современных материнских платах звуковым кодеком является продукт от Realtek, обеспечивающий вывод звука по схемам до 7.1, в последнее время это стал ALC4080 с характеристиками 32 бит / 384 кГц. Однако в данном случае применен старый кодек ALC897 со схемой до 5.1.
Аудиоподсистема не имеет ни операционного усилителя, ни ЦАП ни даже вывода через S/PDIF.
В аудиоцепях платы применяются «аудиофильские» конденсаторы Nichicon Fine Gold.
Аудиотракт вынесен на угловую часть платы, не пересекается с другими элементами. Все аудиоразъемы на задней панели имеют привычную цветовую окраску.
Питание, охлаждение
Для питания платы на ней предусмотрены 3 разъема: в дополнение к 24-контактному ATX (он на правой стороне платы (на фото — слева) здесь есть еще два EPS12V (8-контактный и 4-контактный).
Внешне схема питания выглядит как 12+2+2: 12 фаз — ядро процессора, 2 фазы — SoC (I/O-чиплет Ryzen), 2 фазы — VDD_MISC (вывод встроенной графики).
Управляет фазами VCore и VDD_MISC (в сумме 14 фаз) цифровой контроллер RT3678BE от Richtek. Он рассчитан максимум на 10 фаз, так что 12 фаз VCore идут по параллельной схеме 2х6 (в реальности – 6 фаз), плюс 2 фазы VDD_MISC, таким образом ШИМ-контроллер в реальности управляет 8 фазами.
Каждая фаза VCore и VDD_MISC имеет по транзисторной сборке NCP302155 от On Semi (до 55А).
Две фазы питания SoC имеют уже наборы полевых МОП-транзисторов от On Semi – NTMFS4C06N/4C10N (до 69А).
И эти фазы управляются своим ШИМ-контроллером также от Richtek.
Теперь про охлаждение.
Как обычно, все потенциально сильно греющиеся элементы имеют свои собственные радиаторы.
Как мы видим, охлаждение чипсета организовано с помощью отдельного небольшого радиатора. VRM-секция имеет свои два радиатора, и они соединены тепловой трубкой под прямым углом.
Как я уже упоминал ранее, M.2 слоты также имеют радиаторы.
Подсветка
Программное обеспечение под Windows
Настройки BIOS
Работоспособность (и разгон)
Запускаем все в режиме по умолчанию. Затем нагружаем стандартными стресс-тестами OCCT.
Мы видим, что авторазгон сработал неплохо для Ryzen 9 7950X (до 5,4 ГГц — это хороший уровень для матплаты не только на среднебюджетном чипсете, но и для топовых решений тоже). При этом стоит отметить, что во всех этих испытаниях мы не получили никаких нареканий на работу сопутствующих блоков, никаких перегревов или странных явлений не было.
Теперь нагрузим еще сильнее – усилим стресс-тест от OCCT (как известно, наряду с AIDA это самый суровый тестер для процессоров и ОЗУ, если нагрузка в течение даже 10 минут не вызвала сбоев или перегревов – значит уже стопроцентная гарантия, что «железо» выдержит любые по своей сложности задачи).
Как мы видим, встроенная система защиты понизила частоты работы, хотя все равно периодически можно было наблюдать всплески до 4,85 ГГц по отдельным ядрам. И опять же, никаких нареканий на работу в целом не было.
Выводы
Материнская плата Gigabyte B650 Aorus Elite AX Ice представляет собой красивое и мощное игровое решение из дорогой линейки компании c ценником в районе 44 тысяч рублей. Эта модель не относится к флагманам серии Aorus, поэтому продвинутых аппаратных возможностей для разгона у нее нет, однако исполнение самой платы на высшем уровне.
У нее 19 портов USB разных видов (включая 1 самый быстрый USB 3.2 Gen2×2), 1 слот PCIe х16 (он подключен к процессору 16 линиями PCIe 4.0), 2 слота PCIe x1 («длинного» форм-фактора), 3 слота M.2 (два из них подключены напрямую к процессору линиями PCIe 4.0/5.0, третий подключен к чипсету B650 линиями PCIe 4.0), 4 порта SATA и 6 разъемов для вентиляторов. В принципе, для среднего уровня поддержка периферии просто отличная. Также стоит отметить наличие двух сетевых контроллеров: проводного (2,5-гигабитного) и беспроводного (Wi-Fi 6E).
Система питания процессора способна обеспечить работу любых совместимых процессоров с некоторым запасом на разгон. Плата имеет неплохую систему охлаждения почти каждого потенциально греющегося элемента, включая накопители в слотах M.2. В числе плюсов можно упомянуть широкие возможности для подключения дополнительных RGB-устройств. Разумеется, изюминкой платы является ее белый окрас, причем она полностью белая, включая текстолит. Это может быть прекрасное решение для желающих собрать мощный ПК белого цвета.
Есть лишь один недостаток: стоимость. В обзоре не раз повторялась фраза про средний уровень, в том числе здесь среднебюджетный чипсет. И 44 тысячи за модель на базе AMD B650 — это чрезмерно много даже с учетом текущих реалий. Сейчас ценники на платы форм-фактора ATX, основанные на этом чипсете, начинаются от 24 тысяч рублей. Ну ладно, за уникальный дизайн, хорошую поддержку периферии и мощную систему питания можно доплатить. Скажем, 30 тысяч. Но не 44 же! Ждем снижения цены до адекватного уровня.

В номинации «Оригинальный дизайн» плата Gigabyte B650 Aorus Elite AX Ice получила награду:




























































































