Оглавление
- Форм-фактор
- Технические характеристики
- Основная функциональность: чипсет, процессор, память
- Периферийная функциональность: PCIe-слоты, накопители, дополнительные возможности
- Периферийная функциональность: USB-порты, сетевые интерфейсы, ввод-вывод
- Аудиоподсистема
- Питание, охлаждение
- Подсветка
- Программное обеспечение под Windows
- Настройки BIOS
- Работоспособность (и возможный разгон)
- Выводы
Всю детальную информацию о семействах процессоров можно найти в нашем разделе по ним.
То, что платформа LGA1700 еще долго будет актуальной, – мы говорил не раз. Порукой тому – выпуск относительно невразумительного поколения Core Ultra 2xx, так что платформа Intel LGA1851 развивается пока весьма медленно.
Поэтому временами будем возвращаться к LGA1700 и чипсету Z790 в частности. Стоит напомнить, что Z790 обладает в сумме 38 высокоскоростными портами (High Speed In Out, HSIO), поддерживает до 5х интегрированных USB 3.2 Gen2x2 (до 20 Gb/s) портов (правда каждый из них требует поддержки со стороны двух USB 3.2 Gen2, неважно, от самого Z790 или сторонних хабов).
Мы знаем, что процессоры 12го,13го и 14го поколений имеют поддержку PCIe 5.0 в виде 16 линий (расходуемые на слоты PCIe x16/М.2), плюс 4 линии PCIe 4.0, жестко идущие на один из М.2 слотов, получающий данные напрямую от процессора. Эти поколения процессоров могут работать как с DDR5, так и с DDR4.
Теперь подойдем к производителю нынешнего героя материала. Как и у многих остальных производителей матплат у компании Colorful имеются несколько серий материнских плат. Самая флагманская серия – iGame. Герой нынешнего обзора — Colorful iGame Z790D5 Loong Edition V20 как раз относитя к этой серии и является флагманским продуктом Colorful на основе Intel Z790. По сути это полная копия другого варианта – iGame Z790D5 Ultra (даже можно на радиаторе охлаждения VRM увидеть именно iGame Ultra). Просто на основе концепции iGame Ultra производитель создал лимитированный выпуск материнской платы, посвященный Году Дракона (2024). Конечно же, сейчас уже даже Год Змеи постепенно подходит к финалу, однако дизайн рассматриваемой сегодня платы очень интересный и может понравиться многим пользователям (если, конечно, такой продукт еще можно найти в продаже).
Дело в том, что многие производители из Китая не упускают возможность привлечь внимание к своим продуктам, выпуская модели или даже целые серии, посвященные таинственной китайской метафизике, системе датирования, основанной на солнечном календаре. Причем даты смены лет в этом гороскопе зависят, наоборот, от лунного календаря. Цикл состоит из 12 лет, то есть всего 12 символов — животных или мифических существ. Символом 2024 года (условно, ибо начало и конец года по китайскому гороскопу не совпадают с общепринятыми 1 января и 31 декабря) является дракон (10 февраля 2024 г. — 28 января 2025 г.).
Colorful iGame Z790D5 Loong Edition V20 поставляется в большой коробке из толстого картона, имеющей на крышке гравюру, конечно же, в стиле китайской мифологии.. Комплект размещен под платой в отдельном отсеке.
Комплект поставки весьма примечателен. Кроме руководства пользователя и традиционных кабелей SATA имеются антенна встроенного Wi-Fi-модуля, дополнительные крепежи для М.2 слотов, адаптеры и удлинители подсветки, фирменные адаптеры для подключения проводов от корпуса к матплате, бонусные стикеры, набор красных конвертов «ампау» (их китайцы обычно дарят друг другу, поздравляя с китайским Новым годом) и фирменный набор комплект с отверткой с массой насадок.
Этот комплект может стать прекрасным бонусом для любого человека, который хоть иногда пользуется отвертками. Когда-то подобный набор я видел у компании Xiaomi.
«Заглушка» на заднюю панель с разъемами уже смонтирована на самой плате.
Форм-фактор
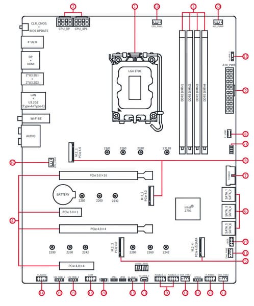
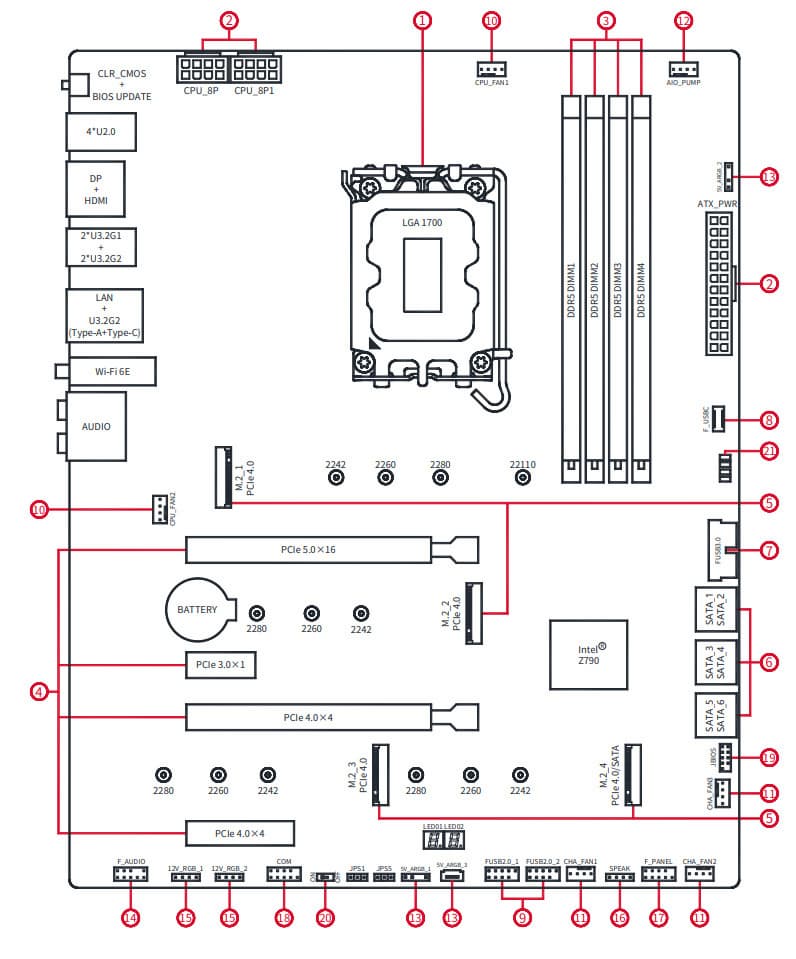
Форм-фактор ATX имеет размеры до 305×244 мм, а E-ATX — до 305×330 мм. Материнская плата Colorful iGame Z790D5 Loong Edition V20 имеет размеры 305×244 мм, поэтому выполнена в форм-факторе ATX, и на ней имеются 9 монтажных отверстий для установки в корпус (одно из отверстий перекрыто радиатором охлаждения слота M.2).
Оборотная сторона — почти пустая, там расположены некоторые элементы логики. Текстолит обработан хорошо: во всех точках пайки не только острые концы срезаны, но и все неплохо отшлифовано.
В районе крепления задних портов, а также в месте расположения системного чипсета и портов SATA установлены два бэкплейта (задние пластины).
Технические характеристики
Традиционная таблица с перечнем функциональных особенностей.
| Поддерживаемые процессоры | Intel Core 12/13/14-го поколений |
|---|---|
| Процессорный разъем | LGA 1700 |
| Чипсет | Intel Z790 |
| Память | 4 × DDR5, до 7800 МТ/с (XMP), до 256 ГБ, два канала |
| Аудиоподсистема | 1 × Realtek RTL1220 (7.1) |
| Сетевые контроллеры | 1 × Realtek RTL8125BGS Ethernet 2,5 Гбит/с 1 × Intel AX211 Dual Band Wireless (Wi-Fi6E 802.11a/b/g/n/ac/ax (2,4/6 ГГц) + Bluetooth 5.3) |
| Слоты расширения | 1 × PCIe 5.0 x16 (режим x16/x8+x8/x4+x4+x4+x4) 1 × PCIe 4.0 x16 (режим x4) 1 × PCIe 4.0 x4 (режим x4) 1 × PCIe 3.0 x1 (режим x1) |
| Разъемы для накопителей | 6 × SATA 6 Гбит/с (Z790+ASM1061) 1 × M.2 (M.2_1,CPU, PCIe 4.0 x4 для устройств формата 2242/2260/2280/22110) 1 × M.2 (M.2_2,Z790, PCIe 4.0 x4 для устройств формата 2242/2260/2280) 1 × M.2 (M.2_3,Z790, PCIe 4.0 x4 для устройств формата 2242/2260/2280) 1 × M.2 (M.2_4,Z790, PCIe 4.0 x4/SATA для устройств формата 2242/2260/2280) |
| USB-порты | 4 × USB 2.0: 2 внутренних разъема на 4 порта (GL850G) 4 × USB 2.0: 4 порта Type-A (черные) (Z790) 2 × USB 3.2 Gen1: 2 порта Type-A (синие) (GL3523) 2 × USB 3.2 Gen1: 1 внутренний разъем на 2 порта (GL3523) 1 × USB 3.2 Gen2x2: 1 порт Type-C (Z790) 3 × USB 3.2 Gen2: 3 порта Type-A (красные) (Z790) 1 × USB 3.2 Gen2x2: 1 внутренний разъем Type-C (Z790) |
| Разъемы на задней панели | 1 × USB 3.2 Gen2x2 (Type-C) 3 × USB 3.2 Gen2 (Type-A) 2 × USB 3.2 Gen1 (Type-A) 4 × USB 2.0 (Type-A) 1 × RJ-45 кнопка сброса CMOS 5 аудиоразъемов типа миниджек 1 аудиоразъем оптического S/PDIF 2 антенных разъема 1 разъем HDMI out 1 разъем Display Port out кнопка перепрошивки BIOS — BIOS Update |
| Прочие внутренние элементы | 24-контактный разъем питания ATX 2 8-контактный разъем питания EPS12V 1 слот M.2 (E-key), занят адаптером беспроводных сетей 1 разъем для подключения порта USB 3.2 Gen2x2 Type-C 1 разъем для подключения 2 портов USB 3.2 Gen1 2 разъема 4 портов USB 2.0 6 разъемов для подключения 4-контактных вентиляторов и помп ЖСО 5 разъемов для подключения адаптеров подсветки (2 разъема неадресуемой RGB-ленты, 3 разъема адресуемой ARGB-ленты) 1 переключатель световой индикации 1 разъем для COM-port 2 разъема для подключения адаптера управления с передней панели корпуса |
| Форм-фактор | ATX (305×244 мм) |
| Ориентировочная стоимость | 35 тысяч рублей на момент подготовки обзора |
Основная функциональность: чипсет, процессор, память

Схема работы связки чипсет+процессор.
Формально имеется поддержка памяти DDR5 до 5600 МГц, однако всем хорошо известно, и производители материнских плат это активно рекламируют: через XMP-профили сейчас можно использовать модули с ПСП до 8000 и выше МТ/с. В частности данная плата поддерживает ПСП до 7800 МТ/с.
Процессоры Intel Core 14/13/12-го поколений (совместимые с сокетом LGA1700 и поддерживаемые Z790) имеют 20 линий ввода-вывода (16 PCIe 5.0, 4 PCIe 4.0), не имеют USB и SATA портов. При этом взаимодействие с Z790 идет по особому каналу Digital Media Interface 4.0 (DMI 4.0 x8). Все PCIe линии процессора идут на слоты расширения PCIe и порт М.2. Serial Peripheral Interface (SPI) используется для взаимодействия с системой UEFI/BIOS, а шина Low Pin Count (LPC) — для связи с устройствами ввода/вывода, не требующими высокой пропускной способности (контроллерами вентиляторов, TPM, старой периферии).
В свою очередь чипсет Z790 поддерживает в сумме 38 линий ввода/вывода, которые распределяться могут так:
- до 14 портов USB (из которых до 5 портов USB 3.2 Gen2х2, 10 портов USB 3.2 Gen2, до 10 портов USB 3.2 Gen1, до 14 портов USB 2.0, линии USB 2.0 используются в том числе и для поддержки 3.2 портов, а каждый порт USB 3.2 Gen2х2 требует поддержки со стороны двух USB 3.2 Gen2);
- до 8 портов SATA 6Гбит/с;
- до 28 линий PCIe (8 версии 3.0 и 20 версии 4.0).
Colorful iGame Z790D5 Loong Edition V20 поддерживает процессоры Intel Core 12/13/14-го поколений, выполненные под разъем (сокет) LGA1700.
Для установки модулей памяти на плате Colorful имеется четыре DIMM-слота (для работы памяти в Dual Channel в случае использования всего 2 модулей их следует устанавливать в А2 и B2. Плата поддерживает небуферизованную память DDR5 (non-EСС), а максимальный объем памяти составляет 256 ГБ. Поддерживаются профили XMP.

Периферийная функциональность: PCIe-слоты, накопители, дополнительные возможности
Выше мы изучили потенциальные возможности тандема Z790+Core, а теперь посмотрим, что из этого и как реализовано в данной материнской плате.
Кроме USB-портов, к которым мы подойдем позже, чипсет Z790 обладает 28 PCIe линиями. Считаем, сколько линий уходит на поддержку (связь) с тем или иным элементом (надо учитывать, что 28 линий не единой версии, а 20 линий PCIe 4.0 и 8 линий PCIe 3.0):
- Слот PCIe x4 (4 линии PCIe 4.0);
- Слот PCIe x16_2 (4 линии PCIe 4.0);
- Слот PCIe x1 (1 линия PCIe 3.0);
- порты SATA_1,2,3,4: 4 линии PCIe 3.0;
- Слот M.2_2 (4 линии PCIe 4.0);
- Слот M.2_3 (4 линии PCIe 4.0);
- Слот M.2_4 (4 линии PCIe 4.0);
- Realtek RTL8125BGS (Ethernet 2,5Gb/s) (1 линия PCIe 3.0);
- Intel AX211 WIFI/BT (Wireless) (1 линия PCIe 3.0);
- ASMedia ASM1061 (контроллер для портов SATA 5,6) (1 линия PCIe 3.0)
28 линий PCIe оказались занятыми (20 PCIe 4.0 + 8 PCIe 3.0). В случае использования современных аудиокодеков связь между ними и Z790 идет через USB-порт, но в нашем случае имеем дело с кодеком ALC1220, поэтому связь с ним идет через HDA (USB-линии не расходуются). Также один USB 2.0 расходуется на поддержку BT (при наличии слота M.2 (key E) и контроллеры GL850G/3523 для своих нужд использует сигнальные линии USB 2.0 Детально об этом ниже в разделе USB-портов.
Теперь посмотрим выше на то, как работают процессоры в данной конфигурации. У CPU 14/12/13-го поколений всего 20 линий PCIe, 4 из них версии PCIe 4.0 отведены на порт М.2 (M.2_1). Оставшиеся 16 линий PCIe 5.0 идут на слот PCIe x16_1, поэтому деления ресурсов в данном случае нет.
Теперь в целом про слоты PCIe.
Всего на плате есть 4 слота: слот PCIe x16_1 (для видеокарт или других устройств), слот PCIe x16_2 (фактически имеющий 4 линии), слот PCIe x4 и один PCIe x1. Если про первый PCIe x16 я выше уже рассказал (он подключен к CPU), то остальные подключены к Z790.
Оба слота PCIe x16 имеют металлическое армирование из нержавеющей стали, которое увеличивает надежность. Кроме того, такая защита предохраняет от электромагнитных помех.
Матплата позволяет смонтировать СО любого размера.
На очереди — накопители.
Всего у платы 6 разъемов Serial ATA 6 Гбит/с + 4 слота для накопителей в форм-факторе M.2. 4 порта SATA (1,2,3,4) реализованы через чипсет Z790 и поддерживают создание RAID.
Остальные 2 порта SATA (5,6) реализованы через хаб ASM1061 от ASMedia (на него потрачена 1 линия PCIe 3.0 от Z790) и не поддерживают RAID.
Деления ресурсов нет, поэтому и мультиплексоров нет.
Материнская плата имеет 4 гнезда форм-фактора М.2.
Второй, третий и четвертый слоты M.2 получают данные от чипсета Z790, при этом все они поддерживают PCIe 4.0. Про первый M.2_1 я уже выше писал: он получает данные от CPU (PCIe 4.0). При этом M.2_4 поддерживает модули с любым интерфейсом, а все остальные работают с модулями только с PCIe интерфейсом.
Все слоты М.2 поддерживают размеры модулей 2242/2260/2280, а М.2_1 также позволяет установить накопители размером до 22110. На всех M.2 можно организовать RAID.
Все M.2 слоты имеют радиаторы. M.2_1 и M.2_2 обладают отдельными радиаторами, когда как остальные слоты M.2 имеют общий радиатор.
Периферийная функциональность: USB-порты, сетевые интерфейсы, ввод-вывод
Теперь на очереди USB-порты и прочие вводы-выводы. И начнем с задней панели, куда выведены большинство из них.
Повторим: чипсет Z790 способен реализовать не более 14 портов USB, из которых может быть до 10 портов USB 3.2 Gen1, до 10 портов USB 3.2 Gen2, до 5 портов USB 3.2 Gen2x2, и/или до 14 портов USB 2.0.
Также мы помним и про 28 линий PCIe, которые идут на поддержку накопителей, сетевых и иных контроллеров (я выше уже показал на что и как расходуются все 28 линий).
И что мы имеем? Всего на материнской плате — 17 портов USB:
- 2 порта USB 3.2 Gen2x2:оба реализованы через Z790 (на каждый порт потрачены 2 линии USB 3.2 Gen2) и один представлен: портом Type-C на задней панели, второй — внутренним портом Type-C (для подключения к соответствующему разъему на передней панели корпуса);
- 3 порта USB 3.2 Gen2: все реализованы через Z790 и представлены на задней панели портами Type-A (красного цвета);
- 4 порта USB 3.2 Gen1: все реализованы через хаб Genesys Logic GL3523 (на него потрачена 1 линия USB 3.2 Gen1 от Z790) и 2 представлены внутренним разъемом на материнской плате на 2 порта; еще 2 представлены на задней панели портами Type-A (синего цвета);
- 8 портов USB 2.0/1.1: 4 реализованы через контроллер Genesys Logic GL850G (на него потрачена 1 линия USB 2.0 от Z790) и представлены двумя внутренними разъемами на материнской плате (каждый на 2 порта); остальные 4 реализованы через Z790 и представлены на задней панели 4 портами Type-A (черного цвета).
Таким образом, у нас 4 контроллера используют USB линии от Z790:
- Genesys Logic GL850G (4 USB 2.0 — 2 внутренних разъема) (1 линия USB 2.0);
- Genesys Logic GL3523 (4 USB 3.2 Gen1 — 2 порта на задней панели и 1 внутренний разъем) (1 линия USB 3.2 Gen1);
- Bluetooth (AX211) (1 линия USB 2.0).
В целом через чипсет Z790 реализовано высокоскоростных портов USB:
- 2 выделенных USB 3.2 Gen2x2 (не в счет, ибо получены засчет других HSIO);
- + 3 выделенных USB 3.2 Gen2
- + 4 USB 3.2 Gen2 на поддержку USB 3.2 Gen2x2
- + 1 выделенных USB 3.2 Gen1
= 8 высокоскоростных портов. Не забываем, что каждый высокоскоростной порт USB обеспечен портом USB 2.0, то есть уже 8 портов USB 2.0 также занято. Плюс 2 порта USB 2.0 на обеспечение контроллеров и 4 выделенных порта USB 2.0. Всего 14 USB портов реализовано.
Ну и 28 линий PCIe, выделенных на поддержку иной периферии.
Итого у Z790 в данном случае реализовано 36 высокоскоростных портов из 38.
Все быстрые USB порты Type-C оснащены ре-драйверами от Diodes Inc, Genesys Logic и ITE, дающими устойчивый вольтаж, способный обеспечить быструю зарядку мобильных гаджетов через них.
Теперь о сетевых делах.
Материнская плата оснащена средствами связи хорошо. Имеется скоростной Ethernet-контроллер Realtek RTL8125BGS, способный работать по стандарту 2,5 Гбит/с.
Имеется и комплексный беспроводной адаптер на контроллере Intel AX211, через который реализованы Wi-Fi 6E (802.11a/b/g/n/ac/ax, 2,4/6 ГГц) и Bluetooth 5.3. Он установлен в слот M.2 (E-key), и его разъемы для привинчивания выносных антенн выведены на заднюю панель.


Заглушка, традиционно надеваемая на заднюю панель, в данном случае уже надета, и изнутри экранирована для снижения электромагнитных помех.
Аудиоподсистема
В данном матплате используется аудиокодек Realtek ALC1220, обеспечивающий вывод звука по схемам до 7.1 с разрешением до 24 бит / 192 кГц.
В тракте нет ни операционного усилителя, ни ЦАП.
В аудиоцепях платы применяются «аудиофильские» конденсаторы Nichicon Fine Gold.
Аудиотракт вынесен на угловую часть платы, не пересекается с другими элементами. Все аудиоразъемы на задней панели имеют привычную цветовую окраску.
Питание, охлаждение
Для питания платы на ней предусмотрены 3 разъема: в дополнение к 24-контактному ATX (он на правой стороне платы (на фото — слева) здесь есть еще два 8-контактных EPS12V.
Схема питания процессора выполнена по схеме 18+1+1 (всего 20 фаз, 18 на VCore, 1 на iGPU и 1 на VCCIO).
Каждый канал фазы VCore и iGPU (19 фаз) имеет суперферритовый дроссель и ISL99390 MOSFET от Renesas на 90 А.
Управляет схемой питания VCore и iGPU ШИМ-контроллер RAA 229131 от Renesas, рассчитанный максимум на 24 фазы.
Фаза питания VCCIO набрана полевыми МОП-транзисторами FDPC5030SG от On Semi (25 A).
У нее имеется свой ШИМ-контроллер NCP81270 от On Semi.
Теперь про охлаждение.
Все потенциально сильно греющиеся элементы имеют свои собственные радиаторы.
Как мы видим, охлаждение чипсета (один радиатор) организовано отдельно от силовых преобразователей. VRM-секция имеет свои два радиатора, соединенных тепловой трубкой под прямым углом.
Как я уже упоминал ранее, M.2 слоты также имеют радиаторы: у двух — свои персональные радиаторы, у М.2_4 и М.2_3 общий радиатор.
.Так называемая задняя пластина (бэкплейт) в данном случае состоит из двух «кусочков», установленных в местах крепления задних портов и системного чипсета. В охлаждении они не участвуют.


Подсветка
Программное обеспечение под Windows
Настройки BIOS
Работоспособность (и возможный разгон)
Запускаем все в режиме по умолчанию (то есть профиль от Intel, и MCE отключена). Затем нагружаем тестами.
В режиме авторазгона мы получили 5.7 ГГц по всем P-ядрам, и 4.4 ГГц по всем Е-ядрам. Напомню, что Р-ядра — это обычные всем привычные ядра, имеющие по 2 потока каждый, «Р» — означает Performance, то есть производительные. «Е» — это энергоэффективные ядра, так называемые, малые ядра, у них по 1 потоку. В целом мы видим, что авторазгон очень хорош, несмотря на то, что он лимитирован настройками от Intel. Все остальные параметры системы по нагреву компонентов были в норме. И стоит отметить, что потребление CPU даже в этом случае вышло за 320 Вт.
В принципе, матплата эта — не оверклокерская, поэтому и авторазгона такого более чем достаточно, и стресс-тесты прошли без проблем и перегрева.
Выводы
Материнская плата Colorful iGame Z790D5 Loong Edition V20 предназначена для сборки игрового ПК высокого уровня и имеет все необходимые возможности для реализации потенциала топовых процессоров 12/13/14-го поколений Intel Core.
У платы 17 USB-портов, включая 2 очень быстрых USB 3.2 Gen2×2 и 9 USB 3.2 Gen2/1. Есть 2 слота PCIe х16, один из которых подключен к процессору 16 линиями PCIe, причем версии 5.0, а другой подключен к чипсету и работает в режиме х4. Имеются еще слоты PCIe x1 и PCIe x4 (оба подключены к Z790). Также у платы 4 слота M.2: один из них подключен напрямую к процессору, 3 других подключены к чипсету Z790 линиями PCIe 4.0.
Еще у этой модели 6 портов SATA и 6 разъемов для вентиляторов. Система питания процессора у платы достаточно мощная, способная обеспечить работу любых совместимых процессоров с некоторым запасом на разгон. Также мы видим грамотную систему охлаждения каждого потенциально греющегося элемента, включая накопители в слотах M.2. Сетевые возможности хорошие: быстрый проводной контроллер 2,5 Гбит/с, а также беспроводной Wi-Fi 6E + Bluetooth 5.3. В числе плюсов платы можно упомянуть возможности для подключения RGB-устройств подсветки, а также стильный уникальный дизайн посвященный Дракону из китайской мифологии.
В номинации «Оригинальный дизайн» плата Colorful iGame Z790D5 Loong Edition V20 получила награду:

В номинации «Отличная поставка» плата Colorful iGame Z790D5 Loong Edition V20 получила награду:







































































































