Две звуковые USB-карты с качественными ЦАП
В сегодняшнем материале мы сравниваем между собой две интереснейшие звуковые карты: Creative Sound Blaster X-Fi HD vs. Asus Xonar U7. Это два близких по цене и возможностям продукта, в которых упор был сделан на качественные преобразователи. При этом обе карты на момент написания статьи имелись в продаже по очень невысокой цене, немногим более 3 тысяч рублей.
В форуме Asus Xonar U7 заочно нарекли «оптимальным выбором», основываясь на рассматривании фотографий и спецификаций. Многие совершенно напрасно забывают о необходимости прямого сравнения устройств по звучанию. Большинство также не в состоянии правильно интерпретировать результаты измерений.
Название
- Creative Sound Blaster X-Fi HD
- Asus Xonar U7
Карта Creative имеет сбивающее с толку название, так как не является родственником карт X-Fi и не имеет отношения к карте Titanium HD. В результате выход карты остался незамеченным. Данный продукт не известен вообще никому, кроме некоторых энтузиастов звука на компьютере.
Asus Xonar U7 также имеет непонятное название. Довольно старые карты U1 и U3 — это бюджетные изделия с качеством интегрированного звука. U7 не имеет никакого отношения к прошлым продуктам этой серии.
Для краткости далее мы будем именовать карты просто Creative и Asus.
Цена
- Creative: 3700 руб.
- Asus: 3100 руб.
| Creative | Asus |
| Средняя цена по данным Яндекс.Маркет | |
| T-6500990 | T-10405889 |
| Предложения по данным Яндекс.Маркет | |
| L-6500990-10 | L-10405889-10 |
Карты стоят практически одинаково, разница в абсолютных величинах в цене несерьезная. Важнее то, что такая доступная цена делает их интересными большому кругу покупателей. Конкурентов среди USB-карт у них практически нет!
При этом карта Asus появилась совсем недавно. Производитель также сообщает, что вскоре появится модель Asus Xonar U7 Echelon Edition с армейской маскировочной окраской корпуса и более функциональными драйверами.
Целевая аудитория
- Creative: массовая, аудиофилы
- Asus: массовая, домашний кинотеатр
Модель Creative представляет собой карту с полноразмерными разъемами TRS для наушников и микрофона. Что интересно, есть вход Phono для оцифровки винила, с заземлением. Он же работает и в режиме обычного линейного входа. THX и прочая фирменная обработка только программная. Для фильмов есть оптический цифровой выход для подключения ресивера 5.1 с декодером.
К карте Asus можно подключить колонки 7.1 по аналогу, разъемы миниджек. Упор сделан на софт Dolby в комплекте. Цифровой выход — совмещенный, оптический/коаксиальный. Обе карты имеют линейный вход, но в случае Asus линейный вход совмещен с микрофонным, о чем догадаться довольно непросто.
Остается загадкой, зачем было в дополнение к качественному выходу нагружать обе карты таким количеством функций и ПО. Это неизбежно размывает аудиторию и отвлекает от главного достоинства карт, а именно качественного ЦАП. Вся остальная муть в избытке имеется практически в любой звуковой карте. В описании звуковых карт и в оформлении коробок, что называется, «за деревьями леса не видать». Непонятно, кто будет организовывать кинотеатр 7.1 вокруг компьютера или ноутбука — это неудобно и на практике невостребовано. К счастью, пользователь не сильно переплачивает за все эти дополнительные функции, так как цена карт очень невысокая.
Ручка громкости
- Creative: Миниатюрная металлическая ручка громкости с оригинальным расположением. Имеется функция Mute при нажатии на ручку. Пользоваться ручкой не очень удобно, так как она расположена очень близко к поверхности стола: пальцы располагаются в очень непривычном положении и проскальзывают по покрытию.
- Asus: Гладкая ручка утоплена в корпус. Нажатие на ручку отключает колонки в пользу наушников и наоборот. Пользоваться неудобно: необходимо значительное усилие, иначе палец проскальзывает. Выемка под палец сделана для красоты — регулировать получается намного легче, прижав палец там, где выемки нет.
В обоих случаях использован безупорный цифровой регулятор. Эргономика регуляторов весьма условная. Из-за совмещения функций регулятора и кнопки регулятор Asus довольно ощутимо люфтит. Многие пользователи предпочли бы убрать кнопку, но чтобы не было люфта. Также утопленный регулятор Asus удобен при переноске звукового интерфейса. Во всех остальных случаях это решение выглядит спорным.
Иллюминация
- Creative: синий светодиод на верхней панели
- Asus: 3 сигнальных светодиода на верхней панели
Индикатор работы на карте Creative горит ярче. В принципе, для большинства это не будет проблемой. Но у нас возникло острое желание заклеить его изолентой, чтобы он не мозолил глаза и не был постоянно виден боковым зрением.
Расположение выхода на наушники
- Creative: спереди
- Asus: спереди
У обеих карт разъемы расположены удобно.
Начинка
- Creative: DSP Creative CA0189-2AG, 2-канальный ЦАП AKM AK4396 (123 дБ), 2-канальный АЦП CS5361 (114 дБ).
- Asus: DSP CM6632A, 2-канальный ЦАП Cirrus Logic CS4398 (120 дБ), 6-канальный ЦАП Cirrus Logic CS4362A (114 дБ), 2-канальный АЦП CS5361 (114 дБ).
Начинка обеих карт весьма интересная. И это главная фича карт, на фоне которой все остальное никого уже не интересует. ЦАП Cirrus Logic CS4398 считается классом повыше, чем AKM AK4396.
Во всех звуковых USB-картах Creative стоит RISC-процессор собственного производства CA0189-2AG с частотой 100 МГц. В отличие от привычных DSP Creative, этот чип не имеет аппаратной обработки звука. Его назначение — быстрый контроллер USB 2.0 и многоканальный интерфейс к полноценным I²S/I²C-микросхемам преобразователей, таким как примененные Cirrus Logic и AKM. На плате распаяны два кварцевых генератора.
В Asus применен интересный чип CM6632A, который поддерживает как HDA-кодеки, так и I²S/I²C-преобразователи. Количество каналов — 8+2 (аналоговых + цифровых) выход и 2+2 вход. Есть поддержка частоты 192 кГц. Чип может тактоваться сразу от трех генераторов, 12, 24,5 и 22,5 МГц, что и использовали создатели карты. Остается не очень ясным решение кинуть макароны с одного края платы с ЦАПом на другой с разъемами.
Вся обработка в обеих картах производится исключительно на программном уровне. Максимальная частота данных 96 кГц не является большой проблемой, так как контента с частотой 192 кГц практически не существует. Hi-Res ничего не дал обычным пользователям и не пошел в массы, а эстеты и любители Hi-End звуковыми картами за $100 вряд ли заинтересуются.
Автопереключение на наушники
- Creative: есть
- Asus: есть
При включении в разъем наушников колонки отключаются. Данная особенность была впервые реализована в интегрированном звуке, как часть стандарта AC’97 и HDA. Сначала определение подключенных наушников осуществлялось по импедансу, а затем механическим датчиком. Внешние карты с хорошими преобразователями не уступают интегрированному звуку в данном вопросе. Однако на практике это может вызывать проблемы.
Комплектное ПО
- Creative: на диске набор ПО, на сайте производителя обновление драйвера
- Asus: одинаковый установочный комплект на CD и на сайте производителя
Диск с ПО аналогичен всем прочим продуктам Creative.


Внешний вид и содержимое Entertainment Console карты X-Fi уже были не раз описаны в наших материалах. Audio Control Panel идет в комплекте сразу же и позволяет управлять абсолютно всеми настройками без закоулков графического меню, за исключением эквалайзера. Creative Volume Panel — непонятно зачем нужная программа, поставляется для ассортимента. Важное отличие драйверов для XP: они предоставляют выбор частоты и разрядности прямо из Entertainment Console. Частота ограничена на выбор: 48 или 96 кГц, независимо от ОС. Такой выбор типичен для всех USB-карт Creative.




Панель карты Asus устроена очень странно. Параметры можно выбрать только через контекстное меню по правой кнопке мыши!
Имеется интересный параметр установки лимита громкости наушникового выхода.
В дебрях настроек Asus имеет отдельную опцию — Dolby Home Theater v4, который, кажется, переплюнул по количеству «улучшайзеров» карты Creative.
Поддержка 44 кГц
- Creative: нет
- Asus: есть
Карта Creative содержит два кварцевых генератора, а также имеет поддержку 44 кГц на уровне DSP. Однако драйвера ни для Windows XP, ни для Windows 7/8 не поддерживают работу в режиме 44 кГц: в настройках устройства можно выставить только 48 кГц либо 96 кГц. В карте для аудиофилов это свидетельствует либо о неадекватности, либо о полной некомпетентности разработчиков. Для прослушивания музыки в 99,9% случаев используется частота 44 кГц. Очень ждем комментариев самих разработчиков карты.
Карта Asus имеет поддержку всех частот: 44, 48, 88, 96, 192 кГц.
Наличие ASIO-драйвера
- Creative: нет
- Asus: есть
Отсутствие ASIO-драйвера для карт Creative находится за границами нашего понимания. Наилучший вариант прослушивания у карты Creative — WASAPI-интерфейс и программный ресемплинг в плеере. Пересчет из 44 кГц в 48 или 96 всегда будет принудительно выполнять звуковой движок Windows, или необходимо в медиаплеере выбирать конвертацию на лету. Например, в плеере foobar 2000:

Звучание в колонках
Прослушивание велось на активных мониторах Adam S2.5A и Adam ARTist 5. Для сравнения были привлечены очень известные звуковые карты E-MU 1616M (CS4398) и E-MU 0204 USB (AK4396).
Первый сюрприз: все карты играют совершенно по-разному! На первом месте по качеству звучания стоит карта E-MU 1616M, на втором — E-MU 0204 USB, на третьем — Creative Sound Blaster X-Fi HD, на четвертом — Asus Xonar U7.
Звучание карты Asus меньше всего походит на E-MU 1616M (вопреки установленным одинаковым ЦАП). Виной всему проблемы с искажениями у Asus, так как мы достоверно знаем о непревзойденной реализации аналогового выхода у карты 1616M. Это и измеряемые 120 дБ сигнал/шум, и измеряемые 0,0003% искажений, и прекрасный чистый звук по ощущениям. 1616M не сильно уступает по звуку лучшим реализациям рэковых студийных устройств, сравнима с Pro Tools HD и Lynx Aurora, поэтому мы смело выбираем звук 1616M эталонным для устройств категории до $150. E-MU 0204 USB уступает совсем немного. X-Fi HD звучит более ярко и акцентированно на ВЧ, поэтому при всей эффектности отстоит чуть дальше от оригинального звука. Xonar U7 нас очень разочаровала скудными ВЧ и достаточно вялым звуком. Возможно, эта проблема решается перепрошивкой или драйверами; мы обязательно уточним этот вопрос у производителя. В любом случае искажений 0,01% быть не должно. И цифровая, и аналоговая часть карты способны на большее.
Поругаем и Creative за отсутствие режима 44 кГц. Это просто необъяснимо, нонсенс! Как можно сделать аудиофильскую карту, поставить два кварцевых генератора и запретить ей работать в 44 кГц? Не предоставить пользователю ASIO-драйвер, работающий в обход Windows? Это просто дичайшая некомпетентность разработчиков. В E-MU 0204 USB — устройстве за те же самые деньги — таких проблем нет в помине! Ощущение, что одно подразделение компании Creative беспощадно конкурирует с другим: упорно разрабатывает велосипед с квадратными колесами, когда в соседней комнате уже давно разработан и обкатан гоночный спорткар.
Звучание в наушниках
Мы использовали высокоомные наушники Sennheiser HD600 (300 Ом) и Beyerdynamic DT990 Pro (250 Ом).
Громкости достаточно в обоих случаях, но у карты Asus запаса практически нет. Creative смог еще раз нас удивить. По качеству звука места распределились следующим образом: на первом месте E-MU 1616M, на втором — Sound Blaster X-Fi HD, на третьем — E-MU 0204 USB, на четвертом — Asus Xonar U7. Профессиональный интерфейс E-MU 0204 USB, в принципе, выступил неплохо, но X-Fi HD на его фоне выглядел явным фаворитом и имел существенно больший запас по громкости. Карта Asus Xonar U7 самая тихая, однако ее громкость резко повышается при включении обработок. Возможно, это было сделано намеренно, чтобы был так называемый headroom для технологий Dolby и прочих автоэквалайзеров. Таким образом, карта Asus наименее подходит для простого прослушивания музыки, упор в ней сделан именно на эффектность обработок. Визги и улюлюканья фанатов карты нам остаются совершенно непонятны.
Измерения в RMAA
| Тестируемое устройство | Sound Blaster X-Fi HD |
| Режим работы | 24-бит, 48 кГц |
| Звуковой интерфейс | WASAPI |
| Маршрут сигнала | External loopback (line-out — line-in) |
| Версия RMAA | 6.3.0 Pro |
| Фильтр 20 Гц — 20 кГц | да |
| Нормализация сигнала | да |
| Изменение уровня | −0,3 дБ / −0,3 дБ |
| Режим моно | нет |
| Частота сигнала калибрации, Гц | 1000 |
| Полярность | правильная/правильная |
| Неравномерность АЧХ (в диапазоне 40 Гц — 15 кГц), дБ | +0,03, −0,08 | Отлично |
| Уровень шума, дБ (А) | −108,3 | Отлично |
| Динамический диапазон, дБ (А) | 108,2 | Отлично |
| Гармонические искажения, % | 0,0031 | Очень хорошо |
| Гармонические искажения + шум, дБ (A) | −87,5 | Хорошо |
| Интермодуляционные искажения + шум, % | 0,0037 | Отлично |
| Взаимопроникновение каналов, дБ | −100,6 | Отлично |
| Интермодуляции на 10 кГц, % | 0,0057 | Отлично |
| Общая оценка | Отлично | |
| Тестируемое устройство | Asus U7 |
| Режим работы | 24 бит, 44 кГц |
| Звуковой интерфейс | ASIO |
| Маршрут сигнала | External loopback (line-out — line-in) |
| Версия RMAA | 6.3.0 Pro |
| Фильтр 20 Гц — 20 кГц | да |
| Нормализация сигнала | да |
| Изменение уровня | −0,3 дБ / −0,3 дБ |
| Режим моно | нет |
| Частота сигнала калибрации, Гц | 1000 |
| Полярность | правильная/правильная |
| Неравномерность АЧХ (в диапазоне 40 Гц — 15 кГц), дБ | +0,03, −0,03 | Отлично |
| Уровень шума, дБ (А) | −111,2 | Отлично |
| Динамический диапазон, дБ (А) | 111,3 | Отлично |
| Гармонические искажения, % | 0,0033 | Очень хорошо |
| Гармонические искажения + шум, дБ (A) | −87,3 | Хорошо |
| Интермодуляционные искажения + шум, % | 0,0062 | Отлично |
| Взаимопроникновение каналов, дБ | −102,4 | Отлично |
| Интермодуляции на 10 кГц, % | 0,010 | Отлично |
| Общая оценка | Отлично | |
Тесты в RMAA дали оценку «Отлично». Это означает, что откровенных косяков у устройств нет. Больше это ничего не означает. (Но как только искусственный интеллект сделает ненужным анализ измерений человеком, мы будем первыми, кто вам об этом сообщит!)
Обе карты были протестированы через собственный тракт, так как имеют одинаковый высококачественный АЦП CS5361.
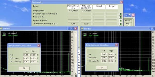
По шумам чуть лучше Asus, по искажениям — Creative. Нас обеспокоил вид графика Asus в тесте интермодуляции плавающим тоном: обычно аномалии в этом тесте указывают на пересчет частоты или на какую-то другую цифровую обработку. Мы несколько раз перепроверили все настройки. Результаты не меняются. Мы провели дополнительные тесты в установленных начисто ОС Windows XP и Windows 7. Были использованы самые последние драйвера и последняя прошивка. Итог один: у карты Asus примерно в 10 раз больше искажений на высоких частотах.
Наши читатели попросили сделать измерения только выхода, чтобы исключить возможные сюрпризы АЦП или других проблем на линейном входе. По совету Романа Кузнецова, мы использовали ноутбук Asus, который питался от батареи. Тем самым земляная петля была разорвана, и спектры очень сильно прояснились. Хотя все равно результат по наводкам далек от идеала.
Так или иначе, измерения через карту E-MU1616M дали существенно лучший результат! Отметим низкий уровень сигнала с линейного входа Asus, что не позволило продемонстрировать высокие значения сигнал/шум.
| Неравномерность АЧХ (в диапазоне 40 Гц — 15 кГц), дБ | +0,04, −0,16 | Очень хорошо |
| Уровень шума, дБ (А) | −110,8 | Отлично |
| Динамический диапазон, дБ (А) | 111,3 | Отлично |
| Гармонические искажения, % | 0,0005 | Отлично |
| Гармонические искажения + шум, дБ (A) | −101,6 | Отлично |
| Интермодуляционные искажения + шум, % | 0,0012 | Отлично |
| Взаимопроникновение каналов, дБ | −103,7 | Отлично |
| Интермодуляции на 10 кГц, % | 0,0028 | Отлично |
| Общая оценка | Очень хорошо |
| Неравномерность АЧХ (в диапазоне 40 Гц — 15 кГц), дБ | +0,02, −0,31 | Очень хорошо |
| Уровень шума, дБ (А) | −114,7 | Отлично |
| Динамический диапазон, дБ (А) | 114,9 | Отлично |
| Гармонические искажения, % | 0,0036 | Очень хорошо |
| Гармонические искажения + шум, дБ (A) | −86,3 | Хорошо |
| Интермодуляционные искажения + шум, % | 0,0027 | Отлично |
| Взаимопроникновение каналов, дБ | −107,0 | Отлично |
| Интермодуляции на 10 кГц, % | 0,0031 | Отлично |
| Общая оценка | Очень хорошо |
| Неравномерность АЧХ (в диапазоне 40 Гц — 15 кГц), дБ | −0,06, −0,27 | Очень хорошо |
| Уровень шума, дБ (А) | −115,4 | Отлично |
| Динамический диапазон, дБ (А) | 115,2 | Отлично |
| Гармонические искажения, % | 0,0028 | Отлично |
| Гармонические искажения + шум, дБ (A) | −88,5 | Хорошо |
| Интермодуляционные искажения + шум, % | 0,0024 | Отлично |
| Взаимопроникновение каналов, дБ | −106,4 | Отлично |
| Интермодуляции на 10 кГц, % | 0,0032 | Отлично |
| Общая оценка | Очень хорошо |
Выводы
Победителя в дуэли Creative и Asus не выявлено. При всем могучем потенциале комплектующих мы не можем рекомендовать ни одну из участвующих в тестировании звуковых карт для качественного прослушивания музыки! По крайней мере, до исправления всех недоработок. На текущий момент карты представляют собой откровенно недоделанный продукт, на который навешаны тонны бессмысленных и бесполезных функций, а для их продвижения используются тонны маркетоидного бреда: какие-то 8 каналов и 96—192 кГц… THX, Dolby HTV4… при неспособности работать нормально в одном самом простом и нужном людям режиме: «стерео 16/44».
Пока сохраняется описанная в статье ситуация, ни у кого не будет вызывать удивления популярность среди меломанов недорогих профессиональных звуковых карт для единственной цели — качественного прослушивания музыки в единственном режиме 16 бит 44 кГц. Очень забавно видеть попытки пользователей тестируемых карт лечить проблемы подбором межблочных кабелей или «прогревом» на сакральных типах сигнала. Наиболее разумным вариантом нам представляется исправление узких мест в самих звуковых картах.







