От редакции: Данная статья нашего внештатного автора, специалиста в области радиоэлектроники, поднимает весьма актуальную тему. Не секрет, что линейный выход звуковой карты часто не подходит для прослушивания музыки с помощью наушников. Преодолению этой проблемы в домашних условиях и посвещена статья. Предполагаемая аудитория читателей этого материала — продвинутые пользователи PC, дружащие с паяльником. А таких среди посетителей нашего сайта немало, о чем свидетельствует редакционная почта и наша конференция.
Несмотря на то, что звуковые платы имеют 16-разрядные ЦАП и АЦП, которые теоретически способны обеспечить динамический диапазон до 96 dB, на практике этот диапазон значительно уже. Виной тому являются многие факторы, начиная от упрощенных и экономных реализаций внутренних схем, применяемых в дешёвых микросхемах кодеков и усилителей, заканчивая ошибками в разводке печатной платы и отсутствием на реальной плате некоторых элементов (чаще всего дросселей и блокировочных конденсаторов).
В последнее время в продаже имеются недорогие звуковые платы, обладающие в то же время довольно впечатляющими по меркам бытовой аудио аппаратуры возможностями. Среди таких плат можно назвать довольно популярные звуковые карты на основе чипов фирмы YAMAHA серии 7х4. На некоторых моделях установлен достаточно качественный 18-битный кодек STAC9704 фирмы SigmaTel (чаще всего сейчас такой кодек встречается на платах с 754-м чипом фирмы YAMAHA). В то же время на звуковые платы продолжают устанавливать некачественные (дешёвые) микросхемы усилителей мощности. Именно усилитель часто является самым слабым звеном тракта. Нужно отметить, что в последнее время наметилась тенденция вообще не устанавливать микросхему усилителя (хотя разводка для нее на дешёвых картах чаще всего есть), ограничиваясь линейным буфером на миниатюрном ОУ. Это связано с тем, что в подавляющем большинстве случаев используются активные акустические системы (АС), которым нужен только линейный выход. В общем тенденция правильная, так как пользоваться пассивными АС нецелесообразно, поскольку их качество звучания в подавляющем большинстве случаев является неудовлетворительным. Если же используются активные АС, то усилитель на звуковой плате становится лишним, и его желательно исключить из тракта из соображений качества. Такая возможность часто имеется даже для тех плат, на которых усилитель присутствует. Отключить его можно с помощью двух перемычек, которые направляют сигнал на выходной разъем прямо с выхода кодека.
Есть ситуации, когда одного только линейного выхода на звуковой плате недостаточно. Распространенный случай — работа на головные стереотелефоны или попросту — наушники. Ими пользуются очень многие, так как обычно стереотелефоны обеспечивают очень хорошее качество звучания, недостижимое порой для АС. Кроме того, наушники не создают помех окружающим, что немаловажно, например, в ночное время. Для работы на стереотелефоны можно использовать встроенный усилитель звуковой платы (если он есть). Но это не совсем подходящий вариант, так как качество встроенного усилителя оставляет желать лучшего. К тому же, его мощность в этом случае является избыточной.
Применяемые на звуковых платах микросхемы усилителей мощности не отличаются высокими показателями качества. В первую очередь они имеют высокий коэффициент гармоник и большой уровень собственных шумов. Положение усугубляется еще и тем, что подобные микросхемы рассчитаны для работу с высоким коэффициентом усиления по напряжению (20-45 dB), поэтому входной сигнал для них зачастую делят резистивным делителем. Это означает, что вход микросхемы с высокой чувствительностью будет сильнее воспринимать помехи, которые всегда существуют в системе на земляной шине. Это ведет к дополнительному ухудшению отношения сигнал/шум. Типичными примерами микросхем усилителей являются KA2206, LA4180, LA4550, TEA2025 и другие. Все они имеют очень близкие параметры, поэтому рассмотрим только одну из этих микросхем — TEA2025 фирмы SGS-Thomson.
Микросхема TEA2025 представляет собой двухканальный усилитель с максимальной выходной мощностью 2.4 Вт при напряжении питания 12 В и сопротивлении нагрузки 8 Ом. При этом уровень гармоник составляет 10%. Самым возмутительным является то, что даже при очень малой выходной мощности коэффициент гармоник не опускается ниже 0.3%! Приведенное ко входу напряжение шумов составляет 1.5 мВ, поэтому если усилитель используется с коэффициентом усиления 20 dB (а так сделано на многих звуковых платах), то отношение сигнал/шум на выходе усилителя не превышает 50 dB! Это совершенно посредственные параметры, вызывающие заметное ухудшение качества звучания платы при использовании такого усилителя. Как ни странно, не удалось найти доступной микросхемы усилителя, которая могла бы подойти для звуковой платы и при этом имела бы хорошие характеристики. Но, как было отмечено выше, для звуковой платы вообще нет необходимости иметь на "борту" мощный (1-2 Вт) усилитель. При работе на стереотелефоны требуется значительно меньшая мощность. Значение 100 мВт часто является предельно допустимым для стереотелефонов. Поэтому проблема выбора значительно упрощается.
Анализ схемотехники портативных CD-проигрывателей фирмы Panasonic показывает, что в качестве телефонных усилителей там применяются операционные усилители (ОУ) с повышенным выходным током. В то же время никаких проблем с качеством звучания у этих аппаратов нет. Поэтому вполне логично остановить свой выбор на одном из таких ОУ. Можно сформулировать основные требования к ОУ, которые подойдут для работы в качестве усилителя стереотелефонов. Выходной ток должен быть не менее 70 мА — такой ток при сопротивлении стереотелефонов 24 ома (типовое значение) обеспечивает достаточный уровень мощности. Скорость нарастания выходного напряжения должна быть не менее 1 В/мкс, а частота единичного усиления — не менее 1 МГц. Эти параметры гарантируют достаточный запас быстродействия, и, как следствие, отсутствие значительного роста искажений на высоких частотах. Собственные шумы ОУ и искажения должны быть как можно меньшими. Шумы ОУ обычно не превышают -80 dB относительно номинального выходного уровня 775 мВ, а искажения обычно меньше 0.01%. Т.е. эти параметры у ОУ значительно лучше, чем у интегральных усилителей мощности. ОУ также должен иметь встроенную частотную коррекцию, которая обеспечивает устойчивость при любом коэффициенте усиления. Кроме того, ОУ должен работать при однополярном напряжении питания 12 В. Желательно также, чтобы этот ОУ был сдвоенным для упрощения монтажа. Существует несколько типов ОУ, которые удовлетворяют всем этим требованиям. Краткий их перечень приведен в таблице:
| Тип | Фирма-изготовитель | Выходной ток, мА | Скорость нарастания, В/мкс | Частота единичного усиления, МГц | Приведенное ко входу напряжение шумов, мкВ | Искажения, % |
| OP279 | Analog Devices | 80 | 5 | 2 | 2 | 0.01 |
| NJM3414 | JRC | 70 | 1 | 1.3 | - | - |
| NJM3415 | JRC | 70 | 1 | 1.3 | - | - |
| NJM4556 | JRC | 70 | 3 | 8 | 1 | 0.01 |
Все указанные ОУ имеют одинаковое расположение выводов и в данном случае являются взаимозаменяемыми. Приведенная таблица не претендует на полноту, поэтому скорее всего существуют и другие типы ОУ с аналогичными параметрами, которые подойдут для описываемого усилителя.
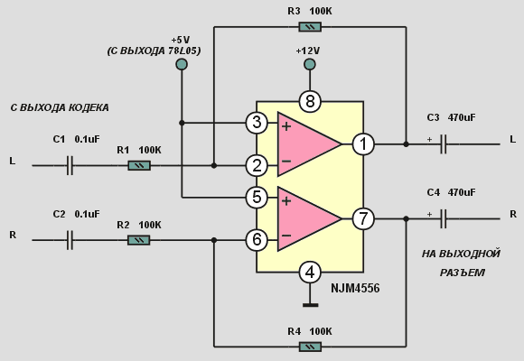
Обычно перед микросхемой усилителя мощности на звуковых платах устанавливают резистивный делитель напряжения, который уменьшает общее усиление. С учетом делителя оно составляет около 10 dB (примерно 3 раза). Для работы на стереотелефоны такой коэффициент усиления может оказатся избыточным, достаточно усиления 0 — 6 dB. Необходимый коэффициент усиления определяется номинальным сопротивлением и чувствительностью стереотелефонов, а также номинальным выходным напряжением кодека. Исходя из этих требований после анализа схемотехники звуковой платы была выбрана инвертирующая схема включения ОУ (рис. 1).

Рисунок 1. Принципиальная схема усилителя для стереотелефонов.
Такая схема позволяет более гибко регулировать коэффициент усиления и проще реализует работу при однополярном питании. В качестве искусственной средней точки взят уровень +5 В, который присутствует на выходе стабилизатора (обычно 78L05) питания для микросхемы кодека. Этот уровень достаточно хорошо отфильтрован на плате, поэтому дополнительных фильтров не требуется. Отличие напряжения средней точки от половины напряжения питания (6 В) весьма незначительно и вполне допустимо, так как на выходе ОУ не требуется получать максимальный размах напряжения. Коэффициент усиления определяется отношением R3/R1 (R4/R2). Практически при работе с наушниками MDR-14 фирмы SONY (24 Ом, 100 dB/мВт) оказалось достаточно усиления 0 dB, но в случае необходимости его можно поднять, увеличив номиналы резисторов R3 и R4. На входе и выходе усилителя установлены разделительные конденсаторы C1 — C4. Их емкость уменьшать не следует, так как это вызовет спад АЧХ на низких частотах.
Технологию переделки звуковой платы можно продемонстрировать на примере платы на основе 740-го чипа фирмы YAMAHA. На этой плате изначально усилитель не был установлен, но имелась разводка под TEA2025B или аналогичный. Вместо него было решено применить ОУ NJM4556D фирмы JRC. Как оказалось, имеющаяся разводка во многом подходит и для ОУ, если его установить так, чтобы совпала 1-я ножка (рис. 2).

Рисунок 2. Вид переделанной звуковой платы со стороны монтажа.
Автоматически оказывается подключенным питание (ножка 8), земля (ножка 4) и один из выходов (ножка 7). Но все же небольшая доработка печатного монтажа потребуется. Вначале необходимо перерезать дорожки, которые соединяют ножки 1 и 5 с землей и ножку 2 с выходным разделительным конденсатором. Затем соединяют ножку 1 с той дорожкой, которая раньше шла на 2-ю ножку. При этом выходные разделительные емкости окажутся соединенными с выходами ОУ. Эти емкости (C3 и C4) нужно впаять в штатные места для выходных конденсаторов. Также нужно впаять jumper, который используется для переключения выходного разъема на линейный выход или выход усилителя. Двумя короткими проводниками необходимо соединить ножки 2 и 6 ОУ с площадками ножек 7 и 10 штатного усилителя. После этого можно впаять ОУ. Резисторы R3 и R4 удобно смонтировать с обратной стороны платы (рис. 3).

Рисунок 3. Вид переделанной звуковой платы со стороны пайки.
Там же нужно поставить перемычку между ножками 3 и 5 ОУ и подключить их к выходу стабилизатора 78L05. Резисторы R1 и R2, а также емкости C1 и С2 устанавливают на штатные площадки, предназначенные для разделительных емкостей и резисторов входного делителя. Заодно не помешает установить все блокировочные конденсаторы, для которых есть разводка, но самих конденсаторов на плате нет. Подойдут керамические SMD-конденсаторы емкостью примерно 0.1 mF и электролитические конденсаторы емкостью 10 — 47 mF на рабочее напряжение 16 В и выше. После этих переделок плата готова к эксплуатации.
Субъективная экспертиза качества звучания показала заметное преимущество нового усилителя перед штатным.
Подобную переделку можно осуществить практически на любой звуковой плате. Если микросхема усилителя уже установлена, то ее можно выпаять. А можно ничего и не трогать, а собрать телефонный усилитель на отдельной небольшой плате (например, макетной), которую можно закрепить в любом удобном месте и соединить со звуковой платой короткими проводниками.
И, наконец, дополнение для любителей глубоких басов. В тех же портативных CD-проигрывателях фирмы Panasonic встречается система "улучшения" басов S-XBS. За этим громким названием скрывается простейший эквалайзер с фиксированной АЧХ. Максимальный подъем на низких частотах составляет около 14 dB (рис.4).

Рисунок 4. АЧХ усилителя системы S-XBS.
Реализовать такую АЧХ достаточно просто. Принципиальная схема одного канала усилителя стереотелефонов с системой S-XBS показана на рисунке 5.

Рисунок 5. Принципиальная схема одного канала усилителя с системой S-XBS.
Система улучшения басов включена постоянно. При желании в схему можно добавить переключатель, который для выключения системы должен отключать резистор R2 и закорачивать емкость C3. Постоянные времени цепочек частотной коррекции заимствованы из схемы CD-проигрывателя Panasonic SL-XP350. Правда, схемотехника несколько изменена. Коэффициент передачи такого усилителя поменять несколько сложнее, для его увеличения, например, нужно одновременно пропорционально увеличить номиналы резисторов R3, R4 и уменьшить номинал конденсатора C3.