Тестирование колонок и описание способа отключения режима stand by для активной акустики Microlab SOLO-1 и SOLO-2
По многочисленным просьбам наших читателей в этой статье мы рассказываем о топ-модели линейки активной деревянной акустики компании Microlab стереоколонках SOLO-2. О моделях акустики того же производителя Avalon и SOLO-1 читайте в предыдущей статье.
SOLO-2 позиционируется как акустика и для компьютера, и не только для него. Большие размеры и громкость, достаточная для фонового озвучивания целой комнаты, позволяет рекомендовать эти колонки в качестве воспроизводящих систем и для недорогой переносной магнитолы или переносного mp3-плеера. Для подключения дополнительного устройства, к примеру, взяв сигнал с его выхода для наушников, на колонках имеется второй линейный вход с уменьшенной чувствительностью.
Внешний вид
Внешний вид SOLO-2 выше всяких похвал! Глядя на эти колонки, создаётся впечатление, что перед нами солидная брендовая Hi-Fi акустика, а не какие-то недорогие компьютерные колонки. К счастью, приличное звучание колонок не заставляет сокрушаться, что перед нами очередное бутафорское изделие от хитрых китайских производителей. Но об этом чуть ниже.

Общий вид стереоколонок SOLO-2
Комплектация
Набор поставляется в картонной коробке небольших размеров cо скромными надписями и схематичными изображениями колонок.
В комплект поставки входят:
- две колонки со встроенным в корпус правой акустической системы усилителем;
- соединительный провод «мини-джек на два тюльпана» (stereo RCA);
- соединительный провод для подключения левой колонки к усилителю;
- краткая инструкция на английском языке.
Длина провода для подключения второй колонки к усилителю составляет два метра. С удовольствием отмечаем тот факт, что изоляция проводов для удобства подключения имеет красно-черную окраску. Зачастую наборы акустики комплектуются шнурами в прозрачной изоляции, что грозит для неопытных пользователей ошибками в подключении колонок: при неправильном соединении колонки будут работать в крайне нежелательном противофазном режиме. Медный многожильный провод около миллиметра в диаметре со скрученными и залуженными кончиками выглядит несколько скромно для таких колонок. Но, к счастью, он может быть легко заменён на более дорогой крепление проводов в разъёме осуществляется с помощью пружинных зажимов.
Габариты
Размеры колонок SOLO-2 по ширине, высоте и глубине составляют 275 × 352 × 213 мм. Такие колонки поместятся не на каждом компьютерном столе. Более того, отсутствие магнитного экранирование в первых партиях колонок не позволяет разместить SOLO-2 ближе 40 см к обычному CRT-монитору. В партиях колонок, которые поступят в продажу в начале июня, Microlab обещал поставить магнитные экраны на динамики колонок, так что проблема должна исчезнуть. К слову, SOLO-1 и Avalon от Microlab имеют магнитную защиту динамиков.
Технические подробности
Акустическим оформлением колонок SOLO-2 является схема с фазоинвертором. Как показывает практика, для деревянной активной стереоакустики эта схема является наиболее оправданной. Отверстие фазоинвертора выведено на заднюю панель корпуса и находится в верхней её части. Таким образом, для большей отдачи по низким частотам нужно выбирать такое расположение колонок, при котором задняя сторона колонки удалена от ближайшей вертикальной преграды на расстояние 15-20 сантиметров, не дальше. И ни в коем случае нельзя ставить такие колонки вплотную к стене.
Материал корпуса дерево (MDF, ламинированный плёнкой). Толщина боковых панелей корпуса колонок SOLO-2 составляет 10 мм у боковых и 12 мм у остальных стенок. Внутри корпуса с правой и левой сторон имеется слой искусственной ваты.
Диффузор среднечастотного динамика выполнен из бумаги. Его диаметр составляет 6 1/2" (16,5 см). Гибкий подвес сделан из резины, что обеспечивает хорошую чувствительность и высокое качество звучания колонок. Твитер, используемый в этой модели, имеет шелковый купол. Подобные качественные высокочастотники встречаются в колонках класса Hi-Fi и отличаются равномерной диаграммой направленности, а также низким уровнем искажений в широком спектре частот. А ведь чистенькие и яркие высокие частоты необходимы колонкам не только для достоверного воспроизведения музыки, но и для правильного и качественного позиционирования источников звука в играх и DVD/VCD/MPEG4-фильмах.
В прошлой статье мы писали, что ни одни протестированные нами активные компьютерные колонки в той же ценовой категории не могут сравниться по качеству высокочастотных динамиков с системой Microlab SOLO-1 и SOLO-2. Если брать дешёвую Hi-Fi акустику, то там качество ВЧ-головок будет выше, но к ним нужен усилитель. А даже самый дешёвый из брендовых обойдётся вам не в одну сотню долларов.
Динамические головки соединены параллельно. В качестве разделительного фильтра используется электролитический конденсатор ёмкостью 4,7mF. На самих динамиках выгравировано название фирмы производителя Microlab.
Защитные сетки представляют собой деревянную рамку с натянутой на неё акустической тканью. При снятии надо быть крайне аккуратным, чтобы случайно не сломать тонкие пластмассовые штырьки.
Как и у остальных моделей акустики Microlab, резиновые ножки у колонок SOLO-2 не предусмотрены, что является их несомненным минусом. Для более устойчивого положения колонок и виброразвязки с установочной поверхностью мы рекомендуем устанавливать колонки на опоры из мягкой резины. Возможно, производитель предполагает наличие у пользователя стоек под колонки (к слову, средняя стоимость стоек под Hi-Fi колонки в Москве сопоставима с ценой самих SOLO-2).

Задняя панель SOLO-2
На задней панели колонки с усилителем расположены:
- регуляторы громкости, высоких и низких частот;
- два входа (стерео RCA);
- выключатель и индикатор питания;
- пружинный зажим для подключения второй колонки.
К положительным моментам нужно отнести и то, что радиаторы усилительных микросхем вынесены на заднюю панель, то есть за пределы корпуса, что обеспечивает усилителю комфортный тепловой режим.
Усилительная часть
В колонках SOLO-2 применён тот же самый усилитель, что и у SOLO-1. И печатные платы, и стоящие на них детали те же самые. Этого и следовало ожидать, принимая во внимание вполне адекватную мизерную разницу в цене между двумя этими моделями колонок.
Тот же самый Ш-образный трансформатор обеспечивает биполярное питание 16В на 1,6А. В фильтре блока питания стоят два сглаживающих конденсатора емкостью 4700mF. Тем не менее, колонкам такого красивого и многообещающего внешнего вида можно предъявить претензию насчёт негромкого характерного фона от переменного тока. Конечно, он не будет слышен на фоне работающего компьютера и тем более при воспроизведении музыки.
При большом желании, для увеличения внутреннего объёма колонки, исключения наводок на платы усилителя и просачивания в тракт переменного тока, блок питания можно вынести из корпуса и усовершенствовать (например, применить тороидальный трансформатор и конденсаторы большей ёмкости).
Microlab использует в своих моделях качественные усилительные микросхемы от ST Microelectronics. В колонках SOLO-1 и SOLO-2 используется микросхема TDA7265. Для улучшения теплообмена с радиатором микросхемы промазаны термопастой. Печатные платы и пайка элементов выполнены тщательно и качественно. Вручную припаяны только силовые провода и довольно толстые акустические провода, идущие к динамикам, всё остальное сделано на автоматическом конвейере.

Фотография усилительной микросхемы TDA7265

График зависимости THD от мощности микросхемы TDA7265
При низкой громкости уровень искажений очень мал всего 0,01..0,02%. С увеличением громкости искажения растут (0,1%..1%), но у динамической головки кривая роста искажений, вероятно, пойдёт вверх гораздо раньше.
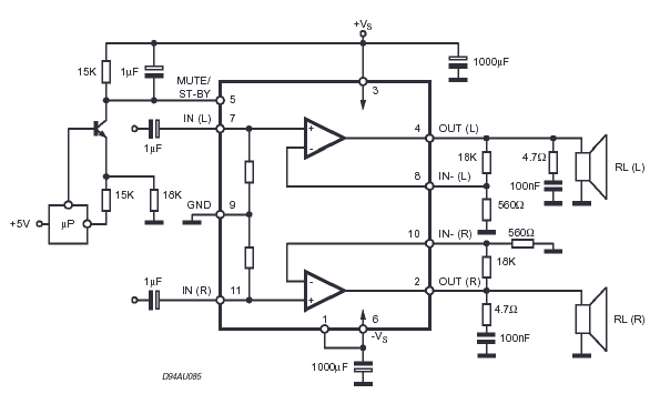
Доработка усилителя отключением режима stand by
Многие обладатели колонок столкнулись с проблемой пропадания звука на моделях SOLO-1 и SOLO-2 при совсем небольшом уровне громкости. Это связано с особенностью применённой микросхемы TDA7265. Она имеет возможность экономить электроэнергию, переходя в режим stand by спустя несколько секунд после длительного отсутствия сигнала. К сожалению, порог срабатывания этой функции завышен, видимо в расчете на подключение различных звуковых устройств с высоким уровнем шума. Таким образом, схема принимает тихую музыку за шум и отключает звук. При кратковременном повышении уровня громкости сигнала звучание оживает, однако после уменьшения до прежнего уровня опять пропадает.
Многие читатели попросили нас привести максимально простую инструкцию по доработке усилителя колонок указанных моделей, для устранения этого эффекта. Я провел исследование схемы работы системы автоматического отключения и нашёл простое решение данной проблемы.

Как видно из пояснений в документации на ST TDA7265, за отключение звука и переход в энергосберегающий режим отвечает пятая ножка этой микросхемы.

Усилитель TDA7265 в нашем случае используется в типовом включении, так что для рассмотрения работы мы можем использовать приведённую в документации принципиальную схему. Из неё видно, что для управления режимом работы используется усилитель напряжения на транзисторе (на плате это операционник JRC 4558).
Таким образом, доработка с целью полного устранения перехода в энергосберегающий режим заключается в разрывании цепи управляющего сигнала и подачи на пятую ножку TDA7265 постоянного управляющего напряжения.
Итак, подробная инструкция для людей, владеющих паяльником и минимально разбирающихся в радиотехнике.
- Обязательно отключаем колонки от сети. Обязательно отключаем все провода, ведущие к усилителю от источников сигнала.
- Отворачиваем 8 саморезов с задней части правой колонки и аккуратно вынимаем усилитель, держась за радиатор. Закрепляем плату в подходящее положение и, для создания комфортных условий, обеспечиваем рабочему месту хорошее освещение. Готовим паяльник (лучше низковольтный) и все необходимые инструменты.
- Для отключения управляющего напряжения находим и выпаиваем резистор R15, прикладывая усилие и отводя тепло от каждой отпаиваемой ножки металлическим пинцетом. При выпаивании касаемся паяльником кратковременно, чтобы не перегреть плату и стоящие на ней элементы.
- Для подачи постоянного управляющего напряжения впаиваем навесным монтажом между первой и пятой ногой микросхемы TDA7265 (нумерация ножек слева направо) резистор номиналом 10-15 кОм.
- Если резисторов с подходящим номиналом под рукой не оказалось, можно взять один из резисторов R18 (14,7 кОм), стоящих на втором входе, впаяв потом вместо них перемычки из коротких проводов.
Внимание! Автор статьи и администрация сайта не несёт ответственность за следование или не следование данной инструкции. Учтите также, что при внесении в схему усилителя изменений вы автоматически лишаетесь гарантии на приобретённые колонки.
Для усовершенствования схемы, с целью понизить уровень порогового напряжения для срабатывания stand by, можно впаять миниатюрный переменник и попытаться отрегулировать необходимую чувствительность по вкусу. Если совсем закоротить этот резистор, то возникает жуткий фон и страшные переходные процессы в колонках при включении/выключении.
Чтобы оставить работоспособным оба варианта, можно повесить всё это дело на двухпозиционный трёхконтактный тумблер, перекидывая сигнал со штатной схемы на постоянное напряжение. Однако для крепления тумблера придётся сверлить отверстие в металлической пластине, что в домашних условиях затруднительно.
Субъективное прослушивание
Слуховое тестирование проводилось при помощи компьютера с отсутствующим кулером на процессоре и выключенным вентилятором блока питания. Таким образом были полностью исключены все шумовые источники, затрудняющие прослушивание. Все тестовые композиции воспроизводились на профессиональной звуковой карточке EgoSys Waveterminal 2496 (~$250).
Сразу же хочется отметить такой приятный факт, как отсутствие характерных щелчков при включении и выключении комплектов, чем грешат многие относительно недорогие мультимедийные колонки. Этим фактом мы обязаны не гениальности схемотехников, а применённым в колонках Microlab SOLO-1 и SOLO-2 усилительным микросхемам.
Мы были приятно удивлены качеством звучания SOLO-2: колонки легко справились почти со всеми тестовыми композициями. Звучание очень спокойное и ровное. Производитель не ставил цель сэкономить на комплектующих, поэтому использовал качественный усилитель и очень хорошие, аналогичные применяемым в Hi-Fi колонках динамики, благодаря которым тембральные искажения в области самых высоких частот почти полностью отсутствуют, так что верхний регистр звучит прозрачно и чисто. Колонкам SOLO-2 удается создать отличную стереопанораму и объём.
Благодаря мягкому резиновому подвесу на средне-низкочастотных динамических головках, звучание остаётся качественным при любой громкости. Особенно приятно колонки играют при невысоком уровне сигнала: средние частоты не выпирают, но и не теряются на общем фоне, вокальные партии прослушиваются отчётливо.
По сравнению с наборами с сабвуфером низких частот маловато, так что активный саб колонкам явно не помешает. Если добавить к SOLO-2, скажем, SVEN Audio 620, то получится замечательный комплект 2.1-акустики. При этом в соответствующем ценовом диапазоне (до $200) мы ничего лучше пока не слышали. IHOO и прочие неплохие наборы с треском «сливают» такому 2.1-комплекту по качеству звучания. Если же брать выше, то следует менять именно SOLO-2. К примеру, взять пару Hi-Fi полочников и бытовой стереоусилитель, что обойдётся минимум в $250-300.
Так как SOLO-2 «обыгрывает» всех конкурентов в своей ценовой категории, от наших читателей стали поступать просьбы сравнить SOLO-2 с недорогими Hi-Fi полочниками и какими-нибудь советскими б/у колонками.
Мы решили выполнить такое пожелание. В качестве оппонентов при сравнительном тестировании будут выступать фронтальные колонки из недорогого набора SVEN Audio HP-514T и советские колонки Radiotehnika S-30B. Но сначала давайте сравним SOLO-2 с его «младшим братом» SOLO-1.
SOLO-2 vs. SOLO-1
SOLO-2 в целом безусловно играют лучше, чем SOLO-1. Однако разница не настолько кардинальна, насколько этого ожидаешь по их внешнему виду. Колонки SOLO-2 создают более ровное звуковое поле и имеют меньше призвуков на низких частотах. Высокие у колонок приблизительно одинаковые. Средние частоты более натуральны у SOLO-2.
В целом, колонки SOLO-1 произвели на меня более яркое впечатление. По превосходному внешнему виду от SOLO-2 ждёшь чего-то сверхъестественного, но обманываешься, так как играют они лучше ровно на $15 разницу в цене между этими колонками.
Пассивная колонка SOLO-2 против фронтальной колонки набора SVEN Audio HP-514T
SOLO-2 обыгрывает по качеству абсолютно все компьютерные колонки марки SVEN, в том числе IHOO. Многие читатели спрашивают не произойдёт ли то же самое с колонками марки SVEN Audio, хотя бы с начальными моделями? Мы сравнили SOLO-2 и фронтальную колонку из самого дешёвого набора для домашнего кинотеатра SVEN Audio HP-514T. Сравнивалась только пассивная колонка SOLO-2 (так как активная играет несколько хуже из-за стоящего внутри усилителя), при подключении к бюджетному Hi-Fi усилителю (SVEN Audio HR-950).
Колонки SVEN Audio играют лучше своих коллег от Microlab. Преимущество HP-514T ощутимо во всём диапазоне частот от басов до самых верхов.

Фронтальная колонка набора SVEN Audio HP-514T (слева)
и одна из колонок Microlab SOLO-2 (справа)
Идея некоторых наших читателей городить домашний кинотеатр из шести (!) одинаковых колонок SOLO-2 потерпела фиаско. Проще купить готовый набор 5.1 колонок и отдельный 5.1-усилитель с пультом ДУ и прочими удобствами. На наш взгляд, также не стоит превращать SOLO-2 в пассивные колонки.
Однако, не стоит забывать про разницу в цене между любым набором Hi-Fi акустики и активными компьютерными колонками. Кажется, что стоит добавить совсем чуть-чуть денег, и получится звук на порядок лучше, чем был. Однако набор из пяти Hi-Fi колонок, активный сабвуфер и пятиканальный усилитель будет стоить как минимум $500. Такая сумма никак не сопоставима с $65 за SOLO-2.
Вывод отсюда только один: SOLO-2 не подойдёт для построения домашнего кинотеатра. Если только как апгрейд фронту у SVEN IHOO 5.1 и подобных ему деревянных наборов активной акустики (ориентированных в том числе на подключение к компьютеру).
SOLO-2 против Radiotehnika S-30B
У многих дома валяются доставшиеся от прадедушки старые советские колонки. При этом идёт очень много разговоров, что «наше, родное» (а для обычных людей прибалтийская фирма RRR сейчас совсем даже не наше и не родное) ни за что не уступит по качеству какому-то там дешевому китайскому ширпотребу.
Друзья мои, не забывайте, что произведённая в Китае продукция разрабатывается в Штатах и Европе. Заводы в Китае строятся на базе самого современного автоматизированного оборудования под руководством инженеров из тех же Штатов. Китайские рабочие, выполняющие все ручные операции под строгим контролем качества, намного превосходят по квалификации слесаря дядю Васю, который кувалдой забивает болты в гайки. Это несравнимые вещи. Прежде чем огульно хаять, найдите изготовленные в Китае приличные колонки и посмотрите на качество современной технологии изготовления и сборки допуски и посадки составляют десятые и даже сотые доли миллиметра. Конечно, у дешёвых колонок есть некоторые недостатки и технологические недоработки, обусловленные низкой себестоимостью изделий. Ну так ведь нужно предъявлять к ним сопоставимые их розничной цене требования. Кроме того, все колонки продаются с гарантией обмена или ремонта. Если у вас что-то сломалось или плохо работает сразу несите колонки назад для обмена или ремонта, а не кричите на всю конференцию, что модель такая-то полный отстой, на основании того, что в вашем случае у неё внутри отвалился проводок (возможно, это случилось от вибраций при транспортировке по нашим идеальным российским дорогам). К слову, брак встречается и у колонок за $1000.

Колонка Radiotehnika S-30B (слева)
и колонка Microlab SOLO-2 (справа)
Сравните внешний вид Радиотехники и SOLO-2. Всё в советских колонках говорит о том, что это СОВОК. Не помогает надпись на иностранном языке и модное иностранное название S-30B. Радиотехника имеет прикрученную блестящими шурупами пластмассовую переднюю панель, которая имеет склонность дребезжать на большой громкости. Сетки на динамиках выполнены из бронебойной стали, ни о какой акустической ткани речь здесь, конечно же, не идёт. Стенки корпуса у СОВКА выполнены из рассохшегося и местами рассыпающегося мебельного ДСП, так что при попытке повесить колонку на стенку за предусмотренную сзади крепёжную скобу колонка упала, так как крепёж не выдержал ее веса. Динамики также сделаны из материалов, разработанных для совсем других областей применения. У «буржуев» же на акустику работают целые промышленные концерны. При сопоставимых габаритах, у SOLO-2 применён намного больший и намного более чувствительный динамик. У S-30B динамик маленький и компрессионный. Выведенный на переднюю панель прямоугольный в сечении фазоинвертор у СОВКА выполняет скорее декоративную роль при его затыкании звук не меняется. Хотя он включается в работу на очень большой громкости, но это всё равно не спасает от абсолютного отсутствия полноценных низких частот.
Радиотехника была мною «доработана»: в первую очередь выкинуты все внутренности схема защиты от перегрузки и мешок с ватой, который находился в центре (!) колонки. Звучание доработанной S-30B намного улучшилось по сравнению с оригинальной колонкой, стоящей рядом и делающей робкие потуги воспроизводить музыку.
Если сравнивать звучание колонок с SOLO-2, то как уже было сказано выше, басов у S-30B нет совсем, высоких у них больше, но колонка истошно кричит (как после применения компрессора), а не играет. Возможно, у кого-то ухо адаптировалось к такому звучанию, но после нормальных колонок слушать СОВОК вообще невозможно на слух это очень неприятно.
Дорабатывать дальше Радиотехнику бессмысленно, ведь придётся выкинуть почти всё на помойку: в первую очередь корпус и оба динамика. Вату можно оставить, пригодится заполнять неплотности в советских оконных рамах в наши лютые морозы. К слову, этого не придётся делать, если у вас стоит европейский тройной стеклопакет. Мелькнула мысль: а может всё совковое сразу того, на помойку? Вот вам ещё не надоело жить в СОВКЕ, может всё-таки прекратим гордиться его мнимыми достижениями и будем стремиться к цивилизованному обществу? :)
Измерения АЧХ
Измерения проводились по единой методике разработанной нами программой RMAA AE 3.4. Для генерации сигнала использовалась профессиональная звуковая карта EgoSys Waveterminal с неравномерностью АЧХ -0,01/+0,07 дБ. Показания снимались измерительным микрофоном Behringer ECM8000.
Итак, смотрим на измерения SOLO-2:

График АЧХ и КГИ акустической системы SOLO-2 (активная колонка, встроенный усилитель)

График АЧХ и КГИ акустической системы SOLO-2 (пассивная колонка, встроенный усилитель)
Неравномерность АЧХ на средних частотах превосходна! Она составляет всего ± 4 дБ. Искажения составляют величину менее 1% (-40 дБ). А ведь уровень громкости во время теста очень приличный. В реальной жизни колонки эксплуатируются на намного более низкой громкости. Неравномерность на высоких на самом деле не такая страшная, при смещении измерительного микрофона от положения между двумя динамиками к положению на оси ВЧ-динамика провалы в АЧХ в области высоких сглаживаются, однако даёт о себе знать диаграмма направленности СЧ/НЧ-динамика.
В то же время, активная колонка расстроила нас высоким уровнем искажений в области высоких частот. Мы пришли к выводу, что это дефект конкретного экземпляра, ведь у пассивной колонки таких проблем не было. АЧХ и КГИ пассивной колонки совпадает как для внутреннего, так и для внешнего Hi-Fi усилителя, так что мы не приводим график с внешним усилителем.
Давайте теперь посмотрим на графики SOLO-1.

График АЧХ и КНИ акустической системы SOLO-1
При примерно такой же неравномерности АЧХ, у SOLO-1 мы наблюдаем значительно большее число искажений в области низких частот и меньшее на верхах. Таким образом, цифрами подтверждается вывод о лучшем звучании SOLO-2 по сравнению с SOLO-1.

График АЧХ и КГИ фронтальной колонки набора SVEN Audio HP-514T
АЧХ фронтальной колонки набора SVEN Audio HP-514T бъёт всех своих конкурентов во всём диапазоне частот. Это без всяких оговорок уровень брендовых Hi-Fi полочников, но и стоимость у колонок соответствующая. Пик в районе 4 кГц наблюдается у всех колонок, так что не обращайте на него внимания. По всей видимости, это особенность помещения, где проводились измерения.

График АЧХ и КГИ совковых колонок Radiotehnika S-30B
У колонок Radiotehnika S-30B низкие завалены (у штатных, набитых ватой, с басами всё обстоит ещё хуже), средние очень даже приличные, высокие сильно изрезаны и выпирают на +10 дБ от среднего уровня. Диагноз на помойку.
Остаётся только добавить, что измерения не являются единственным и достаточным критерием, которым нужно руководствоваться при выборе акустики. Очень многое зависит от других особенностей звучания, которые можно определить только на слух. Однако измерения могут подстраховать от предвзятого мнения эксперта, и, на наш взгляд, в данном случае они гармонично дополняют субъективные тесты.
Вывод
Microlab SOLO-2 произвели на нас весьма хорошее впечатление. Колонки имеют приятный дизайн, приличный усилительный тракт, качественные динамические головки и регуляторы тембра, благодаря чему очень неплохо воспроизводят самые разные музыкальные композиции.
Мы рекомендуем активные стереоколонки Microlab SOLO-2 для игр с хорошим музыкальным сопровождением, озвучивания DVD/VCD/MPEG4-фильмов, а также для прослушивания музыки в MP3-формате.
Плюсы Microlab SOLO-2:
- привлекательный внешний вид;
- приличное звучание;
- отсутствие щелчков при включении и выключении питания;
- использование высококачественных динамических головок;
- наличие регуляторов тембра;
- наличие дополнительного стереовхода;
- невысокая стоимость (средняя розничная цена по Москве на конец мая 2002 года $65).
Минусы Microlab SOLO-2:
- автоматический переход в режим stand by на малой громкости (легко лечится по рекомендациям в этой статье);
- неудобно расположенные регуляторы громкости и тембра (на задней панели);
- отсутствие резиновых ножек.
акустика SVEN Audio HP-514T и усилитель SVEN Audio HR-950 предоставлены на тестирование компанией SVEN Audio.