Из анекдота
Рынок TV-тюнеров является одним из самых консервативных в индустрии. В гонке за гигагерцами и кадрами в секунду здесь необходимости нет, при апгрейде тюнеры кочуют из одной системной платы в другую годами. Однако борьба за кошельки покупателя не утихает, поэтому новые решения появляются и здесь. Одним из таких проявлений технического прогресса в настоящее время стали получающие все большее распространение приемники на базе микросхем, так называемые Silicon Tuner.
Первопроходцами можно, пожалуй, считать компанию Pinnacle System, заменившую микросхемами MT2032 от Microtune, Inc. радиоблоки Philips в модели Pinnacle PCTV Pro, к сожалению, почему-то оставив допотопный АЦП Conexant Fusion 878A. Следующей стала NVIDIA, установившая Silicon Tuner на серию мультимедийных видеокарт Personal Cinema, но «слишком далеки были они от народа», так что и тут революции не получилось.
И кто бы мог подумать, что честь соединить впервые в одном устройстве Silicon Tuner и самый свежий АЦП Conexant CX2388x выпадет на долю новичка на рынке компьютерных TV-тюнеров (но далеко не новичка на рынке компьютерных комплектующих) — тайваньской Micro-Star International. В результате, на свет появились модели MS-8876 и MS-8606.
О MS-8606, отличающейся от сестренки наличием FM-тюнера и кое-какими конструктивными изменениями, и пойдет речь в этом обзоре.
Комплект поставки
Коробка таких устрашающих размеров у тюнера мне встретилась впервые, упаковки побывавших у нас внешних тюнеров с интерфейсом USB 2.0, отличающихся большими габаритами, нежели PCI-устройства, были куда компактнее. Естественно, не обошлось и без надписи, извещающей о наличии Silicon Tuner и СХ23881.

Увы, ничего соответствующего такой гигантомании, внутри не оказалось. Кроме затерянного в недрах упаковки одинокого шильдика с логотипом MSI, там обнаружились
- Тюнер
- Пульт ДУ
- Выносной ИК-датчик пульта ДУ
- Кабель S-Video — S-Video
- Кабель для подключения к линейному входу звуковой карты
- FM-антенна
- 2 CD с драйверами и программным обеспечением
- Руководство пользователя
Несколько странным выглядит отсутствие композитного кабеля, но не будем относить это к существенным недостаткам, учитывая его стоимость.
Дополнительное ПО представлено набором 2-в-1 WinProducer/Coder от InterVideo, Inc., но работа только с форматом VCD резко снижает ценность этой программы.

Конструкция и спецификации
Наш экземпляр имеет ревизию 1.2.
Красный цвет PCB давно уже стал характерным для видеокарт и системных плат производства MSI, не стали исключением и тюнеры.
Высокочастотный селектор MT2050 от Microtune, Inc. скрывается под металлическим кожухом с выгравированным логотипом компании-производителя (выглядит очень эффектно, но первое же случайное прикосновение оставляет следы, а установка тюнера без единого касания проходит по категории циркового номера).

За работу тюнера в режиме FM отвечает отдельная микросхема (уже второй Silicon Tuner на одной плате, между прочим) Philips TEA5767HN, расположенная слева от ВЧ-блока, имеющая несколько интересных функций, о которых мы поговорим ниже.

Ну и куда же без АЦП, 10-битный Conexant CX23881 на своем месте.

Радует наличие дополнительного разъема для подключения к звуковой карте (простим отсутствие и этого кабеля, чего уж там).
Инженерными изысками дело не ограничилось, заявлено (так и хочется написать — несметное количество) несколько доселе не встречавшихся возможностей. На уже ставшие (отдельные несознательные производители не в счет) стандартом де-факто Time-Shifting, Channel Preview и прочие предметы из малого дорожного набора обращать внимание не будем, перейдем к действительно заслуживающим этого функциям, таким как
- Запись в формате MPEG4 (уже не уникально, но еще актуально)
- Фирменная технология под названием TV@nywhere для работы тюнера в режиме удаленного доступа, включающая в себя изменение битрейта телевизионной программы, удаленную настройку всех режимов (каналы, профили), запись программ по расписанию в формате MPEG4
- Функция изучения иностранных языков Foreign Language Learning Machine
Почитали, прониклись, пора и посмотреть в деле.
Конфигурация тестового компьютера
- Процессор Athlon 2800XP (Barton)
- Материнская плата Gigabyte 7VAX (чипсет КТ400)
- Видеокарта ATI RADEON 9800 PRO 256MB DDR2
- Оперативная память 1 ГБ (512 МБ PC3200 от Samsung + 512 МБ PC3200 от Kingmax)
- Звуковая карта Creative Sound Blaster Live! 5.1
- Жесткий диск FUJITSU MPG3204AT E
- Операционная система Windows XP Professional (SP1) ENG
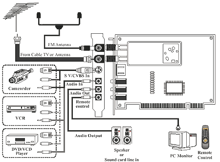
Подключение
Схема подключения стандартна.

А вот комплект разъемов несколько отличается от привычного, разъем для FM-антенны сделан в виде стандартного «тюльпана».

Настройка
В момент появления на нашем рынке отмечалось большое количество проблем с работой в нашей стране, поэтому при тестировании использовалась последние доступные на сайте производителя версии драйверов 2.79.1.65, MSI PVS и MSI Radio.
Меню предлагает раздельную установку драйверов и приложений

Установка драйвера приводит к появлению следующих устройств.

Приложение для работы с тюнером в TV-режиме MSI PVS является претерпевшим пластическую операцию WinDVR 2.0, знакомым нам, в частности, по ECS EZ-TV (TVP3XP),

о чем недвусмысленно свидетельствует иконка в трее, которой переименование почему-то не коснулось. Почему в качестве донора не использовался WinDVR 3.0 при таком-то техническом пижонстве, для меня так и осталось загадкой.
Выбрав SECAM_D и AUX (тюнер был подключен к соответствующему разъему),

переходим к установкам страны и диапазона, где обнаруживаем невозможность установить Россию в региональных настройках, которые сбрасывают при таком выборе на Казахстан.

Запущенное автосканирование привело к странным результатам.

Из моих 12 каналов 2 имеют неуверенный прием, однако находятся при поиске, пусть и в не очень хорошем качестве. MS-8606 же ведет себя странно, при переключении на такой канал картинка появляется на долю секунды (при этом качество изображения ничуть не хуже, чем у большинства побывавших у нас тюнеров), сменяясь затем синим экраном. Похоже, что слишком умная связка чип-драйвер берет на себя смелость определять качество сигнала и заменять слабый, по ее мнению, синим экраном, подобно функции «Blue Screen» у телевизоров и бытовых видеомагнитофонов. Но там, как правило, предусмотрено ее отключение, здесь же мы такой возможности лишены. Неприятно, надо сказать, видит око, да зуб неймет, в точности, по классику.
Для получения адекватного качества на 35 (МузТВ) и 50 (Спорт) каналах
мне чуть ли не впервые пришлось воспользоваться опцией Fine Tune, после чего все пришло в норму, а вот 47 канал (ТВЦ) с нормальным, в общем-то, приемом почему-то не появился совсем. Разумеется, нельзя исключать тот факт, что в других условиях тюнер может с успехом найти все каналы. Отметим также, что все перечисленные проблемы связаны, по большей части, с дециметровым диапазоном.
К экранировке претензий нет, но является ли это заслугой Silicon Tuner — сказать не возьмусь.
Заявленная поддержка MPEG4, как и в случае с FlyTV Prime 34 FM, оказалось больше маркетинговой, нежели подходящей для практического использования, доступно только разрешение 320×240.

К тому же, профили записи прописаны только для NTSC,


что, впрочем, не мешает заполнить этот пробел самостоятельно.

Качество
Качество можно назвать неплохим, похожую картинку мы наблюдали на WinFast TV 2000 Expert и WinFast TV DV2000 от Leadtek, также имеющих на борту CX23881. Разве что, цветность по умолчанию, на мой взгляд, несколько избыточна.
«Замыленность» картинки является заслугой алгоритма деинтерлейсинга от InterVideo, максимальное (оно же единственное) разрешение кадра при захвате 640×480 и единственный формат *.bmp — стандартными возможностями WinDVR 2.0.
Видимо, при переключении каналов не всегда корректно срабатывает автоматическая регулировка уровня цветности, что приводит к психоделическому эффекту «ежиков в розовом тумане».
Звук нареканий не вызывает.
Дополнительные возможности
О работе Time-Shifting, Channel Surfing, галерее захваченных кадров и планировщике мы уже писали в обзоре ECS EZ-TV (TVP3XP).
Остановимся на работе тюнера в режиме удаленного доступа.
Отсутствующая в WinDVR 2.0 кнопка TV@nywhere
вызывает меню настройки сервера, на котором непосредственно установлен тюнер, и удаленных станций.

Для нормального функционирования необходимы установленная на сервере и станциях программа MSI PVS и фиксированный IP-адрес.
Желательно также иметь пропускную способность сети от 64 Кбит/с (исходящая для сервера и входящая для станций), хотя битрейт настраивается в достаточно широких пределах.

Весьма интересная возможность. Разве что, в наших условиях применимая, в основном, в локальных сетях. К тому же, существующая только в MSI PVS, хотя передача звука от FM-приемника — дело куда менее хлопотное.
FM-тюнер
Для работы в режиме FM-тюнера используется программа MSI Radio.

Скажу сразу, настолько неоднозначной программы для работы с FM мне еще не встречалось.
Начнем с того, что привычный поиск каналов с последующим занесением их в список отсутствует в принципе. Его заменяют кнопки Scan для поиска следующей станции (эту же функцию выполняет и стилизованная Jog-рукоятка справа)

и Tune для точной подстройки.

Настроив чувствительность поиска и шаг подстройки,

привыкаешь, спасибо Philips TEA5767HN, разницы между таким стилем работы и привычным переходом по каналам в списке практически нет.
А вот то, что в память тюнера можно занести только 6 (!) станций, вызывает недоумение.


При этом, существует возможность присвоения им названия.

Настройки FM Noise Reduction и Improve Audio Quality

отвечают за функции Stereo Noise Cancelling и High Cut Control, реализованные в чипе TEA5767HN.
В зависимости от уровня сигнала, Stereo Noise Cancelling изменяет глубину разделения каналов, избавляя от резкого переключения Mono/Stereo, а High Cut Control включает фильтр, регулирующий порог высоких частот.
Как и все, относящееся к звуку, впечатление от включения/выключения этих опций субъективно, но очевидно, что многие пользователи оценят их наличие по достоинству.
На фоне скромного MSI PVS MSI Radio выглядит этаким павлином, чему в немалой степени способствует поддержка стилей оформления Modernism-Miro и Submarine (почему ни в одном из них нет часов, имеющихся в основном — загадка).

По тому же разделу проходит и поддержка визуализаций, которой очень далеко до возможностей того же Winamp, но, тем не менее, известное разнообразие она вносит.

Foreign Language Learning Machine оказалась функцией повтора фрагмента при использовании MSI Radio в качестве аудиоплеера. Этакий мини-Time-Shifting при воспроизведении.

Длительность фрагмента настраивается в разделе Advance Settings.

Ладно, похвалили, теперь будет огромная ложка дегтя.
Последняя доступная на сайте версия MSI Radio 1.00.23 отличается, мягко говоря, нестабильностью, программа перестает реагировать на внешние раздражители до перезапуска чуть ли не при любом изменении настроек. Но это еще полбеды, с кем не бывает, тем более что версия с установочного диска строптивости нрава не проявляла.

Но запись только в *.wav, да еще и в Mono (!) с частотой дискретизации 8 (!!) кГц несущественным недостатком назвать нельзя. Да еще и при полном отсутствии даже намека на планировщик. Что же вы так, господа разработчики, а :-( . Хочется надеяться на исправление, благо в этом ничего сверхъестественного нет, с другой стороны, настораживает наличие такого даже в самой последней версии.
В силу вышеизложенного, тестовый фрагмент записывался непосредственно со звуковой карты (скачать 20-секундный фрагмент, MP3, 470 КБ).
А теперь — бонус для дочитавших до этого места :-).
Применение отдельной микросхемы для радио не лишило CX23881 имеющейся возможности декодирования FM-сигнала. Так что, используя, например, утилиту AMcap (ее легко найти в Интернете), можно добиться одновременной работы двух FM-приемников, благодаря наличию в комплекте драйвера захвата звука, отдельного от драйвера захвата видео. К тому же, есть нюансы и в обработке звука. Разумеется, СХ23881 обрабатывает сигнал, поступающий на телевизионный антенный вход, так что в случае кабельного телевидения придется позаботиться о дополнительной антенне.
Настройки программы AMcap для использования СХ23881 в качестве FM-декодера.



На практике это дает возможность прослушивания радио во время показа рекламы, запись радио во время просмотра ТВ и наоборот, словом, применение найти можно.
В общем, не тюнер, а набор «Сделай сам» для энтузиастов, интересно, знают ли об этом в Micro-Star International.
Пульт ДУ
Выводы
Считаем.
Плюсы
- Silicon Tuner
- 10-битный аналогово-цифровой преобразователь
- Хорошее качество изображения и звука
- Отличная чувствительность в FM-режиме
- Поддержка Stereo-On-TV
- Отличная экранировка, отсутствие помех и наводок
- Работа в режиме удаленного доступа
- Деинтерлейсинг
- Time-Shifting
- Channel Surfing
- Функция изучения иностранных языков Foreign Language Learning Machine
- FM Noise Reduction и Improve Audio Quality
- Возможность подключения к дополнительному входу звуковой карты
- Возможность использования CX23881 для декодирования FM :-)
- Поддержка MPEG4 (пусть и в разрешении 320×240)
Минусы
- Проблемы с настройкой телевизионных каналов
- «Синий экран» при неуверенном приеме
- Проблемы с цветом при переключении каналов
- Захват кадров только в 640×480 и формате *.bmp
- Низкое разрешение при записи в MPEG4
- Отсутствие поддержки mp3
- Проблемы с записью в MSI Radio
- Работа WinProducer/Coder только с форматом VCD
- Отсутствие возможности отключения/перехода в спящий режим после окончания записи
- Отсутствие настройки стандарта цветности для каждого канала
Продукт у MSI получился достаточно интересный, благодаря передовой схемотехнике и неожиданным (вот, пожалуй, хороший термин) возможностям. Грустно, что некоторые заявленные функции существуют только ради надписи на коробке, как в данном случае произошло с поддержкой MPEG4, да и прилагаемое ПО еще нуждается в доводке.
Однако цены на тюнеры MSI, на удивление, демократичны, так что для любителей всего нового, считающих свой компьютер, в первую очередь, испытательным полигоном, MSI TV@nywhere Master MS-8606 будет, пожалуй, лучшим выбором.
Средняя текущая цена (количество предложений) MSI TV@nywhere Master MS-8606 в московской рознице: Н/Д(0)
Дмитрию Лавренову aka MIDIMaker
за помощь в подготовке этого обзора.
компанией «ULTRA Computers»














