Пословица
Компания AVerMedia Technologies Inc. более 10 лет является одним из законодателей мод на рынке ТВ-тюнеров. К сожалению, на российском рынке в последнее время интересы AVerMedia представляли модели на устаревшем 8-битном АЦП Conexant Bt878, хотя уже стали широко доступными тюнеры на базе технологически более совершенных Philips713x и Conexant CX23881 от других производителей. Поэтому появление AVerTV Model 305 и AVerTV Studio Model 305 («Studio» в названии традиционно обозначает наличие FM-тюнера) для российского рынка было шагом вполне закономерным. Данные модели разработаны специально для России на чипсетах от Philips, в другие страны поставляется серия AVerTV Model 303 с Conexant CX23881. Шаг достаточно логичный, учитывая традиционно неплохое качество первых в SECAM. Примечательно, что обновление линейки не ограничилось одной лишь сменой элементной базы. Впрочем, обо всем по порядку.
Комплект поставки
Броско оформленная коробка бьет все рекорды по количеству надписей о различных инновациях.

А вот внутри все гораздо скромнее, там обнаружились
- Тюнер
- Пульт ДУ
- Выносной ИК-датчик пульта ДУ
- Кабель для подключения к линейному входу звуковой карты
- FM-антенна
- CD с драйверами и программным обеспечением
- Руководство по установке тюнера (руководство по эксплуатации находится на установочном компакт-диске в формате pdf, обычная практика)
Дополнительными программами для обработки видео, DVD-проигрывателями и т. д. нас в этот раз не балуют. Непривычно уже как-то, право слово.
Конструкция и спецификации
Прием TV и FM-сигнала лежит на совести радиоблока Philips FM1256/IH-3.

А вот с декодером ситуация неоднозначная. Это не привычный уже нам Philips7134HL, а его младший брат Philips7130HL, отличающийся отсутствием поддержки Stereo-On-TV.

Случись этой модели появиться несколько месяцев назад, я бы признал такой подход обоснованным. Существует, конечно, кабельное телевидение со стереовещанием, но до недавнего времени в эфире центральных каналов стерео отсутствовало. Не будем винить AVerMedia, подготовка вещания ОРТ со стереозвуком велась в режиме секретности, сравнимым с разработкой атомной бомбы. Тем не менее, из песни слова не выкинешь, наслаждаться стереоэффектом при просмотре, увы, не получится. Разумеется, к FM-приемнику это не относится.
Перечислим обещанные нам еще на коробке особенности.
- Запись в формате MPEG4
- Поддержка MP3 при записи с FM-радио
- Функция Time-Shift для телевидения и FM-радио
- Выносной ИК-датчик пульта ДУ
- Воспроизведение записи как «Кадр в кадре»
- Масштабирование ТВ-изображения внутри окна
- 16-канальный предварительный просмотр
Что же, как минимум полная поддержка MPEG4 и MP3 встречается нечасто. Посмотрим, как это все работает.
Конфигурация тестового компьютера
- Процессор Athlon 2800XP (Barton)
- Материнская плата Gigabyte 7VAX (чипсет КТ400)
- Видеокарта ATI RADEON 9800 PRO 256MB DDR2
- Оперативная память 1 ГБ (512 МБ PC3200 от Samsung + 512 МБ PC3200 от Kingmax)
- Звуковая карта Creative Sound Blaster Live! 5.1
- Жесткий диск FUJITSU MPG3204AT E
- Операционная система Windows XP Professional (SP1) ENG
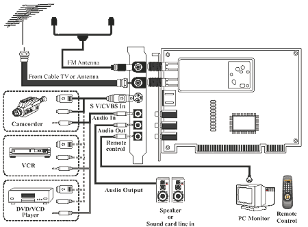
Подключение
Стандартный комплект разъемов,

стандартная схема подключения.

Настройка
После выбора в меню пункта TV Utility Software и последующей установки

получаем следующие устройства

и иконку программы Quick TV для быстрого доступа в трее.
Отметим, что раньше ПО от AVerMedia содержало отдельные программы для работы в TV- и FM-режимах, новая же версия AVerTV работает по принципу «все в одном», переключаясь между режимами «на лету».

В окне видеонастроек, появляющемся после первого запуска программы AVerTV, интерес пока может представлять разве что выбор источника сигнала, к остальным пунктам лучше вернуться позже.

Определившись с параметрами аудиовхода при записи и воспроизведении,

попадаем в меню настройки каналов.

Возможности поиска каналов удовлетворяют самым взыскательным требованиям. Кроме привычного поиска по списку каналов, доступно сканирование по всему диапазону с помощью кнопки Авто поиск с возможностью остановки на найденных каналах для их ручного занесения (кстати, ползунок можно перемещать и вручную) и даже ручной ввод частоты. Для каждого канала возможна точная ручная и автоматическая подстройка. Неплохо.
Несколько удивило, что при использовании функции Авто поиск загрузка процессора держалась в районе 100%. Кроме того, найденные таким образом каналы нумеруются в соответствии с последовательностью их обнаружения.
С чувствительностью все в порядке, все присутствующие каналы нашлись.
Найденные каналы можно объединять в группы.

Вкладка Time-Shift отвечает за настройки качества записи в этом режиме. Удобно сделана примерная привязка настроек к частоте процессора, при этом сама частота также отображается. Мелочно придеремся к показу реальной частоты, а не модных в последнее время процессорных рейтингов :-) .

Параметры записи, доступные в разделе Запись, подтверждают обещанную возможность работы с MPEG4 и любыми сторонними кодеками. Привычные профили для записи в форматах MPEG1 и MPEG2 тоже на своих местах.

Похвально.
Мало того, в AVerMedia пошли еще дальше. Впервые на моей памяти стандартное ПО позволяет записывать звук в MP3 с качеством вплоть до 48 КГц, 320 Кбит/с. Аплодисменты. Такое редко встречается даже в альтернативных программах.

В разделе Хранение записей можно настроить параметры разбивки файла, как по длительности, так и по объему, в том числе, и для записи на CD.

На закладке Снимок можно автоматизировать процедуру захвата кадров, настроив временной интервал.

Ну и на десерт — смена стиля, выражающаяся, правда, только в смене цветового оформления.

Кстати, изображения элементов меню находятся в папке с программой в подкаталоге UI в формате BMP, что наверняка понравится любителям народного творчества.
Вернемся к видеонастройкам. Раздел Фильтрация предоставляет богатый выбор фильтров деинтерлейсинга для борьбы с печально известным эффектом «расчески».

К сожалению, при уменьшении масштаба картинки эффект не так заметен, в связи с чем полноразмерные скриншоты, демонстрирующие работу фильтров, доступны по соответствующим ссылкам.
Еще одной весьма удобной особенностью является функция Масштабирование, позволяющая увеличивать картинку на соответствующее количество пикселей до исчезновения характерных для компьютерных тюнеров бордюров.В общем, новая версия AVerTV оставила у меня самое приятное впечатление. Пожалуй, на данный момент, эту программу можно признать лучшей среди тех, которыми комплектуются тюнеры.
Если не считать, конечно, не совсем корректного отображения шрифтов, отчего некоторые надписи не умещаются на отведенных им местах, проявляющегося в английской версии Windows XP. Пользователи русских ОС с этой проблемой не столкнутся, там все отображается корректно.

Второй замеченной неприятностью стала невозможность переключить источники видеосигнала при наличии в системе второго тюнера.

То есть, S-Video и композитный вход выбираются, но программа упорно продолжает показывать ТВ-изображение. Помогает банальное отключение второго тюнера в устройствах.
Впрочем, все это проходит скорее по категории досадных недоразумений.
Качество
Качество на высоте. Отдельно хочется отметить замечательную экранировку, даже намека на наводки замечено не было. Скриншоты сделаны при использовании фильтра Blend2.
К качеству звука тоже никаких претензий нет, если не считать уже упомянутого отсутствия поддержки стерео в ТВ-режиме.
Дополнительные возможности
Time-Shift, как и обещано, работает как в ТВ-, так и в FM-режиме.

При захвате кадров реализована галерея, причем сохранение кадров возможно в форматах BMP, JPG, TIF, PCX и с разрешениями вплоть до 1600×1200. Забавный момент — одновременно с помещением в галерею, файлы, все равно, сохраняются на диск в формате BMP.

Channel Surf, простите, Предварительный просмотр 16 каналов (однако, адаптация не всегда полезна, выговаривать такое трудновато :-) ) тоже функционирует, правда, переключаясь при этом в режим полного экрана. Не скажу, что это всегда удобно.


Воспроизведение записи как «Кадр в кадре» аналогично режиму Picture-In-Picture у тюнеров от Leadtek, разве что названа функция у AVerMedia, надо сказать, честнее.

Нехарактерной возможностью для программ такого рода (скажем, в DVD-проигрывателях это встречается достаточно часто) является и размещение видеоизображения на поверхности рабочего стола.
Планировщик записи

по-спартански лаконичен.

Отсутствует даже возможность отключения компьютера после завершения процесса записи. Разумеется, это не мешает ему справляться со своей задачей, но в данном случае имеем явное отставание от конкурентов, тем более заметное на фоне остального.
FM-тюнер

В FM-режим и обратно AVerTV переключается нажатием кнопки на панели.

Сюрприз — в память уже занесена группа каналов «Россия», включающая FM-станции Москвы и Московской области. Мне, как жителю другого региона, это не пригодилось, но сам факт такой заботы нельзя оставить без внимания. Перед сканированием можно выбрать шаг настройки в 10, 50 и 100 КГц. Несколько непривычна и работа как в FM, так и в УКВ, то есть, общий диапазон составляет 62-108 МГц. Ручной ввод частоты присутствует и здесь.

Порадовала избирательность тюнера, «мусора» нашлось на удивление мало. Качество звука неплохое (скачать 20-секундный фрагмент, MP3, 328 КБ).
О поддержке Time-Shift и работе планировщика мы уже говорили.
Пульт ДУ
Функционально пульт достаточно удобен, несмотря на несколько консервативный дизайн. Питание от двух батареек ААА, входящих в комплект. Стандартный набор кнопок, за исключением кнопки Freeze, в полном соответствии со своим названием «замораживающей» картинку. Интересная возможность, почему-то не описанная ни на коробке, ни в руководстве. К сожалению, DVD-проигрывателя, как мы помним, в комплекте нет, поэтому управление таковым отсутствует.
Выводы
Традиционный подсчет достоинств и недостатков.
Плюсы
- Хорошее качество изображения и звука
- Отличная чувствительность как в TV-, так и в FM-режиме
- Отличная экранировка, отсутствие помех и наводок
- Фильтры деинтерлейсинга
- Масштабирование ТВ-изображения
- Time-Shift как для телевидения, так и для FM-радио
- Воспроизведение записи как «Кадр в кадре»
- 16-канальный предварительный просмотр
- Воспроизведение видеоизображения на поверхности рабочего стола
- Расширенный диапазон УКВ+FM
- Поддержка MPEG4
- Полная поддержка MP3 при записи с FM-радио
- Функция Freeze
- Удобное ПО с поддержкой русского языка
Минусы
- Отсутствие поддержки Stereo-On-TV
- Отсутствие в комплекте дополнительного ПО
- Невозможность подключения к дополнительному входу звуковой карты
- Отсутствие возможности отключения/перехода в спящий режим после окончания записи
- Проблемы с переключением видеовхода при наличии второго тюнера
- Проблемы с отображением шрифтов интерфейса в английской версии Windows XP.
По совокупности параметров, на данный момент, AVerTV Studio Model 305 — одна из лучших моделей на российском рынке, отличающаяся хорошим качеством исполнения и множеством уникальных возможностей в части программного обеспечения.
Однако, выпустив карты на базе Philips7130, в AVerMedia, что называется, поставили не на ту лошадь. Конечно, один канал, даже такой как ОРТ — это всего лишь один канал, однако, ТВ-тюнеры, как правило, покупаются на долгое время, и нет никакой гарантии, что через год-два примеру ОРТ не последуют остальные.
Тем не менее, найдется большое количество пользователей, для которых качество изображения, удобство работы и поддержка русского языка окажутся важнее стереозвука при просмотре новостей в фоновом режиме. Но для них не в последнюю очередь будет важна цена, а она пока представляется мне несколько завышенной.
Средняя текущая цена (количество предложений) AVerTV Studio Model 305 в московской рознице: Н/Д(0)
за предоставленный на тестирование тюнер











