Продолжаем знакомиться с игровыми ноутбуками Thunderobot китайского производителя Haier, теперь на примере модели Thunderobot Range 17 Pro. Она относится к среднебюджетной ценовой категории, но при этом оснащена 32 гигабайтами ОЗУ, терабайтным SSD и 17-дюймовым экраном.
Конфигурация и комплектация
Тестируется следующая конфигурация:
| Thunderobot Range 17 Pro | ||
|---|---|---|
| Процессор | Intel Core i7-13620H (6+4 ядер/16 потоков, 2,4—4,9/1,8—3,6 ГГц, 35—45/115 Вт) | |
| Оперативная память | 32 (2×16) ГБ DDR5-5600 (2 × Crucial CT16G56C46S5.M8D1) оба слота SO-DIMM заняты | |
| Видеоподсистема | дискретная Nvidia GeForce RTX 4060 Laptop (8 ГБ GDDR6, заявлено до 115 Вт), интегрированная Intel UHD Graphics (64EU) | |
| Экран | 17,3 дюйма, 2560×1440, IPS (BOE NE173QHM-NY2), 165 Гц | |
| Звуковая подсистема | Realtek, 2 динамика | |
| Накопитель | SSD 1 ТБ SSSTC CL4-8D1024, M.2 2280, NVMe, PCIe 4.0 x4 есть свободный слот под второй SSD М.2 2280 | |
| Картовод | нет | |
| Сетевые интерфейсы | Проводная сеть | 1 Гбит/с (Realtek PCIe GbE) |
| Беспроводная сеть Wi-Fi | Wi-Fi 6 (Intel AX201NGW, IEEE 802.11a/b/g/n/ac/ax, 2,4 и 5,0 ГГц, MIMO 2×2, ширина канала 160 МГц) | |
| Bluetooth | Bluetooth 5.2 | |
| Интерфейсы и порты | USB | 1 × USB 3.2 Gen2 Type-C (c поддержкой вывода видеосигнала) 1 × USB 3.2 Gen2 Type-A 1 × USB 3.2 Gen1 Type-A 1 × USB 2.0 Type-A |
| RJ-45 | есть | |
| Видеовыходы | 1 × HDMI 2.1 1 × Mini-DisplayPort 1.4 1 × DisplayPort через USB Type-C | |
| Аудиоразъемы | миниджек | |
| Устройства ввода | Клавиатура | с цифровым блоком и подсветкой |
| Тачпад | кликпад | |
| IP-телефония | Веб-камера | 720p@30fps |
| Микрофон | есть (два) | |
| Сканер отпечатков пальцев | нет | |
| Батарея | 53,35 Вт·ч, литий-полимерная | |
| Габариты | 396×276×29,5 мм (с учетом ножек: до 32 мм) | |
| Масса без блока питания | 2,7 кг | |
| Адаптер питания | 180 Вт (20 В, 9 А), вес 0,62 кг (с кабелями) | |
| Операционная система | Windows 11 Pro 23H2 | |
| Описание на сайте производителя | thunderobot.ru | |
| Ориентировочная стоимость | 160 тысяч рублей | |
| Розничные предложения | ||
Изделие упаковано в две картонные коробки (одна в другой для лучшей сохранности), ручка для переноски есть лишь на внутренней.


В комплекте, кроме самого ноутбука, идет блок питания со сменным входным кабелем и распаянным выходным (1,8 м, есть фиксатор-«липучка»), винт для крепления дополнительного накопителя и две термопрокладки (мелочь, а приятно), наклейка-логотип, а также печатные материалы, в том числе на русском языке.
Внешний вид и эргономика
Оформление корпуса вполне строгое, декоративных элементов минимум — небольшой логотип на верхней крышке и едва заметный геометрический узор по краям. Цвет на официальном сайте обозначен как серый, на деле он скорее черный.
Наружная панель крышки с экраном металлическая, остальные части корпуса пластиковые, у всех трех фактура матовая с намеком на легкую шероховатость — скольжение она в некоторой степени предотвращает, но отпечатки рук не скрывает.
Конструкция получилась не особенно жесткой: верхняя панель корпуса даже при умеренно сильном нажатии немного прогибается, да и прочность на скручивание крышки с ЖК-экраном маловата, что для диагонали в 17 дюймов скорее правило, чем исключение.
Наши измерения показали совпадение с обозначенными в официальных источниках длиной и шириной, но с толщиной, как обычно, есть разночтения: заявленные 26,8 мм мы найти так и не смогли, даже у самого скоса передней кромки получилось 27,4 мм, а с расположенными там же ножками — 28,3 мм. В самом толстом месте, ближе к заднему торцу, штангенциркуль показывает 29,5 мм, задние ножки добавляют до 32 мм. Но для игровых ноутбуков это не так уж много.
Черная пластиковая рамка вокруг экрана не слишком широкая: по бокам 6 мм, вверху 11 мм (там расположена веб-камера с индикатором, но без шторки, и микрофоны), внизу 23,5 мм до петли.
На днище, кроме четырех ножек (сзади побольше, спереди совсем маленькие), ближе к задней кромке имеются решетчатые области, через которые происходит забор воздуха для охлаждения компонентов, поэтому ставить ноутбук на мягкую поверхность не следует.
Справа и слева на заднем торце корпуса, а также на боковых кромках имеются решетки, через которые система вентиляции выбрасывает нагретый воздух. Подогрева нижней части экрана при этом не происходит, поскольку он выдвинут чуть вперед относительно заднего края корпуса.
Крышка с экраном открывается на угол до 125-130 градусов и точно фиксируется в любом положении, начиная примерно с 35 градусов (в закрытом состоянии немного хуже: удерживающих магнитов не предусмотрено).
Усилие петель комфортное, открыть крышку можно одной рукой — придерживать нижнюю часть не придется. Подцеплять пальцем можно в любом месте, специальных выступов или вырезов для этого не предусмотрено.
Интерфейсные разъемы размещены с трех сторон.
На левом боку разместились порты USB 3.2 Gen1 Type-A, USB 2.0 и «миниджек» для аудиогарнитуры.
Справа — порты USB 3.2 Gen2 Type-A и USB 3.2 Gen2 Type-С (с поддержкой вывода видеосигнала).
На заднем торце имеются разъем RJ-45, гнездо питания, порты HDMI и Mini-DP, а также отверстие кенсингтонского замка.
И набор портов, и их расположение вполне разумны: в частности, сзади находятся те, к которым кабели обычно подключают постоянно или долговременно. Но в отношении USB выскажем мнение: если трех портов Type-A вполне достаточно, то одного Type-C всё же маловато, поэтому хотелось бы видеть и еще один (причем не за счет сокращения количества Type-A), и очень желательна поддержка Thunderbolt — ее отсутствие простительно недорогим ноутбукам, к которым данная модель не относится.
Ни картовода, ни сканера отпечатка пальца нет.
Клавиатура мембранного типа с островным расположением кнопок и полноценным цифровым блоком. Отступы по краям большие, по 34 мм, при этом большинство клавиш имеют немного уменьшенный по сравнению с обычным для ноутбуков размер 15×15 мм, функциональные поменьше (13,4×9,9 мм), левый Shift широкий — 35,4 мм, правый заметно меньше — 23,9 мм, а Enter имеет ширину 33 мм. Все четыре клавиши со стрелками имеют нормальный размер, а ширина кнопок цифрового блока уменьшена до 12,7 мм.
Печатать вполне комфортно, звуки при этом тихие, разве что усилие нажатия чуть великовато, но к этому быстро привыкаешь. Полный ход клавиш около 1,5-1,6 мм, расстояние между краями кнопок в одном ряду 3,3 мм, между рядами по 3,6 мм.


Предусмотрена отключаемая RGB-подсветка, расширенное управление которой осуществляется из утилиты Control Center, а оперативное — сочетаниями клавиш. Подсвечиваются и символы, включая кириллицу, и края клавиш; сами символы крупные, контрастные (белые на черном) и хорошо читаемые.
Есть и еще один подсвечиваемый элемент: тонкая полоса почти по всей ширине верхней части заднего торца, спереди она не видна. Отдельного управления для нее нет, цвет и яркость будут теми же, что и для клавиатуры.
Кнопка Power располагается справа за клавиатурой, ближе к экрану, и оснащена встроенным индикатором белого цвета. Установлена она заподлицо с поверхностью, и это практически исключает случайные нажатия, разве что разглядеть ее в полутемном помещении при выключенном ноутбуке трудновато.
Еще три индикатора находятся на передней кромке корпуса. Левый горит желтым при подключении блока питания, становится зеленым после включения ноутбука кнопкой и мигает в режиме сна, средний отображает состояние батареи (об этом ниже), правый показывает дисковую активность.
Как упоминалось выше, веб-камера расположена над экраном. Разрешение у нее на уровне бюджетных ноутбуков — 720p@30 fps. Шторки нет, предусмотрено лишь сочетание клавиш для быстрого отключения.


Тачпад очень большой: 151×91 мм, его поверхность чуть заглублена. Выделенных клавиш нет, но левый и правый ближние его края вполне могут работать как соответствующие кнопки мыши. Сам по себе он вполне удобный, разве что изрядно смещен влево, и при печати левая рука может касаться его поверхности, вызывая непредсказуемые перемещения указателя; на этот случай предусмотрено сочетание клавиш для быстрого отключения тачпада.
Теперь немного об особенностях конструктива.
Чтобы снять нижнюю крышку, надо удалить 13 винтов, один из которых заклеен стикером. Ранее в компании нас заверяли, что при необходимости (например, чтобы добавить второй SSD) ее можно снять без негативных последствий в плане гарантии.
Больше всего места внутри ноутбука занимает системная плата с кулерами, немалая часть отведена под батарею, по бокам которой находятся динамики.
На плате хорошо заметны и легко доступны слоты под модули SO-DIMM (оба заняты), накопитель в слоте М.2 (на предыдущем фото он слева) и свободный слот для второго подобного SSD (справа).




В еще один слот М.2 установлен модуль беспроводной связи.
Есть и еще две платки, на одной распаяны разъемы USB-А и звуковой, а также обслуживающие их компоненты, на другой — светодиоды индикаторов. С основной платой они соединяются шлейфами.
Программное обеспечение
Весь доступный объем штатного накопителя отведен под системный раздел.
На нашем ноутбуке, кроме операционной системы, были установлены набор офисных программ «МойОфис Стандартный. Домашняя версия», а также утилита Control Center.
Эта утилита позволяет отслеживать некоторые параметры, включая скорости вращения вентиляторов, задавать режимы работы (в том числе выбирать профили, связанные с производительностью-потреблением-шумом) и управлять подсветкой клавиатуры. Нам утилита досталась в версии 6.064, для ее интерфейса можно выбрать русский язык, сама она включена в автозагрузку.
В левом верхнем углу окна Control Center меню с четырьмя кнопками, первая «System» отображает текущие состояния компонентов ноутбука и содержит некоторые настройки. Прежде всего, это четыре профиля (режима) работы: «Производительность», «Развлечения», «Энергосбережение» и «Тихо»; назначение каждого комментирует надпись, появляющаяся при наведении указателя.




Для производительного режима предусмотрена возможность разгона видеокарты — и ядра GPU (на 100 или 200 МГц), и видеопамяти (на 100, 200 или 300 МГц).
При выборе энергосберегающего профиля происходит переключение на принудительное использование интегрированного видеоадаптера, появляется такое предупреждение:

Формулировка неудачная: упомянутые приложения, в число которых входят игры, не отключаются и работать будут (за редким исключением: при запуске некоторых игр появится предупреждение о несоответствии минимальным требованиям), но с использованием Intel UHD Graphics, то есть существенно медленнее, чем с Nvidia. После нажатия «ОК» перезагрузка не потребуется.
Во всех остальных профилях осуществляется автовыбор дискретной или интегрированной видеокарты в соответствии с потребностями приложения.
В этом же окне можно управлять работой вентиляторов. По умолчанию это делается автоматически, но есть возможность и ручной регулировки, причем раздельно для кулеров CPU и GPU.


В автоматическом режиме клик по слову «Максимум» заставит оба вентилятора постоянно работать на максимальной скорости — около 5700 оборотов в минуту. Отменить это можно кликом по «Автоматич.».

Для автоматического режима есть выбор шага — от 0 до 100 процентов, но суть данной настройки не поясняется. На практике это похоже на задание минимальной скорости, с которой вентиляторы будут начинать вращение при нагреве CPU/GPU до пороговой температуры, требующей активного охлаждения.
В нижней части окна есть «Предпочтения» — ряд кнопок, позволяющих, например, отключить тачпад или камеру, включить Caps Lock или заблокировать клавишу Fn. А «Конфигурация» (внизу справа) позволит задействовать и отрегулировать фильтр синего цвета (использование более теплых цветов для снижения нагрузки на глаза в ночное время), изменить яркость экрана и громкость звуковоспроизведения.
Понятно, что многое из перечисленного можно сделать с клавиатуры или штатными средствами Windows, но тут всё собрано в одном месте.
Вторая кнопка в левом верхнем меню «LED keyboard» управляет подсветкой клавиатуры и декоративной полосы на заднем торце корпуса. Самое заметное — задание цвета (для всех клавиш и всей полосы разом, какие-либо эффекты не предусмотрены).


Справа внизу задаются четыре ступени яркости, можно и вовсе выключить подсветку, установив движок в «Off». Чуть выше находится управление таймером автоотключения подсветки после определенного интервала бездействия, задаваемого в часах-минутах-секундах вплоть до 1:59:59, с последующим включением после нажатия любой кнопки. Таймер можно и отключить, тогда подсветка будет постоянной.
Автоотключение имеется практически во всех ноутбуках с подсветкой клавиатуры, но воздействовать на него (хотя бы выключать, не говоря уже о задании интервала в широких пределах) можно далеко не всегда, и это порой сильно раздражает, особенно когда интервал совсем небольшой. В данной модели выбор оставлен владельцу, и это радует.
Третья кнопка «Flexikey» позволит создавать макросы для клавиатуры и мыши, что бывает полезно в играх.


Наконец, четвертая кнопка в левом верхнем меню «FlexiCharger» открывает выбор вариантов зарядки батареи — максимальную (до 100%), рекомендуемую (заряд начнется лишь если остаток энергии меньше 70% и прекратится по достижении 80%), а также с задаваемыми вручную порогами (нижний от 40 до 95 процентов, верхний от 60 до 100 процентов):
Считается, что неполный заряд помогает продлить срок нормальной службы батареи — об эффективности такой меры есть разные мнения, бесспорным является другое: если заряжать не до 100%, то время автономной работы уменьшится, поэтому для наших тестов автономности мы делали полный заряд.
Экран
В ноутбуке используется 17,3-дюймовая IPS-матрица с разрешением 2560×1440 пикселей (QHD) (отчет edid-decode).
Внешняя поверхность матрицы черная жесткая и полуматовая (зеркальность выражена). Какие-либо специальные антибликовые покрытия или фильтр отсутствуют, нет и воздушного промежутка. При питании от сети или от батареи и при ручном управлении яркостью (автоматической подстройки по датчику освещенности нет, хотя датчик, вроде бы, и есть) ее максимальное значение составило 386 кд/м² (в центре экрана на белом фоне). Максимальная яркость довольно высокая, поэтому за ноутбуком как-то можно будет работать/играть на улице ясным днем, если расположиться в тени.
Для оценки читаемости экрана вне помещения мы используем следующие критерии, полученные при тестировании экранов в реальных условиях:
| Максимальная яркость, кд/м² | Условия | Оценка читаемости |
|---|---|---|
| Матовые, полуматовые и глянцевые экраны без антибликового покрытия | ||
| 150 | Прямой солнечный свет (более 20000 лк) | нечитаем |
| Легкая тень (примерно 10000 лк) | едва читаем | |
| Легкая тень и неплотная облачность (не более 7500 лк) | работать некомфортно | |
| 300 | Прямой солнечный свет (более 20000 лк) | едва читаем |
| Легкая тень (примерно 10000 лк) | работать некомфортно | |
| Легкая тень и неплотная облачность (не более 7500 лк) | работать комфортно | |
| 450 | Прямой солнечный свет (более 20000 лк) | работать некомфортно |
| Легкая тень (примерно 10000 лк) | работать комфортно | |
| Легкая тень и неплотная облачность (не более 7500 лк) | работать комфортно | |
Эти критерии весьма условны и, возможно, будут пересмотрены по мере накопления данных. Отметим, что некоторое улучшение читаемости может быть в том случае, если матрица обладает какими-то трансрефлективными свойствами (часть света отражается от подложки, и картинку на свету видно даже с выключенной подсветкой). Также глянцевые матрицы даже на прямом солнечном свету иногда можно повернуть так, чтобы в них отражалось что-то достаточно темное и равномерное (в ясный день это, например, небо), что улучшит читаемость, тогда как матовые матрицы для улучшения читаемости нужно именно загородить от света. В помещениях с ярким искусственным светом (порядка 500 лк), более-менее комфортно работать можно даже при максимальной яркости экрана в 50 кд/м² и ниже, то есть в этих условиях максимальная яркость не является важной величиной.
Вернемся к экрану тестируемого ноутбука. Если настройка яркости равна 0%, то яркость снижается до 23 кд/м². В полной темноте яркость его экрана получится понизить до комфортного уровня.
На любом уровне яркости значимая модуляция подсветки отсутствует, поэтому нет и никакого мерцания экрана (нет ШИМ). В доказательство приведем графики зависимости яркости (вертикальная ось) от времени (горизонтальная ось) при различных значениях настройки яркости:

В этом ноутбуке используется матрица типа IPS. Микрофотографии демонстрируют типичную для IPS структуру субпикселей (черные точки — это пыль на матрице фотоаппарата):
Фокусировка на поверхности экрана выявила хаотично расположенные микродефекты поверхности, отвечающие за матовые свойства:
Зерно этих дефектов в несколько раз меньше размеров субпикселей (масштаб этих двух фотографий примерно одинаковый), поэтому фокусировка на микродефектах и «перескок» фокуса по субпикселям при изменении угла зрения выражены слабо, из-за этого нет и «кристаллического» эффекта.
Мы провели измерения яркости в 25 точках экрана, расположенных с шагом 1/6 от ширины и высоты экрана (границы экрана не включены). Контрастность вычислялась как отношение яркости полей в измеряемых точках:
| Параметр | Среднее | Отклонение от среднего | |
|---|---|---|---|
| мин., % | макс., % | ||
| Яркость черного поля | 0,43 кд/м² | −20 | 24 |
| Яркость белого поля | 374 кд/м² | −6,3 | 6,5 |
| Контрастность | 870:1 | −21 | 18 |
Если отступить от краев, то равномерность белого поля очень хорошая, а черного поля и как следствие контрастности хуже. Контрастность по современным меркам для данного типа матриц немного ниже типичной. Визуально видно, что черное поле местами в основном ближе к краю высветляется. Впрочем, неравномерность засветки черного видно только на очень темных сценах и в почти полной темноте, значимым недостатком ее считать не стоит. Отметим, что жесткость крышки невелика, она слегка деформируется при малейшем приложенном усилии, а от деформации сильно меняется характер засветки черного поля.
Экран имеет хорошие углы обзора без значительного сдвига цветов даже при больших отклонениях взгляда от перпендикуляра к экрану и без инвертирования оттенков. Однако, черное поле при отклонении по диагонали сильно высветляется и приобретает красно-фиолетовый оттенок.
Время отклика при переходе черный-белый-черный равно 11 мс (6 мс вкл. + 5 мс выкл.), переход между полутонами серого в сумме (от оттенка к оттенку и обратно) в среднем занимает 13 мс. Матрица быстрая, но разгона в явном виде нет.
Посмотрим, хватит ли такой скорости матрицы для вывода изображения с частотой 165 Гц. Приведем зависимость яркости от времени при чередовании белого и черного кадра при 165 Гц кадровой частоты:

Видно, что при 165 Гц максимальная яркость белого кадра выше 90% от уровня белого, а минимальная яркость черного кадра ниже 10% от уровня черного. Итоговая амплитуда больше 80% от яркости белого. То есть согласно этому формальному критерию скорости матрицы достаточно для полноценного вывода изображения с кадровой частотой 165 Гц.
Для наглядного представления о том, что на практике означает такая скорость матрицы, приведем снимок, полученный с помощью движущейся камеры. Такие снимки показывают, что видит человек, если он следит глазами за двигающимся на экране объектом. Описание теста приведено тут, страница с самим тестом тут. Использовались рекомендованные установки — скорость движения 990 пиксель/с для 165 Гц кадровой частоты, выдержка 1/15 с:
Четкость изображения довольно высокая, артефактов нет.
Попробуем представить, что было бы в случае матрицы с мгновенным переключением пикселей. Для нее при 60 Гц объект со скоростью движения 960 пиксель/с размывается на 16 пикселей, при 165 Гц (990 пиксель/с) — на 6 пикселей. Размывается, так как фокус зрения движется с указанной скоростью, а объект неподвижно выводится на 1/60 или на 1/165 секунды. Для иллюстрации этого сымитируем размытие на 16 и 6 пикселей:
Видно, что четкость реального изображения лишь немного ниже в сравнении с идеальной матрицей.
Мы определяли полную задержку вывода от переключения страниц видеобуфера до начала вывода изображения на экран (напомним, что она зависит от особенностей работы ОС Windows и видеокарты, а не только от дисплея). При 165 Гц частоты обновления задержка равна 4 мс. Это очень небольшая задержка, она абсолютно не ощущается при работе за ПК, да и в очень динамичных играх не приведет с снижению результативности.
В настройках экрана на выбор доступны две частоты обновления — 40 и 165 Гц. Судя по данным на контрольной панели с настройками видеоадаптера, экран поддерживает Adaptive Sync в диапазоне от 40 до 165 Гц. Вывод идет с глубиной цвета 8 бит на цвет.
Далее мы измерили яркость 256 оттенков серого (от 0, 0, 0 до 255, 255, 255). График ниже показывает прирост (не абсолютное значение!) яркости между соседними полутонами:

Рост прироста яркости на шкале серого в основном равномерный, и каждый следующий оттенок ярче предыдущего. В самой темной области аппаратно и визуально различаются все оттенки, что для игрового ноутбука очень хорошо:

Аппроксимация полученной гамма-кривой дала показатель 2,18, что близко к стандартному значению 2,2. При этом реальная гамма-кривая мало отклоняется от аппроксимирующей степенной функции:

Цветовой охват близок к sRGB:

Поэтому визуально цвета изображений, ориентированных на вывод в пространстве sRGB, на этом экране имеют естественную насыщенность. Ниже приведен спектр для белого поля (белая линия), наложенный на спектры красного, зеленого и синего полей (линии соответствующих цветов):

По всей видимости, в этом экране используются светодиоды с синим излучателем и зеленым и красным люминофором (обычно — синий излучатель и желтый люминофор), что в принципе позволяет получить хорошее разделение компонент. Да, и в красном люминофоре, видимо, используются так называемые квантовые точки. Однако специально подобранными светофильтрами выполняется перекрестное подмешивание компонент, что сужает охват до sRGB.
Баланс оттенков на шкале серого хороший, так как цветовая температура не сильно выше стандартных 6500 К, и отклонение от спектра абсолютно черного тела (ΔE) ниже 10, что для потребительского устройства считается приемлемым показателем. При этом цветовая температура и ΔE мало изменяются от оттенка к оттенку — это положительно сказывается на визуальной оценке цветового баланса. (Самые темные области шкалы серого можно не учитывать, так как там баланс цветов не имеет большого значения, да и погрешность измерений цветовых характеристик на низкой яркости большая.)


Подведем итоги. Экран этого ноутбука имеет довольно высокую максимальную яркость (386 кд/м²), чтобы устройством можно было пользоваться светлым днем вне помещения, загородившись от прямого солнечного света. В полной темноте яркость можно понизить до комфортного уровня (вплоть до 23 кд/м²). К достоинствам экрана можно причислить высокую частоту обновления (165 Гц), быструю матрицу, низкое значение задержки вывода (4 мс), цветовой охват sRGB и хороший цветовой баланс. К недостаткам — низкую стабильность черного к отклонению взгляда от перпендикуляра к плоскости экрана. В целом качество экрана высокое, и с точки зрения свойств экрана ноутбук обоснованно можно отнести к игровым.
Звук
Аудиосистема ноутбука основана на кодеке Realtek. Два динамика обеспечивают посредственное даже по меркам ноутбуков воспроизведение, они выведены справа и слева на днище — предполагается использовать отражение звука от установочной поверхности. Существенно улучшить ситуацию помогут наушники.


Громкость субъективно средняя, но достаточная для индивидуального пользования.
Работа от батареи
Заявленная емкость батареи составляет 53,35 Вт·ч, на ней самой обозначено то же самое, утилиты отображают близкое значение.


Оценим автономность с использованием скрипта iXBT Battery Benchmark v1.0, который подразумевают установку яркости экрана на уровне 100 кд/м² (в данном случае это соответствует примерно 25% шкалы регулировки в соответствующей оснастке Windows), чтобы ноутбуки с относительно тусклыми экранами не получали преимущества. Опробуем два профиля — энергосберегающий и производительный.
| Сценарий нагрузки | Время работы разряд от 100% до 1% |
|---|---|
| Профиль «Энергосбережение», подсветка клавиатуры выключена | |
| Работа с текстом | 5 ч. 01 мин. |
| Просмотр видео | 3 ч. 36 мин. |
| Профиль «Энергосбережение», подсветка клавиатуры включена | |
| Работа с текстом | 3 ч. 38 мин. |
| Просмотр видео | 2 ч. 37 мин. |
| Профиль «Производительность», подсветка клавиатуры выключена | |
| Работа с текстом | 2 ч. 46 мин. |
| Просмотр видео | 3 ч. 11 мин. |
Включение на максимум подсветки клавиатуры очень сильно влияет на автономность, но можно выбрать яркость подсветки поменьше и/или задать ее автоотключение после некоторого интервала бездействия.
С производительным профилем время работы в офисных приложениях получилось заметно меньше, чем при видеопросмотре, хотя обычно бывает наоборот. Вероятно, автовыбор оптимального видеоадаптера не сработал. В результате по сравнению с энергосберегающим профилем автономность при просмотре видео снизилась незначительно — на 11-12 процентов, а при работе с текстом почти вдвое.
У игровых ноутбуков время работы от батареи редко бывает существенным, но если сравнивать с другими аппаратами того же класса, то даже лучший результат Thunderobot Range 17 Pro оказывается ниже среднего в сравнении с ноутбуками, у которых емкость батареи такая же:
| Модель | Thunderobot Range 17 Pro (53,35 Вт·ч) | Thunderobot 911 MT Pro D (53,4 Вт·ч) | Thunderobot 911 Plus G2 Max (53,4 Вт·ч) | Thunderobot 911 M G3 Pro (54 Вт·ч) | OSiO CyberLine C160i (54 Вт·ч) |
|---|---|---|---|---|---|
| Работа с текстом | 301 | 264 | 326 | 372 | 383 |
| Просмотр видео | 216 | 213 | 255 | 277 | 233 |
Теперь опробуем заряд от штатного блока питания после автоотключения по уровню в 1%, в таблице приводим показания соответствующей оснастки Windows (на ноутбуке была загружена ОС):
| Уровень заряда | 20% | 30% | 40% | 50% | 60% | 70% | 80% | 90% | 95% | 99% | 100% | ||||
|---|---|---|---|---|---|---|---|---|---|---|---|---|---|---|---|
| Время, ч:мм | 0:15 | 0:23 | 0:30 | 0:37 | 0:45 | 0:54 | 1:05 | 1:23 | 1:41 | 2:16 | 2:32 | ||||
Средний индикатор на переднем торце корпуса в процессе заряда светится желтым, по окончании — зеленым.
Согласно этим показаниям, поначалу процесс идет с нормальной скоростью: 80% были получены чуть больше чем за час, еще через неполные сорок минут показатель достиг 95%. Как обычно бывает, для последних пяти процентов потребовалось немалое время — почти 50 минут, треть из которых пришлась на последний процент, поэтому полный заряд длится два с половиной часа (это среднее время по двум замерам). Для батареи такой емкости это многовато, хотя и не критически много, но можно сделать вывод: при заряде ждать больше двух часов не имеет особого смысла, хотя нам при тестировании автономности делать это приходилось (на всякий случай даже немного сверх того: показатель в 100% и «позеленение» индикатора не всегда соответствуют реальному окончанию заряда).


Питание через разъем Type-C от адаптера, поддерживающего технологию Power Delivery, не предусмотрено.
Встроенная BMS (Battery Management System) позволяет производить дозаряд при любом остатке энергии, а не только менее 90 процентов, как порой бывает.
Работа под нагрузкой и нагрев
Система охлаждения вполне типичная для подобных ноутбуков, она содержит два больших радиатора с вентиляторами, разнесенных на максимальное расстояние к углам корпуса, с теплосъемниками на CPU и GPU они соединяются тепловыми трубками, причем каждый с каждым.
Как уже говорилось, воздух всасывается через прорези в днище и выбрасывается назад и по бокам (сзади).
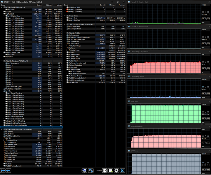
Чтобы оценить, как меняются параметры работы компонентов системы (температуры, частоты и пр.) при разных сценариях нагрузок, приведем табличку (через дробь даны максимальное/установившееся значения, красным отмечен перегрев CPU, если показания нестабильные — указаны диапазоны).
| Сценарий нагрузки | Частоты CPU, ГГц | Температура CPU, °C | Потребление CPU, Вт | Частота GPU, ГГц | Температура GPU, °C | Потребление GPU, Вт | Вентиляторы CPU/GPU, тыс. об/мин |
|---|---|---|---|---|---|---|---|
| Бездействие | 37-39 | 5-6 | 2,2 / 0 | ||||
| Профиль «Производительность» | |||||||
| Максимальная нагрузка на процессор | P: 4,4/3,4 E: 4,1/3,2 | 98-100 | 109/90 | 5,7 / 5,7 | |||
| Максимальная нагрузка на видеокарту | 2,42/2,25-2,35 | до 66 | 110 | 4,7 / 4,9 | |||
| Максимальная нагрузка на процессор и видеокарту | P: 4,3/2,0 E: 3,2/1,6 | 91/64-65 | 106/25 | 1,9/2,2-2,3 | до 68 | 75/110 | 4,9 / 4,9 |
| Профиль «Развлечения» | |||||||
| Максимальная нагрузка на процессор | P: 4,1/3,1 E: 3,2/2,4 | 88/65-67 | 91/45 | 4,0 / 2,2 | |||
| Максимальная нагрузка на видеокарту | 2,45/1,6-2 | до 64 | 70 | 2,5-3,2 / 3,0 | |||
| Максимальная нагрузка на процессор и видеокарту | P: 4,2/3,1 E: 3,2/2,3 | 86-88/78-79 | 92/45 | 1,7-2,1 | до 66 | 70 | 4,4 / 4,4 |
| Профиль «Тихо» | |||||||
| Максимальная нагрузка на процессор | P: 2,4/0,7-0,8 E: 1,8 | 50/44-45 | 30/15 | 2,2 / 2,2 | |||
| Максимальная нагрузка на процессор и видеокарту | P: 2,3/0,5-0,7 E: 1,8 | до 70 | 30/15 | 1,6-2,4 | до 71 | 63-70 | 2,3 / 2,3 |
Теперь немного подробнее, начинаем с профиля «Производительность» в Control Center.
При подаче нагрузки (программа powerMax) на CPU сначала действует режим Turbo Boost, в котором частота P-ядер CPU достигает 4,4 ГГц, E-ядер — 3,4 ГГц, его потребление повышается до 109 Вт (по спецификации процессора в турборежиме может быть до 115 ватт), а температура до 100 °C, появляется тротлинг на нескольких Р-ядрах, начинают раскручиваться вентиляторы, быстро достигая близких к максимальным оборотов. Но очень быстро часто́ты снижаются и через полминуты стабилизируются на уровне 4,1 ГГц у P-ядер и 3,2 ГГц у Е-ядер, потребление при этом уменьшается до 90 Вт (это много: в спецификации заявлено 35—45 ватт в обычном режиме). Температура остается на уровне 97-100 градусов, тротлинг не прекращается. Вентиляторы CPU и GPU работают на скоростях около 5700 оборотов в минуту, после снятия нагрузки они замедляются до минимума примерно через полторы минуты.
Подаем нагрузку на видеоядро Nvidia; его частота на несколько секунд поднимается до 2,415 ГГц и затем чуть снижается до 2,25-2,35 ГГц. Температура медленно растет, вентиляторы постепенно набирают обороты, в результате нагрев GPU стабилизируется на уровне 66 °C, потребление 110 Вт. Вентиляторы вращаются немного медленнее, чем в предыдущем случае: 4700 (CPU) и 4900 (GPU) оборотов в минуту
При подаче нагрузки на оба процессора P-ядра ЦП поначалу разгоняются до 4,3 ГГц, но их частота в течение минуты снижается до 2 ГГц; у Е-ядер получается соответственно 3,2 ГГц и 1,6 ГГц. Температура ЦП сначала повышается до 91 °C (наблюдается тротлинг), по мере вступления в дело вентиляторов снижается до 64-65 градусов, тротлинг заканчивается. Потребление до 106 ватт в пике (очень коротком) и 25 ватт в установившемся режиме.
GPU сначала работает на частоте около 1,9 ГГц и потребляет 75 Вт, но потом частота повышается до 2,2-2,3 ГГц, а потребление до 110 Вт. Его температура не выше 68 °C.
Скорость обоих вентиляторов 4900 оборотов в минуту.
Переключаемся на профиль «Развлечения».
При нагрузке на CPU турборежим более выраженный, чем в предыдущем случае: в самом начале следует короткий всплеск частот Р/Е ядер до 4,1/3,2 ГГц, потребления до 91 Вт, температуры до 88 °C (начинается тротлинг на нескольких Р-ядрах), затем небольшой спад, а через 20-25 секунд Turbo Boost заканчивается и происходит стабилизация на уровнях 3,1/2,4 ГГц у Р/Е-ядер, 45 Вт и 65-67 градусов (уже без тротлинга). Ноутбук работает заметно тише — скорости вентиляторов не превышают 4000 и 2200 об/мин.
При подаче нагрузки на оба процессора картина для CPU очень похожая, даже значения практически те же: всплеск частот P/Е-ядер ЦП до 4,2/3,2 ГГц, снижение, затем спад и стабилизация на уровне 3,1/2,3 ГГц; Температура ЦП сначала повышается до 86-88 градусов (с тротлингом), затем снижается и стабилизируется возле 78-79 градусов (уже без тротлинга). Потребление до 92 ватт в пике и 45 ватт в установившемся режиме.
GPU работает на частоте около 1,7 ГГц с короткими всплесками до 2,1 ГГц и потребляет до 70 Вт, его температура не выше 66 °C.
Скорости вентиляторов повыше — 4400 об/мин у обоих.
Нагрузка на GPU: на пару секунд всплеск до 2,45 ГГц, потом частота колеблется между 1,6 и 2 ГГц. Потребление стабильное — 70 Вт, температура не выше 64 °C. Вентилятор CPU в основном работает со скоростью 2500 об/мин, но порой на некоторое время разгоняется до 3200 об/мин; у GPU стабильно 3000 об/мин.
Для профиля «Тихо» приводим скриншоты, цифры есть в таблице. Скажем лишь, что шум снижается значительно, особенно в сравнении с производительным профилем.


Проводить тесты с принудительным включением вентиляторов на максимум мы не стали: в тестах с установкой «Производительность» их скорости практически максимальные, ожидать каких-то качественных изменений не приходится. Но мы всё же проверили: избежать постоянного перегрева с тротлингом не получается.
То есть можно утверждать: система охлаждения при серьезных нагрузках далеко не всегда справляется со своей задачей. Но надо отметить, что подобные тестовые режимы являются достаточно тяжелыми, при работе в реальных приложениях или в играх ситуация будет более благополучной.
Температура накопителя в наших тестах не превышала 27 градусов (по данным утилиты HWinfo).
Ниже приведены термоснимки, полученные после долговременной работы ноутбука под максимальной нагрузкой на CPU и GPU (профиль «Производительность»):
Под максимальной нагрузкой работать с клавиатурой комфортно, так как места под запястьями практически не нагреваются. Держать ноутбук на коленях при этом неприятно, так как колени частично соприкасаются с областями высокого нагрева. Колени также могут перекрыть заборные вентиляционные решетки (чего не происходит при размещении ноутбука на ровной твердой поверхности), что может вызвать перегрев ноутбука. Несмотря на всяческие предохранительные меры, перегрев всё равно может привести к неприятным последствиям. Блок питания греется очень сильно, поэтому при долговременной работе с большой производительностью обязательно нужно следить, чтобы он не был чем-то накрыт.
Уровень шума
Измерение уровня шума мы проводим в специальной звукоизолированной и полузаглушенной камере. При этом микрофон шумомера располагается относительно ноутбука так, чтобы имитировать типичное положение головы пользователя: экран откинут назад на 45 градусов (или на максимум, если на 45 градусов экран не откидывается), ось микрофона совпадает с нормалью, исходящей из центра экрана, передний торец микрофона находится на расстоянии 50 см от плоскости экрана, микрофон направлен на экран. Нагрузка создается с помощью программы powerMax, яркость экрана установлена на максимум, температура в помещении поддерживается на уровне 24 градусов, но ноутбук специально не обдувается, поэтому в непосредственной близости от него температура воздуха может быть выше. Для оценки реального потребления мы также приводим (для некоторых режимов) потребление от сети. Аккумулятор предварительно заряжен до 100%. В настройках фирменной утилиты выбран профиль Энергосбережение или Производительность:
| Сценарий нагрузки | Уровень шума, дБА | Субъективная оценка | Потребление от сети, Вт |
|---|---|---|---|
| Бездействие (Энергосбережение) | 23,0 | очень тихо | 23 |
| Максимальная нагрузка на процессор и видеокарту (Производительность) | 48,4 | громко | 157 (максимум 220) |
Если ноутбук не нагружать совсем, то его система охлаждения даже в случае профиля «Энергосбережение» всё равно не может работать в пассивном режиме, один вентилятор вращается, однако шум при этом очень и очень низкий, и, например, в условиях офиса ноутбук не будет слышно. Характер шума даже под высокой нагрузкой ровный и раздражения не вызывает. Спектрограмма, полученная для профиля «Производительность» под максимальной нагрузкой, достаточно ровная, и в диапазоне частот, где звуки могут вызывать особенное раздражение, выраженных пиков нет (низкочастотными пиками можно пренебречь):
Для субъективной оценки уровня шума применим такую шкалу:
| Уровень шума, дБА | Субъективная оценка |
|---|---|
| Менее 20 | условно бесшумно |
| 20—25 | очень тихо |
| 25—30 | тихо |
| 30—35 | отчетливо слышно |
| 35—40 | шумно |
| 40—45 | очень шумно |
| 45—50 | громко |
| Выше 50 | очень громко |
Ниже 20 дБА компьютер условно бесшумный, от 20 до 25 дБА ноутбук можно назвать очень тихим, от 25 до 30 дБА шум от системы охлаждения не будет сильно выделяться на фоне типичных звуков, окружающих пользователя в офисе с несколькими сотрудниками и работающими компьютерами, от 30 до 35 дБА шум отчетливо слышно, от 35 до 40 дБА шум превышает комфортный уровень для долговременной работы, от 40 до 45 дБА ноутбук работает очень шумно и для работы необходима, например, маскировка фоновой музыкой, от 45 до 50 дБА уровень шума очень некомфортный, а от 50 дБА и выше шум настолько высокий, что необходимо использовать наушники. Шкала, конечно, очень условная и не учитывает индивидуальных особенностей пользователя и характер звука.
Сравним с другими подобными ноутбуками, учитывая максимальные значения (кроме принудительного включения вентиляторов на повышенную скорость, если таковое имеется):
| Модель | Thunderobot Range 17 Pro | Thunderobot Gravity 16 Max | Thunderobot Zero G3 Max | Thunderobot 911 Plus G2 Max | Acer Nitro 17 | MSI Katana 17 B13VGK-471RU | MSI Titan GT77HX 13VI |
|---|---|---|---|---|---|---|---|
| Уровень шума, дБА | 48,4 | 47,7 | 55,4 | 54,1 | 53,0 | 47,4 | 51,3 |
Хотя по сравнению с другими игровыми аппаратами значение у нашего «героя» не самое высокое, при существенных нагрузках он шумит очень сильно, но хотя бы звук при этом равномерный — это просто шорох выходящего воздуха без составляющих, которые делали бы его еще более заметным.
Производительность
В ноутбуке установлен не самый свежий, но и не совсем уж музейный процессор Intel Core i7-13620H (выпускается с начала 2023 года). У него 10 ядер, шесть из которых относятся к Performance cores (P-cores, высокопроизводительные) и могут работать в два потока на частотах до 4,9 ГГц (при Turbo Boost, базовая частота 2,4 ГГц), и еще четыре — однопоточные энергоэффективные Efficient cores (E-cores, до 3,6/1,8 ГГц).


По спецификации TDP этого процессора может находиться в пределах 35—45 Вт в обычном режиме, а в Turbo Boost может достигать 115 Вт, но в конкретной модели ноутбука рамки могут быть иными: мы наблюдали до 109 ватт в турборежиме и до 90 ватт долговременно.

Дискретная видеокарта Nvidia GeForce RTX 4060 Laptop (архитектура Ada Lovelace) вполне современная, хотя и не относится к топовым в своей линейке. Для этого GPU заявлена работа на частотах до 2,37 ГГц с потреблением до 115 Вт (базовое 35 Вт).
В качестве оперативной памяти использованы два модуля DDR5-5600 Crucial CT16G56C46S5.M8D1 по 16 ГБ в слотах SO-DIMM, свободных слотов нет.


Установлен SSD-накопитель на 1 ТБ с обозначением SSSTC CL4-8D1024 и интерфейсом PCIe 4.0 x4.
В соответствующем тесте он показал довольно средние результаты:

Предлагаем сравнить с результатами тестов еще двух SSD NVMe PCIe 4.0 ×4 — Yangtze Memory PC300-1TB-B (ноутбук Honor MagicBook Pro 16 DRA-54) и SSSTC CL6-8D1024 (Thunderobot Gravity 15 Pro).
Для наглядности приведем результаты в виде диаграмм:
| Сценарий | Thunderobot Range 17 Pro | Honor MagicBook Pro 16 (DRA-54) | Thunderobot Gravity 15 Pro |
|---|---|---|---|
| Чтение | 2713 | 2825 | 3195 |
| Запись | 2346 | 2704 | 4431 |
| Смешанные | 1812 | 1889 | 2904 |
| Сценарий | Thunderobot Range 17 Pro | Honor MagicBook Pro 16 (DRA-54) | Thunderobot Gravity 15 Pro |
|---|---|---|---|
| Чтение | 73 | 57 | 70 |
| Запись | 305 | 125 | 262 |
| Смешанные | 42 | 35 | 70 |
Переходим к тестам приложений. Для сравнения, помимо нашего референсного компьютера (десктоп с с 6-ядерным Intel Core i5-9600K), берем такие ноутбуки:
- Acer Nitro 17 (AN17-41-R3S4) с процессором AMD Ryzen 9 7940HS (8 ядер/16 потоков, до 4,0/5,2 ГГц, TDP 35—54 Вт), ОЗУ 32 ГБ DDR5-5600, дискретная видеокарта Nvidia GeForce RTX 4070 Laptop с 8 ГБ GDDR6, SSD SK Hynix 1 ТБ NVMe PCIe 4.0 ×4;
- Asus ROG Zephyrus G16 с процессором Intel Core Ultra 9 185H (6+10 ядер/22 потока, до 2,3/5,1 ГГц, TDP 45—55/157 Вт), графикой Nvidia GeForce RTX 4090 Laptop, памятью 32 ГБ LPDDR5X и накопителем 1 ТБ Samsung PM9A1 PCIe 4.0 x4;
- MSI Pulse GL66 12UEK с Intel Core i7-12700H (6+8 ядер/20 потоков, 3,5/4,7 ГГц, 45/115 Вт), Nvidia GeForce RTX 3060 Laptop (6 ГБ GDDR6), 16 ГБ DDR4-3200, SSD 512 ГБ Samsung NVMe PCIe 4.0 ×4;
- Thunderobot Gravity 15 Pro с Intel Core i7-13650HX (6+8 ядер/20 потоков, до 2,6/4,9 ГГц, 45—55/157 Вт), Nvidia GeForce RTX 4060 Laptop (8 ГБ GDDR6), 32 ГБ DDR5-5600, SSD 1 ТБ SSSTC NVMe PCIe 4.0 ×4.
| Референсный результат (Core i5-9600K) | Thunderobot Range 17 Pro (Intel Core i7-13620H) | Acer Nitro 17 AN17-41-R3S4 (AMD Ryzen 9 7940HS) | Asus ROG Zephyrus G16 (Intel Core Ultra 9 185H) | MSI Pulse GL66 12UEK (Intel Core i7-12700H) | Thunderobot Gravity 15 Pro (Intel Core i7-13650HX) | |
|---|---|---|---|---|---|---|
| Видеоконвертирование, баллы | 100 | 195 | 213 | 207 | 178 | 204 |
| MediaCoder x64 0.8.57, c | 132,0 | 64,4 | 58 | 53 | 65,9 | 59 |
| HandBrake 1.2.2, c | 157,4 | 80,4 | 72 | 75 | 91,9 | 72 |
| VidCoder 4.36, c | 385,9 | 207,7 | 198 | 228 | 233,9 | 221 |
| Рендеринг, баллы | 100 | 214 | 226 | 239 | 204 | 237 |
| POV-Ray 3.7, с | 98,9 | 46,7 | 43 | 38 | 47,9 | 43 |
| Cinebench R20 | 122,2 | 53,7 | 51 | 47 | 56,8 | 53 |
| Вlender 2.79, с | 152,4 | 78,6 | 73 | 67 | 80,7 | 59 |
| Adobe Photoshop CС 2019 (3D-рендеринг), c | 150,3 | 67,3 | 66 | 71 | 73,0 | 66 |
| Создание видеоконтента, баллы | 100 | 195 | 243 | 179 | 191 | 186 |
| Adobe Premiere Pro CC 2019 v13.01.13, c | 298,9 | 153,3 | 153 | — | 178,7 | 152 |
| Magix Vegas Pro 16.0, c | 363,5 | 188,0 | 121 | — | 192,2 | — |
| Magix Movie Edit Pro 2019 Premium v.18.03.261, c | 413,3 | 166,2 | 187 | 65 | — | 205 |
| Adobe After Effects CC 2019 v 16.0.1, с | 468,7 | 222,0 | 219 | 221 | 222,0 | 210 |
| Photodex ProShow Producer 9.0.3782, c | 191,1 | 135,6 | — | 142 | 150,4 | 142 |
| Обработка цифровых фотографий, баллы | 100 | 135 | 202 | 212 | 192 | 183 |
| Adobe Photoshop CС 2019, с | 864,5 | 543,1 | 553 | 571 | 577,0 | 568 |
| Adobe Photoshop Lightroom Classic СС 2019 v16.0.1, c | 138,5 | 46,9 | 61 | 43 | 74,0 | 68 |
| Phase One Capture One Pro 12.0, c | 254,2 | 483,4 | 108 | 131 | 101,5 | 128 |
| Распознавание текста, баллы | 100 | 251 | 265 | 233 | 234 | 254 |
| Abbyy FineReader 14 Enterprise, c | 492,0 | 196,3 | 185 | 211 | 210,5 | 194 |
| Архивирование, баллы | 100 | 210 | 170 | 149 | 165 | 210 |
| WinRAR 5.71 (64-bit), c | 472,3 | 223,2 | 303 | 367 | 285,8 | 329 |
| 7-Zip 19, c | 389,3 | 187,2 | 211 | 226 | 235,3 | 127 |
| Научные расчеты, баллы | 100 | 199 | 193 | 190 | 180 | 193 |
| LAMMPS 64-bit, c | 151,5 | 76,2 | 72 | 71 | 85,6 | 80 |
| NAMD 2.11, с | 167,4 | 78,4 | 82 | 87 | 84,2 | 78 |
| Mathworks Matlab R2018b, c | 71,1 | 40,3 | 36 | 38 | 43,2 | 40 |
| Dassault SolidWorks Premium Edition 2018 SP05 с пакетом Flow Simulation 2018, c | 130,0 | 62,7 | 78 | 76 | 71,3 | 68 |
| Интегральный результат без учета накопителя, баллы | 100 | 197 | 214 | 199 | 197 | 208 |
| WinRAR 5.71 (Store), c | 78,0 | 19,9 | 66 | 56 | 25,2 | 25 |
| Скорость копирования данных, с | 42,6 | 9,1 | 4 | 5 | 12,3 | 8 |
| Интегральный результат накопителя, баллы | 100 | 428 | 338 | 345 | 327 | 416 |
| Интегральный результат производительности, баллы | 100 | 249 | 246 | 235 | 230 | 256 |
Без учета накопителя герой обзора по интегральным результатам оказался на равных с ноутбуками MSI Pulse GL66 12UEK, оснащенным процессором предыдущего поколения Intel Core i7-12700H, и Asus ROG Zephyrus G16 со вполне современным Intel Core Ultra 9 185H, хотя в отдельных категориях и приложениях разница может быть заметной, в том числе в пользу нашего Range 17 Pro.
Модели Thunderobot Gravity 15 Pro с Intel Core i7-13650HX и Acer Nitro 17 AN17-41-R3S4 с AMD Ryzen 9 7940HS в целом немного впереди, но разница не критическая: в целом ряде приложений результаты получились очень близкими, а в отдельных рассматриваемый ноутбук даже немного опережает.
И совсем позади осталась наша референсная десктопная система на основе 6-ядерного процессора Intel Core i5-9600K.
Связанные с накопителем тесты показали, что SSD, используемый в Thunderobot Range 17 Pro, на фоне выбранных соперников достаточно неплох.
Теперь выясним, как влияют (и влияют ли) режимы, задаваемые в Control Center, на производительность в тестах реальных приложений, выбрав по одному из каждой категории (прогон полного набора длится очень уж долго даже на высокопроизводительном компьютере, а время, на которое нам предоставляют образцы, всегда бывает ограниченным).
| Установка режима (профиля) в Control Center | ||||
|---|---|---|---|---|
| Производительность | Развлечения | Энергосбережение | Тихо | |
| MediaCoder x64 0.8.57, c | 64,4 | 81,3 | 233,5 | 263,1 |
| Cinebench R20 | 53,7 | 65,2 | 185,4 | 212,6 |
| Adobe Photoshop Lightroom Classic СС 2019 v16.0.1, c | 46,9 | 51,9 | 150,3 | 173,8 |
| Adobe Premiere Pro CC 2019 v13.01.13, c | 153,3 | 197,5 | — | 496,8 |
| Abbyy FineReader 14 Enterprise, c | 196,3 | 257,9 | 726,4 | 822,7 |
| 7-Zip 19, c | 187,2 | 197,4 | 377,3 | 414,2 |
| Mathworks Matlab R2018b, c | 40,3 | 46,3 | 117,4 | 128,4 |
| Скорость копирования данных, с | 9,1 | 9,1 | 9,0 | 8,9 |
Переключение с производительного режима на «Развлечения» сказывается не сильно, но всё же разницу в большинстве случаев на случайные отклонения отнести нельзя — замедление может составлять до 25-30 процентов. Уровни шума по субъективным впечатлениям получаются вполне сравнимыми (это подтверждают и не сильно отличающиеся скорости вращения вентиляторов в соответствующих тестах), то есть для работы в приложениях «развлекательный» профиль рекомендовать нельзя.
Тихий режим действительно заметно снижает шумность ноутбука, но ценой очень существенного (в несколько раз) падения производительности, переводя ноутбук на уровень самых дешевых моделей.
Энергосберегающий профиль чуть лучше по производительности, но разница с тихим крайне мала, в том числе и по уровню шума. Некоторые наши тесты (в данном случае Adobe Premiere Pro CC) не идут при использовании интегрированной графики Intel, на которую ноутбук переключается в этом режиме, хотя сами приложения запускаются.
Влияние профилей на накопитель практически отсутствует — разница на уровне случайных отклонений.
Тестирование в играх
Напомним: используемая в данной модели дискретная видеокарта относится к серии Nvidia GeForce RTX 40 в версии для ноутбуков (архитектура Ada Lovelace), для GeForce RTX 4060 ее производитель заявляет наличие 3072 ядер, 128-разрядную шину памяти с подключением 8 ГБ ОЗУ GDDR6, тактовую частоту (с ускорением) 1470—2370 МГц и потребление 35—115 Вт. В официальных параметрах ноутбука, приведенных в инструкции, заявлено немного иное: частота до 2295—2370 МГц, потребление до 105 Вт, но в тестах мы видели и 110 Вт, причем долговременно, а частота на короткое время могла достигать 2,45 ГГц.
Имеется и интегрированный видеоадаптер Intel UHD Graphics — понятно, в играх его использовать нет смысла.


Представляем результаты тестирования в соответствии с методикой 2024 года; «соперники» будут немного иными, чем для тестов приложений — сравнимых по конфигурации моделей, исследованных по новой методике, пока не так уж много:
Для сравнения берем такие аппараты:
- OSiO CyberLine C160i с процессором Intel Core i7-12650H (6+4 ядер/16 потоков, до 2,3/4,7 ГГц, до 45/115 Вт), видеокартой Nvidia GeForce RTX 4060 Laptop, ОЗУ 16 ГБ DDR4-3200;
- Thunderobot Gravity 15 Pro с Intel Core i7-13650HX (6+8 ядер/20 потоков, до 2,6/4,9 ГГц, 45—55/157 Вт), Nvidia GeForce RTX 4060 Laptop, 32 ГБ DDR5-5600, SSD 1 ТБ SSSTC NVMe PCIe 4.0 ×4;
- Maibenben Typhoon X677 c AMD Ryzen 7 7735H (8 ядер/16 потоков, до 3,2/4,75 ГГц, 35—54 Вт), Nvidia GeForce RTX 4060 Laptop, 16 ГБ DDR5-4800;
- Acer Nitro 17 с AMD Ryzen 9 7940HS (8 ядер/16 потоков, 4,0—5,2 ГГц, TDP 35—54 Вт), видеокартой Nvidia GeForce RTX 4070 Laptop, ОЗУ 32 ГБ DDR5-5600.
В таблице приведены средние и минимальные значения fps при типовом разрешении 1920×1080 и максимальном качестве, а для Thunderobot Range 17 Pro дополнительно еще и при номинальном для него разрешении 2560×1440, в утилите Control Center выбран режим «Производительность».
| Игра | Thunderobot Range 17 Pro Nvidia GeForce RTX 4060 | OSiO CyberLine C160i Nvidia GeForce RTX 4060 | Thunderobot Gravity 15 Pro Nvidia GeForce RTX 4060 | Maibenben Typhoon X677 Nvidia GeForce RTX 4060 | Acer Nitro 17 Nvidia GeForce RTX 4070 | |||||||
|---|---|---|---|---|---|---|---|---|---|---|---|---|
| 2560×1440 | 1920×1080 | 1920×1080 | 1920×1080 | 1920×1080 | 1920×1080 | |||||||
| сред. | мин. | сред. | мин. | сред. | мин. | сред. | мин. | сред. | мин. | сред. | мин. | |
| Assassin’s Creed: Valhalla | 80 | 54 | 106 | 73 | 98 | 63 | 99 | 42 | 108 | 47 | 123 | 65 |
| Company of Heroes 3 | 114 | 61 | 152 | 84 | 149 | 76 | 158 | 74 | 122 | 64 | 170 | 79 |
| Cyberpunk 2077 | 45 | 35 | 72 | 54 | 70 | 48 | 77 | 42 | 72 | 42 | 85 | 51 |
| Cyberpunk 2077 с RT | 20 | 15 | 33 | 25 | 32 | 25 | 34 | 26 | 33 | 23 | 44 | 32 |
| Cyberpunk 2077 с RT и DLSS | 60 | 28 | 81 | 37 | 79 | 36 | 83 | 40 | 81 | 39 | 102 | 52 |
| F1 22 | 39 | 35 | 61 | 56 | 61 | 54 | 65 | 58 | 61 | 54 | 88 | 71 |
| Far Cry 6 | 78 | 66 | 111 | 96 | 108 | 88 | 118 | 93 | 101 | 76 | 118 | 92 |
| Immortals Fenyx Rising | 64 | 27 | 80 | 32 | 79 | 46 | 80 | 33 | 82 | 34 | 94 | 53 |
| Watch Dogs: Legion | 57 | 45 | 78 | 63 | 77 | 60 | 144 | 80 | 83 | 63 | 105 | 74 |
| Watch Dogs: Legion с RT | 31 | 24 | 45 | 37 | 44 | 36 | 84 | 37 | 48 | 38 | 63 | 48 |
| Watch Dogs: Legion с RT и DLSS | 45 | 38 | 60 | 50 | 60 | 46 | 91 | 51 | 64 | 53 | 78 | 62 |
Если при разрешении 1920×1080, которое мы считаем типовым, наш «герой» во всех играх перешагнул (и чаще всего существенно) условный порог комфортности 60 fps в среднем и 30 fps минимальных, исключая лишь варианты с включением RT, то с номинальными 2560×1440 ситуация похуже: в четырех играх этот порог так и не был преодолен (в том числе с RT/DLSS) либо по минимальному, либо по среднему значению, либо по обоим.
В сравнении с тремя другими ноутбуками, оснащенными такой же видеокартой, Thunderobot Range 17 Pro находится на добротном среднем уровне, а от Acer Nitro 17 с более продвинутым дискретным видеоадаптером вполне ожидаемо отстает — эту модель мы выбрали для оценки степени такого отставания.
Опробуем игры и с разными профилями в Control Center (конечно, без энергосберегающего, в котором принудительно задействуется интегрированный видеоадаптер с предсказуемо печальными результатами):
| Игра | Производительность | Развлечения | Тихо | |||
|---|---|---|---|---|---|---|
| сред. | мин. | сред. | мин. | сред. | мин. | |
| Assassin’s Creed: Valhalla | 106 | 73 | 99 | 70 | 56 | 28 |
| Company of Heroes 3 | 152 | 84 | 142 | 79 | 101 | 46 |
| Cyberpunk 2077 (без RT/DLSS) | 72 | 54 | 64 | 50 | 43 | 16 |
| F1 22 | 61 | 56 | 53 | 48 | 47 | 37 |
| Far Cry 6 | 111 | 96 | 104 | 94 | 51 | 39 |
| Immortals Fenyx Rising | 80 | 32 | 78 | 27 | 48 | 22 |
| Watch Dogs: Legion (без RT/DLSS) | 78 | 63 | 72 | 59 | 47 | 33 |
По субъективной оценке разницы в шумности между производительным и «развлекательным» режимами нет, а показатели fps во втором из них получаются немного хуже, причем порой даже опускаются ниже минимально комфортного уровня, поэтому для игр рекомендовать его также не будем.
А с профилем «Тихо» эти показатели почти во всех случаях недостаточные, и хотя шум реально меньше, вряд ли кто-то выберет эту настройку, чтобы поиграть с полным удовольствием.
Еще интересно было бы опробовать влияние предусмотренного утилитой Control Center для профиля «Производительность» разгона видеокарты. Ставим максимально возможные значения для GPU и видеопамяти, при этом выдается вот такое предупреждение:

Вот что получили при стандартном для наших тестов разрешении 1920×1080 (по два прогона с усреднением результата):
| Игра | Без разгона | Максимальный разгон | ||||||
|---|---|---|---|---|---|---|---|---|
| 2560×1440 | 1920×1080 | 2560×1440 | 1920×1080 | |||||
| сред. | мин. | сред. | мин. | сред. | мин. | сред. | мин. | |
| Assassin’s Creed: Valhalla | 80 | 54 | 106 | 73 | 85 | 53 | 113 | 76 |
| Company of Heroes 3 | 114 | 61 | 152 | 84 | 116 | 59 | 155 | 80 |
| Cyberpunk 2077 (без RT/DLSS) | 45 | 35 | 72 | 54 | 45 | 36 | 73 | 51 |
| F1 22 | 39 | 35 | 61 | 56 | 41 | 37 | 64 | 57 |
| Far Cry 6 | 78 | 66 | 111 | 96 | 82 | 70 | 114 | 101 |
| Immortals Fenyx Rising | 64 | 27 | 80 | 32 | 67 | 28 | 84 | 39 |
| Watch Dogs: Legion (без RT/DLSS) | 57 | 45 | 78 | 63 | 59 | 44 | 80 | 63 |
Все тесты отработали вполне нормально, зависаний и иных сбоев не наблюдалось, однако реальной пользы от разгона нет — при обоих вариантах разрешения разница в большинстве случаев на уровне случайных отклонений, а при номинальных 2560×1440 в тех же четырех играх минимальный порог комфортности не достигнут.
Заключение
В очередной раз отметим наличие у бренда Thunderobot целой линейки игровых ноутбуков — от бюджетных до самых продвинутых. Рассмотренный нами аппарат Thunderobot Range 17 Pro относится к среднему уровню: он не является ни самым дешевым, ни самым дорогим.
У него вполне приличный для подобных устройств набор потребительских качеств: IPS-экран 17,3″ с разрешением 2560×1440 и частотой обновления 165 Гц, довольно производительные процессор Intel Core i7-13620H и дискретный видеоадаптер Nvidia GeForce RTX 4060 Laptop, 32 ГБ DDR5-5600 в двух слотах SO-DIMM, неплохой накопитель NVMe SSD PCIe 4.0 x4 на 1 ТБ с возможностью установки второго подобного, видеовыходы HDMI и Mini-DisplayPort, четыре порта USB, из которых один Type-C (с поддержкой вывода видео, но без Thunderbolt или Power Delivery). Дополняют картину сетевые интерфейсы Wi-Fi 6, Bluetooth 5.2 и Gigabit Ethernet, клавиатура с RGB-подсветкой, полноценным цифровым блоком и клавишами-стрелками нормального размера.
Экран качественный, с неплохим запасом яркости. Матрица быстрая, с низким значением задержки вывода и хорошим цветовым балансом, из недостатков можно отметить разве что недостаточную стабильность черного при отклонениях взгляда от нормали.
Емкость батареи совсем уж скромной не назовешь, однако время автономной работы даже в энергосберегающем режиме не слишком большое по меркам игровых ноутбуков, а восполняется заряд не очень быстро.
Веб-камера плохонькая, с разрешением 720р — видеть такую в не самом дешевом аппарате странно, да еще и шторки у нее нет. Нет и сканера отпечатков пальцев, но это, на наш взгляд, не самый значительный минус.
В различных приложениях производительность получается весьма неплохой, ее можно считать достаточной не только для учебных или любительских, но и для профессиональных потребностей в случае, если бюджет на покупку не безграничный.
Геймерам ноутбук также вполне подходит: почти в половине из опробованных игр даже при номинальном разрешении и с максимальным качеством удается преодолеть условный порог комфортности, а если снизить разрешение или выбрать установку качества пониже, то результаты будут еще лучше.
При этом система охлаждения допускает перегрев процессора, хотя в основном в тяжелых режимах. Шумит ноутбук при существенных нагрузках изрядно, но то же самое можно сказать про любую игровую модель.
В заключение предлагаем посмотреть наш видеообзор ноутбука Thunderobot Range 17 Pro:









































