У представителей старших поколений название «Горизонт» в сочетании с упоминанием города Минск вызывает вполне приятные воспоминания: Минский радиозавод (который в разное время был и «имени Молотова», и «имени Ленина», и «имени 50-летия Компартии Белоруссии») с 1940 года производил радиоприемники и радиолы, позднее — телевизоры. Продукция пользовалась заслуженной популярностью, для примера можно напомнить о семействе переносных приемников «Океан».
Сегодня белорусский холдинг «Горизонт» представляет целый спектр продукции, включающей современные телевизоры, микроволновые печи, газовые плиты и электрические водонагреватели, электролампы. Осенью прошлого (2022) года был представлен первый ноутбук, а сейчас предлагается уже целая линейка из семи моделей с диагоналями экрана 14 и 15,6 дюйма.
Мы рассмотрим наиболее производительный на сегодняшний день 15,6-дюймовый аппарат Horizont H-book 15 MAK4 с индексом T74E4W, определяющим конфигурацию с процессором Intel Core i7 11-го поколения, 16 ГБ ОЗУ и накопителем SSD на 512 ГБ. Во время тестирования он предлагался по цене 63990 ₽ (со скидкой), много это или мало — судите сами после прочтения обзора.
Конфигурация и комплектация
Довольно подробная информация о конфигурации приведена и на официальном сайте, и в руководстве пользователя на русском языке, которое имеется в комплекте.
Спецификация выглядит так:
| Horizont H-book 15 MAK4 (T74E4W) | ||
|---|---|---|
| Процессор | Intel Core i7-1195G7 (4 ядра/8 потоков, 1,3—5,0 ГГц, 12—28 Вт) | |
| Оперативная память | 16 ГБ DDR4-3200 (1 × Lexar LD4AS016G-H3200GNT2G8ST в единственном слоте SO-DIMM) | |
| Видеоподсистема | интегрированная Intel Iris Xe | |
| Экран | 15,6 дюймов, 1920×1080 (16:9), IPS (CMN N156HCE-EN1), 60 Гц | |
| Звуковая подсистема | Realtek ALC269, 2 динамика | |
| Накопитель | SSD 512 ГБ (Wodposit WPNM28-512G, M.2 2280, NVMe, PCIe 3.0 x4) имеется отсек для SATA-накопителя 2,5″ | |
| Картовод | microSD | |
| Сетевые интерфейсы | Проводная сеть | нет |
| Беспроводная сеть Wi-Fi | Wi-Fi 5 (Intel Wireless-AC 9560D2W IEEE 802.11a/b/g/n/ac, 2,4 и 5,0 ГГц, MU-MIMO, ширина канала 160 МГц) | |
| Bluetooth | Bluetooth 5.1 | |
| Интерфейсы и порты | USB | 1 × USB3 Gen2 Type-C с поддержкой только передачи данных 2 × USB3 Gen1 Type-A |
| RJ-45 | нет | |
| Видеовыходы | HDMI | |
| Аудиоразъемы | комбинированный для гарнитуры (миниджек) | |
| Устройства ввода | Клавиатура | с подсветкой, с цифровым блоком |
| Тачпад | кликпад | |
| IP-телефония | Веб-камера | 1200p (4:3) при 30 fps |
| Микрофон | есть (два) | |
| Сканер отпечатков пальцев | нет | |
| Батарея | 50 Вт·ч, литий-полимерная | |
| Габариты | 358×244×24 мм (толщина самого корпуса без учета ножек — 20 мм) | |
| Масса без блока питания | 1,65 кг | |
| Адаптер питания | 65 Вт (19 В, 3,42 А), вес 0,36 кг (с кабелями) | |
| Операционная система | Windows 11 Home (22H2) | |
| Описание на сайте производителя | horizont.tv | |
| Розничные предложения | ||
В прилагаемой инструкции упоминается контроллер Ethernet, но в реальности он отсутствует, а запись явно перекочевала из материалов для другой модели — например, H-book 14 МАК1 (TC1E3W), где разъем RJ-45 имеется.
Аппарат поставляется с операционной системой Windows 11 Home, никакого дополнительного ПО или фирменных утилит нет.
Изделие упаковано в картонную коробку с ручкой для переноски.
В комплекте, кроме самого ноутбука, идет блок питания и набор документации на русском языке.
Внешний вид и эргономика
Цвет корпуса темно-синий, другие расцветки не упоминаются.
Украшенная эмблемой бренда в виде большой буквы «Н» крышка сделана из алюминиевого сплава, корпус пластиковый; фактура поверхностей матовая с легкой шероховатостью, отпечатки рук на них получаются довольно заметными.
Дизайн чуть отличается от ставшего привычным для подобных аппаратов, претендующих на звание ультрабуков: вроде бы есть все ставшие стандартными приемы, призванные зрительно сделать аппарат тоньше, чем он есть на самом деле, но в целом впечатление немного иное. Возможно, свою роль сыграли скошенные задняя кромка и край передней, немного другой контур боковин, еще какие-то мелочи, а в сумме получилось некое своеобразие, хотя и без радикальных отличий от многих десятков других знакомых нам моделей. Дальше играет роль субъективное восприятие. Скажем по секрету: одному из авторов обзора внешний вид ноутбука понравился, второму не очень.
Для толщины заявлено значение 18,9 мм, но в действительности получается на миллиметр больше, а с учетом ножек — и вовсе до 23,9 мм. Два других размера подтвердились нашими замерами.
Конструкция получилась не особенно жесткой: панели при довольно сильном нажатии прогибаются, хотя и не очень значительно, прочность на скручивание крышки с ЖК-экраном тоже маловата. Правда, всё это присуще большинству ноутбуков в данной ценовой категории, нередко наблюдается и у более дорогих.
Черная пластиковая рамка вокруг экрана имеет ширину по бокам 6,8 мм, вверху 9,6 мм (там расположена веб-камера с индикатором и микрофоны), внизу 23,6 мм до выступа с петлями.
На днище, кроме ножек (сзади одна, которая протянулась почти по всей ширине, спереди две небольших), ближе к задней кромке имеется область со множеством вентиляционных прорезей, через них происходит забор воздуха для охлаждения компонентов, поэтому ставить ноутбук на мягкую поверхность не следует.
На заднем торце корпуса идет ряд более крупных отверстий, через которые система вентиляции выбрасывает нагретый воздух; на приведенном ниже фото они скрыты выступом петли. Как часто бывает в подобных конструкциях, получается подогрев нижней области экрана — в основном правее середины, где расположен вентилятор системы охлаждения. Во время запуска «тяжелых» тестов выяснилось: нагрев вполне ощутимый, но всё же не критический.
Крышка с экраном открывается на угол до 180 градусов и точно фиксируется в любом положении, начиная примерно с 40 градусов. При любых углах ее нижняя кромка стола не касается, поэтому никаких вставок для предотвращения истирания не предусмотрено.
Усилие петель значительное, открыть крышку одной рукой не получается — приходится придерживать нижнюю часть. Передняя кромка этой крышки имеет обратный скос, позволяющий при открывании подцепить ее пальцем в любом месте.
На правом боку имеются отверстие кенсингтонского замка, порт USB3 Gen1 Type-A, а также прорезь картовода microSD. Еще есть небольшое отверстие, явно рассчитанное на какую-то кнопку с нажатием тонким подручным предметом (если судить по символу изогнутой дугой стрелки, подразумевался вход в OneKey Recovery), но сама кнопка внутри отсутствует — это видно на приведенной далее фотографии со снятой нижней крышкой, да и в инструкции подобное не упоминается.
Слева находятся гнездо питания с индикатором заряда, полноразмерный порт HDMI, второй USB3 Gen1 Type-A и единственный USB3 Gen2 Type-C (он поддерживает только передачу данных), комбинированный миниджек для аудиогарнитуры и белый индикатор включения.
То есть набор для не самого тонкого ноутбука довольно бедный.
Клавиатура мембранного типа с островным расположением кнопок. Отступы по бокам средние — по 14 мм, за счет этого удалось разместить цифровой блок (но не полноценный, а трехрядный).
Большинство кнопок чуть больше обычного размера — 16,5×16,2 мм, функциональные поменьше: 15×9,5 мм; левый Shift имеет ширину 37 мм, правый 46,5 мм. Клавиши ближнего ряда увеличены: 18×19,2 мм, тот же размер имеют и кнопки со стрелками влево-вправо, но стрелки вверх-вниз — половинной высоты.
Расстояние между краями кнопок в одном ряду по 2,5 мм, между рядами — по 2 мм. Печатать вполне комфортно, шум при печати умеренный. Полный ход клавиш — около 1,3 мм.
Предусмотрена подсветка — белая, с одним уровнем, не слишком яркая. При неиспользовании клавиатуры в течение 15 секунд она автоматически отключится и вновь включится после нажатия любой клавиши (тачпад не в счет). Ее можно отключить совсем сочетанием кнопок.
В клавише CapsLock имеется крошечный белый светодиод, отображающий включение соответствующего режима.
Круглая кнопка Power находится справа вне клавиатуры, причем заподлицо с поверхностью, что исключает ошибочные нажатия. В нее встроен белый индикатор включения, позволяющий легко увидеть эту кнопку в затемненном помещении, но только когда ноутбук работает. Для включения кнопку надо удерживать 2-3 секунды.
Как упоминалось выше, веб-камера расположена над экраном. Разрешение можно выбрать не только 1280×720@30 fps (16:9), как в бюджетных и даже некоторых более дорогих аппаратах, но и 1600×1200@30 fps (4:3). Механической шторки нет.
Тачпад большой: 130×75 мм, выделенных клавиш нет, но левый и правый ближние его края вполне могут работать как соответствующие кнопки мыши, поверхность слегка заглублена. Сам по себе он вполне удобный, но на случай, если всё же будет мешать, предусмотрено сочетание клавиш для быстрого отключения тачпада.
Сканера отпечатка пальца нет.
Экран
В ноутбуке H-book 15 MAK4 (T74E4W) используется 15,6-дюймовая IPS-матрица с разрешением 1920×1080 пикселей (отчет edid-decode).
Внешняя поверхность матрицы черная жесткая и полуматовая (зеркальность хорошо выражена). Какие-либо специальные антибликовые покрытия или фильтр отсутствуют, нет и воздушного промежутка. При питании от сети или от батареи и при ручном управлении яркостью (автоматической подстройки по датчику освещенности нет) ее максимальное значение составило 338 кд/м² (в центре экрана на белом фоне). Если избегать прямого солнечного света, то такое значение позволяет как-то использовать ноутбук на улице даже летним солнечным днем.
Для оценки читаемости экрана вне помещения мы используем следующие критерии, полученные при тестировании экранов в реальных условиях:
| Максимальная яркость, кд/м² | Условия | Оценка читаемости |
|---|---|---|
| Матовые, полуматовые и глянцевые экраны без антибликового покрытия | ||
| 150 | Прямой солнечный свет (более 20000 лк) | нечитаем |
| Легкая тень (примерно 10000 лк) | едва читаем | |
| Легкая тень и неплотная облачность (не более 7500 лк) | работать некомфортно | |
| 300 | Прямой солнечный свет (более 20000 лк) | едва читаем |
| Легкая тень (примерно 10000 лк) | работать некомфортно | |
| Легкая тень и неплотная облачность (не более 7500 лк) | работать комфортно | |
| 450 | Прямой солнечный свет (более 20000 лк) | работать некомфортно |
| Легкая тень (примерно 10000 лк) | работать комфортно | |
| Легкая тень и неплотная облачность (не более 7500 лк) | работать комфортно | |
Эти критерии весьма условны и, возможно, будут пересмотрены по мере накопления данных. Отметим, что некоторое улучшение читаемости может быть в том случае, если матрица обладает какими-то трансрефлективными свойствами (часть света отражается от подложки, и картинку на свету видно даже с выключенной подсветкой). Также глянцевые матрицы даже на прямом солнечном свету иногда можно повернуть так, чтобы в них отражалось что-то достаточно темное и равномерное (в ясный день это, например, небо), что улучшит читаемость, тогда как матовые матрицы для улучшения читаемости нужно именно загородить от света. В помещениях с ярким искусственным светом (порядка 500 лк), более-менее комфортно работать можно даже при максимальной яркости экрана в 50 кд/м² и ниже, то есть в этих условиях максимальная яркость не является важной величиной.
Вернемся к экрану тестируемого ноутбука. Если настройка яркости равна 0%, то яркость снижается до 8 кд/м². Таким образом, в полной темноте яркость экрана получится понизить до комфортного уровня.
При сильном снижении яркости от максимальной появляется модуляция подсветки, но ее частота очень высокая (24 кГц), поэтому никакого видимого глазом мерцания экрана нет, не выявляется оно и в тесте на стробоскопический эффект. Приведем графики зависимости яркости (вертикальная ось) от времени (горизонтальная ось) при различных значениях настройки яркости:

В этом ноутбуке используется матрица типа IPS. Микрофотографии демонстрируют типичную для IPS структуру субпикселей (черные точки — это пыль на матрице фотоаппарата):
Фокусировка на поверхности экрана выявила хаотично расположенные микродефекты поверхности, отвечающие за матовые свойства:
Зерно этих дефектов в несколько раз меньше размеров субпикселей (масштаб этих двух фотографий примерно одинаковый), поэтому фокусировка на микродефектах и «перескок» фокуса по субпикселям при изменении угла зрения выражены слабо, из-за этого нет и «кристаллического» эффекта.
Мы провели измерения яркости в 25 точках экрана, расположенных с шагом 1/6 от ширины и высоты экрана (границы экрана не включены). Контрастность вычислялась как отношение яркости полей в измеряемых точках:
| Параметр | Среднее | Отклонение от среднего | |
|---|---|---|---|
| мин., % | макс., % | ||
| Яркость черного поля | 0,28 кд/м² | −15 | 12 |
| Яркость белого поля | 320 кд/м² | −6,5 | 7,8 |
| Контрастность | 1100:1 | −9,5 | 9,9 |
Если отступить от краев, то равномерность белого поля очень хорошая, а черного поля и контрастности — приемлемая. Контрастность, по современным меркам, для данного типа матриц чуть выше типичной. Фотография ниже дает представление о распределении яркости черного поля по площади экрана:
Видно, что черное поле местами, в основном ближе к краям, высветляется. Впрочем, неравномерность засветки черного видно только на очень темных сценах и в почти полной темноте, значимым недостатком ее считать не стоит. Отметим, что жесткость крышки, хоть она и изготовлена из алюминия, невелика, крышка немного деформируется при малейшем приложенном усилии, а от деформации сильно меняется характер засветки черного поля.
Экран имеет хорошие углы обзора без значительного снижения яркости и сдвига цветов даже при больших отклонениях взгляда от перпендикуляра к экрану и без инвертирования оттенков (но IPS-матрицы в мониторах обычно в этом плане лучше). Однако черное поле при отклонении по диагонали сильно высветляется и приобретает желтоватый или красно-фиолетовый оттенок.
Время отклика при переходе черный-белый-черный равно 26 мс (15 мс вкл. + 11 мс выкл.), переход между полутонами серого в сумме (от оттенка к оттенку и обратно) в среднем занимает 35 мс. Матрица небыстрая, разгона нет.
Мы определяли полную задержку вывода от переключения страниц видеобуфера до начала вывода изображения на экран (напомним, что она зависит от особенностей работы ОС Windows и видеокарты, а не только от дисплея). При 60 Гц частоты обновления задержка равна 12 мс. Это небольшая задержка, она абсолютно не ощущается при работе за ПК и даже в очень динамичных играх не приведет к снижению результативности.
В настройках экрана доступно только одно значение частоты обновления — 60 Гц. По крайней мере при родном разрешении экрана вывод идет с глубиной цвета 8 бит на цвет.
Далее мы измерили яркость 256 оттенков серого (от 0, 0, 0 до 255, 255, 255). График ниже показывает прирост (не абсолютное значение!) яркости между соседними полутонами:

Рост прироста яркости на большей части шкалы серого более-менее равномерный, но в светах монотонность роста нарушается и пара пар оттенков по яркости друг от друга не отличаются. В самой темной области аппаратно и визуально различаются все оттенки:

Аппроксимация полученной гамма-кривой дала показатель 2,14, что ниже стандартного значения 2,2, поэтому картинка чуть-чуть высветлена. При этом реальная гамма-кривая немного отклоняется от аппроксимирующей степенной функции:

Цветовой охват близок к sRGB:

Поэтому визуально цвета изображений, ориентированных на вывод в пространстве sRGB, на этом экране имеют естественную насыщенность. Ниже приведен спектр для белого поля (белая линия), наложенный на спектры красного, зеленого и синего полей (линии соответствующих цветов):

По всей видимости, в этом экране используются светодиоды с синим излучателем и зеленым и красным люминофором (обычно — синий излучатель и желтый люминофор), что в принципе позволяет получить хорошее разделение компонент. Да, и в красном люминофоре, видимо, используются так называемые квантовые точки. Однако специально подобранными светофильтрами выполняется перекрестное подмешивание компонент, что приближает охват к sRGB.
Баланс оттенков на шкале серого средний, так как цветовая температура не сильно выше стандартных 6500 К, но отклонение от спектра абсолютно черного тела (ΔE) выше 10, что даже для потребительского устройства считается не очень хорошим показателем. Однако при этом цветовая температура и ΔE мало изменяются от оттенка к оттенку — это положительно сказывается на визуальной оценке цветового баланса. (Самые темные области шкалы серого можно не учитывать, так как там баланс цветов не имеет большого значения, да и погрешность измерений цветовых характеристик на низкой яркости большая.)


Подведем итоги. Экран этого ноутбука имеет достаточно высокую максимальную яркость (338 кд/м²), чтобы устройством можно было пользоваться светлым днем вне помещения, загородившись от прямого солнечного света. В полной темноте яркость можно понизить до комфортного уровня (вплоть до 8 кд/м²). К достоинствам экрана можно отнести малое значение задержки вывода (8 мс), отсутствие мерцания и цветовой охват, близкий к sRGB. К недостаткам — низкую стабильность черного к отклонению взгляда от перпендикуляра к плоскости экрана. В целом качество экрана довольно высокое.
Звук
Как отмечалось выше, решетки двух динамиков находятся слева и справа на днище, ближе к передней кромке, и частично заходят на боковые скосы корпуса — подразумевается отражение звука от поверхности, на которой установлен ноутбук.


При прослушивании музыкальных композиций, просмотре кинофильмов и в играх звук получается самым обычным для подобных ноутбуков, с практически полным отсутствием нижних частот, к тому же не слишком громким, хотя запаса громкости вполне хватает для индивидуального пользования.
Измерение громкости встроенных громкоговорителей проводилось при воспроизведении звукового файла с розовым шумом. Максимальная громкость оказалась равна 72,0 дБА, так что среди ноутбуков, протестированных к моменту написания данной статьи (минимум 64,8 дБА, максимум 83 дБА), этот ноутбук тише среднего по громкости.
| Модель | Громкость, дБА |
|---|---|
| MSI P65 Creator 9SF (MS-16Q4) | 83 |
| Apple MacBook Pro 16” | 79.1 |
| Huawei MateBook X Pro | 78.3 |
| HP ProBook 455 G7 | 78.0 |
| MSI Alpha 15 A3DDK-005RU | 77.7 |
| Dell Latitude 9510 | 77 |
| Apple MacBook Air (Early 2020) | 76.8 |
| Thunderobot Thunder Book 16 | 75.2 |
| Irbis SmartBook 15NBP3508 | 74.5 |
| Digma Pro Sprint M | 73.6 |
| Horizont H-book 15 MAK4 (T74E4W) | 72.0 |
| Asus ZenBook UX425J | 67.5 |
| Lenovo IdeaPad 530S-15IKB | 66.4 |
| Asus ZenBook 14 (UX435E) | 64.8 |
АЧХ розового шума подтверждает, что диапазон воспроизводимых частот широким назвать нельзя:

Работа от батареи
Заявленная емкость батареи составляет 50 Вт·ч (4350 мА·ч), что подтверждают и утилиты.

На самой батарее значения близкие.

Информации (даже примерной) о возможном времени автономной работы производитель не приводит. Как обычно, опробуем сами.
Понятно, что при замерах многое зависит от методики, поэтому посмотрим, что покажут наши тесты с использованием скрипта iXBT Battery Benchmark v1.0. Яркость экрана при тестировании выставляется на 100 кд/м² (в данном случае это соответствует примерно 28%), так что ноутбуки с относительно тусклыми экранами не получают преимущества.
| Сценарий нагрузки | Время работы (разряд от 100% до 1%) |
|---|---|
| Работа с текстом | 7 ч. 17 мин. |
| Просмотр видео | 5 ч. 39 мин. |
Напомним: постоянный режим подсветки клавиатуры отсутствует, она автоматически отключается через 15 секунд, поэтому соответствующие замеры сделать нельзя.
Результаты получились не блестящими: с офисными программами полный день поработать не получится, и это при умеренной яркости экрана и «отсечке» по очень малому значению в 1%.
Каких-либо настроек, позволяющих ограничить уровень заряда и соответственно влияющих на автономность, не предусмотрено.
Сравним показанную ноутбуком Horizont T74E4W автономность с моделями, для батарей которых заявлена емкость около 50 Вт·ч.
| Модель | Horizont H-book 15 MAK4 T74E4W (50 Вт·ч) | Digma Pro Sprint M (51,3 Вт·ч) | Infinix Inbook X2 Plus XL25 (50 Вт·ч) | Infinix Inbook X2 XL21 (51 Вт·ч) | MSI Modern 15 A5M-089RU (52,5 Вт·ч) |
|---|---|---|---|---|---|
| Работа с текстом | 437 | 612 | 572 | 520 | 578 |
| Просмотр видео | 339 | 457 | 417 | 522 | 495 |
Как видите, результаты совсем не рекордные, даже наоборот: наблюдается существенное отставание от всех других участников сравнения.
Теперь о питании от сети. Посмотрим, как быстро происходит зарядка батареи от штатного БП после автоотключения по уровню в 1%; на ноутбуке была загружена ОС, контроль велся по штатной оснастке Windows.
| Уровень заряда | 25% | 40% | 50% | 60% | 70% | 80% | 90% | 95% | 100% |
|---|---|---|---|---|---|---|---|---|---|
| Время, ч:мм | 0:21 | 0:38 | 0:49 | 0:59 | 1:10 | 1:21 | 1:35 | 1:47 | 2:18 |
В процессе заряда индикатор на левом боку ноутбука возле разъема питания светит красным, появление показателя 100% сопровождается сменой цвета на зеленый.
Второй замер сделали при выключенном ноутбуке, отслеживая состояние по цвету этого индикатора. Результат получился практически таким же: 2 часа 16 минут.
С учетом умеренной емкости батареи время полного восполнения энергии в ней среднее.
Для имеющегося разъема Type-C заявлена только передача данных, поэтому мы не стали подключать к нему источник с поддержкой Power Delivery.
У некоторых моделей BMS не позволяет провести дозаряд при остатке энергии выше 90%, и если требуется зарядить батарею по максимуму, то приходится сначала разряжать хотя бы до 88-89 процентов. В данном случае подобного нет, полный заряд можно получить при любом остатке.
Штатный адаптер имеет распаянный выходной кабель длиной 1,2 м, съемный входной чуть длиннее — 1,3 м, при этом используется трехпроводный кабель с вилкой Schuko (CEE 7/4) и разъемы С5/С6 (IEC 60320); подобное встречается часто, а зачем — сказать трудно, и в данном случае при весе самого адаптера в 220 граммов входной кабель весит 140 г, хотя чисто технически вполне можно было бы обойтись гораздо более легким двухпроводным «шнурком» с компактными разъемами.
Работа под нагрузкой и нагрев
Сначала немного об особенностях конструктива.
Системная плата очень компактная — она занимает примерно четверть корпуса.
Для оперативной памяти предусмотрен единственный слот SO-DIMM, занятый 16-гигабайтным модулем.


Правее находятся штатный SSD NVMe M.2 2280, установленный в соответствующий слот, и распаянный модуль беспроводной связи.
Слота для второго накопителя нет, но предусмотрена возможность установки 2,5-дюймового SSD или HDD с интерфейсом SATA.
Насколько оптимальным является такое решение, сказать сложно: конечно, хорошо, что вообще можно добавить еще один накопитель, но SATA-модели в целом работают медленнее. Для диска, призванного просто увеличить объем хранения данных, особой разницы нет, однако установленный накопитель Wodposit WPNM28-512G далеко не самый быстрый (это будет подтверждено тестами), и если владелец захочет заменить его на более производительный, то встанет вопрос, куда девать имеющийся — к разъему SATA его не приладишь.
Есть и еще одна платка, на ней распаяны картовод, разъем USB-A и обслуживающие их компоненты. Соединяются платы шлейфом.
Оставшуюся часть внутреннего пространства занимает литий-ионная батарея Г-образной формы, состоящая из трех ячеек. По бокам находится пара динамиков.
Система охлаждения содержит единственный радиатор с вентилятором, который одной тепловой трубкой соединяется с теплосъемником процессора. Как уже говорилось, воздух всасывается через прорези в днище и выбрасывается назад, к нижней части экрана.
Количество скоростей вентилятора по доступным наблюдениям определить не получается — частота вращения не отображается ни в одной из используемых нами утилит, а если судить по звуку, то либо ступеней несколько, либо вообще используется плавная регулировка.
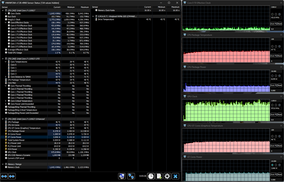
Чтобы оценить, как меняются параметры работы компонентов системы (температуры, частоты и пр.) при разных сценариях нагрузок, приведем табличку (через дробь даны максимальное/установившееся значения), вентилятор при этом автоматически изменяет обороты по мере необходимости.
| Сценарий нагрузки | Частоты CPU, ГГц | Температура CPU, °C | Потребление CPU, Вт | Частота GPU, ГГц | Температура GPU, °C | Потребление GPU, Вт |
|---|---|---|---|---|---|---|
| Бездействие | 37—51 | 1,5-2 | ||||
| Максимальная нагрузка на процессор | 3,2/2,9 | 99-100 | 30/27 | |||
| Максимальная нагрузка на видеокарту | 48 | 8-9 | 0,8-1,1 | 48 | 3,7-4,5 | |
| Максимальная нагрузка на процессор и видеокарту | 3,0/2,5-2,6 | 77-80 | 28/25 | 0,7 | 65-67 | 7,3-7,5 |
Теперь немного подробнее.
При подаче стрессовой нагрузки (программа powerMax) на CPU температура быстро нарастает, достигая 99-100 °C, начинаются перегрев и тротлинг нескольких ядер, которые не прекращаются в дальнейшем, хотя вентилятор постепенно наращивает скорость до максимальной. Потребление около полутора минут держится на уровне 30 Вт (то есть немного выше максимума по спецификации), затем чуть снижается, частота на такое же время повышается до 3,2 ГГц с последующим уменьшением до 2,9 ГГц.
При максимальной нагрузке одновременно на процессор и видеокарту картина иная: буквально на пару секунд частота CPU подпрыгивает до 3,0 ГГц, а потребление — до 28 Вт, затем следует спад до 2,5-2,6 ГГц и 25 Вт, эти значения остаются до конца теста. Температура не поднимается выше 80 °C, тротлинга нет. У GPU при этом всё стабильно: частота около 700 МГц, потребление 7,5 Вт, температура в пределах 66 °C. Вентилятор медленно раскручивается до максимума.
При нагрузке только на видеоядро ситуация такая: температура GPU не превышает 48 °C, его частота постоянно меняется в пределах 0,8—1,1 ГГц, что всё же меньше максимума по спецификации (1,4 ГГц), а общее потребление остается в пределах 9 Вт (для видео утилита показывает 3,7-4,5 Вт). Вентилятор работает на малой скорости.
Получается, что процессор вполне может трудиться «на всю катушку», однако система охлаждения не всегда справляется со своей задачей — в некоторых ситуациях возможны перегрев и тротлинг, причем даже не кратковременные, а постоянные.
Ниже приведены термоснимки, полученные после долговременной работы ноутбука под максимальной нагрузкой на CPU и GPU:
Под максимальной нагрузкой работать с клавиатурой комфортно, места под запястьями практически не нагреваются. Держать ноутбук на коленях слегка дискомфортно, так как нагрев днища колени всё же чувствуют.
Блок питания греется очень сильно, поэтому при долговременной работе с высокой производительностью нужно следить, чтобы он не был ничем накрыт.
Уровень шума
Измерение уровня шума мы проводим в специальной звукоизолированной и полузаглушенной камере. При этом микрофон шумомера располагается относительно ноутбука так, чтобы имитировать типичное положение головы пользователя: экран откинут назад на 45 градусов, ось микрофона совпадает с нормалью, исходящей из центра экрана, передний торец микрофона находится на расстоянии 50 см от плоскости экрана, микрофон направлен на экран. Нагрузка создается с помощью программы powerMax, яркость экрана установлена на максимум, температура в помещении поддерживается на уровне 24 градусов, но ноутбук специально не обдувается, поэтому в непосредственной близости от него температура воздуха может быть выше. Для оценки реального потребления мы также приводим (для некоторых режимов) потребление от сети. Аккумулятор предварительно заряжен до 100%.
| Сценарий нагрузки | Уровень шума, дБА | Субъективная оценка | Потребление от сети, Вт |
|---|---|---|---|
| Бездействие | 16,1 (фон)/23,3 | условно бесшумно/очень тихо | 14 |
| Максимальная нагрузка на процессор | 44,0 | очень шумно | 56 (максимум 57) |
| Максимальная нагрузка на видеокарту | 28,5 | тихо | 33 (максимум 33) |
| Максимальная нагрузка на процессор и видеокарту | 39,8 | шумно | 50 (максимум 52) |
Если ноутбук не нагружать совсем, его система охлаждения всё равно не будет работать в пассивном режиме: вентилятор периодически включается на 3-5 секунд, причем на довольно высокой скорости.
Под большой нагрузкой шум от системы охлаждения довольно высокий. Однако характер шума ровный и раздражения не вызывает. Спектрограмма, полученная для варианта с максимальной нагрузкой на процессор, достаточно ровная, и в диапазоне частот, где звуки могут вызывать особенное раздражение, выраженных пиков нет (низкочастотными пиками можно пренебречь):
Для субъективной оценки уровня шума применим такую шкалу:
| Уровень шума, дБА | Субъективная оценка |
|---|---|
| Менее 20 | условно бесшумно |
| 20—25 | очень тихо |
| 25—30 | тихо |
| 30—35 | отчетливо слышно |
| 35—40 | шумно |
| 40—45 | очень шумно |
| 45—50 | громко |
| Выше 50 | очень громко |
Ниже 20 дБА компьютер условно бесшумный, от 20 до 25 дБА ноутбук можно назвать очень тихим, от 25 до 30 дБА шум от системы охлаждения не будет сильно выделяться на фоне типичных звуков, окружающих пользователя в офисе с несколькими сотрудниками и работающими компьютерами, от 30 до 35 дБА шум отчетливо слышно, от 35 до 40 дБА шум превышает комфортный уровень для долговременной работы, от 40 до 45 дБА ноутбук работает очень шумно и для работы необходима, например, маскировка фоновой музыкой, от 45 до 50 дБА уровень шума очень некомфортный, а от 50 дБА и выше шум настолько высокий, что необходимо использовать наушники. Шкала, конечно, очень условная и не учитывает индивидуальных особенностей пользователя и характер звука.
Сравним с другими подобными ноутбуками по максимальным значениям:
| Сценарий | Horizont H-book 15 MAK4 (T74E4W) | Irbis SmartBook 15NBP3508 | Digma Pro Sprint M | Infinix Inbook X2 Plus | Infinix Inbook X2 | Huawei MateBook D16 RLEF-X, профиль Сбалансированный |
|---|---|---|---|---|---|---|
| Нагрузка на CPU | 44 | 44,3 | 34 | 32,1 | 34,8 | 33,4 |
| Нагрузка на CPU и GPU | 39,8 | 36,5 | 34 | 29,6 | 33,7 | 37 |
То есть ноутбук Horizont сравнительно шумный, и по нашей таблице градаций оценки, учитывающей субъективность восприятия, он и модель Irbis чаще попадают в разряды «шумно» и даже «очень шумно», тогда как у прочих категории более щадящие для ушей пользователя.
Производительность
В ноутбуке установлен не самый свежий, но и не древний процессор Intel Core i7-1195G7 (10 нм SuperFin, кодовое наименование Tiger Lake, выпускается с середины 2021 года), который предназначен для ультрабуков. У него 4 ядра, которые могут работать на частотах от 1,3 до 5,0 ГГц, при нагрузке на все ядра максимальная частота составит 4,6 ГГц (по другим данным — 4,8 ГГц).
TDP процессора может изменяться в пределах от 12 до 28 ватт. При тестировании мы видели, что в данном случае долговременное потребление на уровне 25-27 Вт является вполне реальным, а в некоторых режимах на довольно заметное время может достигать и 30 Вт.

В процессор интегрировано видеоядро, которое и используется ноутбуком — дискретной видеокарты нет.
На системной плате в единственный слот установлен модуль памяти Lexar DDR4-3200.
В подобном ноутбуке вряд ли кому-то потребуется больше имеющихся 16 гигабайт ОЗУ, но штатный модуль работает в одноканальном режиме, что не может не сказаться на быстродействии системы, и это нельзя исправить добавлением второй «планки»: ее попросту некуда ставить.

Установленный накопитель Wodposit WPNM28-512G (M.2 2280, NVMe, PCIe 3.0 x4) на 512 ГБ имеет среднюю пиковую производительность.

Предлагаем сравнить с результатами тестов еще двух SSD с той же емкостью — Foresee XP1000F512G (ноутбук Tecno Megabook T1) и KingSpec NX-512 (Irbis SmartBook 15NBP3508), которые также не относятся к топовым:
Ноутбук оснащен картоводом microSD, который управляется чипом Realtek RTS5170.
Для определения скоростных показателей картовода воспользуемся носителем SanDisk Ultra (класс I) емкостью 64 ГБ:

Для сравнения приводим результаты картоводов ноутбуков Irbis SmartBook 15NBP3508 и Digma Pro Sprint M:
Второй тест — скорость реальных файловых операций, выполняемых средствами ОС: копирование 100 файлов изображений общим объемом 2,5 ГБ сначала с носителя в папку на рабочем столе, затем из папки на носитель.
В первом случае процедура заняла 97 секунд, что соответствует средней скорости 25,7 МБ/с, во втором — 100 секунд, или 25 МБ/с. По сравнению с картоводами только что упомянутых ноутбуков получается немного быстрее, причем в обе стороны.
| Сценарий | Horizont H-book 15 MAK4 T74E4W | Irbis SmartBook 15NBP3508 | Digma Pro Sprint M |
|---|---|---|---|
| С компьютера на microSD | 25 | 24,5 | 18,7 |
| С microSD на компьютер | 25,7 | 20,1 | 22,3 |
Переходим к тестированию в соответствии с методикой и набором приложений пакета iXBT Application Benchmark 2020.
Для сравнения взяли модели, оснащенные различными процессорами Intel Core 11-го и 12-го поколений, с объемом ОЗУ 16 ГБ, интегрированным видеоядром и SSD NVMe PCIe 3.0 x4.
Первый участник, ноутбук Irbis SmartBook 15NBP3508, отличается наиболее свежим процессором Intel Core i5-1235U (2+8 ядер/12 потоков, до 3,3/4,4 ГГц, 12—55 Вт), но тесты показали, что TDP у него изрядно снижен; память такая же, как в аппарате Horizont — DDR4-3200, и тоже в одноканальном режиме. Обзор этого ноутбука мы подготовим в скором времени.
Второй — Infinix Inbook X2 Plus XL25 с таким же, как у Horizont, процессором Core i7-1195G7, третий — Huawei MateBook 14s HKD-W76 с Core i7-11370H (4 ядра/8 потоков, до 3,3/4,8 ГГц, TDP 35 Вт), у них память LPDDR4x-4266 в четырехканальном режиме, соответствующем двухканальному обычной DDR4.
| Референсный результат (Core i5-9600K) | Horizont H-book 15 MAK4 T74E4W (Intel Core i7-1195G7) | Irbis SmartBook 15NBP3508 (Intel Core i5-1235U) | Infinix Inbook X2 Plus (XL25) (Intel Core i7-1195G7) | Huawei MateBook 14s HKD-W76 (Intel Core i7-11370H) | |
|---|---|---|---|---|---|
| Видеоконвертирование, баллы | 100 | 70 | 77 | 59 | 85 |
| MediaCoder x64 0.8.57, c | 132,0 | 195,2 | 157,8 | 214,1 | 154,6 |
| HandBrake 1.2.2, c | 157,4 | 212,1 | 228,9 | 262,8 | 185,6 |
| VidCoder 4.36, c | 385,9 | 577,1 | 488,4 | 703,0 | 452,9 |
| Рендеринг, баллы | 100 | 81 | 83 | 71 | 93 |
| POV-Ray 3.7, с | 98,9 | 152,9 | 114,9 | 176,5 | 130,9 |
| Cinebench R20 | 122,2 | 146,9 | 135,6 | 168,6 | 129,2 |
| Вlender 2.79, с | 152,4 | 194,5 | 192,3 | 229,1 | 167,8 |
| Adobe Photoshop CС 2019 (3D-рендеринг), c | 150,3 | 148,0 | 191,6 | 163,3 | 132,0 |
| Создание видеоконтента, баллы | 100 | 78 | 77 | 71 | 103 |
| Magix Vegas Pro 16.0, c | 363,5 | 530,3 | 466,7 | 581,9 | 336,0 |
| Adobe After Effects CC 2019 v 16.0.1, с | 468,7 | 571,0 | 554,0 | 661,3 | 493,0 |
| Photodex ProShow Producer 9.0.3782, c | 191,1 | 227,8 | 271,6 | 238,6 | 175,0 |
| Обработка цифровых фотографий, баллы | 100 | 96 | 78 | 111 | 113 |
| Adobe Photoshop CС 2019, с | 864,5 | 824,7 | 923,9 | 806,7 | 713,6 |
| Adobe Photoshop Lightroom Classic СС 2019 v16.0.1, c | 138,5 | 157,2 | 183,8 | 119,6 | 89,2 |
| Phase One Capture One Pro 12.0, c | 254,2 | — | 380,5 | — | 333,3 |
| Распознавание текста, баллы | 100 | 85 | 94 | 70 | 99 |
| Abbyy FineReader 14 Enterprise, c | 492,0 | 578,8 | 523,9 | 704,4 | 498,5 |
| Архивирование, баллы | 100 | 80 | 72 | 86 | 112 |
| WinRAR 5.71 (64-bit), c | 472,3 | 554,3 | 665,6 | 510,5 | 393,1 |
| 7-Zip 19, c | 389,3 | 513,8 | 527,2 | 491,3 | 373,0 |
| Научные расчеты, баллы | 100 | 74 | 70 | 67 | 89 |
| LAMMPS 64-bit, c | 151,5 | 199,1 | 195,2 | 226,7 | 160,8 |
| NAMD 2.11, с | 167,4 | 239,5 | 337,2 | 289,7 | 184,3 |
| Mathworks Matlab R2018b, c | 71,1 | 103,4 | 93,0 | 112,7 | 98,5 |
| Dassault SolidWorks Premium Edition 2018 SP05 с пакетом Flow Simulation 2018, c | 130,0 | 160,4 | 161,3 | 158,7 | 129,0 |
| Интегральный результат без учета накопителя, баллы | 100 | 80 | 79 | 75 | 99 |
| WinRAR 5.71 (Store), c | 78,0 | 32,0 | 33,6 | 25,5 | 25,9 |
| Скорость копирования данных, с | 42,6 | 15,1 | 14,9 | 14,3 | 11,3 |
| Интегральный результат накопителя, баллы | 100 | 262 | 258 | 302 | 338 |
| Интегральный результат производительности, баллы | 100 | 115 | 112 | 114 | 143 |
Последние два теста позволяют сказать: накопитель у тестируемого ноутбука не самый быстрый (но, конечно, гораздо быстрее, чем древняя SATA-модель у референсной системы).
Без учета накопителя картина получается не самой радостной в приложениях, связанных с обработкой фотографий и архивированием, которые чувствительны к скорости работы памяти: здесь модели Horizont и Irbis, у которых она и не самая быстрая, и работает в одноканальном режиме, уступили остальным, хотя герой нашего обзора показал себя немного лучше, чем модель Irbis. Однако и в прочих задачах он отнюдь не в лидерах, а скорее середнячок.
Тестирование в играх
Ноутбук Horizont H-book 15 MAK4, оснащенный лишь интегрированным видеоядром, даже с натяжкой нельзя назвать игровым.

Для подтверждения этого мнения мы всё же провели тестирование в World of Tanks при трех установках качества и трех разрешениях. В таблице приведены средние (в скобках минимальные) значения частоты кадров.
| Разрешение | Низкое качество | Среднее качество | Максимальное качество |
|---|---|---|---|
| 1920×1080 | 154 (65) | 45 (29) | 20 (13) |
| 1366×768 | — | 71 (47) | 34 (22) |
| 1280×720 | — | — | 37 (24) |
Результаты получились ожидаемые: с заявленным для данной модели разрешением, не особенно высоким по современным меркам, даже в нетребовательных «танках» и при среднем качестве не получается даже приблизиться к комфортным значениям от 60 fps в среднем и 30 fps минимальных, а для максимального качества получить такое нельзя и ценой очень существенного снижения разрешения. И это при том, что включать трассировку лучей мы даже не пытались.
Собственно, уже всё понятно, но для сравнения опробовали еще три игры (гоночный симулятор, «стрелялка» и стратегия), которые запускали и на двух упомянутых выше ноутбуках, а вместо Huawei взяли еще один Infinix — Inbook X2 (без Plus) с процессором Intel Core i7-1065G7. Вот результаты для разрешения 1920×1080 при установке среднего качества:
| Игра | World of Tanks | F1 2018 | Gears 5 | Total War Saga: Troy |
|---|---|---|---|---|
| Horizont H-book 15 MAK4 (T74E4W) | 45 (29) | 32 (27) | 22 (19) | 21 (17) |
| Irbis SmartBook 15NBP3508 | 43 (29) | 30 (26) | 21 (18) | 24 (20) |
| Infinix Inbook X2 Plus | 69 (36) | 52 (42) | 32 (28) | 39 (31) |
| Infinix Inbook X2 | 35 (20) | 21 (18) | 6 (4) | 18 (14) |
Сравнительная оценка та же, что и в тестах приложений, однако в плане реальной «играбельности» все они не дотягивают до упомянутого чуть выше уровня условного комфорта, причем даже со средним качеством, и только в «танках» один из них перешагнул эту границу (и это вовсе не Horizont).
Заключение
Мы оставляем за кадром вопрос, являются ли ноутбуки Horizont самостоятельной разработкой (и на какую долю) или «перемаркированными» изделиями не самых известных китайских производителей. Сегодня этих брендов великое множество, их продукты порой похожи как близнецы-братья, поэтому разобраться в череде заимствований и найти «первоисточник» очень уж непросто, да и вряд ли нужно. Если же кого-то данный момент крайне волнует, то некоторые соображения на этот счет легко можно найти в интернете.
К положительным сторонам модели Horizont H-book 15 MAK4 T74E4W отнесем неплохой экран (конечно, с учетом ценовой категории). Клавиатура оснащена цифровым блоком — правда, не полноценным, а трехрядным, но он есть, и это тоже плюс. Две кнопки со стрелками имеют половинную высоту, и это уже минус. Веб-камера не супербюджетная, как порой бывает и в более дорогих ноутбуках, однако шторкой ее не оснастили. Нет и сканера отпечатка пальца. Внешний вид скорее нейтральный, чем радующий взгляд или отталкивающий. Толщина корпуса великовата, да и вес мог бы быть поменьше. Набор внешних портов небогатый: всего три USB (из которых один Type-C, поддерживающий только передачу данных) и HDMI. На этом фоне наличие картовода microSD утешает мало. Автономность посредственная, и это при вполне типовой для подобных моделей емкости батареи.
Процессор не новейший, но и не «музейный», к тому же его TDP производителем ноутбука не ограничен, что часто делают для оптимизации теплового режима. Однако система охлаждения, хоть и довольно шумная, не отличается особой эффективностью: при существенных нагрузках она не в силах исключить перегрев. Объема оперативной памяти и емкости накопителя для большинства задач достаточно, но оба эта компонента можно дополнительно проапгрейдить: объем ОЗУ увеличивается только заменой имеющегося модуля (который работает в одноканальном режиме), а для второго SSD предусмотрен только интерфейс SATA, не NVMe. Показанные в тестах приложений результаты можно назвать лишь средними, а про современные игры говорить тем более нет смысла — подобные ноутбуки к игровым и близко не относятся.
Подведем итог: ноутбук не поразил своими возможностями, но не оставил и исключительно негативного впечатления. То же можно сказать и про внешний вид: не «ах», но и не «ой». Тем не менее, появление нового «ноутбучного» бренда у наших ближайших соседей можно только приветствовать, памятуя про «лиха беда начало» — будем надеяться, что на достигнутом белорусский холдинг не остановится и в обозримом будущем предложит более интересные модели по вполне доступным ценам.
В заключение предлагаем посмотреть наш видеообзор ноутбука Horizont H-book 15 MAK4 (T74E4W):











































