Часть 1. Конструкция

В прошлой статье («Съемка видео / Приспособления») о самоделках для съемки видео с помощью цифровой фотокамеры я уделил немного внимания записи звука, упомянув о возможности использования подключаемого петличного микрофона Sanyo HM-250 и синхронной записи на аудиорекордер (Alesis PalmTrack).

В этой статье тема самоделок для записи звука будет продолжена. Но прежде о том, зачем что-то делать самому. Первый и главный ответ — потому что интересно. Второй — потому что «барыги достали». Недавно в «живом магазине» (вернее, в торговом комплексе, где, как правило, ценников не ставят) мне предлагали посредственный микрофон Audio-Technica ATR-6550 по примерно тройной цене от той, что просят в российских интернет-магазинах (разумной, но, естественно, чуть более высокой, чем в странах «развитого капитализма»). К счастью, есть интернет для справки по ценам и еще есть YouTube, который позволяет оценить качество звука, не покупая микрофон.
Так вот, если набрать в поиске по YouTube название микрофона с приемлемой ценой (я ее оцениваю в <¼ от стоимости камеры), то можно «чужими руками» протестировать такие устройства. Оказывается, звук недорогих микрофонов непринципиально отличается от звука встроенного микрофона камеры. Конечно, даже у недорогих микрофонов есть преимущества перед встроенным. Внешние микрофоны, как правило, стерео, они «не слышат» (или «хуже слышат») шум от работы механизмов камеры и прикосновения рук оператора к ней, могут работать в ненаправленном и направленном режимах. Сделать аналог такого микрофона не так уж и сложно, поэтому стоит попробовать.
Небольшое дополнение о той простой самоделке (петличный микрофон в «противоветровом» держателе), которая была описана в прошлой статье. Я писал, что микрофон Sanyo HM-250 имеет более-менее равномерную направленность (что проверялось по индикаторам уровня записи камеры/рекордера при вращении микрофона вокруг своей оси). И еще о том, что он хуже, чем встроенный микрофон камеры, слышит высокие частоты. Однако (при более внимательном и методичном анализе с помощью генератора белого шума и программы Audacity) оказалось, что у этого микрофона заметно падает чувствительность к высоким частотам при боковой направленности сигнала. Поэтому микрофон был извлечен из петлички кроватки-держателя (см. иллюстрации к прошлой статье) и помещен в ветрозащитный держатель вперед головкой (а не боком, как это возможно при использовании кроватки-держателя). Звук, записываемый такой конструкцией, стал лучше. Но длинные провода петличного микрофона нередко ловят наводки, и тогда неприятные гулы с биениями слышны в записи. Выход — резать (укорачивать) провода и/или менять их на экранированные. Так как портить петличный микрофон не хотелось, я решил сделать микрофон из имеющихся в продаже микрофонных капсюлей. Хотя ассортимент подобных устройств в электронных магазинах, как правило, широк, в наличии оказывается не всё и не самое лучшее. Мне удалось приобрести электретные микрофоны JL World HMO 0603B с напряжением питания 3 В, сравнительно широким диапазоном записываемых частот, хорошей чувствительностью и отсутствием выраженной направленности.
Самоделка удачная
Так как было очевидно, что заведомо хороший капсюль (или капсюли — для стереомикрофона) сразу не найти, решено было делать конструкцию микрофона разборной и модульной. Таким образом несколько ухудшается надежность, которая очень важна для конечного решения, но это вполне приемлемо для экспериментальной самоделки. Далее будет описан нормальный работоспособный вариант, а также возможные неприятности при выборе других вариантов.


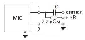
Для модульного подключения микрофона используется разъем RCA. Капсюль микрофона монтируется на контакты «штыря» RCA. На проводе, ведущем к камере, разумно использовать ответный (то есть тот, что для подключения микрофона) разъем RCA типа «гнездо», что позволяет избежать (с большей вероятностью) случайных коротких замыканий цепи камеры.





Слабое место цифровых фотокамер при использовании их как видеокамер — тракт записи звука. По крайней мере, используемая мною Canon EOS 600D в записи звука заметно проигрывает 100-долларовому рекордеру Alesis PalmTrack. Даже при установке более-менее хорошего микрофона качество записи может быть невысоким из-за встроенного в камеру посредственного усилителя и рекордера. Снизить влияние собственных шумов встроенного усилителя камеры можно, просто отключив усиление звука (для некоторых камер это можно сделать с помощью Magic Lantern) или уменьшив его до минимума, одновременно усилив собственно сигнал от микрофона. Для усиления сигнала я собрал самоделку «NM2051, Усилитель микрофонный двухканальный (конструктор)» и испытал ее с камерой. Оказалось, что такой усилитель, действительно, помогает снизить шумы, но сам хорошо ловит внешние наводки. Установить его на камеру и нормально работать с ним мне не удалось — иногда он гудит, шумит и т. п. Пока не решена задача экранирования этого усилителя, я попытался найти ему замену. Требованиям компактности и невысокой стоимости удовлетворяет усилитель для наушников серии Fiio, к примеру Fiio E5. Я нашел его на том же YouTube именно как вариант для усиления сигнала микрофона при записи видео.


Усилитель Fiio E5 не рассчитан на работу с микрофоном и камерой (предполагается, что нагрузка усилителя низкоомная; при 16 Ом выходная мощность составит 150 мВт, при 300 Ом — 16 мВт; а входное сопротивление камеры, судя по данным сайта Magic Lantern, — 2 кОм), и на его входе нет фантомного питания для встроенных в электретные микрофоны-капсюли усилителей. По этой причине необходимо обеспечить дополнительное питание для микрофона.





Как показала практика, при используемом микрофоне HMO 0603B и приведенной выше схеме подключения и питания усилитель добавляет немного уровню сигнала (на усилителе камеры можно выставлять, к примеру, усиление не 50%, а 40% — для получения уровня −12 дБ, что принципиально не сказывается на шуме). Тем не менее, эффект есть, и возможно, он будет лучше при использовании других микрофонов (если доверять ребятам, опубликовавшим свои видеоотчеты на YouTube).
Неудачные варианты
Описанные выше конструкции были не первыми собранными мной микрофонами. Так как накамерный микрофон сравнительно мал, приходится использовать маленькие компоненты, в том числе соединительные. Поэтому для первых конструкций я выбрал разъем TRS 3,5 мм (миниджек). Он компактен, имеет три контакта (в «стерео»-варианте) и универсален (выпускается множество переходников и разъемов). Стереовариант разъема позволяет монтировать на него и двух-, и трехконтактные микрофонные капсюли и разделять цепи сигнала и питания.

Сначала для проверки микрофонов (припаянных к TRS-разъему) был модифицирован стереодвойник. Если его вскрыть и изолировать с помощью кембрика соответствующие контакты, то получится раздвоитель «стерео на 2 моно». Удачные опыты с такой испытательной конструкцией дали повод надеяться, что если к ней добавить провода и источник питания, то микрофон для работы тоже получится.


Почему от конструкций с TRS-разъемом пришлось отказаться, ясно из фотографии. У меня обломался кончик TRS от микрофона и кончик соединительного шнура TRS. Оба раза это случалось не в камере (то есть мне очень повезло), и я решил больше не рисковать с использованием такого типа разъемов. Справедливости ради отмечу, что причина не в самом TRS-разъеме, а в качестве компонентов, которые выпускаются и продаются. Мне пришлось столкнуться не только с обламыванием контактов, но и с внутренними замыканиями в разъемах. Есть у TRS и еще одна неприятная особенность: при соединении разъемов контакты скользят друг по другу и могут замыкать цепь совсем не так, как запланировано. Поэтому монтировать все соединения нужно (рекомендуется) до включения питания оборудования. Собранные цепи микрофонов с TRS-разъемами если и будут работать, то с большой вероятностью они будут генерировать шум и треск из-за плохих контактов. В общем, чтобы не мучиться с отбором TRS-разъемов, я в конце концов выбрал более громоздкие и простые RCA («профессиональные микрофоны», как правило, подключаются с помощью XLR-разъемов — еще более громоздких и менее универсальных). Преимущества RCA: более простой монтаж из-за их больших размеров и хорошее разделение контактов, исключающее некорректное подключение в момент соединения.
Не буду утверждать, что самодельный микрофон заметно улучшил качество записываемого звука. Но субъективно звук пары микрофонов воспринимается как более полный, если сравнить его со звуком, записанным встроенным в камеру микрофоном. Еще важнее то, что внешний микрофон более-менее хорошо изолирован от камеры, и можно не бояться использовать механически шумный стабилизатор оптики и привод фокусировки камеры, а также не переживать по поводу возможности записать звуки управления камерой и изменения хвата рук. Используемые в самоделке капсюли-микрофоны сравнимы по чувствительности с установленными в камере, лучше слышат средние и высокие частоты, но, возможно, по этой же причине заметно сильнее шумят. Все это можно определить и на слух. «Объективной» же оценке качества микрофона я планирую посвятить продолжение статьи.