Оглавление
- Форм-фактор
- Технические характеристики
- Основная функциональность: чипсет, процессор, память
- Периферийная функциональность: PCIe, SATA, разные «фенечки»
- Периферийная функциональность: USB-порты, сетевые интерфейсы, ввод-вывод
- Аудиоподсистема
- Питание, охлаждение
- Подсветка
- Программное обеспечение под Windows
- Настройки BIOS
- Работоспособность (и разгон)
- Выводы
Как всегда, имеет смысл напомнить, что здесь вы можете ознакомиться с материалами по материнским платам, а если кого интересует обзор непосредственно процессоров 12-го поколения от Intel, то имеется материал Андрея Кожемяко.
Напомню, что системный чипсет Z690 получил 28 линий PCI-e (12 – версии 4.0, 16 — 3.0), суммарно 38 высокоскоростных портов (High Speed In Out, HSIO), до 4х интегрированных USB 3.2 Gen2x2 (до 20 Gb/s) портов (правда каждый из них требует поддержки со стороны двух USB 3.2 Gen2, неважно, от самого Z690 или сторонних хабов). .
12е поколение процессоров дает еще 20 линий PCIe, при этом 16 линий версии PCIe 5.0, 4 линии – PCIe 4.0. Процессоры 12ххх умеют поддерживать как DDR5, так и DDR4.
Опытные пользователи знают, что у компании MSI имеется три основных сегмента игровых материнских плат: MEG (самый «топ»), MPG (это MEG, но без ряда «фишек» по оверклокингу, ну и в целом наворотов мало) и MAG (а это самый дешевый игровой сегмент, где «штучек-дрючек» нет, но упор делается на надежность компонентов (такие маркетинговые уловки весьма смешны, ибо получается, что у MEG/MPG компоненты не такие надежные, раз только в MAG нам вещают о «танковой» надежности конденсаторов и дросселей).
Герой нынешнего обзора — MSI MPG Z690 Force WiFi. То есть материнка из семейства MPG (MSI Performance Gaming), которая не относится к топовым (все флагманы — в семействе MEG), однако являет собой все равно очень мощный инструмент для современного ПК, обладая всеми широкими возможностями как по набору периферии, так и по возможностям питания.
Ну и вот сама матплата.
MSI MPG Z690 Force WiFi поставляется в стандартной коробке фирменного дизайна серии MPG. Комплект размещен под платой в отдельном отсеке (только лишь антенна беспроводной связи закреплена над материнкой).
Комплект поставки весьма хорош: кроме традиционных элементов типа руководства пользователя и кабелей SATA, имеются USB-накопитель с ПО, антенна встроенного Wi-Fi-модуля, винтики для М.2 слотов, разветвители для подключения подсветок, бонусные стикеры, подарочные ключи-отвертки и щетка.
ПО поставляется на накопителе типа USB-flash-drive, впрочем за время путешествия платы к покупателю оно все равно успевает устареть, так что придется его обновлять с сайта производителя сразу после покупки. Примечательны бонусы: это двухсторонняя компактная щетка с мягкой и жесткой щетиной для уборки ПК и периферии от пыли, которая может стать прекрасным и очень нужным девайсом в повседневной жизни пользователя ПК.


А также есть две отвертки (плоская и крестовидная), выполненные в виде ключей на кольце. Тоже полезный сувенир!
«Заглушка» на заднюю панель с разъемами уже смонтирована на самой плате.
Форм-фактор
Форм-фактор ATX имеет размеры до 305×244 мм, а E-ATX — до 305×330 мм. Материнская плата MSI MPG Z690 Force WiFi имеет размеры 305×244 мм, поэтому выполнена в форм-факторе ATX, и на ней имеются 9 монтажных отверстий для установки в корпус.
Оборотная сторона — не пустая, там расположена некоторая логика. Текстолит обработан хорошо: во всех точках пайки не только острые концы срезаны, но и все неплохо отшлифовано.
Однако это не все. По традиции у всех плат от MSI на оборотной стороне обозначены места, где могут оставаться ненужные в данный момент крепежные втулки (чаще всего латунные), на которые обычно ложится матплата в корпусе, и к которым ее прикручивают. Эти места отмечены белой краской, и нарочно в них нет никаких электропроводных элементов, чтобы в случае установки матплаты не было случайных замыканий или повреждений от лишней крепежной втулки.
Технические характеристики
Традиционная таблица с перечнем функциональных особенностей.
| Поддерживаемые процессоры | Intel Core 12-го поколения |
|---|---|
| Процессорный разъем | LGA 1700 |
| Чипсет | Intel Z690 |
| Память | 4 × DDR5, до 6600 МГц (XMP), до 128 ГБ, два канала |
| Аудиоподсистема | 1 × Realtek RTL4080 (7.1) + операционный усилитель Savitech SC3H712 |
| Сетевые контроллеры | 1 × Intel I225-V Ethernet 2,5 Гбит/с 1 × Intel Dual Band Wireless AX210NGW (Wi-Fi 802.11a/b/g/n/ac/ax (2,4/6 ГГц) + Bluetooth 5.2) |
| Слоты расширения | 2 × PCIe 5.0 x16 (режимы x16, x8+x8) 1 × PCIe 3.0 x16 (режим x4) |
| Разъемы для накопителей | 6 × SATA 6 Гбит/с (Z690+ASM1061) 1 × M.2 (CPU, PCIe 4.0 x4 для устройств формата 2260/2280/22110) 1 × M.2 (Z690, PCIe 4.0 x4 для устройств формата 2260/2280) 1 × M.2 (Z690, PCIe 4.0 x4 для устройств формата 2242/2260/2280/22110) 1 × M.2 (Z690, PCIe 3.0 x4/SATA для устройств формата 2242/2260/2280) 1 × M.2 (Z690, PCIe 4.0 x4/SATA для устройств формата 2260/2280) |
| USB-порты | 4 × USB 2.0: 2 внутренних разъема на 4 порта (GL850G) 4 × USB 2.0: 4 порта Type-A (черные) (GL850G) 2 × USB 3.2 Gen1: 1 внутренний разъем на 2 порта (Z690) 1 × USB 3.2 Gen2x2: 1 внутренний разъем Type-C (Z690) 5 × USB 3.2 Gen2: 5 портов Type-A (красные) (Z690) 1 × USB 3.2 Gen2: 1 порт Type-C (Z690) |
| Разъемы на задней панели | 1 × USB 3.2 Gen2 (Type-C) 5 × USB 3.2 Gen2 (Type-A) 4 × USB 2.0 (Type-A) 1 × RJ-45 5 аудиоразъемов типа миниджек 1 разъем S/PDIF 2 антенных разъема 1 разъем HDMI out 1 разъем Display Port out кнопка перепрошивки BIOS — Flash BIOS |
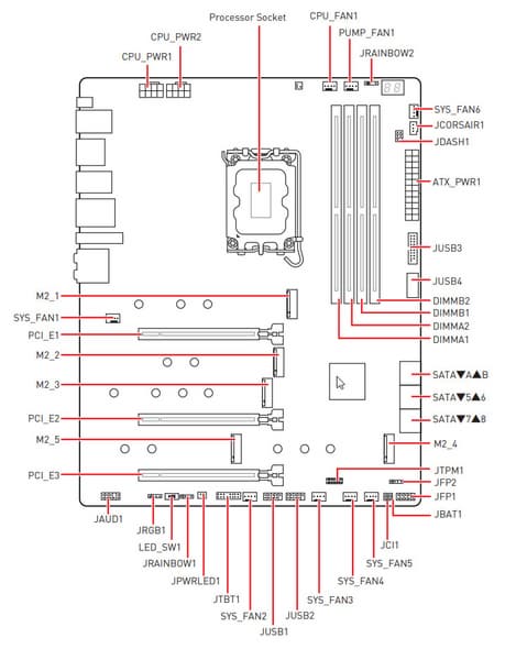
| Прочие внутренние элементы | 24-контактный разъем питания ATX 2 8-контактный разъем питания EPS12V 1 слот M.2 (E-key), занят адаптером беспроводных сетей 1 разъем для подключения порта USB 3.2 Gen2×2 Type-C 1 разъем для подключения 2 портов USB 3.2 Gen1 2 разъема 4 портов USB 2.0 8 разъемов для подключения 4-контактных вентиляторов и помп ЖСО 4 разъема для подключения адаптеров подсветки (1 разъем неадресуемой RGB-ленты, 2 разъема адресуемой ARGB-ленты и 1 разъем для устройств Corsair) 1 разъем для дискретной карты Intel Thunderbolt 1 разъем для TPM 1 разъем для подключения адаптера управления с передней панели корпуса 1 разъем для Tuning Controller |
| Форм-фактор | ATX (305×244 мм) |
| Средняя цена |
Основная функциональность: чипсет, процессор, память


Схема работы связки чипсет+процессор.
Формально имеется поддержка памяти DDR5 до 4800 МГц, однако всем хорошо известно, и производители материнских плат это активно рекламируют: через XMP-профили сейчас можно использовать частоты до 5333 и выше МГц. В частности данная плата поддерживает частоты до 6666 МГц.
Процессоры Intel Core 12-го поколения (совместимые с сокетом LGA1700 и поддерживаемые Z690) имеют 20 линий ввода-вывода (16 PCIe 5.0, 4 PCIe 4.0), не имеют USB и SATA портов. При этом взаимодействие с Z690 идет по особому каналу Digital Media Interface 4.0 (DMI 4.0 x8). Все PCIe линии процессора идут на слоты расширения PCIe и порт М.2. Serial Peripheral Interface (SPI) используется для взаимодействия с системой UEFI/BIOS, а шина Low Pin Count (LPC) — для связи с устройствами ввода/вывода, не требующими высокой пропускной способности (контроллерами вентиляторов, TPM, старой периферии).
В свою очередь чипсет Z690 поддерживает в сумме 38 линий ввода/вывода, которые распределяться могут так:
- до 14 портов USB (из которых до 4 портов USB 3.2 Gen2х2, 10 портов USB 3.2 Gen2, до 10 портов USB 3.2 Gen1, до 14 портов USB 2.0, линии USB 2.0 используются в том числе и для поддержки 3.2 портов, а каждый порт USB 3.2 Gen2х2 требует поддержки со стороны двух USB 3.2 Gen2);
- до 8 портов SATA 6Гбит/с;
- до 28 линий PCIe (16 версии 3.0 и 12 версии 4.0).
Еще раз надо напомнить, что MSI MPG Z690 Force WiFi поддерживает процессоры Intel Core 12-го поколения, выполненные под разъем (сокет) LGA1700.
Для установки модулей памяти на плате MSI имеется четыре DIMM-слота (для работы памяти в Dual Channel в случае использования всего 2 модулей их следует устанавливать в А2 и B2. Плата поддерживает небуферизованную память DDR5 (non-EСС), а максимальный объем памяти составляет 128 ГБ. Разумеется, поддерживаются профили XMP.
Слоты DIMM не имеют металлической окантовки, защищающую их как от физических повреждений, как и от помех.
Периферийная функциональность: PCIe, SATA, разные «фенечки»
Выше мы изучили потенциальные возможности тандема Z690+Core, а теперь посмотрим, что из этого и как реализовано в данной материнской плате.

Кроме USB-портов, к которым мы подойдем позже, чипсет Z690 обладает 28 PCIe линиями. Считаем, сколько линий уходит на поддержку (связь) с тем или иным элементом (надо учитывать, что 28 линий не единой версии, а 12 линий PCIe 4.0 и 16 линий PCIe 3.0):
- Слот PCIe x16_3 (4 линии PCIe 3.0;
- порты SATA_5/6/8: 3 линии PCIe 3.0;
- ASMedia ASM1061 (SATA_A/B) (1 линия PCIe 3.0);
- Слот M.2_2 (4 линии PCIe 4.0);
- Слот M.2_3 (4 линии PCIe 4.0);
- Переключатель: или слот M.2_4 или порт SATA_7 (максимально 4 линии PCIe 3.0);
- Слот M.2_5 (4 линии PCIe 4.0);
- Intel i225-V (Ethernet 2,5Gb/s) (1 линия PCIe 3.0);
- Intel AX210NGW WIFI/BT (Wireless) (1 линия PCIe 3.0)
26 линий PCIe оказались занятыми (12 PCIe 4.0 + 14 PCIe 3.0). В чипсете Z690 связь с аудиокодеками идет через USB-порт. Также один USB 2.0 расходуется на поддержку BT (при наличии слота M.2 (key E) и контроллеры GL850G для своих нужд использует сигнальные линии USB 2.0 Детально об этом ниже в разделе USB-портов.
Теперь посмотрим выше на то, как работают процессоры в данной конфигурации. У CPU 12-го поколения всего 20 линий PCIe, 4 из них версии PCIe 4.0 отведены на порт М.2 (M2_1). Оставшиеся 16 линий PCIe 5.0 надо делить на два слота PCIe x16 (_1 и _2). Вариантов переключения несколько:
- Слот PCIe x16_1 имеет 16 линий (слот PCIe x16_2 отключен, всего одна видеокарта);
- Слот PCIe x16_1 имеет 8 линий, слот PCIe x16_2 имеет 8 линий
Надо особо отметить, что в случае установки видеокарты в PCIe x16_2 при пустом PCIe x16_1, оба они все равно получают по 8 линий.
Теперь в целом про слоты PCIe.
Всего на плате есть 3 слота: два PCIe x16 (для видеокарт или других устройств) и один PCIe x16 (но фактически имеющий 4 линии). Если про первые два PCIe x16 я выше уже рассказал (они подключены к CPU), то PCIe x16_3 подключен к Z690 и работающий в режиме х4.
Как видим, перераспределение линий PCIe между слотами у этой материнки имеется, поэтому востребованы мультиплексоры Lerain.
Два верхних слота PCIe x16 имеют металлическое армирование из нержавеющей стали, которое увеличивает их надежность (что может быть важным в случае довольно частой смены видеокарт, но что более важно: такой слот легче выдержит нагрузку на изгиб в случае установки очень тяжелой видеокарты топового уровня. Кроме того, такая защита предохраняет слоты от электромагнитных помех.
Матплата позволяет смонтировать СО любого размера.
Для поддержания стабильных частот на шине PCIe имеются усилители (ре-драйверы) сигнала PCIe 4.0 от Diodes Inc.
На очереди — накопители.
Всего у платы 6 разъемов Serial ATA 6 Гбит/с + 5 (пять!) слотов для накопителей в форм-факторе M.2. Порты SATA странно промаркированы, начиная с 5 (5, 6, 7, 8), 4 из них реализованы через чипсет Z690 и поддерживают создание RAID. При этом порт SATA 7 делит ресурсы с портом М.2_4.
Остальные 2 порта SATA A/B реализованы через ASM1061 от ASMedia.
Материнская плата имеет 5(!!!) гнезд форм-фактора М.2.
Второй, третий, четвертый и пятый слоты M.2 получают данные от чипсета Z690, при этом М.2_2, 2_3, 2_5 поддерживают PCIe 4.0, а M.2_4 – PCIe 3.0. Первый M.2_1 получает данные от CPU (PCIe 4.0). При этом М.2_4 и М.2_5 поддерживают модули с любым интерфейсом, а все остальные работают с модулями только с PCIe интерфейсом.
Все слоты М.2 поддерживают размеры модулей 2260/2280, а также М.2_1, М.2_3 позволяет установить накопители размером до 22110, а в М.2_3 и М.2_4 установятся и с размером 2242. На всех M.2 можно организовать RAID, а также использовать для Intel Optane Memory. Слот М.2_4 делит ресурсы с портом SATA 7: при использовании в М.2_4 накопителя с SATA интерфейсом порт SATA 7 отключен.
Для реализации этого переключения имеется мультиплексор ASM2480 от ASMedia.
Все M.2 слоты имеют радиаторы. Верхний M.2_1 обладает отдельным радиатором, когда как остальные слоты M.2 имеют общие радиаторы (у М.2_2 и М.2_3 общий радиатор с чипсетом).
Периферийная функциональность: USB-порты, сетевые интерфейсы, ввод-вывод
Теперь на очереди USB-порты и прочие вводы-выводы. И начнем с задней панели, куда выведены большинство из них.
Повторим: чипсет Z690 способен реализовать не более 14 портов USB, из которых может быть до 10 портов USB 3.2 Gen1, до 10 портов USB 3.2 Gen2, до 4 портов USB 3.2 Gen2x2, и/или до 14 портов USB 2.0.
Также мы помним и про 28 линий PCIe, которые идут на поддержку накопителей, сетевых и иных контроллеров (я выше уже показал на что и как расходуются 26 линий из 28).
И что мы имеем? Всего на материнской плате — 17 портов USB:
- 1 порт USB 3.2 Gen2x2: реализован с помощью двух линий USB 3.2 Gen2 от Z690 и представлен внутренним портом Type-C (для подключения к соответствующему разъему на передней панели корпуса);
- 6 портов USB 3.2 Gen2: все реализованы через Z690 и представлены на задней панели: 5 – портами Type-A (красного цвета); 1 – портом Type-C;
- 2 порта USB 3.2 Gen1: все реализованы через Z690 и представлены внутренним разъемом на материнской плате на 2 порта);
- 8 портов USB 2.0/1.1: 4 реализованы через контроллер Genesys Logic GL850G (на него потрачена 1 линия USB 2.0) и представлены двумя внутренними разъемами на материнской плате (каждый на 2 порта); еще 4 реализованы через второй контроллер Genesys Logic GL850G (на него потрачена 1 линия USB 2.0) и представлены на задней панели 4 портами Type-A (черного цвета).
Таким образом, у нас 4 контроллера используют USB линии:
- Genesys Logic GL850G (2 USB 2.0) (1 линия USB 2.0);
- Genesys Logic GL850G (2 USB 2.0) (1 линия USB 2.0);
- Audio (1 линия USB 2.0);
- Bluetooth (AX210) (1 линия USB 2.0).
Итак, через чипсет Z690 реализовано высокоскоростных портов USB:
- 1 выделенный USB 3.2 Gen2x2 (не в счет, ибо получен засчет других HSIO);
- + 6 выделенных USB 3.2 Gen2
- + 2 выделенных USB 3.2 Gen1
- + 2 USB 3.2 Gen2 на поддержку USB 3.2 Gen2x2
= 10 высокоскоростных портов. Не забываем, что каждый высокоскоростной порт USB обеспечен портом USB 2.0, то есть уже 10 портов USB 2.0 также занято. Плюс 4 порта USB 2.0 на обеспечение контроллеров. Всего 14 USB портов реализовано.
Ну и 26 линий PCIe, выделенных на поддержку иной периферии.
Итого у Z690 в данном случае реализовано 36 высокоскоростных портов из 38.
Все быстрые USB порты Type-C оснащены ре-драйверами от Diodes Inc, дающими устойчивый вольтаж, способный обеспечить быструю зарядку мобильных гаджетов через них.
Теперь о сетевых делах.
Материнская плата оснащена средствами связи хорошо. Имеется скоростной Ethernet-контроллер Intel I225-V, способный работать по стандарту 2,5 Гбит/с.
Имеется и комплексный беспроводной адаптер на контроллере Intel AX-210NGW, через который реализованы Wi-Fi 6E (802.11a/b/g/n/ac/ax) и Bluetooth 5.2. Он установлен в слот M.2 (E-key), и его разъемы для привинчивания выносных антенн выведены на заднюю панель.
Заглушка, традиционно надеваемая на заднюю панель, в данном случае уже надета, и изнутри экранирована для снижения электромагнитных помех.
Аудиоподсистема
Когда-то в большинстве современных материнских платах звуком заведовал аудиокодек Realtek ALC1220. Он обеспечивал вывод звука по схемам до 7.1 с разрешением до 24 бит / 192 кГц. Теперь в средне-бюджетных и топовых матплатах он заменяется на кодек ALC4080 того же производителя с улучшенными характеристиками 32 бит / 384 кГц.
В тракте используется операционный усилитель Savitech SV3H712.
В аудиоцепях платы применяются «аудиофильские» конденсаторы Nichicon Fine Gold.
Аудиотракт вынесен на угловую часть платы, не пересекается с другими элементами.
Все аудиоразъемы на задней панели имеют позолоченное покрытие, однако нет привычной цветовой окраску разъемов, поэтому ориентироваться можно только по обозначениям.
Питание, охлаждение
Для питания платы на ней предусмотрены 3 разъема: в дополнение к 24-контактному ATX (он на правой стороне платы (на фото — слева) здесь есть еще два 8-контактных EPS12V.
Схема питания процессора выполнена по схеме 18+1+1 (всего 20 фаз, 18 на VCore, 1 на iGPU и 1 на VCCIO).
Каждый канал фазы имеет суперферритовый дроссель и RAA 220075RO MOSFET от Renesas на 75 А для VCore и встроенного графического ядра и MP87992 от Monolithic Power Systems для VCСIO на 70А.
Управляет схемой питания VCore и iGPU ШИМ-контроллер RAA229131 от того же Renesas, рассчитанный максимум на 20 фаз.
Так что мы видим, что схема питания полноценно прямая без удвоителей или параллельных потоков. А для одной фазы VCCIO имеется свой ШИМ-контроллер от Monolithic Power Systems.
Питание VCCSA,как и модулей оперативной памяти имеет однофазную схему.
Теперь про охлаждение.
Все потенциально сильно греющиеся элементы имеют свои собственные радиаторы.
Как мы видим, охлаждение чипсета (один радиатор) организовано отдельно от силовых преобразователей. VRM-секция имеет свои два радиатора, соединенные тепловой трубкой под прямым углом.
Как я уже упоминал ранее, M.2 слоты также имеют радиаторы: у верхнего — свой персональный радиатор, у М.2_3 и М.2_2 – общий радиатор с Z690. Также и М.2_4 и М.2_5 имеют свой общий радиатор.
Подсветка
Программное обеспечение под Windows
Настройки BIOS
Работоспособность (и разгон)
Запускаем все в режиме по умолчанию. Затем нагружаем стресс-тестами.
Уже в который раз мы видим, что без ручного вмешательства автоматически выставляется 4.9 ГГц по всем P-ядрам, и 3.7 ГГц по всем Е-ядрам, и это очень хороший авторазгон! Стоит напомнить, что Р-ядра — это обычные всем привычные ядра, имеющие по 2 потока каждый, «Р» — означает Performance, то есть производительные. «Е» — это энергоэффективные ядра, так называемые, малые ядра, у них по 1 потоку. Снова мы видим, что система по умолчанию, определив очень мощное питание матплаты, выставила очень приличный авторазгон.
В принципе, матплата эта – не оверклокерская, поэтому и авторазгона такого более чем достаточно. Но замечу, что попытка выставить вручную 5.1 ГГц по всем Р-ядрам и 3.9 ГГц по всем Е-ядрам – удалась, то есть система питания крепко держит параметры подобного разгона, стабильность в работе нормальная.
Конечно, можно поиграться с настройками и как-то выйти на 5,2 ГГц по всем ядрам, однако не думаю, что есть какой-то смысл в этом. Особых приростов производительности это не даст, но стабильность работы уменьшится.

Выводы
Материнская плата MSI MPG Z690 Force WiFi — представитель околофлагманской серии MPG с примерной стоимостью в районе 35-40 тысяч рублей. Это немало, но платы на Z690 — весьма дорогой товар в целом.
Рассмотренная модель предназначена для поддержки 12-го поколения процессоров Intel Core, она создана для геймеров, но, разумеется, и для всех остальных. У платы 17 USB-портов, включая 8 очень быстрых USB 3.2 Gen2, а также один самый быстрый USB 3.2 Gen2×2 в виде внутреннего Type-C. Есть 3 слота PCIe х16, два из которых получают от процессора 16 линий PCIe, причем версии 5.0, а третий работает в режиме х4. Также у платы целых 5 слотов M.2: один из них подключен напрямую к процессору линиями PCIe 4.0, три других подключены к чипсету Z690 линиями PCIe 4.0, и один — линиями PCIe 3.0.
Еще у этой модели 6 портов SATA и 8 разъемов для вентиляторов. Несмотря на то что плата относится к серии MPG (а не к топовой серии MEG), система питания процессора у нее очень мощная, она способна обеспечить работу любых совместимых процессоров с запасом на разгон. Также мы видим очень грамотную систему охлаждения каждого потенциально греющегося элемента, включая накопители в слотах M.2. Сетевые возможности хорошие: быстрый проводной контроллер 2,5 Гбит/с, а также один самый современный беспроводной. В числе плюсов платы можно упомянуть широкие возможности для подключения RGB-устройств подсветки, а также дизайн в белых тонах: такая материнка может стать желанным приобретением для владельцев белых корпусов ПК.
Благодарим нашего читателя
Сергея Чебатко
за предоставленную на тестирование плату









































































































