Оглавление
- Форм-фактор
- Технические характеристики
- Основная функциональность: чипсет, процессор, память
- Периферийная функциональность: PCIe, SATA, разные «фенечки»
- Периферийная функциональность: USB-порты, сетевые интерфейсы, ввод-вывод
- Аудиоподсистема
- Питание, охлаждение
- Подсветка
- Программное обеспечение под Windows
- Настройки BIOS
- Работоспособность (и разгон)
- Выводы

Напомню, что системный чипсет Z690 получил 28 линий PCI-e (12 – версии 4.0, 16 — 3.0), суммарно 38 высокоскоростных портов (High Speed In Out, HSIO), до 4х интегрированных USB 3.2 Gen2x2 (до 20 Gb/s) портов (правда каждый из них требует поддержки со стороны двух USB 3.2 Gen2, неважно, от самого Z690 или сторонних хабов). .
12е поколение процессоров дает еще 20 линий PCIe, при этом 16 линий версии PCIe 5.0, 4 линии – PCIe 4.0. Процессоры 12ххх умеют поддерживать как DDR5, так и DDR4.
Теперь перейдем к компании MSI. Многие пользователи знают, что у этой компании имеется три основных сегмента игровых материнских плат: MEG (самый «топчик»), MPG (это MEG, но без ряда «фишек» по оверклокингу, ну и в целом наворотов мало) и MAG (а это самый дешевый игровой сегмент, где «штучек-дрючек» нет, но упор делается на надежность компонентов (меня всегда веселили такие маркетинговые уловки, мол у MEG/MPG компоненты не такие надежные, раз только в MAG нам вещают о «танковой» надежности конденсаторов и дросселей).
Герой нынешнего обзора относится к топовой группе — MEG (MSI Enthusiast Gaming). Вернее, два героя, ибо имеется материнская плата MSI MEG Z690 Unify, которую я уже ранее изучал, и по ней есть у нас обзор. Но сегодня мы имеем возможность полноценно проверить, протестировать второго героя: черное чудо — MSI MEG Z690I Unify. У MSI c суффиксом Unify на одном и том же чипсете всегда имеется два продукта: полноразмерная матплата форм-фактора ATX и младшая сестра (в плане размеров) форм-фактора Mini-ITX. Вот сегодня как раз «малышка» к нам и заглянула. Вспоминается расхожее выражение «полупенденчик» (очень короткая куртка), которое во времена моего детства уже успело превратиться в «перпенденчик». -)
Изучаемая сегодня материнка – из семейства MEG, несмотря и на размеры, и на полное отсутствие подсветки (это как раз фирменная «фишка» Unify), и по сути отсутствие аппаратных «фенечек» по оверклокингу из-за очень компактных размеров.
Ну что же, давайте изучать героя материала.
MSI MEG Z690I Unify поставляется в небольшой коробке фирменного дизайна серии Unify. Комплект размещен под платой.
Комплект поставки весьма хорош: кроме традиционных элементов типа руководства пользователя и кабелей SATA, имеются USB-накопитель с ПО, антенна встроенного Wi-Fi-модуля, винтики для М.2 слотов, разветвители для подключения подсветок, выносной адаптер для удобного подключения USB 2.0, адаптер mini-DP-DP, бонусные стикеры, подарочные ключи-отвертки и щетка.
ПО поставляется на накопителе типа USB-flash-drive, впрочем за время путешествия платы к покупателю оно все равно успевает устареть, так что придется его обновлять с сайта производителя сразу после покупки.
Еще раз хочется отметить бонусы поставки: это двухсторонняя компактная щетка с мягкой и жесткой щетиной для уборки ПК и периферии от пыли, которая может стать прекрасным и очень нужным девайсом в повседневной жизни пользователя ПК.


А также есть две отвертки (плоская и крестовидная), выполненные в виде ключей на кольце. Оба сувенира могут стать очень нужными предметами для многих пользователей ПК (да и не только ПК).
Кроме сувениров еще есть примечательный выносной адаптер для удобного подключения устройств к внутреннему разъему USB 2.0 (2 порта, 9-пин). Он может потребоваться в виду малых размеров платы и нахождения порта USB 2.0 за другими элементами.
«Заглушка» на заднюю панель с разъемами уже смонтирована на самой плате.
Форм-фактор
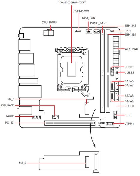
Форм-фактор Mini-ITX имеет размеры 170x170 мм, Micro-ATX до 244×244 мм, ATX до 305×244 мм, а E-ATX — до 305×330 мм. Материнская плата MSI MEG Z690I Unify имеет размеры 170×170 мм, выполнена в форм-факторе Mini-ITX, и на ней имеются 4монтажных отверстий для установки в корпус.
Оборотная сторона — не пустая (и это логично, ибо компактность PCB заставляет инженеров часть важной элементной базы размещать на тыльной стороне), там расположен ряд контроллеров, некоторая логика и слот для накопителя М.2. Текстолит обработан хорошо: во всех точках пайки не только острые концы срезаны, но и все неплохо отшлифовано. С той же стороны установлена пластина из алюминия с наноуглеродным покрытием. Также пластина помогает отводить тепло от задней стороны PCB через термоинтерфейс и обеспечивает жесткость материнской платы.
В местах крепления платы нанесены предупреждения о возможных повреждениях при монтаже.
Технические характеристики
Традиционная таблица с перечнем функциональных особенностей.
| Поддерживаемые процессоры | Intel Core 12-го поколения |
|---|---|
| Процессорный разъем | LGA 1700 |
| Чипсет | Intel Z690 |
| Память | 2 × DDR5, до 6800 МГц (XMP), до 64 ГБ, два канала |
| Аудиоподсистема | 1 × Realtek RTL4080 (7.1) + операционный усилитель Savitech SC3H712 |
| Сетевые контроллеры | 1 × Intel I225-V Ethernet 2,5 Гбит/с 1 × Intel Dual Band Wireless AX211NGW (Wi-Fi 802.11a/b/g/n/ac/ax (2,4/5/6 ГГц) + Bluetooth 5.2) |
| Слоты расширения | 1 × PCIe 5.0 x16 (режим x16) |
| Разъемы для накопителей | 4 × SATA 6 Гбит/с (Z690) 1 × M.2 (M.2_1: CPU, PCIe 4.0 x4 для устройств формата 2280) 1 × M.2 (M.2_2: Z690, PCIe 3.0 x4 / SATA для устройств формата 2280) 1 × M.2 (M.2_3: Z690, PCIe 4.0 x4 для устройств формата 2280) |
| 2 × USB 2.0: 1 внутренний разъем на 2 порта (GL850G) 2 × USB 3.2 Gen1: 1 внутренний разъем на 2 порта (Z690) 1 × USB 3.2 Gen2x2: 1 внутренний разъем Type-C (Z690) 2 × USB 3.2 Gen2: 2 порта Type-C (Thunderbolt 4) 2 × USB 3.2 Gen2: 2 порта Type-A (красные) (Z690) 4 × USB 3.2 Gen1: 4 порта Type-A (синие) (Z690) | |
| Разъемы на задней панели | 2 × USB 3.2 Gen2 (Type-C) 2 × USB 3.2 Gen2 (Type-A) 4 × USB 3.2 Gen1 (Type-A) 1 × RJ-45 3 аудиоразъема типа миниджек 2 антенных разъема кнопка сброса CMOS |
| Прочие внутренние элементы | 24-контактный разъем питания ATX 8-контактный разъем питания EPS12V 1 слот M.2 (E-key), занят адаптером беспроводных сетей 1 разъем для подключения порта USB 3.2 Gen2×2 Type-C 1 разъем для подключения 2 портов USB 3.2 Gen1 1 разъем 2 портов USB 2.0 4 разъема для подключения 4-контактных вентиляторов и помп ЖСО 1 разъем для подключения адаптеров подсветки (адресуемой ARGB-ленты) 1 слот PCIe x4 занят дискретным адаптером Intel Thunderbolt 4 1 разъем для TPM 1 разъем для подключения адаптера управления с передней панели корпуса |
| Форм-фактор | Mini-ITX (170×170 мм) |
| Средняя цена |
Основная функциональность: чипсет, процессор, память

Схема работы связки чипсет+процессор.
Формально имеется поддержка памяти DDR5 до 4800 МГц, однако всем хорошо известно, и производители материнских плат это активно рекламируют: через XMP-профили сейчас можно использовать частоты до 5333 и выше МГц. В частности данная плата поддерживает частоты до 6800 МГц.
Процессоры Intel Core 12-го поколения (совместимые с сокетом LGA1700 и поддерживаемые Z690) имеют 20 линий ввода-вывода (16 PCIe 5.0, 4 PCIe 4.0), не имеют USB и SATA портов. При этом взаимодействие с Z690 идет по особому каналу Digital Media Interface 4.0 (DMI 4.0 x8). Все PCIe линии процессора идут на слоты расширения PCIe и порт М.2. Serial Peripheral Interface (SPI) используется для взаимодействия с системой UEFI/BIOS, а шина Low Pin Count (LPC) — для связи с устройствами ввода/вывода, не требующими высокой пропускной способности (контроллерами вентиляторов, TPM, старой периферии).
В свою очередь чипсет Z690 поддерживает в сумме 38 линий ввода/вывода, которые распределяться могут так:
- до 14 портов USB (из которых до 4 портов USB 3.2 Gen2х2, 10 портов USB 3.2 Gen2, до 10 портов USB 3.2 Gen1, до 14 портов USB 2.0, линии USB 2.0 используются в том числе и для поддержки 3.2 портов, а каждый порт USB 3.2 Gen2х2 требует поддержки со стороны двух USB 3.2 Gen2);
- до 8 портов SATA 6Гбит/с;
- до 28 линий PCIe (16 версии 3.0 и 12 версии 4.0).
Еще раз надо напомнить, что MSI MEG Z690I Unify поддерживает процессоры Intel Core 12-го поколения, выполненные под разъем (сокет) LGA1700. Опять же, из-за крайне компактных размеров платы процессорное гнездо плотно окружено радиаторами охлаждения VRM и М.2 слотов, поэтому далеко на все воздушные кулеры получится установить, поэтому предпочтительнее использовать СВО.
Для установки модулей памяти на плате MSI имеется два DIMM-слота. Плата поддерживает небуферизованную память DDR5 (non-EСС), а максимальный объем памяти составляет 64 ГБ. Разумеется, поддерживаются профили XMP.
Слоты DIMM не имеют металлической окантовки, защищающую их как от физических повреждений, как и от помех.
Периферийная функциональность: PCIe, SATA, разные «фенечки»
Выше мы изучили потенциальные возможности тандема Z690+Core, а теперь посмотрим, что из этого и как реализовано в данной материнской плате.
Кроме USB-портов, к которым мы подойдем позже, чипсет Z690 обладает 28 PCIe линиями. Считаем, сколько линий уходит на поддержку (связь) с тем или иным элементом (надо учитывать, что 28 линий не единой версии, а 12 линий PCIe 4.0 и 16 линий PCIe 3.0):
- порты SATA_5/6/7/8: (4 линии PCIe 3.0);
- Слот M.2_2 (4 линии PCIe 3.0);
- Слот M.2_3 (4 линии PCIe 4.0);
- Intel Thunderbolt 4 (4 линии PCIe 3.0);
- Intel i225-V (Ethernet 2,5Gb/s) (1 линия PCIe 3.0);
- Intel AX211NGW WIFI/BT (Wireless) (1 линия PCIe 3.0)
18 линий PCIe оказались занятыми (4 PCIe 4.0 + 14 PCIe 3.0). В чипсете Z690 связь с аудиокодеками идет через USB-порт. Также один USB 2.0 расходуется на поддержку BT (при наличии слота M.2 (key E) и контроллер GL850G для своих нужд использует сигнальные линии USB 2.0 Детально об этом ниже в разделе USB-портов.
Теперь посмотрим выше на то, как работают процессоры в данной конфигурации. У CPU 12-го поколения всего 20 линий PCIe, 4 из них версии PCIe 4.0 отведены на порт М.2 (M2_1). Оставшиеся 16 линий PCIe 5.0 идут на единственный слот PCIe x16. Поэтому вариантов переключения нет, поэтому нет и мультиплексоров.
Слот PCIe x16 имеет металлическое армирование из нержавеющей стали, которое увеличивает надежность (что может быть важным в случае довольно частой смены видеокарт, но что более важно: такой слот легче выдержит нагрузку на изгиб в случае установки очень тяжелой видеокарты топового уровня. Кроме того, такая защита предохраняет слот от электромагнитных помех.
Для поддержания стабильных частот на шине PCIe имеются усилители (ре-драйверы) сигнала PCIe 4.0.
А также имеется внешний тактовый генератор для PCIe 4.0
На очереди — накопители.
Всего у платы 4 разъема Serial ATA 6 Гбит/с + 3 слота для накопителей в форм-факторе M.2. Порты SATA промаркированы очень странно, начиная с 5 ( 5, 6, 7, 8), все реализованы через чипсет Z690 и поддерживают создание RAID.
Материнская плата имеет 3 гнезда форм-фактора М.2.
Второй и третий слоты M.2 получают данные от чипсета Z690, при этом М.2_3 поддерживает PCIe 4.0, а M.2_2 — PCIe 3.0. Первый M.2_1 получает данные от CPU (PCIe 4.0). При этом М.2_2 поддерживает модули с любым интерфейсом, а все остальные работают с модулями только с PCIe интерфейсом.
Все слоты М.2 поддерживают размер модулей только 2280. На всех M.2 можно организовать RAID, а использовать для Intel Optane Memory можно все, кроме М.2_1.
Из-за компактности матплаты слоты М.2_1 и М.2_2 размещены так называемым «бутербродом», то есть один над другим по обеим сторонам специальной съемной карты-носителя.
М.2_3 расположен на оборотной стороне материнки.
Слот М.2_1 имеет свой отдельный радиатор, покрывающий «бутерброд», у М.2_2 радиатор общий с системным чипсетом, поэтому логично будет туда не ставить сильно греющийся накопитель. А М.2_3 вообще без охлаждения, ибо расположен на тыльной стороне платы, и если будет накопитель со своим радиатором, то надо учитывать, чтобы его высота не превышала стандартной высоты установочных втулок на крепежной пластине корпуса (ну то есть чтобы не вылезала за пределы бэкплейта на матплате).
Периферийная функциональность: USB-порты, сетевые интерфейсы, ввод-вывод
Теперь на очереди USB-порты и прочие вводы-выводы. И начнем с задней панели, куда выведены большинство из них.
Повторим: чипсет Z690 способен реализовать не более 14 портов USB, из которых может быть до 10 портов USB 3.2 Gen1, до 10 портов USB 3.2 Gen2, до 4 портов USB 3.2 Gen2x2, и/или до 14 портов USB 2.0.
Также мы помним и про 28 линий PCIe, которые идут на поддержку накопителей, сетевых и иных контроллеров (я выше уже показал на что и как расходуются 18 линий из 28).
И что мы имеем? Всего на материнской плате — 13 портов USB:
- 1 порт USB 3.2 Gen2x2: реализован с помощью 2х линий USB 3.2 Gen2 от Z690 и представлен внутренним портом Type-C (для подключения к соответствующему разъему на передней панели корпуса);
- 4 порта USB 3.2 Gen2: 2 реализованы через Z690 и представлены на задней панели 2 портами Type-A (красного цвета); 2 реализованы через Intel Thunderbolt 4 (на него потрачены 4 линии PCIe 3.0 от Z690) и также представлены на задней панели 2 портами Type-С;
- 6 портов USB 3.2 Gen1: все реализованы через Z690 и представлены: 2 - внутренним разъемом на материнской плате на 2 порта; еще 4 – на задней панели портами Type-A (синего цвета);
- 2 порта USB 2.0/1.1: все реализованы через контроллер Genesys Logic GL850G (на него потрачена 1 линия USB 2.0) и представлены внутренним разъемом на материнской плате на 2 порта.
Таким образом, у нас 3 контроллера используют USB линии:
- Genesys Logic GL850G (4 USB 2.0) (1 линия USB 2.0);
- Audio (1 линия USB 2.0);
- Bluetooth (AX211) (1 линия USB 2.0).
Итак, через чипсет Z690 реализовано высокоскоростных портов USB:
- 1 выделенный USB 3.2 Gen2x2 (не в счет, ибо получен засчет других HSIO);
- + 2 выделенных USB 3.2 Gen2
- + 6 выделенных USB 3.2 Gen1
- + 2 USB 3.2 Gen2 на поддержку USB 3.2 Gen2x2
=10 высокоскоростных портов. Не забываем, что каждый высокоскоростной порт USB обеспечен портом USB 2.0, то есть уже 10 портов USB 2.0 также занято. Плюс 3 порта USB 2.0 на обеспечение контроллеров. Всего 13 USB портов реализовано.
Ну и 18 линий PCIe, выделенных на поддержку иной периферии.
Итого у Z690 в данном случае реализовано 28 высокоскоростных портов из 38.
Все быстрые USB порты Type-C оснащены ре-драйверами от Diodes Inc, дающими устойчивый вольтаж, способный обеспечить зарядку мобильных гаджетов через них.
Возможность получения быстрой зарядки мобильных гаджетов дает контроллер от ITE. Однако все равно возможности этой функции ограничены из-за отсутствия дополнительного источника питания на матплате.
Конечно же нельзя пройти мимо такого мощного инструмента, как Intel Thunderbolt 4. Плата комплектуется соответствующим контроллером на основе Intel JHL8540.
Он расположен на особой «двуслойной» карте, которая вставлена в слот PCIe x4, предназначенный именно для этой проприетарной карты.


Короче, снова мы видим что-то типа «бутерброда», когда 2 маленькие платки соединены в единое целое устройство, вставляемое в особый слот на материнке.
Одна «платка» имеет 2 гнезда Type-C для вывода как через протокол TB, так и для использования в качестве USB 3.2 Gen2/1, для чего имеются специальные контроллеры от Texas Instruments для преобразования сигнала.
Вторая «платка» занята организацией комплексного вывода информации на соответствующие приемники изображения. Для этого на ней имеется два гнезда формата mini-DisplayPort, работающие на получение сигнала (не на вывод!). А в комплекте поставки имеется нужный переходник для подключения вывода с дискретной видеокарты.

Теперь о сетевых делах.
Материнская плата оснащена средствами связи отлично. Имеется скоростной Ethernet-контроллер Intel I225-V, способный работать по стандарту 2,5 Гбит/с.
Имеется и комплексный беспроводной адаптер на контроллере Intel AX-211NGW, через который реализованы Wi-Fi 6E (802.11a/b/g/n/ac/ax) и Bluetooth 5.2. Он установлен в слот M.2 (E-key), и его разъемы для привинчивания выносных антенн выведены на заднюю панель.
Заглушка, традиционно надеваемая на заднюю панель, в данном случае уже надета, и изнутри экранирована для снижения электромагнитных помех.
Аудиоподсистема
Мы знаем, что уже достаточно давно в большинстве современных материнских платах звуком заведует аудиокодек Realtek ALC1220. Он обеспечивает вывод звука по схемам до 7.1 с разрешением до 24 бит / 192 кГц .Но теперь с переводом поддержки аудиокодеков полностью на USB-линии, стало возможным применить кодек ALC4080 того же производителя с улучшенными характеристиками 32 бит / 384 кГц.
В тракте используется операционный усилитель Savitech SV3H712.
В аудиоцепях платы применяются «аудиофильские» конденсаторы Nichicon Fine Gold.
Аудиотракт вынесен на угловую часть платы, не пересекается с другими элементами. Вывода S/PDIF нет.
Все аудиоразъемы на задней панели имеют позолоченное покрытие, однако нет привычной цветовой окраску разъемов, поэтому ориентироваться можно только по обозначениям.
Питание, охлаждение
Для питания платы на ней предусмотрены 2 разъема: в дополнение к 24-контактному ATX (он на правой стороне платы (на фото — слева) здесь есть еще 8-контактный EPS12V.
Схема питания процессора выполнена по схеме 10+1+1 (всего 12 фаз, 10 на VCore, 1 на iGPU и 1 на VCCIO).
Каждый канал фазы имеет суперферритовый дроссель и RAA 22010540 MOSFET от Renesas на 105 А для VCore, RAA220075R0 на 75 А для встроенного графического ядра и MP87992 от Monolithic Power Systems для VCCIO на 70А.
Управляет схемой питания VCore и iGPU ШИМ-контроллер RAA229131 от Renesas, рассчитанный максимум на 20 фаз.
Так что мы видим, что схема питания полноценно прямая без удвоителей или параллельных потоков. А для одной фазы VCCIO имеется свой ШИМ-контроллер от Monolithic Power Systems.
Питание VCCSA,как и модулей оперативной памяти имеет однофазную схему.

Теперь про охлаждение.
Почти все потенциально сильно греющиеся элементы имеют свои собственные радиаторы.
Как мы видим, охлаждение чипсета (один радиатор) организовано отдельно от силовых преобразователей, однако совмещено с охлаждением накопителя в слоту М.2_2. VRM-секция имеет свои два радиатора, соединенные тепловой трубкой под прямым углом.
Основной радиатор VRM, находящийся в области задних портов матплаты, имеет маленький вентилятор, который включается по необходимости, если нагрев VRM превышает 65 градусов.
Почему я сказал: не все греющиеся элементы имеют охлаждение? – Как я уже упоминал ранее, слот M.2_3 – без радиатора. А слот М.2_2 имеет свой общий с Z690 радиатор. И только у М.2_1 отдельный радиатор.
Плата имеет бэкплейт, пластину с оборотной стороны.Она служит не только элементом защиты или жесткости самой материнки (как минимум, в области слотов DIMM изгиб печатной платы при вставки модулей памяти возможен, так что бэкплейт неплохо тут может помочь), но и дополнительно охлаждает область VRM с тыльной стороны.
Подсветка
Программное обеспечение под Windows
Настройки BIOS
Работоспособность (и разгон)
Запускаем все в режиме по умолчанию. Затем нагружаем стресс-тестами.
Собственно, перед нами привычная уже картина для матплат топового уровня, когда по умолчанию авторазгон процессора i9-12900K достигает частот 4,9 ГГц по Р-ядрам и 3,7 ГГц по Е-ядрам.
Надо напомнить, что Р-ядра — это обычные всем привычные ядра, имеющие по 2 потока каждый, «Р» — означает Performance, то есть производительные. «Е» — это энергоэффективные ядра, так называемые, малые ядра, у них по 1 потоку.
По сути мы видим, что система по умолчанию, определив достаточно мощное питание даже такой «мизерной» матплаты, выставила очень приличный авторазгон. При этом прошу обратить внимание на нагрев остальных потенциально греющихся частей у материнки: VRM прогревался выше 70°С, поэтому включился вентилятор, и нагрев остановился именно на 70 градусов. Нагрев чипсета тоже уже подходил к весьма высоким величинам, а весьма сильно греющийся М.2 накопитель от Aorus я вставлял в М.2_1, который имеет свой радиатор, а совместный с чипсетом Z690 и слотом М.2_2 радиатор охлаждал только первый. А если бы я поставил SSD в М.2_2? Что было бы с накопителем и чипсетом? – Вопрос. Модули памяти также, находясь в тесной обстановке, упорно грелись и уже также постепенно подходили к тревожным по температуре значениям. Вот расплата на компактность матплаты. Понятно, что я запускал стресс-тест, в реальной жизни таких нагрузок на CPU и память нет. К тому же вряд ли кто будет в такой «полупенденчик» ставить самый флагманский процессор. Поэтому нагрев, разумеется, будет меньше. Но вот для тех, кто хочет всего самого мощного и быстрого, да еще с разгоном, я все же советую покупать матплаты обычных форм-факторов типа ATX и E-ATX.
Использование MSI Center в плане выставления режима наибольшей производительности мало что дало: приросты по частотам крайне малы: или изредка некоторые Р-ядра переходили на 5.0 ГГц. Поэтому я решил просто выставить 5,2 ГГц через BIOS. Понимаю, что для такой «лилипуточки» рекорды по частотам вообще ни к чему, к тому же в стресс-тестах, однако мы же должны проверить потенциал такой материнской платы.
Как видим, мощная СВО от Sapphire прекрасно справилась с задачей, нагрев CPU не достигал критических величин, 5,2 ГГц по всем Р-ядрам стабильно держался. Правда Е-ядра почему-то автоматически не стали поднимать частоты (обычно было достаточно поднять частоту на Р-ядрах, оставив режим частот по Е-ядрам на автомате, и вслед за Р-ядрами поднималась частота и на других). Отдельно скажу, что выставление вручную 3,9 ГГц на Е-ядрах не привело к перегреву, температуры все были примерно в тех же пределах. Собственно, мы получили полную картину отменного потенциала системы питания у этой материнской платы.
Выводы
Материнская плата MSI MEG Z690I Unify — уникальный представитель флагманской серии MEG крохотных размеров (впору вспомнить песенку про «лилипуточку» из очень старого фильма). :)
За сочетание топового чипсета (и топовой серии) с форм-фактором Mini-ITX приходится платить: на момент публикации обзора плата имела стоимость в районе 60 тысяч рублей.
Рассмотренная модель предназначена для поддержки 12-го поколения процессоров Intel Core, она создана для заядлых геймеров, умеренных оверклокеров (которым достаточно настроек в BIOS), ну и, разумеется, для всех остальных, кому хочется иметь самое передовое железо и вместе с тем чтобы ПК был небольшого размера.
У платы 13 USB-портов, включая 10 очень быстрых USB 3.2 Gen2/1, а также самый быстрый USB 3.2 Gen2×2. Плата имеет встроенную поддержку Intel Thunderbolt 4 (что уже само по себе уникально для моделей такого размера). Имеется слот PCIe х16, получающий от процессора 16 линий PCIe, причем версии 5.0. Также у платы 3 слота M.2: один из них подключен напрямую к процессору линиями PCIe 4.0, два других подключены к чипсету Z690 линиями PCIe 4.0/3.0. Но следует тщательно изучать характеристики предполагаемых к установке накопителей М.2 в плане потенциального нагрева: только один слот М.2 имеет полноценное охлаждение.
Еще у этой модели 4 порта SATA и 4 разъема для вентиляторов. Полностью отвечая флагманскому позиционированию в серии MEG, плата имеет мощную систему питания, способную обеспечить работу любых совместимых процессоров с запасом на разгон. Сетевые возможности очень хороши: быстрый проводной контроллер 2,5 Гбит/с, а также самый современный беспроводной. В числе плюсов платы можно упомянуть возможности для подключения ARGB-устройств через один разъем.
Бонус поставки: универсальная щетка и набор отверток.
Эта модель заслуживает внимания со стороны заядлых геймеров, желающих иметь мощный, но одновременно компактный игровой ПК.
В номинации «Оригинальный дизайн» плата MSI MEG Z690I Unify получила награду:

В номинации «Отличная поставка» плата MSI MEG Z690I Unify получила награду:

Плата была приобретена на Яндекс.Маркете

































































































