Оглавление
- Форм-фактор
- Технические характеристики
- Основная функциональность: чипсет, процессор, память
- Периферийная функциональность: PCIe, SATA, разные «фенечки»
- Периферийная функциональность: USB-порты, сетевые интерфейсы, ввод-вывод
- Аудиоподсистема
- Питание, охлаждение
- Подсветка
- Программное обеспечение под Windows
- Настройки BIOS
- Работоспособность (и разгон)
- Выводы
Надо снова отметить, что при переходе с Z390 на Z490 в самом чипсете и его обвязке было внедрено мало нового функционала (по сути Z490 создан для поддержки процессоров в новом сокете LGA1200, при этом почти все производители матплат на этом чипсете уже тогда закладывали потенциальную возможность работы с 11м поколением процессоров и PCIe 4.0 (в этом и есть, собственно, разница). А вот при переходе с Z490 на Z590 (с тем же сокетом LGA1200) нововведений побольше будет.
Да, мы видим все те же 30 высокоскоростных портов, но при этом добавилось до 3х интегрированных USB 3.2 Gen2x2 (до 20 Gb/s) портов (правда каждый из них требует поддержки со стороны двух USB 3.2 Gen2, поэтому их стало до 10 штук вместо 8 в Z490). Поддержка аудиотракта с внутреннего канала HDA перешла на USB 2.0 (собственно, один из имеющихся 14 портов такого типа теперь всегда привязан к этой функции). Однако главное новшество в платформу вносит 11е поколение процессоров, имеющих уже поддержку PCIe 4.0 в виде 20 линий (а не 16, как у предыдущих поколений), поэтому это дает возможность разместить на матплатах М.2 слоты, получающие данные непосредственно от процессора, причем через PCIe 4.0 (наконец-то SSD Gen4 смогут получить больший спрос).
Как выше говорил, в силу одинакового сокета LGA1200 имеется взаимная совместимость процессоров 11го и 10го поколений на матплатах с Z490/Z590. И потому еще на материнках с Z490 производителями закладывалась возможность работы с 11ххх процессорами (после обновления BIOS, разумеется), еще год назад я отмечал, что некоторые уже платы уже тогда имели М.2 слоты, отрекламированные как «для будущего поколения», то есть на тот момент они была выключены. При этом на вебсайтах производителей вовсю шла реклама поддержки будущей шины PCIe 4.0. То есть теперь можно просто купить процессор типа Core 11ххх и вставить в подобную материнскую плату, получив как заработавший М.2 слот, привязанный к процессору, так и поддержку PCIe 4.0 в слотах PCIe x16 для видеокарт. Разумеется, остальные нововведения, касаемые Z590, там будут недоступны.
Еще раз отмечу, что я не тестирую процессоры так таковые, поэтому сравнений 11го поколения с конкурентами тут не будет, это не моя прерогатива. Мы окунемся с увлекательное путешествие по самой материнской плате, ее линиям и контроллерам. Более того, в начальном ролике можно увидеть, что материнка к нам прибыла «со свитой», в лице.. короля, то бишь Intel Core i9-11900K. :)) А сама матплата относится к топовой серии MSI — MEG, поэтому перед нами почти флагман (мы помним, что самая-самая в этой линейке — материнка под именем Godlike, а Ace — ну на ступень ниже).
Итак, MSI MEG Z590 Ace. Мы от MSI получили не просто материнскую плату, а целый огромный комплект (опять же, в начальном ролике распаковка).
Понятно, что такие наборы сделаны исключительно для нас, обозревателей, и в продажу они не пойдут. К тому же, представьте, сколько... впрочем, забегаю вперед.. Вначале посмотрим, что там внутри этого огромного и тяжеленного бокса (в офис везти пришлось на такси).
MSI решили удивить всех, отправив сразу джентльменский набор: матплата, процессор (разумеется, 11900К) и совершенно новая, даже еще не анонсированная система водяного охлаждения (СВО) необслуживаемого типа (или «все-в-одном»).
Саму «водянку» я описывать долго не стану (опять же, не моя прерогатива), к тому же в апреле ее отдельно должны дать нам на тесты, и Алексей Кудрявцев выпустит полноценный обзор по ней. Просто хорошо видно, что по комплекту это стандартная СВО такого рода с поддержкой всех современных сокетов.
Напоследок отмечу, что у нее необычная «голова», то есть то, что ставится на процессор (обычно это водоблок + помпа). Во-первых, огромных размеров, почти как современные мощные «башни» воздушных кулеров, во-вторых, имеет свой вентилятор (да! кроме водоблока и помпы там еще есть и вентилятор!), и тогда становится ясно — зачем кожух такого размера: чтобы хорошо охлаждать еще и радиаторы VRM вокруг сокета. То есть данная СВО лишена привычного минуса такого рода СО — отсутствие активного охлаждения блока VRM.
Возвращаюсь к самой материнской плате.
MSI MEG Z590 Ace поставляется в коробке фирменного дизайна серии MEG (с ручкой для переноски). Комплект размещен под платой в отдельной коробочке с отсеками.
Комплект поставки весьма хорош: кроме традиционных элементов типа руководства пользователя и кабелей SATA, имеются антенна встроенного Wi-Fi-модуля, винтики для М.2 слотов, разветвители для подключения подсветок, провода с термодатчиками, бонусные стикеры, подарочные ключи-отвертки и щетка.
ПО поставляется на накопителе типа USB-flash-drive, впрочем за время путешествия платы к покупателю оно все равно успевает устареть, так что придется его обновлять с сайта производителя сразу после покупки. Примечательны бонусы: это двухстороняя компактная щетка с мягкой и жесткой щетиной для уборки ПК и периферии от пыли, которая может стать прекрасным и очень нужным девайсом в повседневной жизни пользователя ПК.


А также есть две отвертки (плоская и крестовидная), выполненные в виде ключей на кольце. Тоже полезный сувенир!
«Заглушка» на заднюю панель с разъемами уже смонтирована на самой плате.
Форм-фактор
Форм-фактор ATX имеет размеры до 305×244 мм, а E-ATX — до 305×330 мм. Материнская плата MSI MEG Z590 Ace имеет размеры 305×244 мм, поэтому выполнена в форм-факторе ATX, и на ней имеются 9 монтажных отверстий для установки в корпус. Однако следует иметь в виду, что одно из девяти монтажных отверстий перекрыто радиатором для слота M.2.
Оборотная сторона — не пустая, там расположена некоторая логика, имеются удвоители фаз питания и прочее. Текстолит обработан хорошо: во всех точках пайки не только острые концы срезаны, но и все неплохо отшлифовано. С той же стороны установлена пластина из алюминия с наноуглеродным покрытием. Также пластина помогает отводить тепло от задней стороны PCB через термоинтерфейс и обеспечивает жесткость материнской платы.
Однако это не все. По традиции у всех плат от MSI на оборотной стороне обозначены места, где могут оставаться ненужные в данный момент крепежные втулки (чаще всего латунные), на которые обычно ложится матплата в корпусе, и к которым ее прикручивают. Эти места отмечены белой краской, и нарочно в них нет никаких электропроводных элементов, чтобы в случае установки матплаты не было случайных замыканий или повреждений от лишней крепежной втулки.
Технические характеристики
Традиционная таблица с перечнем функциональных особенностей.
| Поддерживаемые процессоры | Intel Core 10-го и 11-го поколений |
|---|---|
| Процессорный разъем | LGA 1200 |
| Чипсет | Intel Z590 |
| Память | 4 × DDR4, до 128 ГБ, до DDR4-5600 (XMP), два канала |
| Аудиоподсистема | 1 × Realtek ALC4082 (7.1) + ЦАП ESS ES9018 |
| Сетевые контроллеры | 1 × Intel I225-V Ethernet 2,5 Гбит/с 1 × Intel Dual Band Wireless AX210NGW (Wi-Fi 802.11a/b/g/n/ac/ax (2,4/5 ГГц) + Bluetooth 5.2) |
| Thunderbolt | 1 × Intel JHL8540 Thunderbolt 4: 2 × Type-C (TB4 (40 Gb/s), USB 3.2 (20,10 Gb/s), DP, mini-DP) |
| Слоты расширения | 2 × PCIe 4.0 x16 (режимы x16, x8+x8)(для процессоров 10ххх - PCIe 3.0) 1 × PCIe 3.0 x16 (режим x4) 2 × PCIe 3.0 x1 (режим x1) |
| Разъемы для накопителей | 6 × SATA 6 Гбит/с (Z590) 1 × M.2 (CPU, PCIe 4.0 x4 для устройств формата 2242/2260/2280/22110)(только для процессоров 11ххх!) 3 × M.2 (Z590, PCIe 3.0 x4/SATA для устройств формата 2242/2260/2280) |
| USB-порты | 4 × USB 2.0: 2 внутренних разъема на 4 порта (Genesys Logic GL850S) 2 × USB 2.0: 2 порта Type-A (черные) на задней панели (Z590) 4 × USB 3.2 Gen1: 4 порта Type-A (синие) на задней панели (ASMedia ASM1074) 2 × USB 3.2 Gen1: 1 внутренний разъем на 2 порта (Z590) 1 × USB 3.2 Gen2: 1 внутренний разъем Type-C (Z590) 2 × USB 3.2 Gen2: 2 портa Type-C (Thunderbolt4) 2 × USB 3.2 Gen2: 2 порта Type-A (красные) (Z590) |
| Разъемы на задней панели | 2 × USB 3.2 Gen2 (Type-C) 2 × USB 3.2 Gen2 (Type-A) 4 × USB 3.2 Gen1 (Type-A) 2 × USB 2.0 (Type-A) 1 × RJ-45 5 аудиоразъемов типа миниджек 1 × S/PDIF (оптический, выход) 1 × HDMI 2.0b 2 × mini-Display Port (input, Thunderbolt) 2 антенных разъема кнопка сброса CMOS кнопка перепрошивки BIOS — Flash BIOS |
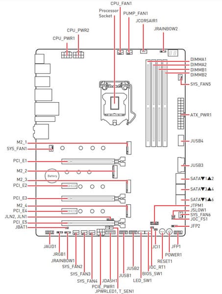
| Прочие внутренние элементы | 24-контактный разъем питания ATX 2 8-контактный разъем питания EPS12V 1 6-контактный разъем питания PCIe 1 слот M.2 (E-key), занят адаптером беспроводных сетей 1 разъем для подключения порта USB 3.2 Gen2 Type-C 1 разъем для подключения 2 портов USB 3.2 Gen1 2 разъема для подключения 4 портов USB 2.0 8 разъемов для подключения 4-контактных вентиляторов и помп ЖСО 1 разъем для подключения неадресуемой RGB-ленты 2 разъема для подключения адресуемой ARGB-ленты 1 разъем для подключения RGB Corsair 1 разъем аудио для передней панели корпуса 1 разъем для сброса CMOS 1 разъем Slow Mode 1 разъем OC Retry 2 разъемa LN2 1 разъем TPM для устройств безопасности 1 разъем для термодатчикa 1 переключатель BIOS 1 переключатель подсветки 2 разъема для подключения управления с передней панели корпуса 1 кнопка включения питания Power 1 кнопка перезагрузки Reset |
| Форм-фактор | ATX (305×244 мм) |
| Розничные предложения | На момент написания материала плата MSI в продажу не поступала |
Основная функциональность: чипсет, процессор, память


Схема работы связки чипсет+процессор.

Формально имеется поддержка памяти до 3200 МГц, однако всем хорошо известно, и производители материнских плат это активно рекламируют: через XMP-профили сейчас можно использовать частоты до 4800 и выше МГц. В частности данная плата поддерживает частоты до 5600+ МГц.
Процессоры Intel Core 11-го поколения (совместимые с сокетом LGA1200 и поддерживаемые Z590) имеют 20 линий ввода-вывода PCIe 4.0, не имеют USB и SATA портов. При этом взаимодействие с Z590 идет по особому каналу Digital Media Interface 3.0 (DMI 3.0), который в Z590 ускорен в 2 раза. Все PCIe линии процессора идут на слоты расширения PCIe и порт М.2. Serial Peripheral Interface (SPI) используется для взаимодействия с системой UEFI/BIOS, а шина Low Pin Count (LPC) — для связи с устройствами ввода/вывода, не требующими высокой пропускной способности (контроллерами вентиляторов, TPM, старой периферии). Процессоры Intel Core 10-го поколения (совместимые с сокетом LGA1200 и поддерживаемые Z490/590) имеют 16 линий ввода-вывода PCIe 3.0, которые идут только на слоты расширения PCIe.
В свою очередь чипсет Z590 поддерживает в сумме 30 линий ввода/вывода, которые распределяться могут так:
- до 14 портов USB (из которых до 3 портов USB 3.2 Gen2х2, 10 портов USB 3.2 Gen2, до 10 портов USB 3.2 Gen1, до 14 портов USB 2.0, линии USB 2.0 используются в том числе и для поддержки 3.2 портов, а каждый порт USB 3.2 Gen2х2 требует поддержки со стороны двух USB 3.2 Gen2);
- до 8 портов SATA 6Гбит/с;
- до 24 линий PCIe 3.0.
Понятно, что если всего 30 портов у Z590, то все указанные выше порты должны укладываться в этот лимит, поэтому уже привычный дефицит линий PCIe будет иметь место и в данном случае.
Еще раз надо напомнить, что MSI MEG Z590 Ace поддерживает процессоры Intel Core 10-го и 11-го поколения, выполненные под разъем (сокет) LGA1200. Система крепления систем охлаждения для CPU точно такая же, как и для LGA1151.
Для установки модулей памяти на плате MSI имеется четыре DIMM-слота (для работы памяти в Dual Channel в случае использования всего 2 модулей их следует устанавливать в А2 и B2. Плата поддерживает небуферизованную память DDR4 (non-EСС), а максимальный объем памяти составляет 128 ГБ (при использовании UDIMM последнего поколения по 32 ГБ). Разумеется, поддерживаются профили XMP.
Слоты DIMM имеют металлическую окантовку, которая препятствует деформации слотов и печатной платы при установке модулей памяти и защищает от электромагнитных помех, и которая обычно всегда является составной частью флагманского набора у материнских плат.
Периферийная функциональность: PCIe, SATA, разные «фенечки»
Выше мы изучили потенциальные возможности тандема Z590+Core, а теперь посмотрим, что из этого и как реализовано в данной материнской плате.
Кроме USB-портов, к которым мы подойдем позже, чипсет Z590 обладает 24 PCIe линиями. Считаем, сколько линий уходит на поддержку (связь) с тем или иным элементом (надо учитывать, что из-за дефицита PCIe линий некоторые элементы периферии делят их, и потому использовать одновременно нельзя: для этих целей у материнской платы существуют мультиплексоры):
- Переключатель: или порты SATA_5/6 (2 линии), или слот M.2_3 (4 линии): максимум 4 линии;
- Переключатель: или порт SATA_2 (1 линия) + M.2_2 в режиме SATA, или слот M.2_2 в режиме PCIe x4 (4 линии): максимум 4 линии;
- Переключатель: или слот PCIe x16_3 (4 линии), или слот M.2_4 (4 линии): максимум 4 линии;
- ASMedia ASM1074 (USB 3.2 Gen1 хаб) (1 линия);
- Слот PCIe x1_1 (1 линия);
- Слот PCIe x1_2 (1 линия);
- Intel Thunderbolt 4 (4 линии);
- Intel i225-V (Ethernet 2,5Gb/s) (1 линия);
- Intel AX210NGW WIFI/BT (Wireless) (1 линия);
- 3 порта SATA_0,2,3 (3 линии)
24 линии PCIe оказались занятыми. В чипсете Z590 связь с аудиокодеками идет через USB-порт. Также один USB 2.0 расходуется на поддержку BT (при наличии слота M.2 (key E) и контроллер GL850G для своих нужд использует сигнальные линии USB 2.0 Детально об этом ниже в разделе USB-портов.
Теперь посмотрим выше на то, как работают процессоры в данной конфигурации. У CPU 11-го поколения всего 20 линий PCIe, 4 из них отведены на порт М.2. У CPU 10-го поколения всего 16 линий (нет выделения линий на М.2 порт). Оставшиеся 16 линий надо делить на два слота PCIe x16 (_1 и _2). Вариантов переключения несколько:
- Слот PCIe x16_1 имеет 16 линий (слот PCIe x16_2 отключен, всего одна видеокарта);
- Слот PCIe x16_1 имеет 8 линий, слот PCIe x16_2 имеет 8 линий;
Надо особо отметить, что в случае установки видеокарты в PCIe x16_2 при пустом PCIe x16_1, оба они все равно получают по 8 линий.
Теперь в целом про слоты PCIe.
Всего на плате есть пять слотов: три PCIe x16 (для видеокарт или других устройств) и два PCIe x1. Если про первые два PCIe x16 (первый и третий по общему счету) я выше уже рассказал (они подключены к CPU), то PCIe x16_3 (пятый по общему счету) подключен к Z590, и он рассчитан на режим только х4 (при этом делит ресурсы со слотом М2_4). То есть аппаратно режим х16 поддерживает только первый слот.
Как видим, перераспределение линий PCIe между слотами у этой материнки имеется, поэтому востребованы мультиплексоры PI3EQX16 от Diodes Inc. (ex Pericom).
Все три слота PCIe x16 имеют металлическое армирование из нержавеющей стали, которое увеличивает их надежность (что может быть важным в случае довольно частой смены видеокарт, но что более важно: такой слот легче выдержит нагрузку на изгиб в случае установки очень тяжелой видеокарты топового уровня. Кроме того, такая защита предохраняет слоты от электромагнитных помех.
Матплата позволяет смонтировать СО любого размера.
Для поддержания стабильных частот на шине PCIe (и для нужд оверклокеров) имеется внешний тактовый генератор от Renesas (ex IDT).
А также имеются усилители (ре-драйверы) сигнала PCIe 4.0 от ASMedia,
На очереди — накопители.
Всего у платы 6 разъемов Serial ATA 6 Гбит/с + 4 слота для накопителей в форм-факторе M.2. Все порты SATA реализованы через чипсет Z590 и поддерживают создание RAID.
Три порта SATA делят ресурсы с портами M.2, но об этом ниже.
Теперь про M.2. Материнская плата имеет 4 гнезда такого форм-фактора.
Второй, третий и четвертый слоты M.2 (M2_2, M2_3, M2_4) получают данные от чипсета Z590 и поддерживают модули с любым интерфейсом, а верхний слот M.2 (M2_1) получает данные от CPU и работает с модулями только с PCIe интерфейсом, и только он поддерживает модули размерами до 22110 включительно. Остальные три слота поддерживают размеры модулей: 2242/2260/2280.
На трех нижних M.2 можно организовать RAID, а также использовать для Intel Optane Memory.
Поскольку количество HSIO линий у Z590 ограничено тридцатью, то приходится делить ресурсы, о чем я выше уже говорил, рассматривая PCIe слоты. Поэтому если в слот M.2 (M2_2) вставлен накопитель с интерфейсом SATA, то это автоматом отключит порт SATA_2 (ну и наоборот, если последний задействован, то слот M.2 (M2_2) будет работать только в режиме PCIe x4/x2).
Так же средний M2_3 взаимоисключает совместную работу с портами SATA_5 и SATA_6, а самый нижний М2_4 переходит в режим работы PCIe x2 и отключается вообще с модулем SATA в случае занятости слота PCIe x16_3. И только верхний M2_1 не делит ресурсы ни с чем.
Для обеспечения переключений между М.2 и SATA портами имеются мультиплексоры ASM1480 от ASMedia.
Все M.2 слоты имеют радиаторы. Верхний M2_1 и нижний М2_4 обладают отдельными радиаторами, когда как остальные два средних слота M.2 имеют общий радиатор.
Периферийная функциональность: USB-порты, сетевые интерфейсы, ввод-вывод
Теперь на очереди USB-порты и прочие вводы-выводы. И начнем с задней панели, куда выведены большинство из них.
Повторим: чипсет Z590 способен реализовать не более 14 портов USB, из которых может быть до 10 портов USB 3.2 Gen1, до 10 портов USB 3.2 Gen2, до 3 портов USB 3.2 Gen2x2, и/или до 14 портов USB 2.0.
Также мы помним и про 24 линии PCIe, которые идут на поддержку накопителей, сетевых и иных контроллеров (я выше уже показал на что и как расходуются 24 линии из 24).
И что мы имеем? Всего на материнской плате — 17 портов USB:
- 5 портов USB 3.2 Gen2: 3 реализованы чисто через Z590, из них 2 представлены на задней панели портами Type-A (красного цвета); еще 1 представлен внутренним портом Type-C (для подключения к соответствующему разъему на передней панели корпуса); 2 других реализованы через Thunderbolt 4 и представлены на задней панели портами Type-C;
- 6 портов USB 3.2 Gen1: 4 реализованы через контроллер ASMedia ASM1074 (на него потрачена 1 линия PCie 3.0) и представлены 4-мя портами Type-A на задней панели (синие), еще 2 реализованы через Z590 и представлены внутренним разъемом на материнской плате на 2 порта;
- 6 портов USB 2.0/1.1: 4 реализованы через контроллер Genesys Logic GL850G (на него потрачена 1 линия USB 2.0) и представлены двумя внутренними разъемами (каждый на 2 порта), еще 2 реализованы через Z590 и представлены на задней панели портами Type-A (черного цвета).
Таким образом, у нас три контроллера используют USB линии:
- Genesys Logic GL850G (4 USB 2.0 через 2 внутренних разъема) (1 линия USB 2.0);
- Audio (1 линия USB 2.0);
- Bluetooth (AX210) (1 линия USB 2.0).
Итак, через чипсет Z590 реализовано высокоскоростных портов USB:
- + 3 выделенных USB 3.2 Gen2
- + 2 выделенных USB 3.2 Gen1
= 5 высокоскоростных портов. Не забываем, что каждый высокоскоростной порт USB обеспечен портом USB 2.0, то есть уже 5 портов USB 2.0 также занято. Плюс 2 выделенных порта и 3 порта USB 2.0 на обеспечение контроллеров. Всего 10 USB портов реализовано.
Ну и 24 линии PCIe, выделенных на поддержку иной периферии.
Итого у Z590 в данном случае реализовано 29 высокоскоростных портов из 30.
Все быстрые USB порты Type-C оснащены ре-драйверами PI3EQX от Diodes Inc (ex Pericom), дающими устойчивый вольтаж, способный обеспечить быструю зарядку мобильных гаджетов через них.
Конечно же нельзя пройти мимо такого мощного инструмента, как Intel Thunderbolt 4. Плата комплектуется соответствующим контроллером на основе Intel JHL8540.
Адаптер установлен в специальный слот около задних портов..


И имеет 4 гнезда. Само собой, есть два Type-C для вывода как через протокол TB, так и для использования в качестве USB 3.2 Gen2/1, для чего имеется специальный контроллер от Texas Instruments для преобразования сигнала.
Также есть и два гнезда формата mini-Display Port, которые работают на ввод информации.
В комплекте поставки платы есть кабель-переходник с обычного DP на mini-DP. Напомню, что TB4 позволяет получить уже не до 40 Гб/с, а четко именно 40 Гб/с и по всем портам. Полагаю, что всем, кому данный функционал нужен, уже в курсе, зачем он и как использовать.Обычному потребителю это будет интересно хотя бы в том плане, что есть два дополнительных скоростных 20 Гб/с порта Type-C.
Теперь о сетевых делах.
Материнская плата оснащена средствами связи очень хорошо. Имеется скоростной Ethernet-контроллер Intel I225-V, способный работать по стандарту 2,5 Гбит/с.
Имеется и комплексный беспроводной адаптер на контроллере Intel AX-210NGW, через который реализованы Wi-Fi 6E (802.11a/b/g/n/ac/ax) и Bluetooth 5.2. Он установлен в слот M.2 (E-key), и его разъемы для привинчивания выносных антенн выведены на заднюю панель.
Заглушка, традиционно надеваемая на заднюю панель, в данном случае уже надета, и изнутри экранирована для снижения электромагнитных помех.
Теперь про блок ввода-вывода, разъемы для подключения вентиляторов и т. п. Разъемов для подключения вентиляторов и помп на самой плате — 8. Схема размещения коннекторов для систем охлаждения выглядит так:
Через ПО или BIOS контролируется все гнезда для подключения воздушных вентиляторов или помп: они могут управляться как через ШИМ, так и банальным изменением напряжения/тока.
За мониторинг состояния платы отвечает, а также контролирует работу всех гнезд СО (а также в целом Multi I/O) контроллер Nuvoton NCT6687D.
Поскольку процессоры Intel могут иметь интегрированную графику, то плата имеет гнездо вывода HDMI 2.0b, однако если графика в 11м поколении процессоров Intel основана на новой архитектуре и имеет встроенную поддержку версии HDMI 2.0b, то в 10м поколении — интегрирована поддержка лишь версии 1.4. Поэтому для конвертации (усиления, так сказать) версии до 2.0b имеется особый контроллер IT66318GN (ITE).
Аудиоподсистема
Мы знаем, что уже достаточно давно в большинстве современных материнских платах звуком заведует аудиокодек Realtek ALC1220. Он обеспечивает вывод звука по схемам до 7.1 с разрешением до 24 бит / 192 кГц .Но теперь с переводом поддержки аудиокодеков полностью на USB-линии, стало возможным применить кодек ALC4082 того же производителя с улучшенными характеристиками 32 бит / 384 кГц.
В тракте используются ЦАП ESS Sabre9018 и осциллятор, обеспечивающий точную работу ЦАП.
В аудиоцепях платы применяются «аудиофильские» конденсаторы Nichicon Fine Gold.
Аудиотракт вынесен на угловую часть платы, не пересекается с другими элементами.
Все аудиоразъемы на задней панели имеют позолоченное покрытие, однако нет привычной цветовой окраску разъемов, поэтому ориентироваться можно только по обозначениям.
Питание, охлаждение
Для питания платы на ней предусмотрены 4 разъема: в дополнение к 24-контактному ATX (он на правой стороне платы (на фото — слева) здесь есть еще два 8-контактных EPS12V и один 6-контактный PCIe для стабильного питания мультиграфической системы.
Схема питания процессора выполнена по схеме 16+2+1 (всего 19 фаз, 16 на VCore, 2 на VCCIO и 1 на VCCSA).
Каждый канал фазы имеет суперферритовый дроссель и ISL99390 MOSFET от Renesas (ex Intersil) на 90 А для VCore и RAA220075RQ от того же Renesas для VCCIO на 75А.
То есть в сумме такая мощнейшая система способна на работу с огромными токами. Управляет схемой ШИМ-контроллер ISL69269 от того же Renesas (ex Intersil), рассчитанный максимум на 8-12 фаз (зависит от модификации).
Производитель не скрывает, что имеются удвоители фаз, которые расположены на обороте платы.
Это ISL6617A все от того же производителя Renesas.
Так что фактическая схема питания процессора: 8х2 (для VCore)+2 (для VCCIO) +1 (для VCCSA). А питание интегрированного графического ядра имеет однофазную схему.
Что касается модулей оперативной памяти, то здесь реализована также однофазная схема с ШИМ-контроллером RT8120D от того же Richtek.
Специалисты MSI нам вещают, что данная плата поддерживает работу модулей памяти на частотах до 5600 МГц через профили XMP. При этом умная система в UEFI помогает определить потенциал оверклокинга установленной памяти.
Теперь про охлаждение.
Все потенциально сильно греющиеся элементы имеют свои собственные радиаторы.
Как мы видим, охлаждение чипсета (один радиатор) организовано отдельно от силовых преобразователей. VRM-секция имеет свои два радиатора, соединенные тепловой трубкой под прямым углом.
Подсветка заднего блока портов интегрирована непосредственно в радиатор VRM.
Как я уже упоминал ранее, M.2 слоты также имеют радиаторы: у верхнего и нижнего — свои персональные радиаторы, у двух остальных — общий.
Следует напомнить, что плата обладает алюминиевой пластиной с оборотной стороны с наноуглеродным покрытием, и пластина также принимает участие в охлаждении в местах нахождения VRM на лицевой стороне.
Подсветка
Программное обеспечение под Windows
Настройки BIOS
Работоспособность (и разгон)
Версия BIOS от 19 марта 2021, как выяснилось позже, расчитана на микрокод версии 34 (стабильная работа процессоров 11ххх требует версии 39 и выше). Запускаем все в режиме по умолчанию. Затем нагружаем тестами.
Вот что значит еще сырая версия BIOS! При наличии мощной СВО мы получаем банальный перегрев процессора даже на частотах 4,8 ГГц, не говоря уж о более высоких достижениях. А почему? — а потому что сильно завышен вольтаж на ядре. Для 1,41 В по ядру уже нужна сверхмощная СВО и скорее всего кастомная. Увы, установка вольтажа VCore вручную приводила к зависаниям системы (вне зависимости от того, какое напряжение выставлять — стабильно работала только установка Auto, но там упорно выставлялся вольтаж выше 1,4 В.). Стало возможным получить в целом нормальную работу системы только при ручном выставлении множителя 46 (для 4,6 ГГЦ) и отключении любого автооверклокинга, только тогда вольтаж выставлялся BIOS 1,2 В, перегрева не было. Но сами понимаете, это крайне мало для i9-11900K, и потому неинтересно. Разумеется, сама плата тут не при чем — виновата сырая версия BIOS. Так что, всем, кто захочет купить данную материнку, крайне рекомендую тут же обновить BIOS. Ну и,скорее всего, коллегам, которые получат данную матплату на тесты после нас, повезет больше, ибо я знаю, что уже вышла версия BIOS с поддержкой микрокода 39 (как того требует Intel).
Выводы
MSI MEG Z590 Ace — безусловный флагман, представитель топового сегмента материнских плат, нацеленный на хардкорных геймеров-энтузиастов и просто оверклокеров-любителей. Конечно, при нынешнем курсе рубля и состоянии IT-индустрии в целом, столкнувшейся с резким дефицитом полупроводниковых микросхем, стоимость такой платы, скорее всего, будет заоблачной (на момент подготовки обзора она еще не поступила в продажу).
И все же, флагман есть флагман. MSI MEG Z590 Ace предлагает 17 портов USB разных видов (включая 5 очень быстрых USB 3.2 Gen2, из которых два поддерживают Thunderbolt 4), 3 слота PCIe х16 (два получают от процессора 16 линий PCIe, причем версии 4.0 в случае использования процессоров 11-го поколения), 2 cлота PCIe x1, аж 4(!) слота M.2 (один из них подключен напрямую к процессору линиями PCIe 4.0), 6 портов SATA, 8 разъемов для вентиляторов. Система питания процессора чрезвычайно мощная, она способна обеспечить работу любых совместимых процессоров с запасом на разгон. Плата имеет отличную систему охлаждения каждого потенциально греющегося элемента, включая накопители в слотах M.2. Надо отметить хорошие сетевые возможности: быстрый проводной контроллер 2,5 Гбит/с и один самый современный беспроводной. Поддержка Thunderbolt 4 дает не только два очень быстрых порта USB Type-C, но и возможность вывода информации с огромной скоростью 40 Гбит/с а также вывод изображения в разрешении 8К (разумеется, на соответствующие приемники). В число плюсов этой платы можно добавить неплохую подсветку, включая широкие возможности для подключения дополнительных RGB-устройств. Надо отметить и улучшенный аудиокодек Realtek ALC4082.
Кроме того, MSI MEG Z590 Ace предлагает дополнительные возможности для любителей разгона (например, датчики напряжений и температур), много настроек в BIOS Setup и фирменных утилитах и вполне готова обеспечить любой разгон — лишь бы кулер справлялся. Есть «фишки» и для фанатов экстремального разгона.
Платы совершенно нового семейства Z590 поддерживают процессоры Intel Core 11-го поколения с повышенной производительностью на ядро/поток. Кроме того, они обеспечивают интерфейс PCIe 4.0 как для слотов M.2, так и для традиционных слотов PCIe x16 (впрочем, это актуально разве что для видеокарт AMD Radeon RX 5500 XT, где интерфейс урезан с х16 до х8).
Также отметим качество изготовления платы, наличие защитной пластины с оборотной стороны и приятный дизайн. Обязательно нужно отметить и бонусы поставки: универсальную компактную щетку и набор отверток (да и флешка с ПО — тоже приятный бонус).
В номинации «Оригинальный дизайн» плата MSI MEG Z590 Ace получила награду:

В номинации «Отличная поставка» плата MSI MEG Z590 Ace получила награду:

Благодарим компанию MSI Russia
и лично Алексея Рыбакова
за предоставленную на тестирование плату
Также благодарим компанию Gigabyte Russia
и лично Евгения Лесикова
за предоставленный Gigabyte Aorus Gen4 SSD 500G для тестового стенда
Особо благодарим компанию Super Flower
за предоставление блока питания Super Flower Leadex Platinum 2000W







































































































































