Оглавление
- Форм-фактор
- Технические характеристики
- Основная функциональность: чипсет, процессор, память
- Периферийная функциональность: PCIe, SATA, разные «прибамбасы»
- Периферийная функциональность: USB-порты, сетевые интерфейсы, ввод-вывод
- Аудиоподсистема
- Питание, охлаждение
- Подсветка
- Программное обеспечение под Windows
- Настройки BIOS
- Работоспособность (и разгон)
- Выводы
Начнем со ссылок. Вот тут есть первый материал по Intel Z490, где я уже проводил анализ ситуации на рынке ПК в плане появления процессоров 10xxx серии. А если кому интересны тесты самих новых процессоров, то здесь можно посмотреть результаты Core 10900K/10600K, а также по Core i7-10700K.
На видео выше уже можно лицезреть виновницу сегодняшнего торжества, одетую во все черное красивую материнскую плату. Собственно, мы продолжаем изучать топовые и среднебюджетные материнские платы на базе Z490. Разумеется, я с огромным удовольствием бы протестировал и малобюджетную материнку на этом чипсете (ну в рамках той «малобюджетности», что предоставляет Z490 сам по себе). Но пока производители не спешат давать такие материнки (видимо, дешевые и так купят, чего их обозревать). Вполне возможно, что мы приобретем одну из таких за свой счет для подобного обзора.
А сейчас снова у нас MEG. Напомню, что у MSI есть три основные линейки геймерских материнских плат: MEG (MSI Enthusiast Gaming) — тут собраны все флагманские продукты; MPG (MSI Performance Gaming) — здесь тоже весьма дорогие материнские платы с обилием фишек для геймеров, но без супер-наворотов; MAG (MSI Arsenal Gaming) — здесь у материнских плат меньше фишек, упрощена периферия, и сделан упор на надежность, ибо в этой серии используются некоторые комплектующие, обычно применяемые в оборонном производстве. В этой серии нет подсветок и прочих кнопок или переключателей для облегчения оверклокинга, просто надежность и долговечность работы на штатных параметрах.
Удивительно, но в серии MEG имеется матплата также лишенная подсветки (как у плат в MAG). Но при этом... Впрочем, я забегаю вперед. Давайте детально и по порядку. Перед нами MSI MEG Z490 Unify , которая отличается от ранее рассмотренных нами Z490 Godlike и Ace не только дизайном роскошного черного цвета, но и рядом функциональных особенностей.
MSI MEG Z490 Unify поставляется в стандартной коробке с фирменным дизайном серии MEG с подчеркиванием черного дизайна самой платы.
Внутри этой коробки есть традиционные отсеки: для самой материнской платы и остального комплекта.
В комплекте поставки, кроме традиционных элементов типа руководства пользователя и кабелей SATA (что уже много лет является обязательным набором ко всем материнкам), есть выносная антенна с подставкой для беспроводных соединений, разветвители для подключения подсветок (они все-таки есть!), винтики для монтажа модулей M.2, накопитель с ПО, бонусные стикеры и наклейки.
ПО поставляется на CD (совершенно глупо в 2020 году). Впрочем, не стоит забывать, что программное обеспечение за время путешествия платы к покупателю успевает устареть, так что придется его загружать с сайта производителя сразу после покупки.
Стоит отметить, что «заглушка» на заднюю панель с разъемами уже смонтирована на самой плате.
Форм-фактор
Форм-фактор ATX имеет размеры до 305×244 мм, а E-ATX — до 305×330 мм. Материнская плата MSI MEG Z490 Unify имеет размеры 305×244 мм, поэтому выполнена в форм-факторе ATX, и на ней имеются 9 монтажных отверстий для установки в корпус. Печатная плата имеет 6 слоев.
На оборотной стороне элементы имеются даблеры фаз питания, пара контроллеров и другая мелкая логика. Обработан текстолит неплохо: во всех точках пайки острые концы срезаны. И имеются уже, так сказать, фирменные отметки белого цвета на месте потенциального нахождения лишних крепежных стоек в корпусе, так что даже если вы забудете их снять, никакой трагедии с электрозамыканием не произойдет: в этих местах на печатной плате специально сделаны зоны без контактов/точек пайки.
Технические характеристики
Традиционная таблица с перечнем функциональных особенностей.
| Поддерживаемые процессоры | Intel Core 10-го поколения |
|---|---|
| Процессорный разъем | LGA 1200 |
| Чипсет | Intel Z490 |
| Память | 4 × DDR4, до 128 ГБ, до DDR4-5000 (XMP), два канала |
| Аудиоподсистема | 1 × Realtek ALC1220 (7.1) + ЦАП ESS ES9018 |
| Сетевые контроллеры | 1 × Realtek RTL8125B (Ethernet 2,5 Гбит/с) 1 × Intel Dual Band Wireless AX201NGW/CNVi (Wi-Fi 802.11a/b/g/n/ac/ax (2,4/5 ГГц) + Bluetooth 5.0) |
| Слоты расширения | 3 × PCI Express 3.0 x16 (режимы x16, x8+x8 (SLI/CrossFire), x8+x8+x4 (CrossFire)) 2 × PCI Express 3.0 x1 |
| Разъемы для накопителей | 6 × SATA 6 Гбит/с (Z490) 1 × M.2 (Z490, PCIe 3.0 x4/SATA для устройств формата 2242/2260/2280/22110) 1 × M.2 (Z490, PCIe 3.0 x4/SATA для устройств формата 2242/2260/2280) 1 × M.2 (Z490, PCIe 3.0 x4 для устройств формата 2242/2260/2280) |
| USB-порты | 4 × USB 2.0: 2 внутренних разъема на 4 порта (Z490) 2 × USB 2.0: 2 порта Type-A (черные) на задней панели (Genesys Logic GL850G) 2 × USB 3.2 Gen1: 2 порта Type-A (синие) на задней панели (Z490) 2 × USB 3.2 Gen1: 1 внутренний разъем на 2 порта (Z490) 1 × USB 3.2 Gen2х2: 1 порт Type-C на задней панели (ASMedia ASM3241) 4 × USB 3.2 Gen2: 3 порта Type-A (красные) и 1 внутренний разъем Type-C (Z490) |
| Разъемы на задней панели | 1 × USB 3.2 Gen2x2 (Type-C) 3 × USB 3.2 Gen2 (Type-A) 2 × USB 3.2 Gen1 (Type-A) 2 × USB 2.0 (Type-A) 1 × RJ-45 5 аудиоразъемов типа миниджек 1 × S/PDIF (оптический, выход) 1 × PS/2 комбинированный разъем 2 антенных разъема кнопка сброса CMOS кнопка перепрошивки BIOS — Flash BIOS |
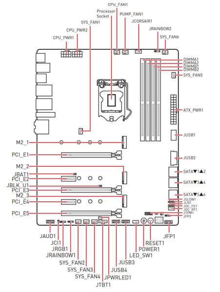
| Прочие внутренние элементы | 24-контактный разъем питания ATX 2 8-контактных разъема питания EPS12V 1 слот M.2 (E-key), занят адаптером беспроводных сетей 1 разъем для подключения порта USB 3.2 Gen2 Type-C 1 разъем для подключения 2 портов USB 3.2 Gen1 2 разъема для подключения 4 портов USB 2.0 8 разъемов для подключения 4-контактных вентиляторов и помп ЖСО 1 разъем для подключения неадресуемой RGB-ленты 2 разъема для подключения адресуемой ARGB-ленты 1 разъем для подключения подсветки от Corsair 1 разъем аудио для передней панели корпуса 2 разъема для подключения контроллера Intel Thunderbolt3 1 разъем TPM 2 разъема для подключения управления с передней панели корпуса 1 разъем сброса CMOS 1 разъем повышения базовой частоты 1 разъем для запуска при низкой температуре 1 кнопка для принудительного входа в настройки BIOS 1 кнопка для подключения кнопки повторного запуска 1 переключатель светодиодов состояния системы 1 кнопка включения питания Power 1 кнопка перезагрузки Reset |
| Форм-фактор | ATX (305×244 мм) |
| Розничные предложения |
Основная функциональность: чипсет, процессор, память
То, что данная плата относится к топовым, видно по внешнему дизайну с хорошим охлаждением и по количеству портов, слотов, кнопок.


Схема работы связки чипсет+процессор.
Формально имеется поддержка памяти до 2933 МГц, однако всем хорошо известно, и производители материнских плат это активно рекламируют: через XMP-профили можно использовать частоты до 4000 и выше МГц. В частности данная плата поддерживает частоты до 5000+ МГц.
Процессоры Intel Core 10-го поколения (совместимые с сокетом LGA1200 и поддерживаемые Z490) имеют 16 линий ввода-вывода (включая PCIe 3.0), не имеют USB и SATA портов. При этом взаимодействие с Z490 идет по особому каналу Digital Media Interface 3.0 (DMI 3.0), и линии PCIe на это не расходуются. Все PCIe линии процессора идут на слоты расширения PCIe. Serial Peripheral Interface (SPI) используется для взаимодействия с системой UEFI/BIOS, а шина Low Pin Count (LPC) — для связи с устройствами ввода/вывода, не требующими высокой пропускной способности (контроллерами вентиляторов, TPM, старой периферии).
В свою очередь чипсет Z490 поддерживает в сумме 30 линий ввода/вывода, которые распределяться могут так:
- до 14 портов USB (из которых до 6 портов USB 3.2 Gen2, до 10 портов USB 3.2 Gen1, до 14 портов USB 2.0, линии USB 2.0 используются в том числе и для поддержки 3.2);
- до 6 портов SATA 6Гбит/с;
- до 24 линий PCIe 3.0.
Понятно, что если всего 30 портов у Z490, то все указанные выше порты должны укладываться в этот лимит. Так что, скорее всего будет дефицит линий PCIe, и свободно конфигурируемых в какие-то дополнительные порты/слоты линий PCIe тут нет.
MSI MEG Z490 Unify поддерживает процессоры Intel Core 10-го поколения, выполненные под разъем (сокет) LGA1200. Система крепления систем охлаждения для CPU точно такая же, как и для LGA1151.
Для установки модулей памяти на плате MSI имеется четыре DIMM-слота (для работы памяти в Dual Channel в случае использования всего 2 модулей их следует устанавливать в А2 и B2. Плата поддерживает небуферизованную память DDR4 (non-EСС), а максимальный объем памяти составляет 128 ГБ (при использовании UDIMM последнего поколения по 32 ГБ). Поддерживаются профили XMP.
Слоты DIMM не имеют металлической окантовки, которая препятствует деформации слотов и печатной платы при установке модулей памяти и защищает от электромагнитных помех, и которая обычно всегда является составной частью набора у флагманских материнских плат (в данном случае вариант чуть по-проще).
Периферийная функциональность: PCIe, SATA, разные «прибамбасы»
Выше мы изучили потенциальные возможности тандема Z490+Core, а теперь посмотрим, что из этого и как реализовано в данной материнской плате.
Итак, кроме USB-портов, к которым мы подойдем позже, чипсет Z490 обладает 24 PCIe линиями. Считаем, сколько линий уходит на поддержку (связь) с тем или иным элементом (надо учитывать, что из-за дефицита PCIe линий некоторые элементы периферии делят их, и потому использовать одновременно нельзя: для этих целей у материнской платы существует большое количество мультиплексоров):
- Переключатель: или порты SATA_5/6 (2 линии), или слот M.2_2 (4 линии): максимум 4 линии;
- Переключатель: или порт SATA_2 (1 линия) + M.2_1 в режиме SATA, или слот M.2_1 в режиме PCIe x4 (4 линии): максимум 4 линии;
- Переключатель: или слот PCIe x16_3 (4 линии), или слот M.2_3 (4 линии): максимум 4 линии;
- Слот PCIe x1_1 (1 линия);
- Слот PCIe x1_1 (1 линия);
- Genesys Logic GL850G (2 USB 2.0: Type-A на задней панели) (1 линия);
- ASMedia ASM3241 (1 USB 3.2 Gen2х2) (2 линии);
- Realtek RTL8125B (Ethernet 2,5 Gb/s) (1 линия);
- Intel AX201NGW WIFI/BT (Wireless) (1 линия);
- 3 порта SATA_1,3,4 (3 линии)
Как видим, 22 линии PCIe оказались занятыми. В чипсете Z490 имеется контроллер High Definition Audio (HDA), связь с аудиокодеком идет путем эмуляции PCI шины.
Теперь посмотрим выше на то, как работают процессоры в данной конфигурации. У всех CPU этого плана всего 16 линий PCIe. И их надо делить только на два слота PCIe x16 (_1 и _2). Вариантов переключения несколько:
- Слот PCIe x16_1 имеет 16 линий (слот PCIe x16_2 отключен, всего одна видеокарта);
- Слот PCIe x16_1 имеет 8 линий, слот PCIe x16_2 имеет 8 линий (две видеокарты, режимы Nvidia SLI, AMD CrossFire)
Переходим к PCIe слотам. Про те, которые «кормит» не чипсет Z490, а процессор, я уже выше сказал.
Всего на плате есть 5 слотов PCIe: три PCIe x16 (для видеокарт или других устройств) и два «коротких» PCIe x1. Если про первые два PCIe x16 я выше уже рассказал (они подключены к CPU), то третий PCIe x16_3 (на деле он имеет всего 4 линии PCIe) подключен к Z490 и делит ресурсы с портом M.2_3.
Единственный вариант установки трех видеокарт (а это поддерживает только AMD CrossFire) — это отказ от M.2_3. Тогда имеем схему Х8+Х8+Х4.
У данной платы перераспределение линий PCIe между слотами в случае использования более одной видеокарты, а также необходимо переключение слотов PCIe x16_3 и M.2_3, поэтому востребованы мультиплексоры PI3DBS16 от Pericom/Diodes.
Все три слота PCIe x16 имеют металлическое армирование из нержавеющей стали, которое увеличивает их надежность (что может быть важным в случае довольно частой смены видеокарт, но что более важно: такой слот легче выдержит нагрузку на изгиб в случае установки очень тяжелой видеокарты топового уровня). Кроме того, такая защита предохраняет слоты от электромагнитных помех.
Расположение PCIe слотов позволяет легко смонтировать СО любого уровня и класса.
Для поддержания стабильных частот на шине PCIe (и для нужд оверклокеров) имеется внешний тактовый генератор.
Конечно же в наличии и уже привычные усилителей (ре-драйверы) сигнала шины. И тоже от Pericom/Diodes.
На очереди — накопители.
Всего у платы 6 разъемов Serial ATA 6 Гбит/с + 3 слота для накопителей в форм-факторе M.2. (Еще один слот M.2, спрятанный под кожухом блока разъемов задней панели, занят контроллером беспроводных сетей Wi-Fi/Bluetooth.). Все порты SATA реализованы через чипсет Z490 и поддерживают создание RAID.
Напомню, что некоторые порты SATA делят ресурсы с портами M.2, поэтому имеются мультиплексоры F75480BN от TE Connectivity Ltd.
Теперь про M.2. Материнская плата имеет 3 гнезда такого форм-фактора.
Два слота M.2_1 и M.2_2 поддерживает модули с любым интерфейсом, а третий M.2_3 — только с PCIe интерфейсом, все три получают данные от чипсета Z490, также на них можно организовать RAID силами Z490 и использовать для Intel Optane Memory. При этом самый длинный модуль 22110 можно установить только в М.2_1, а М.2_2 и М.2_3 поддерживают до 2280.
Поскольку количество HSIO линий у Z490 ограничено тридцатью, то приходится делить ресурсы, о чем я выше уже говорил, рассматривая PCIe слоты. В частности, повторю, что M.2_3 слот выключает PCIe x16_3, и наоборот. То есть в случае использования всех трех PCIe x16 (для AMD CrossFire, например) порт M.2_3 будет отключен. Если в слот M.2_1 вставлен накопитель с интерфейсом SATA, то это автоматом отключит порт SATA_2 (ну и наоборот, если последний задействован, то слот M.2_1 будет работать только в режиме PCIe x4). Слот M.2_2 не может работать одновременно с портами SATA_5/6, то есть тут тоже придется выбирать.
Все три M.2 слота на самой матплате имеют радиаторы, которые не связаны с какими-то иными устройствами охлаждения на данной плате (хоть радиаторы для М.2_2 и М.2_3 и выглядят единым целым с чипсетным радиатором, но это просто дизайн).
Расскажем и о других «прибамбасах» на плате. Разумеется, есть кнопки питания и перезагрузки.
Раз у нас плата из серии MEG, то ожидаем набор технологий, помогающих оверклокерам, в частности набор перемычек, кнопок или переключателей. И он имеется, однако некоторые функции выполнены в виде перемычек (разъемов), к которым следует подключать кнопки, или просто замыкать их (например, отверткой).
Во-первых, переключатель базовой частоты шины, которую можно увеличивать на 1 МГц замыканием перемычки (или нажатием подключенной к этому разъему кнопки), и это без входа в BIOS или запуска соответствующего ПО. Во-вторых, подобная перемычка для увеличения множителя процессора (для процессоров с суффиксом «К», разумеется).


В-третьих, перемычка включения режима LN2, для экстремалов — когда при сильном охлаждении азотом, замерз не только CPU, но и все вокруг него (включая наблюдающих за процессом), включается внутренний прогрев, и система запускается!



А в случае экстремального разгона (приведшего к зависанию ПК), ищется ближайшая частота работы CPU для гарантированного стабильного запуска.


В-четвертых, кнопки для зануд. Кто все же не хочет сбрасывать оверклокерские настройки и заставить систему с ними запуститься. Ну и в-пятых, если уж все же запуск не получается, то хотя бы принудительно войти в настройки BIOS (CMOS) и подкрутить чего-нибудь.


Если уж совсем все плохо, то кроме кнопки на задней панели, есть перемычка сброса CMOS.


У платы еще есть световые индикаторы, сообщающие о проблемах с тем или иным компонентом системы.


Если после включения компьютера к моменту перехода на загрузку ОС все индикаторы погасли, то проблем нет. В ролике ниже это хорошо видно.
Также имеются световой индикатор активности XMP-профиля работы памяти и коннектор для демонстрации возможностей подсветки платы без ее включения.

Кого все эти световые индикаторы раздражают, тот может их выключить единым щелчком.


Продолжая разговор о световых штучках, надо упомянуть и возможности материнской платы по подключению RGB-подсветки. Имеется 4 разъема для подключения любых устройств этого плана: 2 разъема для подключения адресуемых (5 B 3 A, до 15 Вт) ARGB-лент/устройств, 1 разъем неадресуемых (12 В 3 А, до 36 Вт) RGB-лент/устройств и 1 проприетарный разъем для подключения подсветок от Corsair. Разъемы объединены в пары, разнесенные на противоположные края платы.
Схемы подключения стандартны для всех материнских плат, поддерживающих подсветку:


Что касается поддержки световых функций, реализованных в устройствах Corsair, то для их синхронизации с материнской платой MSI есть особый разъем.

Контроль по синхронизации работы подсветки возложен на контроллер NUC126 от Nuvoton. Частично на него возложены и функции мониторинга.
Конечно, есть и традиционный набор штырьков FPanel для подключения проводов к передней (а сейчас уже часто и верхней или боковой или все это сразу) панели корпуса.

На фото выше еще видно табло POST-кодов (или Debug-кодов), извещающее о текущем состоянии платы в процессе запуска и работы.
Для размещения прошивки UEFI/BIOS использована микросхема MXIC MX25L25673GM2I от Macronix.
Материнская плата (как и многие остальные флагманские модели) обладает технологией «холодной» прошивки BIOS (наличие ОЗУ, процессора и прочей периферии необязательно, нужно лишь подключить питание) — Flash BIOS. Видеоролик ниже на основе матплаты MSI MEG Z490 Godlike демонстрирует это.
Для такого обновления BIOS версию прошивки надо вначале переименовать в MSI.ROM и записать в корень на USB-«флешку», которая вставляется в особо отмеченный порт USB. Ну и запуск через кнопку, которую надо держать 3 секунды. Материнская плата в процессе прошивания нового BIOS запускается, после успешного завершения (о чем демонстрирует как погасшая кнопка Flash BIOS).
Также можно обновить BIOS и более привычным способом непосредственно из настроек Setup UEFI/BIOS (см. ролик ниже), для этого на флеш-накопитель надо скопировать файл прошивки с тем названием, с которым его скачали с сайта MSI.
Также есть точки измерения вольтажа на разных блоках матплаты.


Для подключения внешних контроллеров Intel Thunderbolt3 имеется свой набор гнезд.

Ну и наверно последний «прибамбас» — это разъем TPM для подключения разных систем безопасности.


Периферийная функциональность: USB-порты, сетевые интерфейсы, ввод-вывод
Продолжаем рассматривать периферию. Теперь на очереди USB-порты. И начнем с задней панели, куда выведены большинство из них.
Повторим: чипсет Z490 способен реализовать не более 14 портов USB, из которых может быть до 10 портов USB 3.2 Gen1, до 6 портов USB 3.2 Gen2, и/или до 14 портов USB 2.0.
Также мы помним и про 24 линии PCIe, которые идут на поддержку накопителей, сетевых и иных контроллеров (я выше уже показал на что и как расходуются все 22 линии из 24).
И что мы имеем? Всего на материнской плате — 15 портов USB:
- 1 порт USB 3.2 Gen2x2: реализован через ASMedia ASM3241 (на него потрачены 2 линии PCIe) и представлен портом Type-С на задней панели;
- 4 порта USB 3.2 Gen2: все реализованы через Z490: 3 представлены на задней панели портами Type-A (красного цвета); еще 1 представлен внутренним портом Type-C (для подключения к соответствующему разъему на передней панели корпуса);
- 4 порта USB 3.2 Gen1: все реализованы через Z490: 2 представлены внутренним разъемом на материнской плате на 2 порта; еще 2 представлены портами Type-A на задней панели (синие);
- 6 портов USB 2.0/1.1: 4 реализованы через Z490 и представлены двумя внутренними разъемами (каждый на 2 порта); еще 2 реализованы через контроллер Genesys Logic GL850G (на него потрачена 1 линия PCIe) и представлены портами Type-A на задней панели (черные).
Итак, через чипсет Z490 реализовано 4 USB 3.2 Gen2 + 4 USB 3.2 Gen1 = 8 выделенных портов. Плюс 22 линии PCIe, выделенные на поддержку иной периферии (включая те же самые контроллеры USB). Итого у Z490 реализовано 30 высокоскоростных портов из 30. Еще 4 порта USB 2.0 (через Z490) не входят в состав HSIO (14 портов USB 2.0 у Z490 имеются по умолчанию и служат для самостоятельной реализации, либо поддержки USB 3.2: в нашем случае — восьми портов, то есть из 14 USB 2.0 задействовано 12). Поэтому снова возникает вопрос резонности использования GL850G, когда как собственных свободных USB 2.0 портов у Z490 еще два. Вполне возможно, что причина кроется в сложности и себестоимости разводки PCB.
USB 3.2 Gen2 порт Type-C оснащен ре-драйвером NB7N от On Semiconductor
Теперь о сетевых делах.
Материнская плата оснащена средствами связи неплохо. Имеется скоростной Ethernet-контроллер RTL8125B от Realtek, способный работать на скоростях до 2,5 Гбит/с.
Имеется и комплексный беспроводной адаптер на контроллере Intel AX201NGW, через который реализованы Wi-Fi (802.11a/b/g/n/ac/ax) и Bluetooth 5.0. Он установлен в слот M.2 (E-key), и его разъемы для привинчивания выносных антенн выведены на заднюю панель.


Заглушка, традиционно надеваемая на заднюю панель, в данном случае уже надета, и изнутри экранирована для снижения электромагнитных помех.
Теперь про блок ввода-вывода, разъемы для подключения вентиляторов и т. п. Разъемов для подключения вентиляторов и помп — 8. Схема размещения коннекторов для систем охлаждения выглядит так:
Через ПО или BIOS контролируется все 8 гнезд для подключения воздушных вентиляторов или помп: могут управляться как через ШИМ, так и банальным изменением напряжения/тока.
За мониторинг платы отвечают два небольших контроллера от Nuvoton (включая вышеупомянутый NUC126). C ними связан Nuvoton NCT6687D, который контролирует работу всех гнезд СО, также в его ведении Multi I/O.
Поскольку разработчики MSI решили, что платы из серии MEG не вписываются в использование интегрированной графики в процессорах класса Intel Core, то платы MEG не имеют гнезд вывода изображения.
Аудиоподсистема
Данная аудиоподсистема мало чем отличается от традиционных. Мы знаем, что практически во всех современных материнских платах звуком заведует аудиокодек Realtek ALC1220. Он обеспечивает вывод звука по схемам до 7.1.
Ему сопутствует ЦАП ESS Sabre S9018.
Имеется также осциллятор, обеспечивающий точную работу ЦАП. Операционного усилителя нет. В аудиоцепях платы применяются «аудиофильские» конденсаторы Nichicon Fine Gold .
Аудиотракт вынесен на угловую часть платы, не пересекается с другими элементами. Разумеется, левый и правый каналы разведены по разным слоям печатной платы. Все аудиоразъемы на задней панели имеют позолоченное покрытие, но не сохранена привычная цветовая окраска разъемов (которая неплохо помогает подключать нужные штекеры без вглядывания в их наименование).
Понятно, что это стандартная аудиоподсистема, способная удовлетворить запросы большинства пользователей, не ожидающих от звука на материнской плате чудес.
Питание, охлаждение
Для питания платы на ней предусмотрены 3 разъема: в дополнение к 24-контактному ATX здесь есть еще два 8-контактных EPS12V.
Система питания очень внушительная. Схема питания ядра выполнена по схеме 16+1 фаза.
Каждый канал фазы имеет суперферритовую катушку и ISL99390 MOSFET от Intersil (Renesas Electronics) на 90 А.
То есть в сумме такая мощнейшая система способна на работу с токами более 1400 ампер!
Управляет фазами ШИМ-контроллер ISL69269 от того же Intersil, однако он рассчитан только на 8 фаз максимум.
Поэтому на плате есть удвоители (даблеры) фаз, расположенные с оборотной стороны.
Это ISL6617A снова от того же Intersil/Renesas.
Да, схема питания такова, что каждый сигнал от контроллера идет на 2 фазы. Да и сами разработчики этого и не скрывают, и схема с удвоителями есть у них на сайте. Таким образом 16 фаз (8х2) обеспечивают VCore.
Оставшаяся фаза питания (17-я) идет на VCCSA.
А VCCIO отдельные 2 фазы.
Что касается модулей оперативной памяти, то здесь реализована однофазная схема. ШИМ-контроллер RT8125E от Richtek.
Теперь про охлаждение.
Все потенциально сильно греющиеся элементы имеют свои собственные радиаторы.
Как мы видим, охлаждение чипсета организовано отдельно от силовых преобразователей. VRM-секция имеет свой мощный двухсекционный радиатор. Обе секции радиатора VRM связаны тепловой трубкой под прямым углом друг ко другу.
Помните, я ранее говорил о том, что охлаждение модулей M.2 организовано отдельно от охлаждения чипсета и VRM.
Любителям разгона чрезмерный нагрев VRM не грозит, ибо на одном из радиаторов установлен маленький вентилятор. Правда он практически никогда не включается, настроен на нагрев радиатора выше 70 °C.
Подсветка
Топовые платы MSI (как и других производителей) обычно имеют красивую подсветку. Однако именно особенностью дизайна данной платы, несмотря на принадлежность к MEG, является полное отсутствие встроенной подсветки. Тем не менее, мы помним, что есть 4 разъема для подключения внешней подсветки, и всем этим можно управлять через программу Dragon Center.
Несмотря на строгий черный дизайн матплаты, любители ярких ПК могут вполне обойтись красотой свечения сопутствующих компонентов: видеокарты, модулей памяти и др.
Ряд производителей моддинговых корпусов с уже вмонтированной подсветкой «сертифицируют» поддержку программ ведущих производителей материнских плат, включая MSI.
Программное обеспечение под Windows
Настройки BIOS
Работоспособность (и разгон)
Запускаем все в режиме по умолчанию (MCE включен в авто-режиме, Game Boost выключен). MCE (вместе с Intel Turbo Boost) сразу поднял частоты всех ядер до 4,9 — 5,0 ГГц (частоты менялись по ядрам). При этом все параметры работы держались в норме, все вышеуказанные тесты прошли без проблем. Нагрев блока VRM и чипсета Z490 не превышал 45-47 °C, необычных явлений не замечено. Максимальное потребление процессором достигло величины в 170 Вт c разовым всплеском до 223.
Как и в случае с MSI MEG Z490 Godlike я включил режим Game Boost (плата все же для геймеров), и в целом полный повтор ситуации: нам позволили увеличить множитель процессора на 2 к тому, что ранее дал режим MCE, при этом напряжение ядра было четко установлено в 1,377 В. При этом частота процессора стала четко 5,1 ГГц по всем ядрам (ну реально +2 к множителю 49, что был ранее). Показатели по нагреву остались на том же уровне. Проведенные тесты показали, что в среднем прирост производительности оказался 2%-5,5%.
Опять же, по традиции использовал фирменную утилиту Dragon Center для получения более высоких результатов, выставив там режим экстремальной производительности. И тут уже произошла разница. Если ранее программа выставляла 5,3 ГГц по всем ядрам, что вызывало легкий троттлинг, то теперь... всего 5,0 ГГц. Ну это никуда не годится. Так что я воспользовался ручными настройками в BIOS и выставил 5,2 ГГц по всем ядрам, отключив все лимиты, а к вольтажам добавил 0,08 В. В принципе, можно просто схему питания выставить в режим Turbo и все. И получил прекрасную стабильность в работе, тест OCCT прошел на ура (на скриншоте лишь его начало)
Конечно, вольтаж на ядре нехило поднялся, но не было времени исследовать на предмет настроек работы с меньшим напряжением при условии той же стабильности на 5,2 ГГц. Но параметры в целом оставались в норме, процессор максимально нагревался до 83 °C. Напоследок тест от AIDA, который самый стрессовый для системы.
Здесь мы видим, что потребление CPU резко выросло и ушло далеко за 200 Вт, при этом и нагрев уже также подчас переходил границу в 90 °C, но все же система выдержала испытание на отлично.
Так что, система питания матплаты тянет «на ура», процессор сам по себе способен на 5,2 ГГц и выше, нужна лишь очень эффективная ЖСО.
Выводы
MSI MEG Z490 Unify — плата премиальной серии MEG, рассчитанной на игровых энтузиастов и оверклокеров, но не флагманская модель стоимостью 50 или более тысяч рублей, а продукт с более-менее приемлемой ценой в районе 25 тысяч. Она хороша по многим параметрам, а старшим моделям своей линейки, вроде Godlike, уступает в основном комплектацией и периферийными возможностями.
Плата предлагает 15 портов USB разных видов (включая один USB 3.2 Gen2×2 (20 Гбит/с) и 5 USB 3.2 Gen2 (10 Гбит/с), 3 слота PCIe х16 (первые два получают 16 линий PCIe от процессора с возможностью создать Nvidia SLI или AMD CrossFire, а третий работает только в режиме х4), 3 слота M.2, 6 портов SATA. Система питания способна обеспечить работу любых совместимых процессоров для нового сокета LGA1200 под серьезным разгоном. Плата имеет стильный черный дизайн без подсветки (но есть возможность подключения дополнительных RGB-устройств), в который отлично вписывается СО на силовых элементах системы питания, усиленная комплектным вентилятором, который в наших тестах ни разу не запустился, и дополненная 8 разъемами для подключения вентиляторов и помп, а также радиаторами для всех накопителей в слотах M.2. Также стоит упомянуть наличие проводного 2,5-гигабитного контроллера Ethernet и беспроводного контроллера, реализующего Wi-Fi 802.11ac и Bluetooth 5.0.
Плата, как и положено серии MEG, обладает рядом фирменных оверклокерских возможностей для повышения стабильности работы системы при экстремальном разгоне.
С учетом стоимости, модель получилась очень интересной. Нелишне напомнить, что технологии авторазгона Intel и AMD тщательно тестируют систему питания и выставляют максимально возможные частоты работы только на платах премиального уровня. Также напомним, что процессорам Core i9-10900K даже для авторазгона нужны очень приличные СО.
Благодарим компанию MSI Russia
и лично Лизу Чень
за предоставленную на тестирование плату
Также благодарим компанию Acronis
и лично Анну Кочарову за предоставление Premium-лицензии Acronis True Image для тестовых стендов
Для тестового стенда:
блок питания Corsair AX1600i (1600W) предоставлен компанией Corsair
термопаста Noctua NT-H2 предоставлена компанией Noctua


































































































