Оглавление
- Форм-фактор
- Технические характеристики
- Основная функциональность: чипсет, процессор, память
- Периферийная функциональность: PCIe, SATA, разные «прибамбасы»
- Периферийная функциональность: USB-порты, сетевые интерфейсы, ввод-вывод
- Аудиоподсистема
- Питание, охлаждение
- Подсветка
- Программное обеспечение под Windows
- Настройки BIOS
- Разгон
- Выводы
Начнем со ссылок. Вот тут есть первый материал по Intel Z490, где я уже проводил анализ ситуации на рынке ПК в плане появления процессоров 10xxx серии. А если кому интересны тесты самих новых процессоров, то здесь можно посмотреть результаты Core 10900K/10600K, а также по Core i7-10700K.
А у нас продолжение «банкета», то есть продолжение радостей изучать самые топовые флагманские материнские платы на базе Z490. Здесь, конечно же, интересы тестеров и широкой публики несколько расходятся, потому что в бюджетных матплатах особо и нечего изучать, а флагманские продукты всегда «нашпигованы» и массой периферии, и иными любопытными «штучками».
Конечно же, это сказано несколько утрированно. Потому что даже в относительно дешевых материнках есть свои интересные моменты. Ну разве что кроме самых — самых бюджетных, для которых надо еще и отдельно сокет покупать и вставлять (шутка).
Здесь еще есть такой момент, что практически все производители хотят привлекать внимание к новым чипсетам именно флагманскими продуктами, поэтому они в первую очередь и предлагаются на тестирование. И вот к нам попала самая топовая матплата игрового класса компании MSI. Напомню, что у этой компании есть три основные линейки геймерских материнских плат: MEG (MSI Enthusiast Gaming) — тут собраны все флагманские продукты; MPG (MSI Performance Gaming) — здесь тоже весьма дорогие материнские платы с обилием фишек для геймеров, но без супер-наворотов; MAG (MSI Arsenal Gaming) — здесь у материнских плат меньше фишек, упрощена периферия, и сделан упор на надежность, ибо в этой серии используются некоторые комплектующие, обычно применяемые в оборонном производстве. В этой серии нет подсветок и прочих кнопок или переключателей для облегчения оверклокинга, просто надежность и долговечность работы на штатных параметрах.
Мы пока продолжаем серию MEG. А значит, это не только геймерский, но и оверклокерский продукт. Вершина творчества и верх всего ассортимента MSI — материнская плата MSI MEG Z490 Godlike. На момент написания материала еще не была в продаже, ее ценник — ориентировочно около 55 тысяч рублей.
Понятно, что такие решения нацелены исключительно на фанатов всего самого крутого и производительного. Оценивать их чисто по «математике» (сколько портов, слотов и т. п.) — бесполезно и недальновидно, ибо имеется много факторов, не подчиняющихся расчетам по формулам.
Поэтому мы изучим MSI MEG Z490 Godlike очень детально, чтобы разобраться — что умеет и чего стоит данный продукт.
MSI MEG Z490 Godlike поставляется в толстой коробке с фирменным дизайном серии MEG с откидывающейся рекламной крышкой (саму плату трудно рассмотреть через небольшое отверстие в центре коробки.
Внутри этой большой коробки есть две малые коробки: для самой материнской платы и остального комплекта.
В комплекте поставки, кроме традиционных элементов типа руководства пользователя и кабелей SATA (что уже много лет является обязательным набором ко всем материнкам), есть выносная антенна с подставкой для беспроводных соединений, разветвители для подключения подсветок, винтики для монтажа модулей M.2, накопитель с ПО, карта расширения M.2 Xpander-Z (которая внешне очень похожа на бюджетную видеокарту, но служит для накопителей форм-фактора M.2 (в нее можно установить еще 2 подобных накопителя), проводной термодатчик, бонусные стикеры, наклейки и стяжки.
ПО поставляется на USB-flash drive. Современно и похвально. Правда, не стоит забывать, что программное обеспечение за время путешествия платы к покупателю успевает устареть, так что придется его загружать с сайта производителя сразу после покупки.
Стоит отметить, что «заглушка» на заднюю панель с разъемами уже смонтирована на самой плате. .
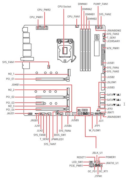
Форм-фактор
Форм-фактор ATX имеет размеры до 305×244 мм, а E-ATX — до 305×330 мм. Материнская плата MSI MEG Z490 Godlike имеет размеры 305×277 мм, поэтому выполнена в форм-факторе Е-ATX, и на ней имеются 9 монтажных отверстий для установки в корпус (одно отверстие по центру скрыто радиатором слота M.2, поэтому если кому важно, для крепления матплаты через это отверстие придется снять оный).
На оборотной стороне имеется лишь мелкая логика. Обработан текстолит неплохо: во всех точках пайки острые концы срезаны. Также плата частично закрыта металлической защитной пластиной с электроизолирующим покрытием (пластина помогает относительно тяжелой плате сохранять жесткость PCB и дополнительно охлаждает плату). Места размещения преобразователей питания с оборотной стороны имеют свои небольшие радиаторы.
Технические характеристики
Традиционная таблица с перечнем функциональных особенностей.
| Поддерживаемые процессоры | Intel Core 10-го поколения |
|---|---|
| Процессорный разъем | LGA 1200 |
| Чипсет | Intel Z490 |
| Память | 4 × DDR4, до 128 ГБ, до DDR4-4800 (XMP), два канала |
| Аудиоподсистема | 1 × Realtek ALC1220 (7.1) + ЦАП ESS ES9018 |
| Сетевые контроллеры | 1 × Marvel AQtion AQC107 Ethernet 10 Гбит/с 1 × Realtek RTL8125B (Ethernet 2,5 Гбит/с) 1 × Intel Dual Band Wireless AX201NGW/CNVi (Wi-Fi 802.11a/b/g/n/ac/ax (2,4/5 ГГц) + Bluetooth 5.0) |
| Слоты расширения | 3 × PCI Express 3.0 x16 (режимы x16, x8+x8 (SLI/CrossFire), x8+x8+x4 (CrossFire)) 2 × PCI Express 3.0 x1 |
| Разъемы для накопителей | 6 × SATA 6 Гбит/с (Z490) 1 × M.2 (Z490, PCIe 3.0 x4/SATA для устройств формата 2242/2260/2280/22110) 1 × M.2 (Z490, PCIe 3.0 x4/SATA для устройств формата 2242/2260/2280/22110) 1 × M.2 (Z490, PCIe 3.0 x4 для устройств формата 2242/2260/2280) |
| USB-порты | 4 × USB 2.0: 2 внутренних разъема на 4 порта (Genesys Logic GL850G) 2 × USB 2.0: 2 порта Type-A (черные) на задней панели (Z490) 4 × USB 3.2 Gen1: 4 порта Type-A (синие) на задней панели (ASMedia ASM1074) 4 × USB 3.2 Gen1: 2 внутренних разъема на 4 порта (ASMedia ASM1074) 2 × USB 3.2 Gen2: 2 порта Type-C на задней панели (Intel Thunderbolt 3) 3 × USB 3.2 Gen2: 2 порта Type-A (красные) и 1 внутренний разъем Type-C (Z490) |
| Разъемы на задней панели | 2 × USB 3.2 Gen2 (Type-C) 2 × USB 3.2 Gen2 (Type-A) 4 × USB 3.2 Gen1 (Type-A) 2 × USB 2.0 (Type-A) 2 × RJ-45 5 аудиоразъемов типа миниджек 1 × S/PDIF (оптический, выход) 1 × PS/2 комбинированный разъем 2 антенных разъема кнопка сброса CMOS кнопка перепрошивки BIOS — Flash BIOS |
| Прочие внутренние элементы | 24-контактный разъем питания ATX 2 8-контактных разъема питания EPS12V 1 слот M.2 (E-key), занят адаптером беспроводных сетей 1 разъем для подключения порта USB 3.2 Gen2 Type-C 2 разъема для подключения 4 портов USB 3.2 Gen1 2 разъема для подключения 4 портов USB 2.0 10 разъемов для подключения 4-контактных вентиляторов и помп ЖСО 1 разъем для подключения неадресуемой RGB-ленты 2 разъема для подключения адресуемой ARGB-ленты 1 разъем для подключения подсветки от Corsair 1 разъем аудио для передней панели корпуса 1 разъем W_FLOW слежения за уровнем жидкости в ЖСО 1 разъем TPM 2 разъема для термодатчика 2 разъема для подключения управления с передней панели корпуса 1 разъем сброса CMOS 1 разъем повышения базовой частоты 1 разъем для запуска при низкой температуре 1 кнопка для принудительного входа в настройки BIOS 1 кнопка для подключения кнопки повторного запуска 1 переключатель светодиодов состояния системы 1 кнопка включения питания Power 1 кнопка перезагрузки Reset |
| Форм-фактор | ATX (305×277 мм) |
| Розничные предложения |
Основная функциональность: чипсет, процессор, память
То, что данная плата относится к самым флагманским, видно с первого взгляда: и по особому внешнему дизайну с хорошим охлаждением, и по количеству портов, слотов, кнопок и прочего и по комплекту поставки.


Схема работы связки чипсет+процессор.
Формально имеется поддержка памяти до 2933 МГц, однако всем хорошо известно, и производители материнских плат это активно рекламируют: через XMP-профили можно использовать частоты до 4000 и выше МГц. В частности данная плата поддерживает частоты до 5000+ МГц.
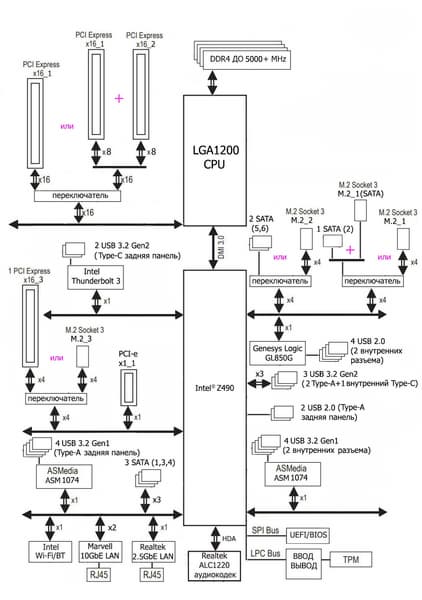
Процессоры Intel Core 10-го поколения (совместимые с сокетом LGA1200 и поддерживаемые Z490) имеют 16 линий ввода-вывода (включая PCIe 3.0), не имеют USB и SATA портов. При этом взаимодействие с Z490 идет по особому каналу Digital Media Interface 3.0 (DMI 3.0), и линии PCIe на это не расходуются. Все PCIe линии процессора идут на слоты расширения PCIe. Serial Peripheral Interface (SPI) используется для взаимодействия с системой UEFI/BIOS, а шина Low Pin Count (LPC) — для связи с устройствами ввода/вывода, не требующими высокой пропускной способности (контроллерами вентиляторов, TPM, старой периферии).
В свою очередь чипсет Z490 поддерживает в сумме 30 линий ввода/вывода, которые распределяться могут так:
- до 14 портов USB (из которых до 6 портов USB 3.2 Gen2, до 10 портов USB 3.2 Gen1, до 14 портов USB 2.0, линии USB 2.0 используются в том числе и для поддержки 3.2);
- до 6 портов SATA 6Гбит/с;
- до 24 линий PCIe 3.0.
Понятно, что если всего 30 портов у Z490, то все указанные выше порты должны укладываться в этот лимит. Так что, скорее всего будет дефицит линий PCIe, и свободно конфигурируемых в какие-то дополнительные порты/слоты линий PCIe тут нет.
Еще раз надо напомнить, что MSI MEG Z490 Godlike поддерживает процессоры Intel Core 10-го поколения, выполненные под разъем (сокет) LGA1200. Система крепления систем охлаждения для CPU точно такая же, как и для LGA1151 (поэтому нет нужды волноваться, что прежние кулеры не подойдут).
Для установки модулей памяти на плате MSI имеется четыре DIMM-слота (для работы памяти в Dual Channel в случае использования всего 2 модулей их следует устанавливать в А2 и B2. Плата поддерживает небуферизованную память DDR4 (non-EСС), а максимальный объем памяти составляет 128 ГБ (при использовании UDIMM последнего поколения по 32 ГБ). Разумеется, поддерживаются профили XMP.
Слоты DIMM имеют металлическую окантовку, которая препятствует деформации слотов и печатной платы при установке модулей памяти и защищает от электромагнитных помех, и которая обычно всегда является составной частью флагманского набора у материнских плат.
Периферийная функциональность: PCIe, SATA, разные «прибамбасы»
Выше мы изучили потенциальные возможности тандема Z490+Core, а теперь посмотрим, что из этого и как реализовано в данной материнской плате.
Итак, кроме USB-портов, к которым мы подойдем позже, чипсет Z490 обладает 24 PCIe линиями. Считаем, сколько линий уходит на поддержку (связь) с тем или иным элементом (надо учитывать, что из-за дефицита PCIe линий некоторые элементы периферии делят их, и потому использовать одновременно нельзя: для этих целей у материнской платы существует большое количество мультиплексоров):
- Переключатель: или порты SATA_5/6 (2 линии), или слот M.2_2 (4 линии): максимум 4 линии;
- Переключатель: или порт SATA_2 (1 линия) + M.2_1 в режиме SATA, или слот M.2_1 в режиме PCIe x4 (4 линии): максимум 4 линии;
- Переключатель: или слот PCIe x16_3 (4 линии), или слот M.2_3 (4 линии): максимум 4 линии;
- Слот PCIe x1 (1 линия);
- Intel JHL7540 (Thunderbolt 3) (1 линия);
- ASMedia ASM1074 (4 USB 3.2 Gen1: Type-A на задней панели) (1 линия);
- ASMedia ASM1074 (4 USB 3.2 Gen1: 2 внутренних разъема на 4 порта) (1 линия);
- Genesys Logic GL850G (4 USB 2.0: 2 внутренних разъема на 4 порта) (1 линия);
- Marvel AQC107 (Ethernet 10Gb/s) (2 линии);
- Realtek RTL8125B (Ethernet 2,5 Gb/s) (1 линия);
- Intel AX201NGW WIFI/BT (Wireless) (1 линия);
- 3 порта SATA_1,3,4 (3 линии)
Собственно, все 24 линии PCIe оказались занятыми. В чипсете Z490 имеется контроллер High Definition Audio (HDA), связь с аудиокодеком идет путем эмуляции PCI шины.
Теперь посмотрим выше на то, как работают процессоры в данной конфигурации. У всех CPU этого плана всего 16 линий PCIe. И их надо делить только на два слота PCIe x16 (_1 и _2). Вариантов переключения несколько:
- Слот PCIe x16_1 имеет 16 линий (слот PCIe x16_2 отключен, всего одна видеокарта);
- Слот PCIe x16_1 имеет 8 линий, слот PCIe x16_2 имеет 8 линий (две видеокарты, режимы Nvidia SLI, AMD CrossFire)
Переходим к PCIe слотам. Про те, которые «кормит» не чипсет Z490, а процессор, я уже выше сказал.
Всего на плате есть 4 слота PCIe: три PCIe x16 (для видеокарт или других устройств) и один «короткий» PCIe x1. Если про первые два PCIe x16 я выше уже рассказал (они подключены к CPU), то третий PCIe x16_3 подключен к Z490 и делит ресурсы с портом M.2_3.
Единственный вариант установки трех видеокарт (а это поддерживает только AMD CrossFire) — это отказ от M.2_3. Тогда имеем схему Х8+Х8+Х4.
У данной платы перераспределение линий PCIe между слотами в случае использования более одной видеокарты, а также необходимо переключение слотов PCIe x16_3 и M.2_3, поэтому востребованы мультиплексоры PI3DBS16 от Pericom.
Все три слота PCIe x16 имеют металлическое армирование из нержавеющей стали, которое увеличивает их надежность (что может быть важным в случае довольно частой смены видеокарт, но что более важно: такой слот легче выдержит нагрузку на изгиб в случае установки очень тяжелой видеокарты топового уровня). Кроме того, такая защита предохраняет слоты от электромагнитных помех.
Расположение PCIe слотов позволяет легко смонтировать СО любого уровня и класса.
Для поддержания стабильных частот на шине PCIe (и для нужд оверклокеров) имеется внешний тактовый генератор.
Конечно же в наличии и уже привычные усилителей (ре-драйверы) сигнала шины. И тоже от Pericom.
На очереди — накопители.
Всего у платы 6 разъемов Serial ATA 6 Гбит/с + 3 слота для накопителей в форм-факторе M.2. (Еще один слот M.2, спрятанный под кожухом блока разъемов задней панели, занят контроллером беспроводных сетей Wi-Fi/Bluetooth.). Все порты SATA реализованы через чипсет Z490 и поддерживают создание RAID.
Напомню, что некоторые порты SATA делят ресурсы с портами M.2, поэтому имеются мультиплексоры F75480BN от TE Connectivity Ltd.
Теперь про M.2. Материнская плата имеет 3 гнезда такого форм-фактора.
Два слота M.2_1 и M.2_2 поддерживает модули с любым интерфейсом, а третий M.2_3 — только с PCIe интерфейсом, он же поддерживает модули с размерами только до 2280, а M.2_1 и M.2_2 — до 22110.
Все три M.2 получают данные от чипсета Z490 и на них можно организовать RAID силами Z490, а также использовать для Intel Optane Memory.
Поскольку количество HSIO линий у Z490 ограничено тридцатью, то приходится делить ресурсы, о чем я выше уже говорил, рассматривая PCIe слоты. В частности, повторю, что M.2_3 слот выключает PCIe x16_3, и наоборот. То есть в случае использования всех трех PCIe x16 (для AMD CrossFire, например) порт M.2_3 будет отключен. Если в слот M.2_1 вставлен накопитель с интерфейсом SATA, то это автоматом отключит порт SATA_2 (ну и наоборот, если последний задействован, то слот M.2_1 будет работать только в режиме PCIe x4). Слот M.2_2 не может работать одновременно с портами SATA_5/6, то есть тут тоже придется выбирать.
Однако это не весь набор слотов M.2. В комплекте поставки есть специальная карта MSI M.2 Xpander-Z Gen4. Производитель позиционирует данную матплату как геймерское решение для желающих иметь самое быстрое и продвинутое «железо». Понятно, что сегодня запускать игры с HDD — это вчерашний день и «бутылочное горлышко» производительности всего ПК. Поэтому для игровых ПК нужны SSD, а так как современные игры могут занимать уже под 200 ГБ каждая, то предельная емкость быстрых SSD становится уже весьма актуальной, однако ценники на самые емкие накопители такого плана еще крайне высоки даже для тех, кто покупает матплаты флагманского уровня. Самые быстрые SSD — это NVMe, форм-фактора M.2 А у материнской платы всего три слота.


Поэтому с материнской платой поставляется особая карта, способная вместить на себе еще 2 модуля форм-фактора M.2.


Все накопители у Xpander-а должны иметь интерфейс PCI-E. В принципе вставлять эту карту можно в любой свободный слот х16 (у нас все 4 слота «длинные»), но надо помнить, что каждый M.2 модуль для максимальной производительности требует 4 линии PCI-E, поэтому перед тем, как заполнять карту накопителями, следует изучить раскладку PCI-E слотов и определить тот слот, в который придется ставить эту карту расширения. Карта имеет свои переключатели для индикации работы через светодиоды, а также для включения штатного вентилятора на полную скорость (по умолчанию на карте есть своя система управления вентилятором через ШИМ).
Разумеется, есть возможность создавать крайне быстрые RAID-массивы с использованием SSD, вставленных в данный адаптер.
Все три M.2 слота на самой матплате имеют радиаторы, которые не связаны с какими-то иными устройствами охлаждения на данной плате. Но при этом M.2_2 и M.2_3 имеют один общий радиатор.
Расскажем и о других «прибамбасах» на плате. Разумеется, есть кнопки питания и перезагрузки.
Раз у нас самая премиальная плата из серии MEG, то ожидаем набор технологий, помогающих оверклокерам, в частности набор перемычек, кнопок или переключателей. И он имеется, однако некоторые «пимпочки» выполнены в виде перемычек (разъемов), к которым следует подключать кнопки, или просто замыкать их (например, отверткой).
Во-первых, переключатель базовой частоты шины, которую можно увеличивать на 1 МГц замыканием перемычки (или нажатием подключенной к этому разъему кнопки), и это без входа в BIOS или запуска соответствующего ПО. Во-вторых, подобная перемычка для увеличения множителя процессора (для процессоров с суффиксом «К», разумеется).

Во-третьих, перемычка включения режима LN2, для экстремалов — когда при сильном охлаждении азотом, замерз не только CPU, но и все вокруг него (включая наблюдающих за процессом), включается внутренний прогрев, и система запускается!
А в случае экстремального разгона (приведшего к зависанию ПК), ищется ближайшая частота работы CPU для гарантированного стабильного запуска.
В-четвертых, кнопки для зануд. Кто все же не хочет сбрасывать оверклокерские настройки и заставить систему с ними запуститься. Ну и в-пятых, если уж все же запуск не получается, то хотя бы принудительно войти в настройки BIOS (CMOS) и подкрутить чего-нибудь.

Если уж совсем все плохо, то кроме кнопки на задней панели, есть перемычка сброса CMOS.

У платы еще есть световые индикаторы, сообщающие о проблемах с тем или иным компонентом системы.
Если после включения компьютера к моменту перехода на загрузку ОС все индикаторы погасли, то проблем нет. В ролике ниже на примере MSI MEG Z490 Ace это хорошо видно.
Также имеется и световой индикатор активности XMP-профиля работы памяти. Кого все эти индикаторы раздражают, тот может их выключить единым щелчком.

Продолжая разговор о световых штучках, надо упомянуть и возможности материнской платы по подключению RGB-подсветки. Имеется 4 разъема для подключения любых устройств этого плана: 2 разъема для подключения адресуемых (5 B 3 A, до 15 Вт) ARGB-лент/устройств, 1 разъем неадресуемых (12 В 3 А, до 36 Вт) RGB-лент/устройств и 1 проприетарный разъем для подключения подсветок от Corsair. Разъемы объединены в пары, разнесенные на противоположные края платы.
Схемы подключения стандартны для всех материнских плат, поддерживающих подсветку:
Что касается поддержки световых функций, реализованных в устройствах Corsair, то для их синхронизации с материнской платой MSI есть особый разъем.
Контроль по синхронизации работы подсветки возложен на контроллер NUC126 от Nuvoton.
Однако это еще не все. Визуализация работы матплаты эффектно дополняется наличием маленького дисплея Dynamic Dashboard II между слотами памяти и разъемом питания.


У него имеется уже встроенный набор сценариев:
Однако можно вставить и свою небольшую анимацию. Ролик ниже демонстрирует работу Dynamic Dashboard II.
Разумеется, есть и традиционный набор штырьков FPanel для подключения проводов к передней (а сейчас уже часто и верхней или боковой или все это сразу) панели корпуса.
Для размещения прошивки UEFI/BIOS использованы микросхемы MXIC MX25L25673GM2I от Macronix.
Да, у платы имеется две копии BIOS, что помогает восстановить работоспособность в случае неудачной прошивки одной из копий. Для этих целей есть переключатель актуальной версии/копии BIOS.

Материнская плата (как и многие остальные флагманские модели) обладает технологией «холодной» прошивки BIOS (наличие ОЗУ, процессора и прочей периферии необязательно, нужно лишь подключить питание) — Flash BIOS. Видеоролик ниже демонстрирует это.
Для такого обновления BIOS версию прошивки надо вначале переименовать в MSI.ROM и записать в корень на USB-«флешку», которая вставляется в особо отмеченный порт USB. Ну и запуск через кнопку, которую надо держать 3 секунды. Материнская плата в процессе прошивания нового BIOS запускается, после успешного завершения (о чем демонстрирует как погасшая кнопка Flash BIOS, так и информация на маленьком дисплее Dynamic Dashboard II (о чем я выше уже рассказывал).
Заведует процессом Flash BIOS ARM-контроллер M481ZIDAE от Nuvoton.
Также есть точки измерения вольтажа на разных блоках матплаты.

Ну какой же флагман может быть без термодатчиков? Материнская плата имеет два разъема для этих целей, а также в комплекте поставки имеются два проводных датчика. Виден также кусочек табло POST-кодов (или Debug-кодов), извещающее о текущем состоянии платы в процессе запуска и работы.

Ну и наверно последний «прибамбас» — это разъем TPM для подключения разных систем безопасности.
Периферийная функциональность: USB-порты, сетевые интерфейсы, ввод-вывод
Продолжаем рассматривать периферию. Теперь на очереди USB-порты. И начнем с задней панели, куда выведены большинство из них.
Повторим: чипсет Z490 способен реализовать не более 14 портов USB, из которых может быть до 10 портов USB 3.2 Gen1, до 6 портов USB 3.2 Gen2, и/или до 14 портов USB 2.0.
Также мы помним и про 24 линии PCIe, которые идут на поддержку накопителей, сетевых и иных контроллеров (я выше уже показал на что и как расходуются все линии из 24).
И что мы имеем? Всего на материнской плате — 19 портов USB:
- 5 портов USB 3.2 Gen2: 3 реализованы через Z490: 2 представлены на задней панели портами Type-A (красного цвета); еще 1 представлен внутренним портом Type-C (для подключения к соответствующему разъему на передней панели корпуса); остальные 2 реализованы через Intel Thunderbolt 3 (на него потрачена 1 линия PCIe) и представлены портами Type-c на задней панели (об этом поговорим ниже);
- 8 портов USB 3.2 Gen1: 4 реализованы через ASMedia ASM1074 (на него потрачена 1 линия PCIe) и представлены двумя внутренними разъемами на материнской плате на 4 порта; еще 4 реализованы через второй контроллер ASMedia ASM1074 (на него потрачена 1 линия PCIe) и представлены портами Type-A на задней панели (синие);
- 6 портов USB 2.0/1.1: 4 реализованы через контроллер Genesys Logic GL850G (на него потрачена 1 линия PCIe) и представлены двумя внутренними разъемами (каждый на 2 порта); еще 2 реализованы через Z490 и представлены портами Type-A на задней панели (черные).
Итак, через чипсет Z490 реализовано 3 USB 3.2 Gen2 = 3 выделенных порта. Плюс 24 линии PCIe, выделенные на поддержку иной периферии (включая те же самые контроллеры USB). Итого у Z490 реализовано 27 высокоскоростных портов из 30. Еще 2 порта USB 2.0 (через Z490) не входят в состав HSIO (14 портов USB 2.0 у Z490 имеются по умолчанию и служат для самостоятельной реализации, либо поддержки USB 3.2: в нашем случае — трех портов, то есть из 14 USB 2.0 задействовано 5). На кой ляд использовали GL850G, когда как собственных свободных USB 2.0 портов у Z490 навалом? Да и полно неиспользованных быстрых USB 3.2 портов, которые можно было бы применить на задней панели вместо уже устаревших USB 2.0
USB 3.2 Gen2 порт Type-C оснащен ре-драйвером NB7N от On Semiconductor,
а другие быстрые USB-порты оснащены аналогичными ре-драйверами ASM1464 от ASMedia,
дающими устойчивый вольтаж, способный обеспечить быструю зарядку мобильных гаджетов через них.
Продолжая разговор про порты ввода-вывода, следует особо оценить наличие поддержки Thunderbolt 3 (через контроллер Intel JHL7540).

Данная версия интерфейса, разработанного Intel, поддерживает скорость передачи данных до 40 Гбит/с и до 6 устройств с одного выхода (через хабы).
Главная особенность реализации Thunderbolt на этой плате — возможность вывода изображения на два приемника с разрешением до 4К (60FPS) или один с разрешением до 5К. Два разъема Type-C на задней панели платы как раз и обслуживаются Intel JHL7540 и могут работать как в режиме простого USB 3.2 Gen2 (для реализации этого есть небольшие контроллеры от Texas Instruments),
так и Thunderbolt 3.
В сумме теоретически можно подключить до 12 устройств, учитывая, что Thunderbolt 3.0 способен передавать до 40 Гбит/с.
Теперь о сетевых делах.
Материнская плата оснащена средствами связи просто отменно! Имеется скоростной Ethernet-контроллер RTL8125B от Realtek, способный работать на скоростях до 2,5 Гбит/с.
Также есть и высокоскоростной Ethernet-контроллер AQC107 от Marvel (бывш. Aquantia), способный работать на скоростях до 10 Гбит/с.
Повторю, что подобное двойное Ethernet-соединение дает три преимущества:
- Суммарная производительность (эффективный обмен информацией) вырастает;
- Повышается стабильность обеспечения связи в случае подключения к двум провайдерам и обрыве связи от одного из них;
- Безопасность: можно жестко разделить внутреннюю сеть (со своим роутером) с внешней сетью (Интернет).
Имеется и комплексный беспроводной адаптер на контроллере Intel AX201NGW, через который реализованы Wi-Fi (802.11a/b/g/n/ac/ax) и Bluetooth 5.0. Он установлен в слот M.2 (E-key), и его разъемы для привинчивания выносных антенн выведены на заднюю панель.
Заглушка, традиционно надеваемая на заднюю панель, в данном случае уже надета, и изнутри экранирована для снижения электромагнитных помех.
Теперь про блок ввода-вывода, разъемы для подключения вентиляторов и т. п. Разъемов для подключения вентиляторов и помп — 10. Схема размещения коннекторов для систем охлаждения выглядит так:
Через ПО или BIOS контролируется все 10 гнезд для подключения воздушных вентиляторов или помп: 9 из них могут управляться как через ШИМ, так и банальным изменением напряжения/тока, а гнездо для подключения помпы ЖСО управляется через ШИМ.
За мониторинг платы отвечают два небольших контроллера от Nuvoton.
C ними связан Nuvoton NCT6687D, который контролирует работу всех гнезд СО, также в его ведении Multi I/O.
Поскольку разработчики MSI решили, что платы из серии MEG не вписываются в использование интегрированной графики в процессорах класса Intel Core, то платы MEG не имеют гнезд вывода изображения.
Аудиоподсистема
Данная аудиоподсистема мало чем отличается от традиционных. Мы знаем, что практически во всех современных материнских платах звуком заведует аудиокодек Realtek ALC1220. Он обеспечивает вывод звука по схемам до 7.1.
Ему сопутствует ЦАП ESS Sabre S9018.
Имеется также осциллятор, обеспечивающий точную работу ЦАП. Операционного усилителя нет. В аудиоцепях платы применяются «аудиофильские» конденсаторы Nichicon Fine Gold .
Аудиотракт вынесен на угловую часть платы, не пересекается с другими элементами. Разумеется, левый и правый каналы разведены по разным слоям печатной платы. Все аудиоразъемы на задней панели имеют позолоченное покрытие, но не сохранена привычная цветовая окраска разъемов (которая неплохо помогает подключать нужные штекеры без вглядывания в их наименование).
Понятно, что это стандартная аудиоподсистема, способная удовлетворить запросы большинства пользователей, не ожидающих от звука на материнской плате чудес.
Для тестирования выходного звукового тракта, предназначенного для подключения наушников или внешней акустики, мы использовали внешнюю звуковую карту Creative E-MU 0202 USB в сочетании с утилитой RightMark Audio Analyzer 6.4.5. Тестирование проводилось для режима стерео, 24-бит/44,1 кГц. Во время тестирования ИБП тестового ПК физически отключался от электросети и работал на аккумуляторе.
По результатам тестирования аудиотракт на плате получил оценку «Хорошо» (оценка «Отлично» практически не встречается на интегрированном звуке, все же это удел уже полноценных звуковых карт).
Питание, охлаждение
Для питания платы на ней предусмотрены 4 разъема: в дополнение к 24-контактному ATX здесь есть еще два 8-контактных EPS12V.
Также имеется опциональный коннектор 6-пин (PCIe) для подключения дополнительного питания в случае мультиграфической конфигурации (усиление питания слотов PCIe если вставлены 2 или 3 видеокарты).
Система питания просто очень внушительная. Схема питания ядра выполнена по схеме 16+1+1 фаза.
Каждый канал фазы имеет суперферритовую катушку и ISL99390 MOSFET от Intersil (Renesas Electronics) на 90 А.
То есть в сумме такая мощнейшая система способна на работу с токами более 1400 ампер!
Управляет фазами ШИМ-контроллер ISL69269 от того же Intersil, однако он рассчитан только на 8 фаз максимум.
Поэтому на плате есть удвоители (даблеры) фаз, расположенные с оборотной стороны.
Это ISL6617A снова от того же Intersil/Renesas.
Да, схема питания такова, что каждый сигнал от контроллера идет на 2 фазы. Да и сами разработчики этого и не скрывают, и схема с удвоителями есть у них на сайте.
Оставшиеся 2 фазы питания (17-я и 18-я) идут на VCCSA.
А VCCIO отдельные 2 фазы.
Что касается модулей оперативной памяти, то здесь реализована однофазная схема. ШИМ-контроллер RT8125E от Richtek.
Теперь про охлаждение.
Все потенциально сильно греющиеся элементы имеют свои собственные радиаторы.
Как мы видим, охлаждение чипсета организовано отдельно от силовых преобразователей.
VRM-секция имеет свой мощный двухсекционный радиатор. Обе секции радиатора VRM связаны тепловой трубкой под прямым углом друг ко другу.
Помните, я ранее говорил о том, что охлаждение модулей M.2 организовано отдельно от охлаждения чипсета и VRM.
Любителям разгона чрезмерный нагрев VRM не грозит, ибо на одном из радиаторов установлен маленький вентилятор. Правда он практически никогда не включается, настроен на нагрев радиатора выше 70 °C.
Задняя пластина, которая частично покрывает PCB, имеет роль только ребра жесткости, в охлаждении не участвует. Однако на оборотной стороне имеются небольшие радиаторы (их видно на снимках выше), которые помогают охлаждать область VRM.
Радиатор чипсета имеет пластиковый кожух с подсветкой, он также является рамкой для экрана Dynamic Dashboard II.
Над аудиоподсистемой и задним блоком портов установлен пластиковый кожух соответствующего дизайна, он оснащен подсветкой.
Подсветка
Топовые платы MSI (как и других производителей) всегда имеют красивую подсветку. В данном случае эффекты подсветки создаются на кожухе над задним блоком портов и на кожухе над радиатором чипсета. Так же мы помним про 4 разъема для подключения внешней подсветки, и всем этим можно управлять через программу Dragon Center.
В последнее время практически все топовые ( и не топовые) решения оснащаются красивыми элементами подсветки. Каким-то пользователям это нравится, умело созданные световые эффекты положительно влияют на эстетическое восприятие (каким-то пользователям это не нравится, они могут всегда отключить подсветку).
Ряд производителей моддинговых корпусов с уже вмонтированной подсветкой «сертифицируют» поддержку программ ведущих производителей материнских плат, включая MSI.
Программное обеспечение под Windows
Все программное обеспечение можно скачать с сайта производителя msi.com. Основная программа — так сказать, менеджер всего «софта» — это Dragon Center. Собственно, все остальные утилиты теперь входят в Dragon Center, отдельно их ставить почти нет надобности.
Вначале рассмотрим раздел управления подсветкой Mystic Light.
Утилита имеет 25 (!) вариантов свечения многоугольника на кожухе слева от сокета и над чипсетным радиатором. Можно задавать те же режимы подсветки и для остальных элементов системы свечения платы (три разъема RGB плюс проприетарный разъем для RGB-устройств Corsair). Позволительно выбрать режим свечения как для отдельных элементов, так и для всей группы в целом. Ну и, разумеется, можно выключить подсветку вообще.
Далее интересная возможность включения аппаратного мониторинга работы системного блока с выбором отдельных элементов, за которыми требуется наблюдение.
Можно мониторинг включить в виде отдельного окна, которое можно переключать, если количество отмеченных в мониторинге элементов не умещается в нем. Это окно можно разместить где-то сбоку для удобства просмотра ситуации с «железом», например, в случае разгона или серьезной нагрузки в игре. Правда тогда придется отказаться от режима «полного экрана» в той же игре.
Кстати, DC поддерживает игровой режим, то есть в нем есть предустановленные параметры работы матплаты с процессором и ОЗУ для каждой игры, которую DC «знает».
Далее уже идет наверно самый интересный раздел: производительность.
Стартовая вкладка — это для тех, кому неохота влезать в тонкости разгона. Здесь можно просто выбрать режим, чтобы система сама выставила все частоты и напряжения (бесшумный — это выключение любого разгона, фиксация максимальной тактовой частоты работы процессора на уровне его штатной).
Если выбрать режим «разгон», то снижение частоты работы CPU ниже штатной будет запрещено, и согласно технологии Intel Turbo Boost автоматически поднимается частота работы ядер до заданного максимума в пределах теплопакета и температуры конкретной модели процессора. Если же такого «авторазгона» мало, то есть два пустых профиля для записи своих собственных установок частот и напряжений. В этих случаях можно использовать также предустановленные режимы разгона Game Boost.
Еще имеется вкладка по управлению сетевыми подключениями. Мы помним, что у платы есть два проводных сетевых контроллера, и программа позволит пользователю упорядочить обращение к сетевым соединениям со стороны того или иного приложения. Это бывает нужно для организации самого быстрого обмена информацией, например, для игр.
Надо еще отметить фирменную панель управления звуком от Nahimic, которая сопровождает текущий драйвер аудиотракта Realtek.
Собственно, можно настроить звук «под себя» как в играх, так и просто при прослушивании музыки. Особенно интересны настройки для вывода звука в наушники.
Настройки BIOS
Все современные платы сейчас имеют UEFI (Unified Extensible Firmware Interface), которые, по сути, являются операционными системами в миниатюре. Для входа в настройки при загрузке ПК традиционно надо нажать клавишу Del или F2.
Попадаем в общее «простое» меню, где по сути одна информация (с легким выбором ряда опций), так что нажимаем F7 и попадаем уже в «продвинутое» меню.


Расширенные настройки. Имеется много интересных позиций, когда каждым портом USB можно управлять. Как и менять режимы работы слотов PCIe и M.2.



Следует особо обратить внимание в разделе на управление M.2 и иными слотами, делящими ресурсы меж собой.



Мониторинг и опции загрузочного меню — всем хорошо известны. В разделе мониторинга можно настроить работу гнезд для вентиляторов.


Опции по оверклокингу, как положено MEG-решениям, обширны. Помним про наличие внешнего тактового генератора, поэтому можно гибко менять и частоту базовой шины. Конечно для современных топовых процессоров наверно многие опции — бесполезны, ибо процессор сам по себе уже работает на сильно повышенных частотах (с помощью Intel Turbo Boost, не говоря уж о MCE). Как показывает опыт, все будет упираться по сути в возможности системы охлаждения CPU.






Как я уже говорил ранее, тем, кому авторазгон (Turbo Boost) — помеха, может все это выключить, и выбирать опции овеклокинга по своему усмотрению. Кому-то нужна только минимальная штатная частота (например, ради тихой работы СО). Также и технология SpeedShift, которая стремится при любой возможности понижать частоты работы ядер (ну типа энергосбережение) кого-то может раздражать.






Еще раз надо отметить технологию Multi-Core Enhancement (MCE), которая базируется на той же Turbo Boost, однако подразумевает снятие любых ограничений по энергопотреблению, то есть частоты работы CPU могут подниматься максимально, пока не наступит ограничение по нагреву. Если кому важно оставаться в заданных лимитах TDP, то MCE следует отключать.
Разгон
Полная конфигурация тестовой системы:
- материнская плата MSI MEG Z490 Godlike;
- процессор Intel Core i9-10900K 3,7—5,4 ГГц;
- оперативная память Corsair UDIMM (CMT32GX4M4C3200C14) 32 ГБ (4×8) DDR4 (XMP 3200 МГц);
- накопители SSD OCZ TRN100 240 ГБ и Intel SC2BX480 480 ГБ;
- видеокарта Palit GeForce RTX 2070 Super GameRock;
- блок питания Corsair AX1600i (1600 Вт) Вт;
- СО Cooler Master MasterLiquid ML240P Mirage , усиленная вентиляторами NZXT и Enermax 3500 об/мин ;
- телевизор LG 43UK6750 (43″ 4K HDR);
- клавиатура и мышь Logitech.
Программное обеспечение:
- операционная система Windows 10 Pro (v.1909), 64-битная
- AIDA 64 Extreme
- 3DMark Time Spy CPU benchmark
- 3DMark Fire Strike Physics benchmark
- 3DMark Night Raid CPU benchmark
- HWInfo64
- MSI Kombustor 3.5.0.4
- Adobe Premiere CS 2019 (рендеринг видеоролика)
Запускаем все в режиме по умолчанию (MCE включен в авто-режиме, Game Boost выключен). MCE (вместе с Intel Turbo Boost) сразу поднял частоты всех ядер до 4,9 — 5,0 ГГц (частоты менялись по ядрам). При этом все параметры работы держались в норме, все вышеуказанные тесты прошли без проблем. Нагрев блока VRM и чипсета Z490 не превышал 50-55 °C, необычных явлений не замечено. Максимальное потребление процессором достигло величины в 170 Вт.
Затем через BIOS я включил режим Game Boost (плата все же для геймеров). И вот что получилось при сохранении настроек. Этот режим позволил увеличить множитель процессора на 2 к тому, что ранее дал режим MCE, при этом напряжение ядра четко установлено в 1,375 В.
И что мы получили?
Частота процессора стала четко 5,1 ГГц по всем ядрам (ну реально +2 к множителю 49, что был ранее). Показатели по нагреву остались на том же уровне. Проведенные тесты показали, что в среднем прирост производительности оказался 2%-6%. Да, лучше всех отреагировал Premiere, для которого 10 ядер на 5,1 ГГц стали просто сладостным моментом. И это вовсе не игровое приложение. Игры на подобные вещи обычно реагируют несколько вяло.
Далее использовал фирменную утилиту Dragon Center для получения более высоких результатов, выставив там режим экстремальной производительности.
При этом программа выставила 5,3 ГГц по всем ядрам, здесь уже иногда случался легкий троттлинг, однако усиленная высокооборотистыми вентиляторами СО выдержала, и система отработала все тесты стабильно. С чем и поздравляю создателей этой материнки! Потому что на сегодня это новый рекорд на данном CPU: 5.3 ГГц взяли!
Еще раз отмечу, что система питания матплаты тянет «на ура», процессор сам по себе способен на большие подвиги, нужна лишь очень эффективная ЖСО.
Выводы
MSI MEG Z490 Godlike — флагманская плата премиальной серии MEG, рассчитанная на финансово обеспеченных энтузиастов, потому что ее стоимость на старте продаж составляет более 70 тысяч рублей. Материнская плата действительно топовая, с отличной комплектацией и впечатляющей функциональностью.
Плата предлагает 19 портов USB разных видов (включая 5 очень быстрых USB 3.2 Gen2), 3 слота PCIe х16 (первые два получают 16 линий PCIe от процессора с возможностью создать Nvidia SLI или AMD CrossFire, а третий работает только в режиме х4), 3 слота M.2 (плюс еще 2 через карту Xpander-Z), 6 портов SATA. Система питания способна обеспечить работу любых совместимых процессоров для нового сокета LGA1200 под серьезным разгоном (авторазгон по умолчанию смог поднять частоту с 3,7 до 5,1 ГГц по всем ядрам). Стильная СО на силовых элементах системы питания усилена комплектным вентилятором, который в наших тестах, впрочем, ни разу не запустился, и дополнена 10 разъемами для подключения вентиляторов и помп, а также радиаторами для всех накопителей в слотах M.2. Также стоит упомянуть два проводных сетевых контроллера — 2,5- и 10-гигабитный, и беспроводной контроллер, реализующий Wi-Fi 802.11ac и Bluetooth 5.0.
Плата, как и положено серии MEG, обладает рядом фирменных оверклокерских возможностей для повышения стабильности работы системы при экстремальном разгоне. В плюсы MSI MEG Z490 Godlike надо добавить прекрасную подсветку, включая широкие возможности для подключения дополнительных RGB-устройств, а также экран Dynamic Dashboard II.
В целом плата получилась крайне интересной, а ее стоимость — ожидаемо шокирующей. Аналоги с похожей стоимостью есть сейчас у всех. Напоминаем, что технологии авторазгона Intel и AMD (включая MCE) тщательно тестируют систему питания и выставляют максимально возможные частоты работы только на платах премиального уровня. Также напомним, что процессорам Core i9-10900K даже для авторазгона нужны очень приличные СО.
В номинации «Оригинальный дизайн» плата MSI MEG Z490 Godlike получила награду:

В номинации «Отличная поставка» плата MSI MEG Z490 Godlike получила награду:

Благодарим компанию MSI Russia
и лично Лизу Чень
за предоставленную на тестирование плату
Также благодарим компанию Acronis
и лично Анну Кочарову за предоставление Premium-лицензии Acronis True Image для тестовых стендов
Для тестового стенда:
ЖСО Cooler Master MasterLiquid ML240P Mirage предоставлена компанией Cooler Master
блок питания Corsair AX1600i (1600W) предоставлен компанией Corsair
термопаста Noctua NT-H2 предоставлена компанией Noctua



















































































































