Оглавление
- Форм-фактор
- Технические характеристики
- Основная функциональность: чипсет, процессор, память
- Периферийная функциональность: PCIe, SATA, разные «прибамбасы»
- Периферийная функциональность: USB-порты, сетевые интерфейсы, ввод-вывод
- Аудиоподсистема
- Питание, охлаждение
- Подсветка
- Программное обеспечение под Windows
- Настройки BIOS
- Разгон
- Выводы
В первом материале по Intel Z490 я уже проводил детальный анализ ситуации на рынке ПК и почему и как появились процессоры Core 10xxx серии (да и не только Core). Просто пока компания Intel усердно занималась заполнением своих мощностей заказами типа аутсорсинг (от сторонних компаний), уповая на то, что ее доля рынка ПК прочна и недвижима, компания AMD «выстрелила» уже три раза своими Ryzen, и особенно удачным стал третий выстрел. А Intel, получая немалую прибыль от аутсорсинга, столкнулась с нехваткой производственных мощностей для своих собственных процессоров, потому и образовался их некий дефицит с вытекающими последствиям в ценообразовании, что еще больше усилило давление со стороны «темно-зеленых» (помним, что есть еще «светло-зеленые» — Nvidia).
И если среди огромного рынка офисно/корпоративных ПК процессоры Intel еще сильно доминируют, то рынок конечных потребителей (когда конкретные пользователи покупают или готовые решения, или обновляют старые ПК) уже бурлит давно, и доля процессоров Ryzen там увеличивается с каждым днем, и при этом «синий» конкурент по-прежнему делает вид, что ничего страшного не происходит. Тем не менее, руководство Intel явно уже тревожит ситуация, они пытаются в который раз выжать что-то новое из 14 нм, но по сути это реинкарнации того, что было и раньше, просто жадность давила... Ну, например, HT (гипер-трейдинг) могли во всех Core ввести и раньше. Но тогда себестоимость бы выросла, прибыль с каждого проца упала бы... И т. д. Вот тут появление «темно-зеленых» с копьем (прямо аж встал образ Георгия- Победоносца перед глазами) оказалось очень вовремя — причем для самих же «синих», чьи веки наконец-то открылись.
Копья и стрелы AMD — это козыри не только в виде 12- и 16- ядер для потребительского сегмента, но и шины PCIe 4.0. Понятно, что какой-то ответ надо дать. Как говорится, что смогли: улучшенная инкарнация ранее вышедшей 9ххх серии, где топовый продукт получил не 8, а 10 ядер (20 потоков), повсеместно у всех Core 10xxx есть гипер-трейдинг (2 потока на ядро), ну и максимально достижимые частоты несколько повышены.
Переход на сокет LGA1200 — это очень спорное решение, особенно в свете слухов, что в конце года все же появится новая архитектура, требующая уже LGA1700. То есть сокет, как и платы с ним, проживут не так долго. Понятно, что повышенное энергопотребление последней серии Core 10xxx как-то объясняет, а также есть желание помочь партнерам — производителям материнских плат, которые немного затосковали, не получая новых чипсетов от Intel. Но такая услуга может стать и «медвежьей». Помним, что тот же сокет AM4 у AMD спокойно держится уже который год, и на нем работают как первые Ryzen, так и самые прожорливые последние и топовые.
Объяснение тому есть: сокет AMD AM4 изначально имел задел на будущее, он имеет 1331 контакт, поэтому не только появление новых технологических нагрузок, но и повышение энергопотребления самыми мощными процессорами Ryzen чисто по токовой нагрузке «переваривается» с лихвой, а вот LGA1151 от Intel в этом плане несколько лимитирован. Понятно, что планы были сменить сокет с переходом на техпроцесс 10 нм по выпуску процессоров, но жизнь все карты спутала. И вот появился LGA1200, с которым поклонники продукции компании Intel должны смириться. Как долго он проживет — мы не знаем. Пока рассматриваем то, что вышло и в каком виде.
В своем материале наш автор Андрей Кожемяко уже рассказал — что собой представляет новая линейка процессоров Intel, сравнил их с конкурентами, поэтому это все можно прочитать здесь. А я же буду рассказывать о новых материнских платах, выходящих для данных процессоров.
Второй из всех материнок на Z490 нам попала топовая матплата из серии MEG компании MSI. Конечно же, это геймерский продукт. Материнская плата MSI MEG Z490 Ace на момент написания материала еще не была в продаже, ее ценник — ориентировочно около 30 тысяч рублей.
Я уже отмечал высокую цену у таких решений, поэтому они нацелены исключительно на фанатов всего самого крутого и производительного. Оценивать их чисто по «математике» (сколько портов, слотов и т. п.) — бесполезно и недальновидно, ибо имеется много факторов, не подчиняющихся расчетам по формулам.
Поэтому мы изучим MSI MEG Z490 Ace очень детально, чтобы разобраться — что умеет и чего стоит данный продукт.
MSI MEG Z490 Ace поставляется в толстой коробке с фирменным дизайном серии MEG. Кстати, серия MEG означает — MSI Enthusiast Gaming (то есть для особых игроманов-энтузиастов, где все самые крутые «фишки» и на разгону, и по системам питания, и по наворотам в периферии). Серия MPG — MSI Performance Gaming (то есть упор на тех геймеров, которым нужна лишь производительность, а навороченность периферии не особо важно). Серия MAG — MSI Arsenal Gaming (то есть для тех геймеров, которым важна надежность на много-много лет, для которых матплаты содержат особо надежные элементы из оборонных целей, и да и в целом дизайны таких материнских плат напоминают «милитари»).
Внутри коробки есть три отсека: для самой материнской платы, бумажек и остального комплекта.
В комплекте поставки, кроме традиционных элементов типа руководства пользователя и кабелей SATA (что уже много лет является обязательным набором ко всем материнкам), есть выносная антенна с подставкой для беспроводных соединений, разветвители для подключения подсветок, винтики для монтажа модулей M.2, накопитель типа CD, бонусные стикеры, наклейки и стяжки.
Стоит отметить, что «заглушка» на заднюю панель с разъемами уже смонтирована на самой плате. Не забываем, что программное обеспечение за время путешествия платы к покупателю успевает устареть, так что придется его загружать с сайта производителя сразу после покупки.
Форм-фактор
Форм-фактор ATX имеет размеры до 305×244 мм, а E-ATX — до 305×330 мм. Материнская плата MSI MEG Z490 Ace имеет размеры 305×244 мм, поэтому выполнена в форм-факторе ATX, и на ней имеются 9 монтажных отверстий для установки в корпус (одно отверстие по центру скрыто радиатором слота M.2, поэтому если кому важно, для крепления матплаты через это отверстие придется снять оный).
На оборотной стороне элементы имеется лишь мелкая логика. Обработан текстолит неплохо: во всех точках пайки срезаны острые концы срезаны. Также плата частично закрыта металлической защитной пластиной с электроизолирующим покрытием (пластина помогает относительно тяжелой плате сохранять жесткость PCB).
Технические характеристики
Традиционная таблица с перечнем функциональных особенностей.
| Поддерживаемые процессоры | Intel Core 10-го поколения |
|---|---|
| Процессорный разъем | LGA 1200 |
| Чипсет | Intel Z490 |
| Память | 4 × DDR4, до 128 ГБ, до DDR4-4800 (XMP), два канала |
| Аудиоподсистема | 1 × Realtek ALC1220 (7.1) + ЦАП ESS ES9018 |
| Сетевые контроллеры | 1 × Intel WGI219-AT Ethernet 1 Гбит/с 1 × Realtek RTL8125B (Ethernet 2,5 Гбит/с) 1 × Intel Dual Band Wireless AX201NGW/CNVi (Wi-Fi 802.11a/b/g/n/ac/ax (2,4/5 ГГц) + Bluetooth 5.0) |
| Слоты расширения | 3 × PCI Express 3.0 x16 (режимы x16, x8+x8 (SLI/CrossFire), x8+x8+x4 (CrossFire)) 2 × PCI Express 3.0 x1 |
| Разъемы для накопителей | 6 × SATA 6 Гбит/с (Z490) 1 × M.2 (Z490, PCIe 3.0 x4/SATA для устройств формата 2242/2260/2280/22110) 1 × M.2 (Z490, PCIe 3.0 x4/SATA для устройств формата 2242/2260/2280) 1 × M.2 (Z490, PCIe 3.0 x4 для устройств формата 2242/2260/2280) |
| USB-порты | 4 × USB 2.0: 2 внутренних разъема на 4 порта (Z490) 2 × USB 2.0: 2 порта Type-A (черные) на задней панели (Genesys Logic GL850G) 2 × USB 3.2 Gen1: 2 порта Type-A (синие) на задней панели (Z490) 2 × USB 3.2 Gen1: 1 внутренний разъем на 2 порта (Z490) 1 × USB 3.2 Gen2x2: 1 порт Type-C на задней панели (ASMedia ASM3241) 4 × USB 3.2 Gen2: 3 порта Type-A (красные) и 1 внутренний разъем Type-C (Z490) |
| Разъемы на задней панели | 1 × USB 3.2 Gen2x2 (Type-C) 3 × USB 3.2 Gen2 (Type-A) 2 × USB 3.2 Gen1 (Type-A) 2 × USB 2.0 (Type-A) 2 × RJ-45 5 аудиоразъемов типа миниджек 1 × S/PDIF (оптический, выход) 1 × PS/2 комбинированный разъем 2 антенных разъема кнопка сброса CMOS кнопка перепрошивки BIOS — Flash BIOS |
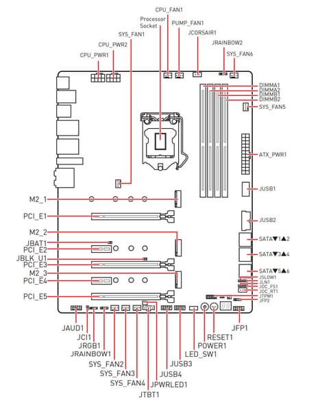
| Прочие внутренние элементы | 24-контактный разъем питания ATX 2 8-контактных разъема питания EPS12V 1 слот M.2 (E-key), занят адаптером беспроводных сетей 1 разъем для подключения порта USB 3.2 Gen2 Type-C 1 разъем для подключения 2 портов USB 3.2 Gen1 2 разъема для подключения 4 портов USB 2.0 8 разъемов для подключения 4-контактных вентиляторов и помп ЖСО 1 разъем для подключения неадресуемой RGB-ленты 2 разъема для подключения адресуемой ARGB-ленты 1 разъем для подключения подсветки от Corsair 1 разъем аудио для передней панели корпуса 1 разъем Thunderbolt 1 разъем TPM 1 разъем для термодатчика 2 разъема для подключения управления с передней панели корпуса 1 разъем сброса CMOS 1 разъем повышения базовой частоты 1 разъем для запуска при низкой температуре 1 разъем для принудительного входа в настройки BIOS 1 разъем для подключения кнопки повторного запуска 1 переключатель светодиодов состояния системы 1 кнопка включения питания Power 1 кнопка перезагрузки Reset |
| Форм-фактор | ATX (305×244 мм) |
| Ориентировочная цена | 30-35 тысяч рублей; на момент публикации продавалась от 49 тысяч |
Основная функциональность: чипсет, процессор, память
То, что данная плата относится к флагманским, видно с первого взгляда: и по особому внешнему дизайну с хорошим охлаждением, и по количеству портов, слотов, кнопок и прочего. Но опять же, не самая навороченная материнская плата (ну хотя бы по количеству портов на задней панели или по комплекту поставки).


Схема работы связки чипсет+процессор.
Формально имеется поддержка памяти до 2933 МГц, однако всем хорошо известно, и производители материнских плат это активно рекламируют: через XMP-профили можно использовать частоты до 4000 и выше МГц. В частности данная плата поддерживает частоты до 4800 МГц.
Процессоры Intel Core 10-го поколения (совместимые с сокетом LGA1200 и поддерживаемые Z490) имеют 16 линий ввода-вывода (включая PCIe 3.0), не имеют USB и SATA портов. При этом взаимодействие с Z490 идет по особому каналу Digital Media Interface 3.0 (DMI 3.0), и линии PCIe на это не расходуются. Все PCIe линии процессора идут на слоты расширения PCIe. Serial Peripheral Interface (SPI) используется для взаимодействия с системой UEFI/BIOS, а шина Low Pin Count (LPC) — для связи с устройствами ввода/вывода, не требующими высокой пропускной способности (контроллерами вентиляторов, TPM, старой периферии).
В свою очередь чипсет Z490 поддерживает в сумме 30 линий ввода/вывода, которые распределяться могут так:
- до 14 портов USB (из которых до 6 портов USB 3.2 Gen2, до 10 портов USB 3.2 Gen1, до 14 портов USB 2.0, линии USB 2.0 используются в том числе и для поддержки 3.2);
- до 6 портов SATA 6Гбит/с;
- до 24 линий PCIe 3.0.
Понятно, что если всего 30 портов у Z490, то все указанные выше порты должны укладываться в этот лимит. Так что, скорее всего будет дефицит линий PCIe, и свободно конфигурируемых в какие-то дополнительные порты/слоты линий PCIe тут нет.
Еще раз надо напомнить, что MSI MEG Z490 Ace поддерживает процессоры Intel Core 10-го поколения, выполненные под разъем (сокет) LGA1200. Система крепления систем охлаждения для CPU точно такая же, как и для LGA1151 (поэтому нет нужды волноваться, что прежние кулеры не подойдут).
Для установки модулей памяти на плате MSI имеется четыре DIMM-слота (для работы памяти в Dual Channel в случае использования всего 2 модулей их следует устанавливать в А2 и B2. Плата поддерживает небуферизованную память DDR4 (non-EСС), а максимальный объем памяти составляет 128 ГБ (при использовании UDIMM последнего поколения по 32 ГБ). Разумеется, поддерживаются профили XMP.
Слоты DIMM имеют металлическую окантовку, которая препятствует деформации слотов и печатной платы при установке модулей памяти и защищает от электромагнитных помех, и которая обычно всегда является составной частью флагманского набора у материнских плат.
Периферийная функциональность: PCIe, SATA, разные «прибамбасы»
Выше мы изучили потенциальные возможности тандема Z490+Core, а теперь посмотрим, что из этого и как реализовано в данной материнской плате.
Итак, кроме USB-портов, к которым мы подойдем позже, чипсет Z490 обладает 24 PCIe линиями. Считаем, сколько линий уходит на поддержку (связь) с тем или иным элементом (надо учитывать, что из-за дефицита PCIe линий некоторые элементы периферии делят их, и потому использовать одновременно нельзя: для этих целей у материнской платы существует большое количество мультиплексоров):
- Переключатель: или порты SATA_5/6 (2 линии), или слот M.2_2 (4 линии): максимум 4 линии;
- Переключатель: или порт SATA_2 (1 линия) + M.2_1 в режиме SATA, или слот M.2_1 в режиме PCIe x4 (4 линии): максимум 4 линии;
- Переключатель: или слот PCIe x16_3 (4 линии), или слот M.2_3 (4 линии): максимум 4 линии;
- Слот PCIe x1 (1 линия);
- Слот PCIe x1 (1 линия);
- ASMedia ASM3241 (4 USB 3.2 Gen2x2 (Type-A на задней панели) (1 линия);
- Genesys Logic GL850G (2 USB 2.0 Type-A на задней панели) (1 линия);
- Intel WGI219V (Ethernet 1Gb/s) (1 линия);
- Realtek RTL8125B (Ethernet 2,5 Gb/s) (1 линия);
- Intel AX201NGW WIFI/BT (Wireless) (1 линия);
- 3 порта SATA_1,3,4 (3 линии)
Собственно, 22 линии PCIe оказались занятыми. В чипсете Z490 имеется контроллер High Definition Audio (HDA), связь с аудиокодеком идет путем эмуляции PCI шины.
Теперь посмотрим выше на то, как работают процессоры в данной конфигурации. У всех CPU этого плана всего 16 линий PCIe. И их надо делить только на два слота PCIe x16 (_1 и _2). Вариантов переключения несколько:
- Слот PCIe x16_1 имеет 16 линий (слот PCIe x16_2 отключен, всего одна видеокарта);
- Слот PCIe x16_1 имеет 8 линий, слот PCIe x16_2 имеет 8 линий (две видеокарты, режимы Nvidia SLI, AMD CrossFire)
Собственно, мы уже начали рассматривать периферию. Про слоты PCIe х16, которые «кормит» не чипсет Z490, а процессор, я уже выше сказал.
Всего на плате есть 5 слотов PCIe: три PCIe x16 (для видеокарт или других устройств) и два «коротких» PCIe x1. Если про первые два PCIe x16 я выше уже рассказал (они подключены к CPU), то третий PCIe x16_3 подключен к Z490 и делит ресурсы с портом M.2_3.
Единственный вариант установки трех видеокарт (а это поддерживает только AMD CrossFire) — это отказ от M.2_3. Тогда имеем схему Х8+Х8+Х4.
У данной платы перераспределение линий PCIe между слотами в случае использования более одной видеокарты, а также необходимо переключение слотов PCIe x16_3 и M.2_3, поэтому востребованы мультиплексоры PI3DBS16 от Pericom.
Все три слота PCIe x16 имеют металлическое армирование из нержавеющей стали, которое увеличивает их надежность (что может быть важным в случае довольно частой смены видеокарт, но что более важно: такой слот легче выдержит нагрузку на изгиб в случае установки очень тяжелой видеокарты топового уровня). Кроме того, такая защита предохраняет слоты от электромагнитных помех.
Расположение PCIe слотов позволяет легко смонтировать СО любого уровня и класса.
Для поддержания стабильных частот на шине PCIe (и для нужд оверклокеров) имеется внешний тактовый генератор.
Конечно же в наличии и уже привычные усилителей (ре-драйверы) сигнала шины. И тоже от Pericom.
На очереди — накопители.
Всего у платы 6 разъемов Serial ATA 6 Гбит/с + 3 слота для накопителей в форм-факторе M.2. (Еще один слот M.2, спрятанный под кожухом блока разъемов задней панели, занят контроллером беспроводных сетей Wi-Fi/Bluetooth.). Все порты SATA реализованы через чипсет Z490 и поддерживают создание RAID.
Напомню, что некоторые порты SATA делят ресурсы с портами M.2, поэтому тоже есть мультиплексор PI3DBS16.
Теперь про M.2. Материнская плата имеет 3 гнезда такого форм-фактора.
Два слота M.2_1 и M.2_2 поддерживает модули с любым интерфейсом, а третий M.2_3 — только с PCIe интерфейсом. Все слоты поддерживают модули с размерами до 2280, а M.2_1 — до 22110.
Все три M.2 получают данные от чипсета Z490 и на них можно организовать RAID силами Z490, а также использовать для Intel Optane Memory.
Поскольку количество HSIO линий у Z490 ограничено тридцатью, то приходится делить ресурсы, о чем я выше уже говорил, рассматривая PCIe слоты. В частности, повторю, что M.2_3 слот выключает PCIe x16_3, и наоборот. То есть в случае использования всех трех PCIe x16 (для AMD CrossFire, например) порт M.2_3 будет отключен. Если в слот M.2_1 вставлен накопитель с интерфейсом SATA, то это автоматом отключит порт SATA_2 (ну и наоборот, если последний задействован, то слот M.2_1 будет работать только в режиме PCIe x4). Слот M.2_2 не может работать одновременно с портами SATA_5/6, то есть тут тоже придется выбирать.
Все три M.2 слота имеют радиаторы, которые не связаны с какими-то иными устройствами охлаждения на данной плате.
Расскажем и о других «прибамбасах» на плате. Разумеется, есть кнопки питания и перезагрузки. Рядом с ними табло POST-кодов (или Debug-кодов), извещающее о текущем состоянии платы в процессе запуска и работы.
Раз у нас плата из серии MEG, то ожидаем набор технологий, помогающих оверклокерам, в частности набор перемычек, кнопок или переключателей. И он имеется, однако все выполнено в виде перемычек (разъемов), к которым следует подключать кнопки, или просто замыкать их (например, отверткой).
Во-первых, переключатель базовой частоты шины, которую можно увеличивать на 1 МГц замыканием перемычки (или нажатием подключенной к этому разъему кнопки), и это без входа в BIOS или запуска соответствующего ПО.

Во-вторых, перемычка включения режима LN2, и в случае экстремального разгона (приведшего к зависанию ПК), ищется ближайшая частота работы CPU для гарантированного стабильного запуска.

В-третьих, тоже переключатель для экстремалов — когда при сильном охлаждении азотом, замерз не только CPU, но и все вокруг него (включая наблюдающих за процессом), включается внутренний прогрев, и система запускается!
В-четвертых, перемычка для зануд. Кто все же не хочет сбрасывать оверклокерские настройки и заставить систему с ними запуститься. Ну и в-пятых, если уж все же запуск не получается, то хотя бы принудительно войти в настройки BIOS (CMOS) и подкрутить чего-нибудь.


Если уж совсем все плохо, то кроме кнопки на задней панели, есть перемычка сброса CMOS.

У платы еще есть световые индикаторы, сообщающие о проблемах с тем или иным компонентом системы.

Если после включения компьютера к моменту перехода на загрузку ОС все индикаторы погасли, то проблем нет. В ролике ниже это хорошо видно.
Также имеется и световой индикатор активности XMP-профиля работы памяти.

Кого все эти индикаторы раздражают, тот может их выключить единым щелчком.

Продолжая разговор о световых штучках, надо упомянуть и возможности материнской платы по подключению RGB-подсветки. Имеется 4 разъема для подключения любых устройств этого плана: 2 разъема для подключения адресуемых (5 B 3 A, до 15 Вт) ARGB-лент/устройств, 1 разъем неадресуемых (12 В 3 А, до 36 Вт) RGB-лент/устройств и 1 проприетарный разъем для подключения подсветок от Corsair. Разъемы объединены в пары, разнесенные на противоположные края платы.
Схемы подключения стандартны для всех материнских плат, поддерживающих подсветку:


Что касается поддержки световых функций, реализованных в устройствах Corsair, то для их синхронизации с материнской платой MSI есть особый разъем.

Контроль по синхронизации работы подсветки возложен на контроллер NUC126 от Nuvoton.
Разумеется, есть и традиционный набор штырьков FPanel для подключения проводов к передней (а сейчас уже часто и верхней или боковой или все это сразу) панели корпуса.

Для размещения прошивки UEFI/BIOS использована микросхема MXIC MX25L25673GZ4I от Macronix.
Материнская плата (как и многие остальные флагманские модели) обладает технологией «холодной» прошивки BIOS (наличие ОЗУ, процессора и прочей периферии необязательно, нужно лишь подключить питание) — Flash BIOS. Видеоролик ниже демонстрирует это.
Для такого обновления BIOS версию прошивки надо вначале переименовать в MSI.CAP и записать в корень на USB-«флешку», которая вставляется в особо отмеченный порт USB. Ну и запуск через кнопку, которую надо держать 3 секунды. Материнская плата в процессе прошивания нового BIOS запускается — отдельного контроллера для такой функции нет, используются возможности, заложенные в UEFI.
Также есть точки измерения вольтажа на разных блоках матплаты.

Материнская плата также поддерживает подключение контроллеров Thunderbolt, для чего на ней имеется отдельный разъем.

Ну и наверно последний «прибамбас» — это разъем TPM для подключения разных систем безопасности.

Периферийная функциональность: USB-порты, сетевые интерфейсы, ввод-вывод
Продолжаем рассматривать периферию. Теперь на очереди USB-порты. И начнем с задней панели, куда выведены большинство из них.
Повторим: чипсет Z490 способен реализовать не более 14 портов USB, из которых может быть до 10 портов USB 3.2 Gen1, до 6 портов USB 3.2 Gen2, и/или до 14 портов USB 2.0.
Также мы помним и про 24 линии PCIe, которые идут на поддержку накопителей, сетевых и иных контроллеров (я выше уже показал на что и как расходуется 22 линии из 24).
И что мы имеем? Всего на материнской плате — 15 портов USB:
- 1 порт USB 3.2 Gen2x2: реализован через контроллер ASMedia ASM3241 (на него потрачена 1 линия PCIe) и представлен портом Type-C на задней панели;
- 4 порта USB 3.2 Gen2: все реализованы через Z490: 3 представлены на задней панели портами Type-A (красного цвета); еще 1 представлен внутренним портом Type-C (для подключения к соответствующему разъему на передней панели корпуса);
- 4 порта USB 3.2 Gen1: все реализованы через Z490: 2 представлены внутренним разъемом на материнской плате на 2 порта; еще 2 представлены портами Type-A на задней панели (синие);
- 6 портов USB 2.0/1.1: 2 реализованы через контроллер Genesys Logic GL850G (на него потрачена 1 линия PCIe) и представлены портами Type-A на задней панели (черные); еще 4 реализованы через Z490 и представлены двумя внутренними разъемами (каждый на 2 порта).
Итак, через чипсет Z490 реализовано 4 USB 3.2 Gen1 + 4 USB 3.2 Gen2 = 8 выделенных портов. Плюс 22 линии PCIe, выделенные на поддержку иной периферии (включая те же самые контроллеры USB). Итого у Z490 реализовано 30 высокоскоростных портов из 30. Еще 4 порта USB 2.0 (через Z490) не входят в состав HSIO (14 портов USB 2.0 у Z490 имеются по умолчанию и служат для самостоятельной реализации, либо поддержки USB 3.2: в нашем случае — восьми портов, то есть из 14 USB 2.0 задействовано 12).
Все быстрые USB порты Type-A/Type-C оснащены ре-драйверами NB7N от On Semiconductor, дающими устойчивый вольтаж, способный обеспечить быструю зарядку мобильных гаджетов через них.
Теперь о сетевых делах.
Материнская плата отлично оснащена средствами связи. Имеется обычный Ethernet-контроллер Intel WGI219V, способный работать по стандарту 1 Гбит/с.
Также есть и скоростной Ethernet-контроллер RTL8125B от Realtek, способный работать на скоростях до 2,5 Гбит/с.
В принципе, как я уже говорил ранее, такое двойное Ethernet-соединение дает три преимущества:
- Суммарная производительность (эффективный обмен информацией) вырастает;
- Повышается стабильность обеспечения связи в случае подключения к двум провайдерам и обрыве связи от одного из них;
- Безопасность: можно жестко разделить внутреннюю сеть (со своим роутером) с внешней сетью (Интернет).
Имеется и комплексный беспроводной адаптер на контроллере Intel AX201NGW, через который реализованы Wi-Fi (802.11a/b/g/n/ac/ax) и Bluetooth 5.0. Он установлен в слот M.2 (E-key), и его разъемы для привинчивания выносных антенн выведены на заднюю панель.
Заглушка, традиционно надеваемая на заднюю панель, в данном случае уже надета, и изнутри экранирована для снижения электромагнитных помех.
Теперь про блок ввода-вывода, разъемы для подключения вентиляторов и т. п. Разъемов для подключения вентиляторов и помп — 8. Схема размещения коннекторов для систем охлаждения выглядит так:
Через ПО или BIOS контролируется 8 гнезд для подключения воздушных вентиляторов или помп: они могут управляться как через ШИМ, так и банальным изменением напряжения/тока.
Контролем за работой всех гнезд СО занимается Nuvoton NCT6687D (осуществляющий получение информации с датчиков (мониторинг, а также Multi I/O).
Поскольку разработчики MSI решили, что платы из серии MEG ну явно не вписываются в использование интегрированной графики в процессорах класса Intel Core, то платы MEG не имеют гнезд вывода изображения.
Аудиоподсистема
Данная аудиоподсистема мало чем отличается от традиционных. Мы знаем, что практически во всех современных материнских платах звуком заведует аудиокодек Realtek ALC1220. Он обеспечивает вывод звука по схемам до 7.1.
Ему сопутствует ЦАП ESS Sabre S9018.
Имеется также осциллятор, обеспечивающий точную работу ЦАП. Операционного усилителя нет. В аудиоцепях платы применяются «аудиофильские» конденсаторы Nichicon Fine Gold .
Аудиотракт вынесен на угловую часть платы, не пересекается с другими элементами. Разумеется, левый и правый каналы разведены по разным слоям печатной платы. Все аудиоразъемы на задней панели имеют позолоченное покрытие, но не сохранена привычная цветовая окраска разъемов (которая неплохо помогает подключать нужные штекеры без вглядывания в их наименование).
В целом очевидно, что аудиоподсистема выглядит неплохо. Понятно, что это стандартная аудиоподсистема, способная удовлетворить запросы большинства пользователей, не ожидающих от звука на материнской плате чудес.
Для тестирования выходного звукового тракта, предназначенного для подключения наушников или внешней акустики, мы использовали внешнюю звуковую карту Creative E-MU 0202 USB в сочетании с утилитой RightMark Audio Analyzer 6.4.5. Тестирование проводилось для режима стерео, 24-бит/44,1 кГц. Во время тестирования ИБП тестового ПК физически отключался от электросети и работал на аккумуляторе.
По результатам тестирования аудиотракт на плате получил оценку «Хорошо» (оценка «Отлично» практически не встречается на интегрированном звуке, все же это удел уже полноценных звуковых карт).
Питание, охлаждение
Для питания платы на ней предусмотрены 4 разъема: в дополнение к 24-контактному ATX здесь есть еще два 8-контактных EPS12V.
Система питания очень внушительная. Схема питания ядра выполнена по схеме 16+1 фаза.
Каждый канал фазы имеет суперферритовую катушку и ISL99390 MOSFET от Intersil (Renesas Electronics) на 90 А.
То есть в сумме такая мощнейшая система способна на работу с токами более 1400 ампер!
Управляет фазами ШИМ-контроллер ISL69269 от того же Intersil, однако он рассчитан только на 12 фаз максимум.
Поэтому на плате есть удвоители (даблеры) фаз, расположенные с оборотной стороны.
Это ISL6617A снова от того же Intersil/Renesas.
Да, схема питания такова, что каждый сигнал от контроллера идет на 2 фазы. Мы уже много рассуждали — нужна ли честная разводка с контроллером, умеющим работать с 16 фазами, или все же и такие варианты тоже неплохи. Наверно если бы действительно оверклокинг оставался бы таким же «честным» без подыгрывания ему со стороны AMD/Intel, то наличие «честных» фаз было бы предпочтительнее. А сейчас, когда и так процессоры сами по себе пытаются залезать на вершины частот, то наверно особой роли не играет: ШИМ-контроллер управляет 16 или 8 фазами.
Кстати, сами разработчики этого и не скрывают, и схема с удвоителями есть у них на сайте.
Оставшаяся фаза питания (17-я) идет на VCCSA. А VCCIO отдельные 2 фазы.
Что касается модулей оперативной памяти, то здесь все проще: реализована однофазная схема. ШИМ-контроллер RT8125E от Richtek.
Теперь про охлаждение.
Все потенциально сильно греющиеся элементы имеют свои собственные радиаторы.
Как мы видим, охлаждение чипсета организовано отдельно от силовых преобразователей.
VRM-секция имеет свой мощный двухсекционный радиатор. Обе секции радиатора VRM связаны тепловой трубкой под прямым углом друг ко другу.
Помните, я ранее говорил о том, что охлаждение модулей M.2 организовано отдельно от охлаждения чипсета и VRM.
Любителям разгона чрезмерный нагрев VRM не грозит, ибо на одном из радиаторов установлен маленький вентилятор. Правда он практически никогда не включается, настроен на нагрев радиатора выше 70 °C.
Задняя пластина, которая частично покрывает PCB, имеет роль только ребра жесткости, в охлаждении не участвует.
Над аудиоподсистемой и задним блоком портов установлен пластиковый кожух соответствующего дизайна, он оснащен подсветкой.
Подсветка
Топовые платы MSI (как и других производителей) всегда имеют красивую подсветку. В данном случае эффекты подсветки создаются на кожухе над задним блоком портов и на кожухе над радиатором чипсета. Так же мы помним про 4 разъема для подключения внешней подсветки, и всем этим можно управлять через программу Dragon Center.
В последнее время практически все топовые решения (будь то видеокарта, материнская плата или даже модули памяти) оснащаются красивыми элементами подсветки. Каким-то пользователям это нравится, умело созданные световые эффекты положительно влияют на эстетическое восприятие (каким-то пользователям это не нравится, они могут всегда отключить подсветку). В целом моддинг — это нормально, это красиво, подчас просто стильно, если все подобрано со вкусом.
Ряд производителей моддинговых корпусов с уже вмонтированной подсветкой «сертифицируют» поддержку программ ведущих производителей материнских плат, включая MSI.
Программное обеспечение под Windows
Все программное обеспечение можно скачать с сайта производителя msi.com. Основная программа — так сказать, менеджер всего «софта» — это Dragon Center. Собственно, все остальные утилиты теперь входят в Dragon Center, отдельно их ставить почти нет надобности.
Вначале рассмотрим раздел управления подсветкой Mystic Light.
Утилита имеет 25 (!) вариантов свечения многоугольника на кожухе слева от сокета и над чипсетным радиатором. Можно задавать те же режимы подсветки и для остальных элементов системы свечения платы (три разъема RGB плюс проприетарный разъем для RGB-устройств Corsair). Позволительно выбрать режим свечения как для отдельных элементов, так и для всей группы в целом. Ну и, разумеется, можно выключить подсветку вообще.
Далее интересная возможность включения аппаратного мониторинга работы системного блока с выбором отдельных элементов, за которыми требуется наблюдение.
Можно мониторинг включить в виде отдельного окна, которое можно переключать, если количество отмеченных в мониторинге элементов не умещается в нем. Это окно можно разместить где-то сбоку для удобства просмотра ситуации с «железом», например, в случае разгона или серьезной нагрузки в игре. Правда тогда придется отказаться от режима «полного экрана» в той же игре.
Кстати, DC поддерживает игровой режим, то есть в нем есть предустановленные параметры работы матплаты с процессором и ОЗУ для каждой игры, которую DC «знает».
Далее уже идет наверно самый интересный раздел: производительность.
Стартовая вкладка — это для тех, кому неохота влезать в тонкости разгона. Здесь можно просто выбрать режим, чтобы система сама выставила все частоты и напряжения (бесшумный — это выключение любого разгона, фиксация максимальной тактовой частоты работы процессора на уровне его штатной).
Если выбрать режим «разгон», то снижение частоты работы CPU ниже штатной будет запрещено, и согласно технологии Intel TurboBoost автоматически поднимается частота работы ядер до заданного максимума в пределах теплопакета и температуры конкретной модели процессора. Если же такого «авторазгона» мало, то есть два пустых профиля для записи своих собственных установок частот и напряжений. В этих случаях можно использовать также предустановленные режимы разгона Game Boost.
Еще имеется вкладка по управлению сетевыми подключениями. Мы помним, что у платы есть два проводных сетевых контроллера, и программа позволит пользователю упорядочить обращение к сетевым соединениям со стороны того или иного приложения. Это бывает нужно для организации самого быстрого обмена информацией, например, для игр.
Надо еще отметить фирменную панель управления звуком от Nahimic, которая сопровождает текущий драйвер аудиотракта Realtek.
Собственно, можно настроить звук «под себя» как в играх, так и просто при прослушивании музыки. Особенно интересны настройки для вывода звука в наушники.
Настройки BIOS
Все современные платы сейчас имеют UEFI (Unified Extensible Firmware Interface), которые, по сути, являются операционными системами в миниатюре. Для входа в настройки при загрузке ПК традиционно надо нажать клавишу Del или F2.
Попадаем в общее «простое» меню, где по сути одна информация (с легким выбором ряда опций), так что нажимаем F7 и попадаем уже в «продвинутое» меню.


Расширенные настройки. Имеется много интересных позиций, когда каждым портом USB можно управлять. Как и менять режимы работы слотов PCIe и M.2.




Следует особо обратить внимание в разделе на управление M.2 и иными слотами, делящими ресурсы меж собой.
Мониторинг и опции загрузочного меню — всем хорошо известны. В разделе мониторинга можно настроить работу гнезд для вентиляторов.


Опции по оверклокингу, как положено MEG-решениям, обширны. Помним про наличие внешнего тактового генератора, поэтому можно гибко менять и частоту базовой шины. Конечно для современных топовых процессоров наверно многие опции — бесполезны, ибо процессор сам по себе уже работает на сильно повышенных частотах (с помощью Intel TurboBoost, не говоря уж о MCE). Как показывает опыт, все будет упираться по сути в возможности системы охлаждения CPU.








Как я уже говорил ранее, тем, кому авторазгон (TurboBoost) — помеха, может все это выключить, и выбирать опции овеклокинга по своему усмотрению. Кому-то нужна только минимальная штатная частота (например, ради тихой работы СО). Также и технология SpeedShift, которая стремится при любой возможности понижать частоты работы ядер (ну типа энергосбережение) кого-то может раздражать.
Еще раз надо отметить технологию Multi-Core Enhancement (MCE), которая базируется на той же TurboBoost, однако подразумевает снятие любых ограничений по энергопотреблению, то есть частоты работы CPU могут подниматься максимально, пока не наступит ограничение по нагреву. Если кому важно оставаться в заданных лимитах TDP, то MCE следует отключать.
Разгон
Полная конфигурация тестовой системы:
- материнская плата MSI MEG Z490 Ace;
- процессор Intel Core i9-10900K 3,7—5,4 ГГц;
- оперативная память Corsair UDIMM (CMT32GX4M4C3200C14) 32 ГБ (4×8) DDR4 (XMP 3200 МГц);
- накопители SSD OCZ TRN100 240 ГБ и Intel SC2BX480 480 ГБ;
- видеокарта Palit GeForce RTX 2070 Super GameRock;
- блок питания Corsair AX1600i (1600 Вт) Вт;
- СО Cooler Master MasterLiquid ML240P Mirage;
- телевизор LG 43UK6750 (43″ 4K HDR);
- клавиатура и мышь Logitech.
Программное обеспечение:
- операционная система Windows 10 Pro (v.1909), 64-битная
- AIDA 64 Extreme
- 3DMark Time Spy CPU benchmark
- 3DMark Fire Strike Physics benchmark
- 3DMark Night Raid CPU benchmark
- HWInfo64
- MSI Kombustor 3.5.0.4
- Adobe Premiere CS 2019 (рендеринг видеоролика)
Запускаем все в режиме по умолчанию (MCE включен в авто-режиме). Затем нагружаем тестом от CPU-Z v1.92.
Плата обладает прекрасной системой питания, плюс настройки UEFI по умолчанию, и MCE (вместе с Intel TurboBoost) сразу поднял частоты всех ядер до 5,2 ГГц. Конечно же, видно, что процессор уже на грани перегрева по некоторым ядрам, однако троттлинг появился сильно позже, причем уже на Adobe Premiere. Остальные вышеуказанные тесты прошли без проблем. Температурные параметры у всех остальных элементов матплаты — в норме (блок VRM и чипсет Z490 не нагревались выше 50-55 °C), необычных явлений не замечено. Разумеется, защита от перегрева сработала и понизила частоты до 5,0 ГГц, однако уже частоты по ядрам стали меняться. Максимальное потребление процессором достигло величины в 255 Вт (сравните с декларируемой величиной TDP. Смешно, правда?), очевидно, что нужна еще более мощная ЖСО.
Далее использовал фирменную утилиту Dragon Center для получения более высоких результатов, выставив там режим экстремальной производительности.
При этом программа попыталась выставить 5,4 ГГц по всем ядрам, моментально случился перегрев и троттлинг, и технологии защиты сбросили единые частоты работы до 5,3 ГГц. И тут тоже продолжался троттлинг, однако уже в минимальном виде. К сожалению, программа сбросила XMP-профиль по памяти, и потому частота с 3200 МГц упала до 2133.
Пробовал и 5,2 ГГц на всех ядрах, и 5,1. В целом понятно, что была бы «водянка» помощнее, то и 5,3 ГГц запросто потянула бы. Остановился на 5,0 ГГц, получив этакое «соломоново решение».
В общем, очевидно, что система питания матплаты тянет «на ура», процессор сам по себе способен на большие подвиги, нужна лишь очень эффективная ЖСО.
Выводы
MSI MEG Z490 Ace — одна из флагманских плат премиальной серии MEG, рассчитанная на энтузиастов и со стоимостью около 30 тысяч рублей. В серии MEG есть и более навороченная модель, вскоре мы ее тоже изучим, но и эта плата обладает многими признаками флагманского продукта.
Функциональность у MSI MEG Z490 Ace — на высоте! Имеем 15 портов USB разных видов (включая 4 очень быстрых USB 3.2 Gen2 и 1 порт USB 3.2 Gen2×2 с удвоенной скоростью), 3 слота PCIe х16 (первые два получают 16 линий PCIe от процессора с возможностью создать Nvidia SLI или AMD CrossFire, а третий работает только в режиме х4), 3 слота M.2, 6 портов SATA. Система питания процессора включает 16 фаз для ядра и способна обеспечить работу любых совместимых процессоров для нового сокета LGA1200 под серьезным разгоном (авторазгон по умолчанию смог понять частоту с 3,7 до 4,8 ГГц по всем ядрам). Плата имеет радиаторы на силовых элементах системы питания (усиленные комплектным вентилятором, который, кстати, ни разу не запускался), 8 разъемов для подключения вентиляторов и помп, также радиаторами оснащены все накопители в слотах M.2. Дополняют картину два проводных сетевых контроллера, включая один 2,5-гигабитный, и беспроводной контроллер, реализующий Wi-Fi 802.11ac и Bluetooth 5.0.
Плата, как и положено серии MEG, обладает рядом фирменных оверклокерских «штучек» для повышения стабильности работы системы при экстремальном оверклокинге. Также в плюсы MSI MEG Z490 Ace надо добавить неплохую подсветку, включая широкие возможности для подключения дополнительных RGB-устройств.
В целом плата получилась, как мне кажется, интересной и не такой уж дорогой — топовых материнских плат на последних чипсетах дешевле 20-25 тысяч рублей сейчас не найти. В то же время, технологии авторазгона Intel и AMD тщательно «щупают» систему питания и выставляют максимально возможные частоты работы только на платах премиального уровня. Также не забывайте, что процессорам Core i9-10900K даже для авторазгона нужны очень приличные СО.
В номинации «Оригинальный дизайн» плата MSI MEG Z490 Ace получила награду:

Благодарим компанию MSI Russia
и лично Лизу Чень
за предоставленную на тестирование плату
Для тестового стенда:
ЖСО Cooler Master MasterLiquid ML240P Mirage предоставлена компанией Cooler Master
блок питания Corsair AX1600i (1600W) предоставлен компанией Corsair
термопаста Noctua NT-H2 предоставлена компанией Noctua




























































































