Оглавление
- Форм-фактор
- Технические характеристики
- Основная функциональность: чипсет, процессор, память
- Периферийная функциональность: PCIe, SATA, разные «фенечки»
- Периферийная функциональность: USB-порты, сетевые интерфейсы, ввод-вывод
- Аудиоподсистема
- Питание, охлаждение
- Подсветка
- Программное обеспечение под Windows
- Настройки BIOS
- Работоспособность (и разгон)
- Выводы
Сразу же сообщу, что здесь информация только по возможностям той или иной материнской платы, ибо если кого интересуют процессоры Intel 12-го поколения, их сравнение с предыдущими и конкурентами от AMD, то имеется материал нашего автора Андрея Кожемяко, где все детали на сей счет имеются.
Еще при старте нового поколения процессоров под кодовым названием Alder Lake-S было ясно, что поддерживать его будет целый ряд системных чипсетов, топовым из которых, безусловно стал представитель линейки «Z» – Z690. Я уже представлял около десятка материнских плат на этом чипсете и рассказывал в том числе и о функциональности Z690. Сегодня мы коснемся более младшего собрата – Intel B660. Уже давно стало заведено, что после выхода флагманского чипсета компании AMD и Intel предлагали чипсеты из линейки «В», вот и в данном случае в начале января 2022 года официально был представлен B660.
Посмотрим на основные отличия этого чипсета, а также H670 (который стоит между Z690 и B660).
| Особенности | B660 | H670 | Z690 |
|---|---|---|---|
| Совместимость с процессорами Intel | 12th Gen Core | 12th Gen Core | 12th Gen Core |
| Версия PCIe (процессор) | 4.0 & 5.0 | 4.0 & 5.0 | 4.0 & 5.0 |
| Количество линий PCIe (процессор) | 20 | 20 | 20 |
| Версия PCIe (чипсет) | 3.0 & 4.0 | 3.0 & 4.0 | 3.0 & 4.0 |
| Количество линий PCIe (чипсет) | 14 (6 x 4.0 & 8 x 3.0) | 24 (12 x 4.0 & 12 x 3.0) | 28 (12 x 4.0 & 16 x 3.0) |
| Версия DMI | 4.0 | 4.0 | 4.0 |
| Количество линий DMI | x4 | x8 | x8 |
| Поколение ОЗУ | DDR4 & DDR5 | DDR4 & DDR5 | DDR4 & DDR5 |
| Количество каналов ОЗУ | 2 | 2 | 2 |
| Максимальное количество слотов ОЗУ | 4 | 4 | 4 |
| Максимальный объем ОЗУ | 128 ГБ | 128 ГБ | 128 ГБ |
| Количество портов SATA 6.0 Gb/s до | 4 | 8 | 8 |
| Порты USB 3.2 Gen 2x2 (20Gbps) до | 2 | 2 | 4 |
| Порты USB 3.2 Gen 2x1 (10Gbps) до | 4 | 4 | 10 |
| Порты USB 3.2 Gen 1x1 (5Gbps) до | 6 | 8 | 10 |
| Порты USB 2.0 до | 12 | 14 | 14 |
| Встроенная поддержка Wi-Fi | Wi-Fi 6E | Wi-Fi 6E | Wi-Fi 6E |
| Возможность разгона по частоте шины | Нет | Нет | Да |
Прежде всего заметим, что связь между чипсетом и процессором по DMI урезана в 2 раза, очевиден искусственно сделанный шаг маркетологами от Intel. В аналоге прошлого поколения B560 связь между процессором и чипсетом имела пропускную способность 7,9 ГБ/с, а схема была DMI 3.0 x8. Теперь же с версией DMI 4.0 и схеме х4 мы имеем точно такую же пропускную способность. Но при этом у B660 выросло общее количество линий PCIe (до 14, включая 6 линий PCIe 4.0). Даже просто один SSD с интерфейсом PCIe 4.0 x4 может вычерпать весь канал связи между CPU и B660. При этом промежуточный между Z690 и B660 чипсет H670 сохранил DMI 4.0 x8. Так что искусственное решение по разделению чипсетов по ценовым сегментам просто на поверхности.
Разумеется, аппаратно кристалл мог бы легко поддерживать DMI x8, но тогда бы разница между B660 и тем же H670 была весьма призрачной (если не считать количество USB – портов). Так что, B660 искусственно «отодвинули» от флагманов вот таким изящным ходом.
Чипсет стал поддерживать 14 линий PCIe (6 линий версии 4.0 и 8 линий 3.0): это очень сильное урезание по сравнению с Z690 (практически в 2 раза). Но при этом наличие 4х портов SATA идет в дополнение к этим 14 линиям, когда как в 28 линий у Z690 4 порта SATA уже входят (напомню, что всего у Z690 может быть до 8 портов SATA). То есть по сути B660 имеет 18 линий PCIe/SATA.
Еще мы видим поддержку до 2х интегрированных USB 3.2 Gen2x2 (до 20 Gb/s) портов (правда каждый из них требует поддержки со стороны двух USB 3.2 Gen2), до 4х USB 3.2 Gen2 (10 Gb/s) и 6 USB 3.2 Gen1 (5 Gb/s). В целом высокоскоростных портов (High Speed In Out, HSIO) получилось 24. Также B660 обладает поддержкой до 12 USB 2.0.
12е поколение процессоров добавляет к этому набору еще 20 линий PCIe, при этом 16 линий (расходуемые на слоты PCIe x16) версии PCIe 5.0, оставшиеся 4 линии PCIe 4.0 идут на М.2 слот. Процессоры 12ххх умеют поддерживать как DDR5, так и DDR4, так что производители матплат вольны выпускать продукты как с DDR5, так и с DDR4 слотами. Напомню про процессорный сокет LGA 1700, так что взаимной совместимости с процессорами 11го и 10го поколений нет.
Теперь вернемся к герою нынешнего материала, а он произведен компанией MSI. Опытные пользователи знают, что у компании MSI имеется три основных сегмента игровых материнских плат: MEG, MPG и MAG.
Герой нынешнего обзора — MSI MAG B660M Mortar WiFi DDR4. То есть материнка из семейства MAG (MSI Arsenal Gaming), которая относится к самой простой игровой серии (все флагманы — в семействе MEG), ну собственно, просто сам по себе чипсет B660 подразумевает, что материнка с ним как-то будет далека от топовой.
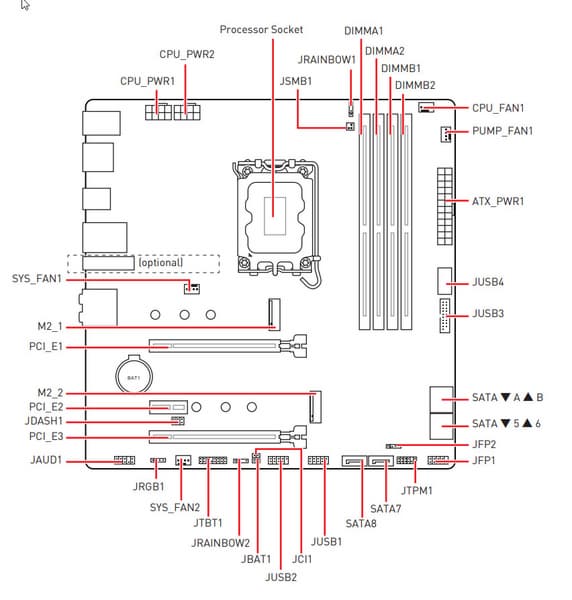
Ну и вот сама матплата.
MSI MAG B660M Mortar WiFi DDR4 поставляется в стандартной коробке фирменного серого дизайна серии MAG. Комплект размещен под платой в отдельном отсеке.
Комплект поставки скромен, как и положено в линейке MAG: кроме традиционных элементов типа руководства пользователя и кабелей SATA, имеются накопитель с ПО, антенны встроенного Wi-Fi-модуля, винтики для М.2 слотов, бонусные стикеры и подарочные ключи-отвертки.
ПО поставляется на накопителе типа CD (ррррр!), впрочем за время путешествия платы к покупателю оно все равно успевает устареть, так что придется его обновлять с сайта производителя сразу после покупки. Примечателен бонус даже к такой бюджетной плате: это две отвертки (плоская и крестовидная), выполненные в виде ключей на кольце. Весьма полезный сувенир!
«Заглушка» на заднюю панель с разъемами уже смонтирована на самой плате.
Форм-фактор
Форм-фактор Micro-ATX имеет размеры 244×244 мм, ATX до 305×244 мм, а E-ATX — до 305×330 мм. Материнская плата MSI MAG B660M Mortar WiFi DDR4 выполнена в форм-факторе Micro-ATX, имеет размеры 244×244 мм, и на ней имеются 8 монтажных отверстий для установки в корпус.
Оборотная сторона — не пустая, там расположена некоторая логика. Текстолит обработан хорошо: во всех точках пайки острые концы срезаны.
Однако это не все. По традиции у всех плат от MSI на оборотной стороне обозначены места, где могут оставаться ненужные в данный момент крепежные втулки (чаще всего латунные), на которые обычно ложится матплата в корпусе, и к которым ее прикручивают. Эти места отмечены белой краской, и нарочно в них нет никаких электропроводных элементов, чтобы в случае установки матплаты не было случайных замыканий или повреждений от лишней крепежной втулки.
Технические характеристики
Традиционная таблица с перечнем функциональных особенностей.
| Поддерживаемые процессоры | Intel Core 12-го поколения |
|---|---|
| Процессорный разъем | LGA 1700 |
| Чипсет | Intel B660 |
| Память | 4 × DDR4, до 4800 МГц (XMP), до 128 ГБ, два канала |
| Аудиоподсистема | 1 × Realtek RTL1200 (7.1) |
| Сетевые контроллеры | 1 × Realtek RTL8125BG Ethernet 2,5 Гбит/с 1 × Intel Dual Band Wireless AX201NGW (Wi-Fi 802.11a/b/g/n/ac/ax (2,4/6 ГГц) + Bluetooth 5.1) |
| Слоты расширения | 1 × PCIe 5.0 x16 (режим x16) 1 × PCIe 3.0 x16 (режим x4) 1 × PCIe 3.0 x1 (режим x1) |
| Разъемы для накопителей | 6 × SATA 6 Гбит/с (B660+ASM1061) 1 × M.2 (M.2_1, CPU, PCIe 4.0 x4 для устройств формата 2242/2260/2280) 1 × M.2 (M.2_2, B660, PCIe 4.0 x4/SATA для устройств формата 2242/2260/2280) |
| USB-порты | 4 × USB 2.0: 2 внутренних разъема на 4 порта (GL850G) 4 × USB 2.0: 4 порта Type-A (черные) (B660) 2 × USB 3.2 Gen1: 1 внутренний разъем на 2 порта (B660) 1 × USB 3.2 Gen2x2: 1 порт Type-C (B660) 3 × USB 3.2 Gen2: 3 портa Type-A (красные) (GL3590) 1 × USB 3.2 Gen2: 1 внутренний разъем Type-C (B660) |
| Разъемы на задней панели | 1 × USB 3.2 Gen2x2 (Type-C) 3 × USB 3.2 Gen2 (Type-A) 4 × USB 2.0 (Type-A) 1 × RJ-45 5 аудиоразъемов типа миниджек 1 разъем S/PDIF 2 антенных разъема 1 разъем HDMI out 1 разъем Display Port out |
| Прочие внутренние элементы | 24-контактный разъем питания ATX 2 8-контактный разъем питания EPS12V 1 слот M.2 (E-key), занят адаптером беспроводных сетей 1 разъем для подключения порта USB 3.2 Gen2 Type-C 1 разъем для подключения 2 портов USB 3.2 Gen1 2 разъема 4 портов USB 2.0 4 разъема для подключения 4-контактных вентиляторов и помп ЖСО 3 разъема для подключения адаптеров подсветки (1 разъем неадресуемой RGB-ленты, 2 разъема адресуемой ARGB-ленты) 1 разъем для дискретной карты Intel Thunderbolt 1 разъем для TPM 1 разъем для подключения адаптера управления с передней панели корпуса 1 разъем для Tuning Controller |
| Форм-фактор | Micro-ATX (244×244 мм) |
| Розничные цены | 16-17 тысяч рублей на момент подготовки обзора |
Основная функциональность: чипсет, процессор, память
Схема работы связки чипсет+процессор.
Формально имеется поддержка памяти DDR4 до 3200 МГц, однако всем хорошо известно, и производители материнских плат это активно рекламируют: через XMP-профили сейчас можно использовать частоты до 4000 и выше МГц. В частности данная плата поддерживает частоты до 4800 МГц.
Процессоры Intel Core 12-го поколения (совместимые с сокетом LGA1700 и поддерживаемые B660/Z690) имеют 20 линий ввода-вывода (16 PCIe 5.0, 4 PCIe 4.0), не имеют USB и SATA портов. При этом взаимодействие с B660 идет по особому каналу Digital Media Interface 4.0 (DMI 4.0 x4 (именно х4!)). Все PCIe линии процессора идут на слоты расширения PCIe и порт М.2. Serial Peripheral Interface (SPI) используется для взаимодействия с системой UEFI/BIOS, а шина Low Pin Count (LPC) — для связи с устройствами ввода/вывода, не требующими высокой пропускной способности (контроллерами вентиляторов, TPM, старой периферии).
В свою очередь чипсет B660 поддерживает в сумме 24 линий ввода/вывода, которые распределяться могут так:
- до 12 портов USB (из которых до 2 портов USB 3.2 Gen2х2, 4 портов USB 3.2 Gen2, до 6 портов USB 3.2 Gen1, до 12 портов USB 2.0, линии USB 2.0 используются в том числе и для поддержки 3.2 портов, а каждый порт USB 3.2 Gen2х2 требует поддержки со стороны двух USB 3.2 Gen2);
- до 4 портов SATA 6Гбит/с;
- до 14 линий PCIe (8 версии 3.0 и 6 версии 4.0).
Еще раз надо напомнить, что MSI MAG B660M Mortar WiFi DDR4 поддерживает процессоры Intel Core 12-го поколения, выполненные под разъем (сокет) LGA1700. Система крепления систем охлаждения для CPU несовместима с той, что для LGA1151/1200. Но при этом следует иметь в виду, что ряд старых СО все же сможет быть применим, лишь придется где-то приобретать или заказывать у производителя комплект крепежа под LGA 1700. Дело в в том, что кулеры с жесткой установкой в матплате на фиксированную высоту могут не достать до 12ххх. Подойдут лишь СО с пружинистой посадкой подошвы на процессор.
Для установки модулей памяти на плате MSI имеется четыре DIMM-слота (для работы памяти в Dual Channel в случае использования всего 2 модулей их следует устанавливать в А2 и B2. Плата поддерживает небуферизованную память DDR4 (non-EСС), а максимальный объем памяти составляет 128 ГБ. Разумеется, поддерживаются профили XMP.
Слоты DIMM не имеют металлической окантовки, защищающую их как от физических повреждений, как и от помех.
Периферийная функциональность: PCIe, SATA, разные «фенечки»
Выше мы изучили потенциальные возможности тандема B660+Core, а теперь посмотрим, что из этого и как реализовано в данной материнской плате.
Кроме USB-портов, к которым мы подойдем позже, чипсет B660 обладает 14 PCIe линиями и 4 портами SATA. Считаем, сколько линий уходит на поддержку (связь) с тем или иным элементом (надо учитывать, что 14 линий не единой версии, а 6 линий PCIe 4.0 и 8 линий PCIe 3.0):
- Слот PCIe x16_2 (4 линии PCIe 3.0);
- Genesys Logic GL3590 (USB 3.2 Gen2 хаб) (1 линия PCIe 4.0);
- ASMedia ASM1061 (SATA_A/B) (1 линия PCIe 4.0);
- Переключатель: или слот M.2_2 или порт SATA_8 (максимально 4 линии PCIe 4.0);
- Слот PCIe x1_1 (1 линия PCIe 3.0);
- Realtek RTL8125BG (Ethernet 2,5Gb/s) (1 линия PCIe 3.0);
- Intel AX201NGW WIFI/BT (Wireless) (1 линия PCIe 3.0)
13 линий PCIe оказались занятыми (6 PCIe 4.0 + 7 PCIe 3.0) плюс порты SATA_5/6/7. В чипсете B660 связь с аудиокодеками идет через USB-порт. Также один USB 2.0 расходуется на поддержку BT (при наличии слота M.2 (key E) и контроллер GL850G для своих нужд использует сигнальные линии USB 2.0 Детально об этом ниже в разделе USB-портов.
Теперь посмотрим выше на то, как работают процессоры в данной конфигурации. У CPU 12-го поколения всего 20 линий PCIe, 4 из них версии PCIe 4.0 отведены на порт М.2 (M2_1). Оставшиеся 16 линий PCIe 5.0 идут на единственный слот PCIe x16_1, поэтому вариантов переключений нет, как и мультиплексоров для этих целей.
Теперь в целом про слоты PCIe.
Всего на плате есть 3 слота: один полноценный PCIe x16 (для видеокарт или других устройств) и один PCIe x16 (но фактически имеющий 4 линии), а также короткий PCIe x1.
Верхний слот PCIe x16 имеет металлическое армирование из нержавеющей стали, которое увеличивает их надежность (что может быть важным в случае довольно частой смены видеокарт, но что более важно: такой слот легче выдержит нагрузку на изгиб в случае установки очень тяжелой видеокарты топового уровня. Кроме того, такая защита предохраняет слоты от электромагнитных помех.
Матплата позволяет смонтировать СО любого размера.
На очереди — накопители.
Всего у платы 6 разъемов Serial ATA 6 Гбит/с + 2 слота для накопителей в форм-факторе M.2.
Порты SATA странно промаркированы, начиная с 5 ( 5, 6, 7, 8), 4 из них реализованы через чипсет B660 и поддерживают создание RAID. При этом порт SATA 8 делит ресурсы с портом М.2_2.
Остальные 2 порта SATA A/B реализованы через ASM1061 от ASMedia.
Стоит обратить внимание на то, что порты SATA сгруппированы в два расположения: 4 порта (горизонтально ориентированы) на правом конце платы, и 2 порта (вертикально ориентированы) – на нижнем конце платы. На рисунке выше все наглядно видно.
Материнская плата имеет 2 гнезда форм-фактора М.2.
Второй M.2_2 получает данные от чипсета B660, поддерживая PCIe 4.0, при этом модули с SATA интерфейсом также поддерживаются. Первый M.2_1 получает данные от CPU (PCIe 4.0) и работает с модулями только с PCIe интерфейсом. Оба слота поддерживают размеры модулей 2242/2260/2280. На всех M.2 можно организовать RAID, а также использовать для Intel Optane Memory. Слот М.2_2 делит ресурсы с портом SATA 8: при использовании в М.2_2 накопителя с SATA интерфейсом порт SATA 8 отключен.
Для реализации этого переключения имеется мультиплексор ASM2480 от ASMedia.
Оба M.2 слота имеют отдельные радиаторы.
Периферийная функциональность: USB-порты, сетевые интерфейсы, ввод-вывод
Теперь на очереди USB-порты и прочие вводы-выводы. И начнем с задней панели, куда выведены большинство из них.
Повторим: чипсет B660 способен реализовать не более 12 портов USB, из которых может быть до 6 портов USB 3.2 Gen1, до 4 портов USB 3.2 Gen2, до 2 портов USB 3.2 Gen2x2, и/или до 12 портов USB 2.0.
Также мы помним и про 14 линий PCIe (+ 4 SATA), которые идут на поддержку накопителей, сетевых и иных контроллеров (я выше уже показал на что и как расходуются 16 линий из 18).
И что мы имеем? Всего на материнской плате — 15 портов USB:
- 1 порт USB 3.2 Gen2x2: реализован с помощью двух линий USB 3.2 Gen2 от B660 и представлен портом Type-C на задней панели;
- 4 порта USB 3.2 Gen2: 1 реализован через B660 и представлен внутренним портом Type-C (для подключения к соответствующему разъему на передней панели корпуса); остальные 3 реализованы через хаб Genesys Logic GL3590 (на него потрачена 1 линия PCIe 3.0 от B660) и представлены на задней панели 3 портами Type-A (красного цвета);
- 2 порта USB 3.2 Gen1: все реализованы через B660 и представлены внутренним разъемом на материнской плате на 2 порта);
- 8 портов USB 2.0/1.1: 4 реализованы через контроллер Genesys Logic GL850G (на него потрачена 1 линия USB 2.0) и представлены двумя внутренними разъемами на материнской плате (каждый на 2 порта); еще 4 реализованы через B660 и представлены на задней панели 4 портами Type-A (черного цвета).
Таким образом, у нас 3 контроллера используют USB линии:
- Genesys Logic GL850G (4 USB 2.0) (1 линия USB 2.0);
- Audio (1 линия USB 2.0);
- Bluetooth (AX201) (1 линия USB 2.0).
Итак, через чипсет B660 реализовано высокоскоростных портов USB:
- 1 выделенный USB 3.2 Gen2x2 (не в счет, ибо получен засчет других HSIO);
- + 1 выделенных USB 3.2 Gen2
- + 2 выделенных USB 3.2 Gen1
- + 2 USB 3.2 Gen2 на поддержку USB 3.2 Gen2x2
= 5 высокоскоростных портов. Не забываем, что каждый высокоскоростной порт USB обеспечен портом USB 2.0, то есть уже 5 портов USB 2.0 также занято. Плюс 4 выделенных порта USB 2.0 и 3 порта на обеспечение контроллеров. Всего 12 USB портов реализовано.
Ну и 16 HSIO (линий PCIe и портов SATA), выделенных на поддержку иной периферии.
Итого у B660 в данном случае реализован 21 высокоскоростный порт из 24.
Все быстрые USB порты Type-C оснащены ре-драйверами от ASMedia.
Теперь о сетевых делах.
Материнская плата оснащена средствами связи хорошо. Имеется скоростной Ethernet-контроллер Realtek RTL8125BG, способный работать по стандарту 2,5 Гбит/с.
Имеется и комплексный беспроводной адаптер на контроллере Intel AX-201NGW, через который реализованы Wi-Fi 6 (802.11a/b/g/n/ac/ax) и Bluetooth 5.1. Он установлен в слот M.2 (E-key), и его разъемы для привинчивания выносных антенн выведены на заднюю панель.
Заглушка, традиционно надеваемая на заднюю панель, в данном случае уже надета, и изнутри экранирована для снижения электромагнитных помех.
Аудиоподсистема
Много лет в большинстве современных материнских платах звуком заведуют аудиокодеки от Realtek семейства ALC, и долгое время это был ALC1220. Он обеспечивает вывод звука по схемам до 7.1 с разрешением до 24 бит / 192 кГц. В данном случае используется чуть более простой вариант ALC1200.
В аудиоцепях платы применяются «аудиофильские» конденсаторы Nichicon Fine Gold.
Аудиотракт вынесен на угловую часть платы, не пересекается с другими элементами. Все аудиоразъемы на задней панели не имеют привычной цветовой окраски разъемов, поэтому ориентироваться можно только по обозначениям.
Питание, охлаждение
Для питания платы на ней предусмотрены 3 разъема: в дополнение к 24-контактному ATX (он на правой стороне платы (на фото — слева) здесь есть еще два 8-контактных EPS12V. Что вообще-то удивительно для платы среднего звена и не на топовом чипсете.
Схема питания процессора выполнена по схеме 12+1+1 (всего 14 фаз, 12 на VCore, 1 на iGPU и 1 на VCCSA).
Каждый канал фазы имеет суперферритовый дроссель и ISL99360 MOSFET от Renesas на 60 А для VCore и встроенного графического ядра и MP87992 от Monolithic Power Systems для VCCIO на 70А.
Управляет схемой питания VCore и iGPU ШИМ-контроллер RAA229132 от того же Renesas, рассчитанный максимум на 20 фаз.
Так что мы видим, что схема питания полноценно прямая без удвоителей или параллельных потоков. А для одной фазы VCCIO имеется свой ШИМ-контроллер от Monolithic Power Systems.
Питание VCCSA,как и модулей оперативной памяти имеет однофазную схему.

Теперь про охлаждение.
Все потенциально сильно греющиеся элементы имеют свои собственные радиаторы.
Как мы видим, охлаждение чипсета (один радиатор) организовано отдельно от силовых преобразователей. VRM-секция имеет свои два раздельных радиатора.
Как я уже упоминал ранее, M.2 слоты также имеют свои отдельные радиаторы.
Подсветка
Программное обеспечение под Windows
Настройки BIOS
Работоспособность (и разгон)
Запускаем все в режиме по умолчанию. Затем нагружаем стресс-тестами.
И снова мы видим, что без ручного вмешательства автоматически выставляется 4.9 ГГц по всем P-ядрам, и 3.7 ГГц по всем Е-ядрам, и это очень хороший авторазгон, учитывая позиционирование материнской платы и ее стоимость! Стоит напомнить, что Р-ядра — это обычные всем привычные ядра, имеющие по 2 потока каждый, «Р» — означает Performance, то есть производительные. «Е» — это энергоэффективные ядра, так называемые, малые ядра, у них по 1 потоку.
Уже в который раз видим, что система по умолчанию, определив очень мощное питание матплаты, выставила очень приличный авторазгон.
Учитывая, что данный продукт не расчитан на оверклокинг, я дальше экспериментировать не стал, ведь и такой авторазгон для данной материнки не на топовом чипсете очень хорош!
Выводы
Материнская плата MSI MAG B660M Mortar WiFi DDR4 — представитель среднебюджетной игровой серии MAG с примерной стоимостью 16-17 тысяч рублей на момент публикации обзора. По сравнению с ценами моделей на базе Z690 это практически бюджетное решение. И ориентация на гораздо более дешевую память DDR4 позволит собрать существенно менее дорогой компьютер.
Данная плата создана для геймеров, но, разумеется, и для всех остальных покупателей нового «железа». Несмотря на бюджетный и относительно простой чипсет B660, плата прекрасно работает даже с топовыми процессорами Intel Core 12-го поколения. У нее 15 USB-портов, включая 4 очень быстрых USB 3.2 Gen2, а также один самый быстрый USB 3.2 Gen2×2 в виде порта Type-C на задней панели. Есть 2 слота PCIe х16, один из которых получает от процессора 16 линий PCIe, причем версии 5.0, а второй работает в режиме х4. Имеется и слот PCIe x1. Также у платы 2 слота M.2: один из них подключен к процессору, другой — к чипсету B660, в обоих случаях линиями PCIe 4.0.
Еще у этой модели 6 портов SATA и 4 разъема для вентиляторов. Хотя плата относится к относительно простой серии MAG, система питания процессора у нее очень мощная, она способна обеспечить работу любых совместимых процессоров с запасом на разгон. Также мы видим очень грамотную систему охлаждения каждого потенциально греющегося элемента, включая накопители в слотах M.2. Сетевые возможности хорошие: быстрый проводной контроллер 2,5 Гбит/с, а также один самый современный беспроводной. В числе плюсов платы можно упомянуть широкие возможности для подключения дополнительных ARGB/RGB-устройств подсветки.
Стоит упомянуть и бонус поставки: набор отверток.
Эта модель достойна внимания простых, нетребовательных геймеров, также она станет приятным подарком для любого компьютерного фаната.
В номинации «Оригинальный дизайн» плата MSI MAG B660M Mortar WiFi DDR4 получила награду:

Благодарим компанию MSI Russia
и лично Алексея Рыбакова
за предоставленную на тестирование плату
Также благодарим компанию Gigabyte Russia
и лично Евгения Лесикова
за предоставленный Gigabyte Aorus Gen4 SSD 500G для тестового стенда
Особо благодарим компанию Super Flower
за предоставление блока питания Super Flower Leadex Platinum 2000W





























































































