Оглавление
- Форм-фактор
- Технические характеристики
- Основная функциональность: чипсет, процессор, память
- Периферийная функциональность: PCI-E, SATA, разные «прибамбасы»
- Периферийная функциональность: USB-порты, сетевые интерфейсы, ввод-вывод
- Аудиоподсистема
- Питание, охлаждение
- Подсветка
- Программное обеспечение под Windows
- Настройки BIOS
- Разгон
- Выводы
У нас уже многократно было в центре внимания соперничество дорогих платформ HEDT от Intel и AMD. Достаточно детально расписал ситуацию в первом материале по материнским платам на AMD TRX40, да и в других есть немало. Поэтому нет смысла повторяться.
Всем понятно, что HEDT (High End DeskTop) — это много и очень много ядер у центральных процессоров. Если массовый сегмент ограничен 8 ядрами (условно отнесем к этому сегменту и 16-ядерный AMD Ryzen 9 3950X, который по стоимости уже, конечно, вышел за привычные мерки массового сегмента ПК и находится где-то посредине между Mass DeskTop и High End Desktop), то HEDT — это, как правило, 14-16-24-32-64 ядер (количество потоков, соответственно, в 2 раза больше). Наиболее рационально таким богатством умеют распоряжаться всякие UNIX/Linux системы, однако сейчас и пользователи Windows-систем могут неплохо воспользоваться наличием 12-24 ядер у процессора: на таком ПК можно выполнять ряд интересных задач, причем захватывающих тех же геймеров (игра плюс программный стриминг игрового процесса), или можно играть, поставив в фоновый процесс рендеринг превосходного и сложного ролика. А вот 32 и более ядер у процессора — это уже малоактуально для одного ПК с Windows.
В игровом секторе лидером до сих пор остается Intel Core i9-9900K/KS с его 8 ядрами и 16 потоками, да и игры более 6-8 ядер не используют (разработчики игр нацелены на массовую аудиторию). Поэтому покупать HEDT платформы чисто для гейминга нет никакого смысла. Да и даже Ryzen 9 3900/3950X в этом плане проигрывают. Поэтому HEDT платформы в основном предназначены не для геймеров. Но при этом найдите пользователя HEDT, который не преминул бы воспользоваться возможностью заниматься нет только рендерингом, проектно-вычислительными задачами и стримингом, но и играми. По этой причине имеются появились геймерские версии плат в этом сегменте.
Но сегодня мы снова изучаем материнскую плату, основанную на TRX40, которая нацелена не на геймеров, а на создателей контента, разработчиков, дизайнеров и т. п. Она подчеркнуто названа Creator (мы не так давно изучали аналогичный продукт MSI, но на базе X299), то есть как раз «создатель». Плата MSI Creator TRX40 на момент написания материала только-только стала появляться в продаже по ценам от... 60 тысяч рублей.
Да, это уже укладывается в рамки стоимости премиальных плат (хотя в том сегменте цены могут доходить и до 100 тысяч), то есть очень дорого. Учитывая, что данная плата все же нацелена не на геймеров (а, как правило, фанаты всего самого крутого и производительного — это игроманы), то желающим как следует потрудиться за очень мощным ПК придется сильно раскошелиться (ПК с такого рода материнкой и HEDT-процессором может достичь стоимость дешевого нового автомобиля). Впрочем стоит отметить, что сегодня можно встретить материнские платы на чипсетах массового сегмента ПК, но премиального уровня, которые могут быть сильно дороже относительно простых материнок сегмента HEDT.
Так что каждое изучение такого рода плат заслуживает внимания, потому что, конечно же, хочется получить ответ: оно стоит такой цены или нет. А вот тут даже полноценный обзор может не дать окончательный ответ: слишком много факторов.
Итак, в тестовом стенде у нас MSI Creator TRX40.
MSI Creator TRX40 поставляется в большой коробке с фирменным дизайном MSI (с драконом). Коробка имеет ручку для переноски.
Внутри коробки есть два отсека: для самой материнской платы и остального комплекта.
В комплекте поставки, кроме традиционных элементов типа руководства пользователя и кабелей SATA (что уже много лет является обязательным набором ко всем материнкам), есть выносная антенна с подставкой для беспроводных соединений, разветвители для подключения подсветок, винтики для монтажа модулей M.2, карта расширения M.2 Xpander-Aero (которая внешне очень похожа на бюджетную видеокарту, но служит для накопителей форм-фактора M.2 (в нее можно установить сразу 4 подобных накопителя), провода с термодатчиком, кабели-разветвители для подсветки ARGB, кабели для подключения подсветок от Corsair, накопитель типа USB Flash drive, бонусные стикеры.
Стоит отметить, что «заглушка» на заднюю панель с разъемами уже смонтирована на самой плате. Фирменное ПО поставляется на флеш-накопителе. Впрочем программное обеспечение за время путешествия платы к покупателю все равно успевает устареть, так что придется его обновлять с сайта производителя сразу после покупки
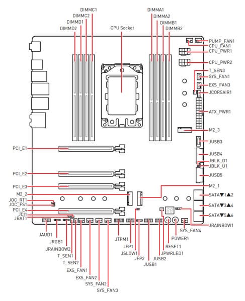
Форм-фактор
Форм-фактор ATX имеет размеры до 305х244 мм, а E-ATX — до 305×330 мм. Материнская плата MSI Creator TRX40 имеет размеры 305×277 мм, поэтому выполнена в форм-факторе E-ATX, и на ней имеются 7 монтажных отверстий для установки в корпус (физически — 8, но одно отверстие находится под радиатором слота M.2). Внимание! Размеры платы весьма большие, поэтому перед приобретением требуется обмерить внутреннее пространство в корпусе.
На оборотной стороне элементы имеются, в частности, ряд усилителей сигнала для шины PCI-E, некоторые контроллеры и другая мелкая логика. Обработан текстолит неплохо: во всех точках пайки срезаны острые концы срезаны. Особого упоминания заслуживают места, помеченные белой краской: тут плата может прижиматься к имеющимся в корпусах дополнительным втулкам крепежа, и потому здесь на плате нет никаких контактов или элементов логики, которые могут быть замкнуты или повреждены при установке матплаты в такие корпуса.
Технические характеристики
Традиционная таблица с перечнем функциональных особенностей.
| Поддерживаемые процессоры | AMD Ryzen Threadripper 3-го поколения |
|---|---|
| Процессорный разъем | sTRX4 |
| Чипсет | AMD TRX40 |
| Память | 8 × DDR4, до 256 ГБ, до DDR4-3200 (XMP 4600), четыре канала |
| Аудиоподсистема | 1 × Realtek ALC4050H + операционный усилитель OP1652 (на наушники) 1 × Realtek ALC1220 (7.1) (на заднюю панель, динамики) |
| Сетевые контроллеры | 1 × Intel WGI211-AT Ethernet 1 Гбит/с 1 × Aquantia AQtion AQC107 (Ethernet 10 Гбит/с) 1 × Intel Dual Band Wireless AX200NGW/CNVi (Wi-Fi 802.11a/b/g/n/ac/ax (2,4/5 ГГц) + Bluetooth 5.0) |
| Слоты расширения | 2 × PCI Express 4.0 x16 (режимы x16, x16+x16 (SLI/CrossFire), x16+x16+x8 (CrossFire)) 2 × PCI Express 4.0 x8 |
| Разъемы для накопителей | 6 × SATA 6 Гбит/с (TRX40) 1 × M.2 (TRX40, PCI-E 4.0 x4/SATA 6 Гбит/с для устройств формата 2242/2260/2280) 1 × M.2 (CPU, PCI-E 4.0 x4/SATA 6 Гбит/с для устройств формата 2242/2260/2280) 1 × M.2 (CPU, PCI-E 4.0 x4/SATA 6 Гбит/с для устройств формата 2242/2260/2280/22110) |
| USB-порты | 2 × USB 3.2 Gen2: 1 порт Type-A и 1 внутренний разъем Type-C (TRX40) 4 × USB 3.2 Gen1: 2 внутренних разъема на 4 порта (TRX40) 4 × USB 3.2 Gen1: 4 порта Type-A на задней панели (ASMedia) 4 × USB 2.0: 2 внутренних разъема на 4 порта (Genesys Logic) 1 × USB 3.2 Gen2x2: 1 порт Type-C на задней панели (ASMedia) 4 × USB 3.2 Gen2: 4 порта Type-A на задней панели (CPU) |
| Разъемы на задней панели | 1 × USB 3.2 Gen2 (Type-C) 1 × USB 3.2 Gen2x2 (Type-C) 4 × USB 3.2 Gen2 (Type-A) 4 × USB 3.2 Gen1 (Type-A) 2 × RJ-45 5 аудиоразъемов типа миниджек 1 × S/PDIF (оптический, выход) 2 антенных разъема кнопка сброса CMOS кнопка перепрошивки BIOS — Flash BIOS |
| Прочие внутренние элементы | 24-контактный разъем питания ATX 2 8-контактных разъема питания EPS12V 1 слот M.2 (E-key), занят адаптером беспроводных сетей 1 разъем для подключения порта USB 3.2 Gen2 Type-C 2 разъема для подключения 4 портов USB 3.2 Gen1 2 разъема для подключения 4 портов USB 2.0 9 разъемов для подключения 4-контактных вентиляторов (поддержка помп ЖСО) 1 разъем для подключения неадресуемой RGB-ленты 2 разъема для подключения адресуемой ARGB-ленты 1 разъем аудио для передней панели корпуса 1 разъем TPM 1 разъем для подключения подсветки Corsair 2 разъема для подключения управления с передней панели корпуса 1 разъем сброса CMOS 1 разъем для уменьшения частоты шины 1 разъем для увеличения частоты шины 1 разъем для повтора загрузки 1 разъем принудительного входа в настройки BIOS 1 кнопка включения питания Power 1 кнопка перезагрузки Reset 3 разъема для термодатчиков |
| Форм-фактор | E-ATX (305×277 мм) |
| Средняя цена | 55-60 тысяч рублей на момент публикации обзора |
Основная функциональность: чипсет, процессор, память
То, что данная плата относится к флагманским (даже если не принадлежит к семейству MEG), ощущается сразу, как только берешь ее в руки.
Это и количество портов, слотов, кнопок и прочих разъемов. Плюс солидное охлаждение.


Теперь смотрим схему связки чипсет+процессор, а в данном случае: TRX40 с Threadripper 3xxx и памятью в целом. Напомню, что все последние процессоры от AMD имеют чиплетную структуру, то есть даже без привязки к чипсету сам процессор имеет свою «систему-в-чипе» (System-On-Chip — SOC) и обладает даже более широкими функциональными периферийными возможностями, чем сопровождающий его чипсет.
Итак, сам Ryzen Threadripper 3ххх обладает 64 линиями PCI-E 4.0, которых 8 всегда используются для связи процессора с чипсетом (остается свободных — 56).
Далее, 48 линий идут на слоты PCI-Ex16 (тут уже каждый производитель материнских плат волен распределять самостоятельно) (остается свободных линий — 8). Оставшиеся линии могут пойти либо на 2 слота PCI-Ex4, либо на два порта M.2 с поддержкой NVMe, либо на 8 портов SATA, либо можно комбинировать порты и слоты (тут также производители матплат вольны) в рамках 8-ми линий PCI-E.
Помимо линий PCI-E 4.0 процессор еще обладает контроллером USB 3.2 Gen2 на 4 порта и четырехканальным контроллером памяти (до 3200 МГц без учета XMP профилей).
В свою очередь чипсет TRX40 обладает 24 линиями PCI-E 4.0, их которых опять же 8 зарезервированы для связи чипсета с процессором (остается свободных — 16). Далее 8 линий — свободно конфигурируются (на волю производителей матплат) (остается свободных — 8). Оставшиеся линии могут пойти либо на 8 портов SATA, либо из них можно сконфигурировать любые комбинации слотов PCI-Ex1, PCI-Ex2, PCI-Ex4. Разумеется, и тут есть выбор у производителей материнок.
Помимо вышесказанного TRX40 поддерживает до 8 портов USB 3.2 Gen2, до 4 портов USB 2.0, и до 4 портов SATA.
Таким образом в сумме от тандема TRX40+Ryzen Threadripper 3xxx мы имеем в сумме 88 линий PCI-E, 16 из которых зарезервированы на взаимную связь, так что свободно — 72 линии.
И что мы получаем в максимуме:
- 48 PCI-E 4.0 линий для видеокарт (от процессора);
- 12 портов USB 3.2 Gen2 (4 от процессора, 8 от чипсета);
- 4 порта USB 2.0 (от чипсета);
- 4 порта SATA 6Гбит/с (от чипсета)
- 24 PCI-E 4.0 линий (8 от процессора + 16 от чипсета), которые могут образовывать разные варианты комбинаций портов и слотов (в зависимости от производителя материнских плат).
Еще раз надо напомнить, что MSI Creator TRX40 поддерживает процессоры AMD Ryzen Threadripper 3-го поколений, выполненные под разъем (сокет) sTR4X.
Для установки модулей памяти на плате MSI имеется восемь DIMM-слотов (для работы памяти в Quad Channel в случае использования всего 4 модулей их следует устанавливать в А2, B2, C2 и D2. Плата поддерживает небуферизованную память DDR4 (ECC или non-EСС), а максимальный объем памяти составляет 128 ГБ (при использовании модулей емкостью по 16 ГБ). Возможно, что при использовании новых UDIMM на 32 ГБ суммарный объем памяти может достичь и 256 ГБ, но эта информация не проверялась. Разумеется, поддерживаются профили XMP (именно за счет их и с учетом возможного оверклокинга и декларируется поддержка частот по памяти до 4733+ МГц).
Слоты DIMM имеют металлическую окантовку, которая препятствует деформации слотов и печатной платы при установке модулей памяти и защищает от электромагнитных помех, и которая обычно всегда является составной частью флагманского набора у материнских плат.
Основными «потребителями» преимуществ PCI-E 4.0 станут накопители и видеокарты, так что переходим к периферии.
Периферийная функциональность: PCI-E, SATA, разные «прибамбасы»
Выше мы изучили потенциальные возможности тандема TRX40+Ryzen Threadripper 3xxx, а теперь посмотрим, что из этого и как реализовано в данной материнской плате.
Итак, кроме USB-портов, к которым мы подойдем позже, чипсет TRX40 обладает свободными 16 PCI-E линиями. Считаем, сколько линий уходит на поддержку (связь) с тем или иным элементом именно у TRX40:
- M.2_3 (4 линии);
- Контроллер ASMedia ASM 3242 (порт USB 3.2 Gen2x2) (4 линии);
- Контроллер ASMedia ASM 1074 (порты USB 3.2 Gen1) (1 линия);
- Контроллер Genesys Logic GL850G (порты USB 2.0) (1 линия);
- 2 порта SATA (5-6) (2 линии);
- Intel AX200 (Wi-Fi/BT) (1 линия);
- Intel WGI211-AT (Ethernet 1Gb/s) (1 линия);
- Aquantia Aqtion AOC107 (Ethernet 10Gb/s) (2 линии).
Все 16 линий PCI-E распределены. Плюс штатно положенные 4 порта SATA (1-4).
Поскольку AMD TRX40 лишен контроллера High Definition Audio (HDA), то Realtek ALC4050H играет роль своего рода «хаба» (использован 1 порт USB 2.0) для связи с ALC1220 (также использован порт USB 2.0). Мы вернемся к этой теме в разделе по USB-портам.
Теперь посмотрим выше на то, как работает процессор в данной конфигурации (помним, что у него свободно 56 PCI-E линий).
- Слот PCI-Ex16_1 имеет 16 линий;
- Слот PCI-Ex16_3 имеет 16 линий (но есть важное замечание!);
- Слот PCI-Ex16_2 имеет 8 линий;
- Слот PCI-Ex16_4 имеет 8 линий;
- Слот M.2_2 имеет 4 линии;
- Слот M.2_1 имеет 4 линии (работает при условии НЕ использования видеокарты в PCI-Ex16_3).
Итак, все линии полностью распределены. А вот насчет слота PCI-Ex16_3: только он предназначен для использования расширителя M.2-портов MSI Xpander-Aero, поэтому в этом случае его надо переключить в режим работы х4+х4+х4+х4 (через настройки BIOS). Как мы видим, ресурсов у процессора достаточно без всяких «дележек», однако практика показала, что слот M.2_1 выключается, если в PCI-Ex16_3 вставить видеокарту (то есть когда там режим х16). Если в этом слоте режим х4+х4+х4+х4 или слот пустой, то тогда M.2_1 становится доступным. Полагаю, что это явная ошибка BIOS, но пока приходится отмечать как есть (на схеме выше все показано).
А теперь пойдем по периферии. Начнем со слотов PCI-E, их «кормит» не чипсет TRX40, а процессор.
На плате есть 4 слота: все PCI-E x16 (для видеокарт или других устройств). «Коротких» PCI-E x1 слотов нет. У процессора есть 48 линий PCI-E 4.0 для этих слотов. Вот так выглядит схема распределения:
Очевидно, что линий PCI-E хватает на все случаи жизни, поэтому можно спокойно устанавливать две видеокарты в тандем Nvidia SLI или AMD CrossFire (они все равно получат по x16). Кому вдруг мало двух видеокарт, и захочется установить три «радеона» в режиме AMD CrossFireX, то лишь третья карта получит х8, впрочем, это мало скажется на производительности в целом, да и такие варианты с тремя картами сейчас крайне редки. Слоты PCI-Ex16_2 и 16_4, работающие в режиме х8, можно использовать для любой периферии, включая NVMe-накопители, создавая очень быстрые RAID-массивы.
Учитывая, что слот PCI-Ex16_3 требуется переключать, да и странное его взаимодействие с M.2_1, на плате имеются мультиплексоры.
Как и слоты для памяти, слоты PCI-E x16 имеют металлическое армирование из нержавеющей стали, которое увеличивает их надежность (что может быть важным в случае довольно частой смены видеокарт, но что более важно: такой слот легче выдержит нагрузку на изгиб в случае установки очень тяжелой видеокарты топового уровня). Кроме того, такая защита предохраняет слоты от электромагнитных помех.
А вот расположение PCI-E слотов может не позволить габаритным воздушным системам охлаждения разместиться, не потеснив видеокарту в первом слоте. Тут надо тщательно измерять. А вот смонтировать ЖСО любого уровня и класса — легко.
Для поддержания стабильных частот на шине PCI-E 4.0 (и для нужд оверклокеров) имеется внешний тактовый генератор.
А также шину поддерживают многочисленные ре-драйверы (усилители сигнала).
Идем дальше. На очереди — накопители.
Всего у платы 6 разъемов Serial ATA 6 Гбит/с + 3 слота для накопителей в форм-факторе M.2. (Еще один слот M.2, спрятанный под кожухом блока разъемов задней панели, занят контроллером беспроводных сетей Wi-Fi/Bluetooth.). Все 6 портов SATA реализованы через чипсет TRX40 (4 порта — штатно, а еще два — путем заимствования свободных PCI-E линий).
Все SATA порты доступны для организации RAID-массивов.
Теперь про M.2. Материнская плата имеет богатый ассортимент гнезд такого форм-фактора. Три — на самой плате.
Все три этих слота поддерживают модули с PCI-E и SATA интерфейсом и размерами до 2280 включительно (кроме M.2_2 — в этот слот можно установить модули размером 22110.
Слоты M.2_1 и M.2_2 получают данные непосредственно от процессора (как и слоты PCI-Ex16). А M.2_3 работает с чипсетом TRX40. Стоит напомнить о казусе, который возник при попытке установить видеокарту в слот PCI-Ex16_3, и при этом вырубился слот M.2_1. Никаких нехваток ресурсов в линиях PCI-E нет, слоты PCI-Ex16 потребляют 48 линий, плюс 2 M.2 по 4 линии — всего 56 линий. Должно хватать без исключений. Тем не менее, факт есть факт. Повторю, возможна ошибка в BIOS из-за наличия гибкой конфигурации слота PCI-Ex16_3 для работы с Xpander-картой с дополнительными M.2. При этом, если же воспользоваться этой картой и установить ее в PCI-Ex16_3, то M.2_1 будет доступен.
А теперь о самой специальной карте MSI M.2 Xpander-Aero. Производитель позиционирует рассматриваемую сегодня материнскую плату как продукт для дизайнеров, архитекторов (в том числе и имеющих дело с 3D-моделированием), инженеров, работающих с огромными массивами данных, когда требуется высоченная скорость их перекачки.


Поэтому с материнской платой поставляется особая карта, способная вместить на себе аж 4 модуля форм-фактора M.2.


Все накопители у Xpander-а должны иметь интерфейс PCI-E. В принципе вставлять эту карту можно в любой свободный слот х16 (у нас все 4 слота «длинные»), но надо помнить, что каждый M.2 модуль для максимальной производительности требует 4 линии PCI-E, поэтому перед тем, как заполнять карту накопителями, следует изучить раскладку PCI-E слотов и определить тот слот, в который придется ставить эту карту расширения. Поэтому производитель рекомендует вставлять эту карту в слот PCI-Ex16_3 (у которого есть гибкая настройка в BIOS).
Разумеется, есть возможность создавать крайне быстрые RAID-массивы с использованием SSD, вставленных в данный адаптер.
Два слота M.2_1 и M.2_2 имеют единый радиатор с термоинтерфейсами.
Слот M.2_3 — со своим радиатором.
Расскажем и о других «прибамбасах» на плате. Конечно же, есть кнопки питания и перезагрузки.
Несмотря на позиционирование матплаты, имеется набор технологий, помогающих оверклокерам. Прежде всего, перемычка для возврата в настройки BIOS в случае неудачного старта ПК из-за нереализуемых настроек разгона — при этом все они останутся (не будут сброшены). Затем перемычка повторной попытки запуска системы при тех же настройках.

Опять же в помощь оверклокерам есть еще две перемычки: для управления частотой работы шины (помним, что у материнки есть внешний тактовый генератор).


При этом лучше включить особый режим LN2 для повторного запуска (происходит автоматическая настройка системы питания на максимально гибкий режим работы).
Ну а если кто «добалуется» с разгоном, то для сброса настроек CMOS есть своя перемычка.

У платы еще есть световые индикаторы, сообщающие о проблемах с тем или иным компонентом системы.
Если после включения компьютера к моменту перехода на загрузку ОС все индикаторы погасли, то проблем нет. Более того, по самой плате разбросаны и другие индикаторы: работы накопителей, актуальность одной из двух версии BIOS. А также есть и традиционное табло с POST-кодами, извещающими о текущей ситуации на материнской плате (включая аварийные случаи). Расшифровка кодов есть в руководстве пользователя.
Продолжая разговор о световых индикаторах, надо упомянуть и возможности материнской платы по подключению RGB-подсветки. Имеется 4 разъема для подключения любых устройств этого плана: 2 разъема для подключения адресуемых (5 B 3 A, до 15 Вт) ARGB-лент/устройств, 1 разъем неадресуемых (12 В 3 А, до 36 Вт) RGB-лент/устройств и 1 разъем для проприетарных коннекторов подсветки от Corsair.
Схемы подключения стандартны для всех материнских плат, поддерживающих подсветку:


Контроль по синхронизации работы подсветок возложен на чип NUC126NE4AE от Nuvoton.
Разумеется, есть и традиционный набор штырьков FPanel для подключения проводов к передней (а сейчас уже часто и верхней или боковой или все это сразу) панели корпуса.
Также на плате имеется традиционный разъем TPM: для подключения устройств проверок и безопасности.
А вот микроконтроллер NCT7802Y от Nuvoton управляет технологией «холодной» прошивки BIOS без включения самой платы (наличие ОЗУ, процессора и прочей периферии необязательно, нужно лишь подключить питание) — Flash BIOS.
Для такого обновления BIOS версию прошивки надо вначале переименовать в MSI.ROM и записать в корень на USB-«флешку», которая вставляется в особо отмеченный порт USB. Ну и запуск через кнопку, которую надо держать 3 секунды (см.видеоролик ниже).
Требуется лишь подключение разъемов питания к материнской плате (наличие CPU, памяти, видеокарты — необязательно). При запуске прошивки таким макаром система стартует, а по окончании прошивания — выключится
На снимке выше виден второй контроллер NCT7802Y. Он отвечает уже за мониторинг температур имеющихся на плате термодатчиков, а также трех дополнительных внешних датчиков, для которых есть посадочные места.

Периферийная функциональность: USB-порты, сетевые интерфейсы, ввод-вывод
Продолжаем рассматривать периферию. Теперь на очереди USB-порты. И начнем с задней панели, куда выведены большинство из них.
Повторим: чипсет TRX40 способен реализовать 12 портов USB (8 — USB 3.2 Gen2 и 4 — USB 2.0), а процессор Ryzen Threadripper 3xxx — 4, то есть суммарно способны реализовать 16 выделенных портов USB всех типов (из них 12 — USB 3.2 Gen2, 4 — USB 2.0), все потенциально свободные у TRX40 линии PCI-E 4.0 — распределены (как выше я уже показал). У процессора же все свободные линии заняты на слоты PCI-E и M.2. Более того, аудиоконтроллеры получили связь с TRX40 через линии USB-портов.
И что мы имеем? Всего на материнской плате — 19 портов USB плюс потрачено 2 линии USB-портов на аудиоконтроллеры:
- 1 порт USB 3.2 Gen2x2 (самый быстрый на сегодня!): реализован через контроллер ASMedia ASM3242 (на связь с ним потрачено 4 линии PCI-E от TRX40) и представлен портом Type-C на задней панели;
- 6 портов USB 3.2 Gen2: 4 реализованы через CPU Ryzen Threadripper 3xxx и представлены на задней панели 4 портами Type-A (красные); еще 2 реализованы через TRX40 и представлены 1 портом Type-A и одним внутренним портом Type-C (для подключения такого же разъема на передней панели корпуса);
- 8 портов USB 3.2 Gen1: 4 реализованы через контроллер ASMedia ASM1074 (на связь с ним потрачена 1 линия PCI-E от TRX40) и представлены 4 портами Type-A на задней панели; еще 4 реализованы через TRX40 и представлены 2 внутренними разъемами на материнской плате (каждый на 2 порта);
- 4 порта USB 2.0/1.1: все реализованы через контроллер Genesys Logic GL850G (на связь с ним потрачена одна линия PCI-E от TRX40) и представлены 2 внутренними разъемами (каждый на 2 порта).
Итак, через чипсет TRX40 реализовано 2 USB 3.2 Gen2 + 4 USB 3.2 Gen1 = 6 выделенных портов. Плюс тот факт, что два аудиотракта (и кодеки, отвечающие за них) подключены к системе через 2 USB 2.0 линии от TRX40. В сумме 8 портов через TRX40 (как-то распорядились странно, незачем было ставить ASM1074 вообще, TRX40 справился бы с еще 4 USB 3.2 Gen1).
Через процессор Ryzen Threadripper 3xxx реализовано 4 USB 3.2 Gen2 порта.
Все быстрые USB порты Type-A/Type-C оснащены ре-драйверами, дающими устойчивый вольтаж, способный обеспечить быструю зарядку мобильных гаджетов через них.
Теперь о сетевых делах.
Материнская плата хорошо оснащена средствами связи. Имеется обычный Ethernet-контроллер Intel WGI211-AT, способный работать по стандарту 1 Гбит/с.
Также есть и скоростной Ethernet-контроллер AOC107 от Aquantia, способный работать на скоростях до 10 Гбит/с.
В принципе, как я уже говорил ранее, такое двойное Ethernet-соединение дает три преимущества:
- Суммарная производительность (эффективный обмен информацией) вырастает;
- Повышается стабильность обеспечения связи в случае подключения к двум провайдерам и обрыве связи от одного из них;
- Безопасность: можно жестко разделить внутреннюю сеть (со своим роутером) с внешней сетью (Интернет).
Имеется и комплексный беспроводной адаптер на контроллере Intel AX-200NGW, через который реализованы Wi-Fi 6 (802.11a/b/g/n/ac/ax) и Bluetooth 5.0. Он установлен в слот M.2 (E-key), и его разъемы для привинчивания выносных антенн выведены на заднюю панель.


Заглушка, традиционно надеваемая на заднюю панель, в данном случае уже надета, и изнутри экранирована для снижения электромагнитных помех.
Теперь про блок ввода-вывода, разъемы для подключения вентиляторов и т. п. Разъемов для подключения вентиляторов и помп — 9. Схема размещения коннекторов для систем охлаждения выглядит так:
Через ПО или BIOS контролируется 8 гнезд для подключения воздушных вентиляторов: вентиляторы могут управляться как через ШИМ, так и банальным изменением напряжения/тока, для этих целей имеется контроллер NCT5635Y от Nuvoton.
Оставшееся гнездо управляется через ШИМ и предназначено для подключения помп от ЖСО: как от сборных, так и от «все-в-одном».
Контроллер NCT6797 от Nuvoton осуществляет получение информации с датчиков (мониторинг, а также Multi I/O).
Аудиоподсистема
Аудиоподсистема на материнских платах на основе TRX40 несколько отличается от традиционных. Мы знаем, что практически во всех современных материнских платах звуком заведует аудиокодек Realtek ALC1220. Он обеспечивает вывод звука по схемам до 7.1.
В аудиоцепях платы применяются «аудиофильские» конденсаторы Nichicon Fine Gold. При этом рядом с ALC1220 мы видим еще один аудиокодек Realtek ALC4050H. Как я писал ранее, чипсет AMD TRX40 изначально поставляется производителям матплат с этими двумя аудиокодеками. Поскольку чипсет TRX40 лишен контроллера High Definition Audio (HDA), поэтому Realtek ALC4050H играет роль своего рода «хаба» для связи с ALC1220 с использованием линий USB 2.0. Также очевидно, что инженеры придумали разнести выводы звука на миниджеки на задней панели (для акустических систем) и выводы звука на наушники (через разъем Front Audio для подключения миниджеков с передней панели корпуса ПК).
Во втором случае в дополнение к ALC4050H имеется операционный усилитель OP1652 от Texas Instruments.
Аудиотракт вынесен на угловую часть платы, не пересекается с другими элементами. Разумеется, левый и правый каналы разведены по разным слоям печатной платы. Все аудиоразъемы на задней панели имеют позолоченное покрытие, однако не сохранена привычная цветовая окраска разъемов (которая неплохо помогает подключать нужные штекеры без вглядывания в их наименование). Но при этом все же каждое гнездо подписано.
В целом очевидно, что аудиоподсистема выглядит очень хорошо, однако с учетом выбранных кодеков мы снова повторим, что это все же в целом стандартная аудиоподсистема, способная удовлетворить запросы большинства пользователей, не ожидающих от звука на материнской плате чудес.
Еще раз надо отметить, что для связи системного чипсета с аудиокодеками здесь используются линии USB, а не PCI-E-линии, как ранее, поэтому ПО от Realtek переделано, и не удивляйтесь, если в списке устройств увидите что-то вроде «Realtek USB audio».
Для тестирования выходного звукового тракта, предназначенного для подключения внешней акустики, мы использовали внешнюю звуковую карту Creative E-MU 0202 USB в сочетании с утилитой RightMark Audio Analyzer 6.4.5. Тестирование проводилось для режима стерео, 24-бит/44,1 кГц. Тестовый ПК подключен к электросети через ИБП, и во время измерений ИБП физически отключался от электросети.
По результатам тестирования аудиотракт на плате получил оценку «Хорошо» (оценка «Отлично» практически не встречается на интегрированном звуке, все же это удел уже полноценных звуковых карт).
Питание, охлаждение
Для питания платы на ней предусмотрены 3 разъема: в дополнение к 24-контактному ATX здесь есть еще два 8-контактных EPS12V.
Система питания очень внушительная (собственно и не удивительно: ведь материнская плата самого топового уровня и для процессоров, которые очень много потребляют). Как мы знаем, у процессоров Ryzen Threadripper две схемы питания: для самого ядра и для SoC.
Схема питания ядра выполнена по 16 фазной схеме.
Каждый канал фазы имеет суперферритовую катушку и MOSFET IR TDA21472 на 70 A от Infineon.
То есть в сумме такая мощнейшая система способна на работу с токами больше килоампера (этого хватит на три-четыре супермощных «тредриппера»). Управляет фазами цифровой контроллер XDPE132G5C от Infineon.
И он умеет работать как раз максимум с 16 фазами. Так что мы видим честную схему питания без ухищрений.
SoC имеет свою 3х-фазную схему питания с теми же мосфетами. А вот ШИМ-контроллер уже IR35204 (по сути от того же Infineon).
Что касается модулей оперативной памяти: каждый из двух блоков DIMM имеет по двухфазной системе питания.

Каждая схема имеет собственный ШИМ-контроллер IR35204 (у одного из блоков DIMM он расположен на обороте PCB).
Теперь про охлаждение.
Все потенциально сильно греющиеся элементы имеют свои собственные радиаторы. Как известно, самым горячим звеном в наборе AMD TRX40 является сам чипсет, поэтому многие производители вынуждены ставить вентиляторы для такого рода микросхем.
В отличие от иных решений на том же TRX40 в данном случае инженеры решили использовать довольно крупный вентилятор, который на максимальных оборотах может быть весьма шумным (см. ролик ниже).
Однако на практике этот вентилятор включается на малые обороты, и то не всегда. Но стоит иметь в виду, что при включении ПК идет проверка работоспособности, и вентилятор на короткое время врубается на полную.
Более серьезная проблема может образоваться при использовании видеокарт с очень низкой посадкой СО, когда радиатор видеокарты едва приподнимается над слотами. Дело в том, что радиатор с вентилятором на TRX40 расположен аккурат в конце первого слота PCI-Ex16_1, и видеокарты частично могут перекрывать чипсетный вентилятор, нависая над ним. И вот в случае, например, видеокарты Palit GeForce RTX 2070 Super GamingPro, кабели подключения СО к гнезду на видеокарте задевали вентилятор на TRX40.
При этом на самой видеокарте практически нет места между гнездом питания вентиляторов и радиатором. Пришлось разбирать СО и запихивать провода выше, чтобы не мешали работе вентилятора на TRX40. Кстати, именно по этой причине я попробовал переставить видеокарту в третий PCI-Ex16_3, когда и выяснилось, что в этом случае отрубается слот M.2_1.
Продолжаем про охлаждение. Как мы видим, охлаждение чипсета (один радиатор), радиатор VRM-секции и еще один радиатор (около задней панели — призван охлаждать Aquantia (Aqtion AOC107 (скоростной сетевой контроллер) соединены тепловой трубкой, поэтому представляют собой единую СО.
Именно поэтому радиатор TRX40 и не нагревается очень сильно (обеспечивая малошумный режим вращения вентилятора). Мосфеты от схемы питания SoC имеют свой небольшой радиатор, прикрепляющийся к радиатору у задней панели и по сути получающий также охлаждение от вентилятора на TRX40.
Имеется и дополнительный, так сказать, радиатор-«лепесток» — это кожух над аудиотрактом, он металлический и тоже принимает участие в охлаждении всей схемы.
Для двух модулей M.2 (2_1 и 2_2), как я уже выше отмечал, есть свой общий радиатор с термоинтерфейсами. У третьего M.2_3 тоже есть свой собственный радиатор. Все они крепятся самостоятельно и не принимают участие в общей схеме охлаждения.
Привычного кожуха над блоком разъемов задней панели нет, ибо его место занял радиатор.
Еще раз хочу отметить, что система питания колоссально мощная, понятно, что уровень HEDT того требует, однако здесь налицо большой запас прочности и стабильности (мы знаем, что Ryzen Threadripper потребляют очень много, поэтому требования к схеме питания очень высокие).
Подсветка
Топовые платы MSI всегда имеют красивую подсветку. Как правило, светодиоды образуют эффекты на кожухе, покрывающем задний блок с разъемами, а также подсвечены радиатор чипсета. В данном случае подсветка имеется только на заднем блоке. Видеоролики ниже наглядно демонстрируют отличное вписывание подсветки матплаты в общий концепт ПК.
Так же мы помним про 3 разъема для подключения внешней подсветки, и всем этим можно управлять через программу Dragon Center.
Который раз уже наверно пишу, но хочется все равно отметить, что сейчас как правило, практически все топовые решения (будь то видеокарта, материнская плата или даже модули памяти) оснащаются красивыми модулями подсветки, положительно влияющими на эстетическое восприятие.
Моддинг — это нормально, это красиво, подчас просто стильно, если все подобрано со вкусом.
Надо сказать, что ряд производителей моддинговых корпусов с уже вмонтированной подсветкой «сертифицируют» поддержку программ ведущих производителей материнских плат, включая MSI. А кому не нравится — всегда подсветку можно выключить через то же ПО (или в BIOS).
Программное обеспечение под Windows
Все программное обеспечение можно скачать с сайта производителя MSI.com.
Основная программа — Creator Center. Это, можно сказать, сестра популярной утилиты Dragon Center (однако вторая предназначена для геймерских плат).
Поскольку у материнской платы особое позиционирование, а как-то сложно через аппаратный набор точно передать: материнка для создания контента или для игр, то особая роль уделяется оптимизации работы ПО. Поэтому в данной утилите имеется режим работы Creator Mode, при этом идет поиск установленных программ по редактированию, монтажу и т. д. и предлагаются варианты оптимизаций, нацеленных или на максимальное быстродействие того или иного пакета, или на низкое энергопотребление (низкий шум СО), или на четкое разграничение количеств ядер, которые могут использовать те или иные программы по созданию контента.
Что касается частот работы, то, как правило, те, кто приобретает подобные системы, довольствуются настройками работы по умолчанию, ибо и так известно, что все современные процессоры используют технологии авторазгона, и потому, как правило, при нагрузке частоты работы поднимут выше номинала. Правда тут может влиять фактор эффективности конкретной СО, ну и, разумеется, системы питания материнской платы.
Тем не менее, данная утилита предлагает предустановленные режимы работы, среди которых есть и High Performance, то есть предполагающий повышение ряда параметров работы CPU/RAM.
Конечно же, мониторинг состояния работы ПК очень важен, и данная программа его предоставляет во всех нужных деталях. При этом можно вывести на экран лишь компактную версию.
Кому мало предустановленных режимов, тот может вручную заниматься оверклокингом через ту же самую программу.
Менеджер сетевых подключений даст возможность распределить нагрузку на канал, выставив приоритеты для той или иной программы. Также программа может определять потерю сигнала на одном канале и автоматический перевод сетевой нагрузки на другой (в случае одновременного подключения по двум сетевым контроллерам).
Управление подсветкой теперь тоже внутри этой программы (ранее Mystic Light была отдельной утилитой). Вариантов эффектов весьма много.
Разумеется, можно отдельно настроить разъемы ARGB и RGB на материнке. У разъемов для адресуемых RGB-лент — самый богатый выбор режимов подсветки.
Настройки BIOS
Все современные платы сейчас имеют UEFI (Unified Extensible Firmware Interface), которые, по сути, являются операционными системами в миниатюре. Для входа в настройки при загрузке ПК традиционно надо нажать клавишу Del или F2.
Попадаем в общее «простое» меню, где по сути одна информация, так что нажимаем F7 и попадаем уже в «продвинутое» меню.
Для разгона есть по сути уже стандартные опции в рамках того, что поддерживают процессоры и оперативная память. Помним про наличие внешнего тактового генератора, поэтому можно гибко менять и частоту базовой шины. Опций много, но и не очень, как положено в оверклокерских линейках, однако для современных топовых процессоров наверно многие настройки — бесполезны, ибо процессор сам по себе уже работает на сильно повышенных частотах (с помощью AMD Precision Boost 2).




Управление периферией. Имеется много интересных позиций, когда каждым портом USB можно управлять. Как и менять режимы работы слотов PCI-E и M.2.






Не менее важен раздел мониторинга, где можно управлять режимами работы вентиляторов.
Опять же, чисто формально переходим к разгону (AMD уже заранее так разгоняет свои современные процессоры, что оверклокерам по сути уже делать нечего (ну кроме хардкорных, которые выключают технологии типа AMD Precision Boost).
Разгон
Полная конфигурация тестовой системы:
- материнская плата MSI Creator TRX40;
- процессор AMD Ryzen Threadripper 3970X 3,7 ГГц (до 4,5 ГГц);
- оперативная память Corsair UDIMM (CMT32GX4M4C3200C14) 32 ГБ (4×8) DDR4 (XMP 3200 МГц);
- накопители SSD OCZ TRN100 240 ГБ и Intel SC2BX480 480 ГБ;
- видеокарта Palit GeForce RTX 2070 Super Gaming Pro;
- блок питания Corsair AX1600i (1600 Вт) Вт;
- СО Cooler Master MasterLiquid ML240P Mirage;
- телевизор LG 43UK6750 (43″ 4K HDR);
- клавиатура и мышь Logitech.
Программное обеспечение:
- операционная система Windows 10 Pro (v.1909), 64-битная
- AIDA 64 Extreme
- PC Mark 10
- 3DMark Time Spy CPU benchmark
- 3DMark Fire Strike Physics benchmark
- 3DMark Night Raid CPU benchmark
- HWInfo64
- Adobe Premiere CS 2019 (рендеринг видеоролика)
Запускаем все в режиме по умолчанию. Затем нагружаем жестким тестом от AIDA.
К сожалению, при снятии скриншота образовался дефект, почему-то часть значений текущих частот по ядрам закрасилась белым прямоугольником. Однако по множителям мы видим, что частоты по ядрам меняются не сильно (3,9-4,1 ГГц), то есть разброс минимальный с разовыми всплесками до 4,27 ГГц (по 1-2 ядру). И при этом нагрев процессора был уже выше 95 °C. Я уже писал, что даже такой «водянки», как наша, недостаточно для такого мощного процессора! Впрочем, думаю, что тут мало какая СО подойдет, кроме всяких экстремально-азотных. Я выше уже говорил, что оверклокерам делать больше нечего, за них все сделала AMD.
Проведя тесты, получил следующие показатели:
- PC Mark 10 — 4714
- 3DMark Time Spy CPU benchmark — 10978
- 3DMark Fire Strike Physics benchmark — 22172
- 3DMark Night Raid CPU benchmark — 12543
- Adobe Premiere CS 2019 — 10 секунд (блин! у меня этот ролик на Core i9-9900K рендерился 6 минут! А тут я не успел даже глянуть на термопараметры, как рендеринг закончился...)
После окончания цикла тестов я на время заполучил более мощную ЖСО Enermax Liqtech TR4 II 360 (созданную специально для процессоров Threadripper и поддерживающую максимум TDP 500 Вт) и проверил как на ней: ситуация улучшилась, частота трети ядер смогла достичь 4.1 ГГц, при этом температура CPU все равно была около 95 °C.
Нагрев остальных элементов материнской платы был в норме (от 44 до 67 °C), включая чипсет TRX40, при этом его вентилятор работал временами на низких оборотах (шум мало ощущался).
Далее я решил все же проверить, как на практике работает Creator Center, выставив там режим «Высокой производительности». Результаты меня удивили!
Утилита выставила по всем 32 ядрам единую частоту 4.1 ГГц. Именно по всем ядрам! Жесткие тесты не привели к снижению частот, однако рост температуры CPU выше 100 °C меня заставил волноваться (еще бы — это единственный сэмпл Threadripper 3970X в России! А в продаже он стоит.. ой, не буду даже...). Когда увидел 104 °C — мне поплохело. Утилита MSI, судя по всему, вырубила AMD Precision Boost! Потому что эта технология разгоняет процессоры, но при условии нагрева не выше 95-96 °C!! Остальные параметры работы материнской платы были в норме: посмотрите, чипсетный вентилятор включался максимум на 1090 оборотов в минуту (все же прекрасно спроектировали систему охлаждения спецы из MSI!). До запуска тестов AIDA я успел все же снять показания со своих тестов в этом режиме:
- PC Mark 10 — 5220 (+10,7%)
- 3DMark Time Spy CPU benchmark — 12295 (+12%)
- 3DMark Fire Strike Physics benchmark — 24677 (+11%)
- 3DMark Night Raid CPU benchmark — 13147 (+5%)
- Adobe Premiere CS 2019 — 8 секунд (+20%)
Приросты очень даже впечатляют! Очевидно, что такой режим «Высокая производительность» следует включать в Creator Center только при наличии очень мощной жидкостной системы охлаждения! Например та же ЖСО Enermax Liqtech TR4 II 360 помогла в таком же режиме работы (4,1 ГГц по всем ядрам) получить нагрев процессора все же ниже 100 °C (примерно 96-97 °C, что уже безопасно для такого CPU).
А что же фирменная утилита от AMD — Ryzen Master? Что она может выжать из данного процессора?
Игровой режим не трогаем (мы помним, что при переходе на него программа просто отрубает половину ядер, оставляя минимум 8), все же позиционирование материнки иное. Включаем авторазгон в режиме Creator Mode.
Хоть на паре ядер частоты и промелькнули выше 4.2 ГГц, в целом частоты были ниже, чем при «Высокой производительности» от MSI, температура CPU не поднималась выше 96,8 °C (AMD Precision Boost работал, разумеется). Приросты производительности в вышеприведенных тестах в среднем были раза в два меньше, чем в предыдущем тестировании. Однако при этом оставалась наша стандартная ЖСО, ее хватало.
Здесь уже каждый сам решает для себя. Одно понятно: если потратили огромные деньги на процессор и материнскую плату, то надо покупать и очень дорогую ЖСО. Или из серии «все-в-одном», как у Enermax, или кастомную «водянку».
Выводы
MSI Creator TRX40 — навороченная материнская плата премиального класса со стоимостью выше 50 тысяч рублей, что не должно удивлять, поскольку и процессоры в нее устанавливаются соответствующие. Если Threadripper 3970X стоит более 170 000 рублей, то почему бы материнской плате для него не стоить 60 тысяч. Ситуация напомнила очень старые времена компьютерных рынков типа Тушинского в Москве (он еще даже не был Митинским): прямо на лотках лежали материнские платы под первые «пентиумы» стоимостью 1500 долларов, в которые уже были вставлены Pentium-60 стоимостью 2500 долларов. Представляете себе: комплекты за 4000 долларов, лежащие просто на лотках... И никого тогда такие цены не шокировали ))). И тогда еще не было HEDT-сегмента.
А если вернуться к теме, то все мы понимаем, что HEDT-решения — сегмент специфический и не массовый, по-настоящему дешевыми там являются только распродаваемые морально устаревшие продукты.
MSI Creator TRX40 обладает всеми признаками принадлежности к классу Hi-End, начиная с упаковки и комплекта поставки и заканчивая возможностями периферии. Особо выделим 19 портов USB и 4 слота PCIe x16, причем два из них могут иметь одновременно по 16 линий PCI-E. Так что эта плата, изначально предназначенная для серьезных профессионалов в области многопоточных вычислений, может заинтересовать и геймеров, желающих организовать Nvidia SLI или AMD CrossFire. Также эти слоты можно использовать под быстрые SSD с интерфейсом PCIe, равно как и прилагаемую в комплекте карту расширения M.2 Xpander-Aero. Всего на плату можно установить 7(!) M.2-накопителей.
Плата имеет прекрасную систему питания с «честными» фазами, которая способна обеспечить работу любых совместимых процессоров под серьезным авторазгоном. Следует упомянуть и программные возможности того же Creator Center, позволяющего получить серьезный прирост производительности — нужна лишь очень мощная и эффективная система охлаждения процессора.
Еще надо отметить армирование слотов PCI-E и слотов для модулей памяти. Плата имеет отличную СО, которая предусматривает единый контур из радиаторов на всех греющихся элементах системы питания и контроллерах (включая чипсет), а также 9 разъемов для вентиляторов и помп. Плюс все накопители в слотах M.2 снабжены радиаторами.
У платы два Ethernet-порта, включая один очень быстрый (10 Гбит/с), и современный беспроводной контроллер, реализующий Wi-Fi 6 и Bluetooth 5.0. На задней панели у платы есть самый современный порт USB 3.2 Gen2×2 Type-C, имеется быстрый порт USB 3.2 Gen2 и внутри, но надо иметь корпус с выведенным USB Type-C. В целом с быстрым обменом данными с современными гаджетами через порт USB Type-C проблем не будет, а также поддерживается быстрая зарядка от него мобильных устройств.
Еще в плюсы надо добавить красивую подсветку на кожухе задней панели портов и широкие возможности для подключения дополнительных RGB-устройств. Ну, и отметим хорошее качество звука.
В номинации «Оригинальный дизайн» за прекрасную систему питания плата MSI Creator TRX40 получила награду:

В номинации «Отличная поставка» плата MSI Creator TRX40 получила награду:

Благодарим компанию MSI Russia
и лично Лизу Чень
за предоставленную на тестирование плату
Для тестового стенда:
ЖСО Cooler Master MasterLiquid ML240P Mirage предоставлена компанией Cooler Master
блок питания Corsair AX1600i (1600W) предоставлен компанией Corsair
термопаста Noctua NT-H2 предоставлена компанией Noctua





























































































