Оглавление
- Форм-фактор
- Технические характеристики
- Основная функциональность: чипсет, процессор, память
- Периферийная функциональность: PCIe, SATA, разные «фенечки»
- Периферийная функциональность: USB-порты, сетевые интерфейсы, ввод-вывод
- Аудиоподсистема
- Питание, охлаждение
- Подсветка
- Программное обеспечение под Windows
- Настройки BIOS
- Работоспособность (и разгон)
- Выводы
Сразу стоит сообщить, что в каждой статье по матплатам разбираться почему, зачем, как и на сколько глубоко пришли новые процессоры Intel 12-го поколения, — не стану. Один раз в первом материале порассуждал, и хватит. У нас есть автор Андрей Кожемяко, и поэтому все душевную романтику на тему победила ли Intel процессоры Ryzen от AMD, или нет — в его материале именно по процессорам 12го поколения.
А мы с вами продолжаем изучать материнские платы на базе нового чипсета Intel Z690. И снова глянем на краткую таблицу отличий в чипсетах трех последних поколений. Эта таблица пока еще побегает по обзорам, ибо является важным вступлением к повествованию о каждой материнской плате с «печенью» в виде Z690.
| Особенности | Z690 | Z590 | Z490 |
|---|---|---|---|
| Совместимость с процессорами Intel | 12th Gen Core | 10th & 11th Gen Core | 10th & 11th Gen Core |
| Версия PCIe (процессор) | 4.0 & 5.0 | 3.0 (10th Gen) or 4.0 (11th Gen) | 3.0 (10th Gen) or 4.0 (11th Gen) |
| Количество линий PCIe (процессор) | 20 | 16 (10th Gen) or 20 (11th Gen) | 16 |
| Версия PCIe (чипсет) | 3.0 & 4.0 | 3.0 | 3.0 |
| Количество линий PCIe (чипсет) | 28 (12 x 4.0 & 16 x 3.0) | 24 | 24 |
| Версия DMI | 4.0 | 3.0 | 3.0 |
| Количество линий DMI | x8 | x8 | x4 |
| Поколение ОЗУ | DDR4 & DDR5 | DDR4 | DDR4 |
| Количество каналов ОЗУ | 2 | 2 | 2 |
| Максимальное количество слотов ОЗУ | 4 | 4 | 4 |
| Максимальный объем ОЗУ | 128 ГБ | 128 ГБ | 128 ГБ |
| Количество портов SATA 6.0 Gb/s до | 8 | 6 | 6 |
| Порты USB 3.2 Gen 2x2 (20Gbps) до | 4 | 3 | 0 |
| Порты USB 3.2 Gen 2x1 (10Gbps) до | 10 | 10 | 6 |
| Порты USB 3.2 Gen 1x1 (5Gbps) до | 10 | 10 | 10 |
| Порты USB 2.0 до | 14 | 14 | 14 |
| Встроенная поддержка Wi-Fi | Wi-Fi 6E | Wi-Fi 6 | Wi-Fi 6 |
Чипсет стал поддерживать PCIe 4.0 (12 из 28 линий PCI-e, остальные — 3.0). В целом высокоскоростных портов (High Speed In Out, HSIO) стало 38. Еще мы видим поддержку до 4х интегрированных USB 3.2 Gen2x2 (до 20 Gb/s) портов (правда каждый из них требует поддержки со стороны двух USB 3.2 Gen2, неважно, от самого Z690 или сторонних хабов).
12е поколение процессоров добавляет к этому набору еще 20 линий PCIe, при этом 16 линий (расходуемые на слоты PCIe x16) версии PCIe 5.0, оставшиеся 4 линии PCIe 4.0 идут на М.2 слот. Те же процессоры теперь умеют поддерживать DDR5, не отказываясь от DDR4, так что производители матплат вольны выпускать продукты как с DDR5, так и с DDR4 слотами. Ну и не забываем про новый процессорный сокет LGA 1700, так что взаимной совместимости с процессорами 11го и 10го поколений больше нет.
Изучаемый сегодня очень топовый продукт, по сути флагман от Gigabyte, по понятным причинам относится к суббренду Aorus (в семействе которого выпускаются самые передовые, ну и понятное дело, дорогие продукты от Gigabyte). Напомню, что Aorus символизирует древнеегипетского бога Horus, покровителя неба и охоты, имевшего вид человека с головой сокола, поэтому логотип Aorus стилизован именно под голову этой хищной птицы.
Итак, перед нами материнская плата Gigabyte Z690 Aorus Xtreme, суффикс которой Xtreme уже говорит о том, что это высший продукт на базе Intel Z690 (дороже может быть лишь полный аналог, но в комплекте с водоблоком для использования вместе с кастомной системой жидкостного охлаждения). Обычно платы такого уровня идут с богатым набором периферии и с роскошным комплектом поставки.
Вот и посмотрим.
Gigabyte Z690 Aorus Xtreme поставляется в традиционной для серии Xtreme большой коробке с ручкой, имеющей магнитные замки. Логотип Aorus легко узнаваем. Размещение платы в коробке также соответствует премиальному продукту.
Комплект поставки распределен по многочисленным коробочкам под матплатой и вполне соответствует флагманскому продукту. Кроме традиционных элементов типа руководства пользователя и кабелей SATA, имеются: две антенны встроенного Wi-Fi/BT-модуля, винтики для М.2 слотов, адаптеры для подключения подсветок, USB-портов и передней панели (плюс фирменный G-connector для той же передней панели), ARGB-крышка для слотов памяти, ЦАП USB ESSential HiFi, два термодатчика, бонусные стикеры, накопитель типа «флешки».
Впервые вижу вот такой своего рода чехол для модулей памяти -). В целом идея понятна: первое время на рынке DDR5 будет много модулей без подсветки, и поэтому для тех, кто привык к оной, есть вот такой вариант. Правда есть сомнения в практичности. Но об этом позже.


Несмотря на то, что ПО имеется на поставляемом с платой flash-накопителе, его все же следует обновить с вебсайта компании.
«Заглушка» на заднюю панель с разъемами уже смонтирована на самой плате.
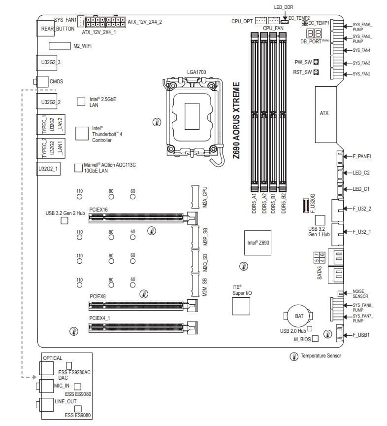
Форм-фактор
Форм-фактор ATX имеет размеры до 305×244 мм, а E-ATX — до 305×330 мм. Материнская плата Gigabyte Z690 Aorus Xtreme имеет размеры 305×285 мм, поэтому выполнена в форм-факторе E-ATX, и на ней имеются 9 монтажных отверстий для установки в корпус. Однако следует иметь в виду, что два из девяти монтажных отверстий перекрыты радиаторами для слотов M.2.
На оборотной стороне расположено практически ничего нет, кроме одного контроллера и мелкой логики. Текстолит обработан отменно: во всех точках пайки не только острые концы срезаны, но и все отшлифовано. Установлен бэкплейт в виде алюминиевой пластины с наноуглеродным покрытием. Также пластина помогает отводить тепло от задней стороны PCB через термоинтерфейс и обеспечивает жесткость материнской платы. Но я еще раз заострю внимание на том, что такую матплату вряд ли получится установить в корпусе, где в качестве опор для материнских плат используются не привычные всем латунные втулки, а выпрессованные возвышения, которые (по опыту) много шире, нежели выемки в задней пластине у материнки.
Технические характеристики
Традиционная таблица с перечнем функциональных особенностей.
| Поддерживаемые процессоры | Intel Core 12-го поколения |
|---|---|
| Процессорный разъем | LGA 1700 |
| Чипсет | Intel Z690 |
| Память | 4 × DDR5, до 6600 МГц (XMP), до 128 ГБ, два канала |
| Аудиоподсистема | 1 × ESS ES9280A + 2 ЦАП ESS ES9080A (8x8) 1 × USB HiFi ESSential DAC |
| Сетевые контроллеры | 1 × Marvell AQtion AQC113C Ethernet 10,0 Гбит/с 1 × Intel I225-V Ethernet 2,5 Гбит/с 1 × Intel Dual Band Wireless AX210NGW (Wi-Fi 802.11a/b/g/n/ac/ax (2,4/6 ГГц) + Bluetooth 5.2) |
| Thunderbolt | 1 × Intel JHL8540 Thunderbolt 4: 2 × Type-C (TB4 (40 Gb/s), USB 3.2 (20,10 Gb/s)) |
| Слоты расширения | 2 × PCIe 5.0 x16 (режимы x16, x8+x8) 1 × PCIe 4.0 x16 (режим x4) |
| Разъемы для накопителей | 4 × SATA 6 Гбит/с (Z690) 1 × M.2 (CPU, PCIe 4.0 x4 для устройств формата 2260/2280/22110) 2 × M.2 (Z690, PCIe 3.0 x4 для устройств формата 2260/2280/22110) 1 × M.2 (Z690, PCIe 4.0 x4/SATA для устройств формата 2260/2280/22110) |
| USB-порты | 4 × USB 2.0: 2 внутренних разъема на 4 порта (GL850G) 4 × USB 3.2 Gen1: 2 внутренних разъема на 4 порта (Realtek RTS5411) 1 × USB 3.2 Gen2x2: 1 внутренний разъем Type-C (Z690) 4 × USB 3.2 Gen2: 4 порта Type-A (красные) (Realtek RTS5420) 2 × USB 3.2 Gen2: 2 порта Type-C (Thunderbolt4) 6 × USB 3.2 Gen2: 6 портов Type-A (красные) (Z690) |
| Разъемы на задней панели | 2 × USB 3.2 Gen2 (Type-C) 10 × USB 3.2 Gen2 (Type-A) 2 × RJ-45 2 аудиоразъема типа миниджек + S/PDIF 2 антенных разъема кнопка OC Ignition кнопка сброса CMOS кнопка перепрошивки BIOS — Q-Flash Plus |
| Прочие внутренние элементы | 24-контактный разъем питания ATX 2 8-контактный разъем питания EPS12V 1 слот M.2 (E-key), занят адаптером беспроводных сетей 1 разъем для подключения порта USB 3.2 Gen2×2 Type-C 2 разъема для подключения 4 портов USB 3.2 Gen1 1 разъем для адаптера подключения 4 портов USB 2.0 10 разъемов для подключения 4-контактных вентиляторов и помп ЖСО 2 разъема для подключения адаптеров подсветки (каждый обслуживает 1 разъем неадресуемой RGB-ленты и 1 разъем адресуемой ARGB-ленты) 2 разъема для термодатчикa 1 разъем для подключения адаптера управления с передней панели корпуса 1 кнопка включения питания Power 1 кнопка перезагрузки Reset |
| Форм-фактор | E-ATX (305×285 мм) |
| Ожидаемая стоимость | 70 тысяч рублей |
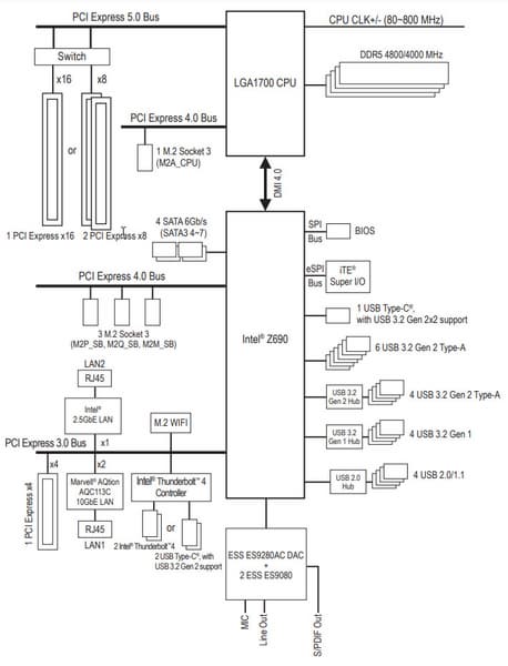
Основная функциональность: чипсет, процессор, память
Схема работы связки чипсет+процессор.
Формально имеется поддержка памяти DDR5 до 4800 МГц, однако всем хорошо известно, и производители материнских плат это активно рекламируют: через XMP-профили сейчас можно использовать частоты до 5333 и выше МГц. В частности данная плата поддерживает частоты до 6600 МГц.
Процессоры Intel Core 12-го поколения (совместимые с сокетом LGA1700 и поддерживаемые Z690) имеют 20 линий ввода-вывода (16 PCIe 5.0, 4 PCIe 4.0), не имеют USB и SATA портов. При этом взаимодействие с Z690 идет по особому каналу Digital Media Interface 4.0 (DMI 4.0 x8). Все PCIe линии процессора идут на слоты расширения PCIe и порт М.2. Serial Peripheral Interface (SPI) используется для взаимодействия с системой UEFI/BIOS, а шина Low Pin Count (LPC) — для связи с устройствами ввода/вывода, не требующими высокой пропускной способности (контроллерами вентиляторов, TPM, старой периферии).
В свою очередь чипсет Z690 поддерживает в сумме 38 линий ввода/вывода, которые распределяться могут так:
- до 14 портов USB (из которых до 4 портов USB 3.2 Gen2х2, 10 портов USB 3.2 Gen2, до 10 портов USB 3.2 Gen1, до 14 портов USB 2.0, линии USB 2.0 используются в том числе и для поддержки 3.2 портов, а каждый порт USB 3.2 Gen2х2 требует поддержки со стороны двух USB 3.2 Gen2);
- до 8 портов SATA 6Гбит/с;
- до 28 линий PCIe (16 версии 3.0 и 12 версии 4.0).
Еще раз надо напомнить, что Gigabyte Z690 Aorus Xtreme поддерживает процессоры Intel Core 12-го поколения, выполненные под разъем (сокет) LGA1700. Система крепления систем охлаждения для CPU несовместима с той, что для LGA1151/1200. Но при этом следует иметь в виду, что ряд старых СО все же сможет быть применим, лишь придется где-то приобретать или заказывать у производителя комплект крепежа под LGA 1700. Дело в в том, что новые процессоры 12ххх на 0.8 мм тоньше предшественников, и кулеры с жесткой установкой в матплате на фиксированную высоту просто не достанут до 12ххх. Подойдут лишь СО с пружинистой посадкой подошвы на процессор.
Для установки модулей памяти на плате Gigabyte имеется четыре DIMM-слота (для работы памяти в Dual Channel в случае использования всего 2 модулей их следует устанавливать в А2 и B2. Плата поддерживает небуферизованную память DDR5 (non-EСС), а максимальный объем памяти составляет 128 ГБ. Разумеется, поддерживаются профили XMP.
Слоты DIMM имеют металлическую окантовку, защищающую их как от физических повреждений, как и от помех.
Периферийная функциональность: PCIe, SATA, разные «фенечки»
Выше мы изучили потенциальные возможности тандема Z690+Core, а теперь посмотрим, что из этого и как реализовано в данной материнской плате.

Кроме USB-портов, к которым мы подойдем позже, чипсет Z690 обладает 28 PCIe линиями. Считаем, сколько линий уходит на поддержку (связь) с тем или иным элементом (надо учитывать, что 28 линий не единой версии, а 12 линий PCIe 4.0 и 16 линий PCIe 3.0):
- Слот PCIe x16_3 (4 линии PCIe 3.0;
- порты SATA_1/2/3/4: 4 линии PCIe 3.0;
- Слот M2P_SB (4 линии PCIe 4.0);
- Слот M2Q_SB (4 линии PCIe 4.0);
- Слот M2M_SB (4 линии PCIe 4.0);
- Marvel AQC113 (Ethernet 10Gb/s) (1 линия PCIe 3.0);
- Intel Thunderbolt 4 (4 линии PCIe 3.0);
- Intel i225-V (Ethernet 2,5Gb/s) (1 линия PCIe 3.0);
- Intel AX210NGW WIFI/BT (Wireless) (1 линия PCIe 3.0)
27 линий PCIe оказались занятыми (12 PCIe 4.0 + 15 PCIe 3.0). В чипсете Z690 связь с аудиокодеками идет через USB-порт. Также один USB 2.0 расходуется на поддержку BT (при наличии слота M.2 (key E) и контроллеры GL850G, RTS5411 и RTS5420 для своих нужд использует сигнальные линии USB 2.0 Детально об этом ниже в разделе USB-портов.
Теперь посмотрим выше на то, как работают процессоры в данной конфигурации. У CPU 12-го поколения всего 20 линий PCIe, 4 из них версии PCIe 4.0 отведены на порт М.2 (M2_1). Оставшиеся 16 линий PCIe 5.0 надо делить на два слота PCIe x16 (_1 и _2). Вариантов переключения несколько:
- Слот PCIe x16_1 имеет 16 линий (слот PCIe x16_2 отключен, всего одна видеокарта);
- Слот PCIe x16_1 имеет 8 линий, слот PCIe x16_2 имеет 8 линий
Надо особо отметить, что в случае установки видеокарты в PCIe x16_2 при пустом PCIe x16_1, оба они все равно получают по 8 линий.
Теперь в целом про слоты PCIe.
Всего на плате есть 3 слота: два PCIe x16 (для видеокарт или других устройств) и один PCIe x16 (но фактически имеющий 4 линии). Если про первые два PCIe x16 я выше уже рассказал (они подключены к CPU), то PCIe x16_3 подключен к Z690 и работающий в режиме х4.
Как видим, перераспределение линий PCIe между слотами у этой материнки имеется, поэтому востребованы мультиплексоры Lerain.
Все три слота PCIe x16 имеют металлическое армирование из нержавеющей стали, которое увеличивает их надежность (что может быть важным в случае довольно частой смены видеокарт, но что более важно: такой слот легче выдержит нагрузку на изгиб в случае установки очень тяжелой видеокарты топового уровня. Кроме того, такая защита предохраняет слоты от электромагнитных помех.
Матплата позволяет смонтировать СО любого размера.
Для поддержания стабильных частот на шине PCIe (и для нужд оверклокеров) имеется внешний тактовый генератор.
А также имеются усилители (ре-драйверы) сигнала PCIe 4.0 от Diodes Inc.
На очереди — накопители.
Всего у платы 4 разъема Serial ATA 6 Гбит/с + 4 слота для накопителей в форм-факторе M.2. Порты SATA странно промаркированы, начиная с 4 (4, 5, 6, 7), реализованы через чипсет Z690 и поддерживают создание RAID.
Материнская плата имеет 4 гнезда форм-фактора М.2.
Второй, третий и четвертый слоты M.2 (M2P_SB, M2Q_SB, M2M_SB) получают данные от чипсета Z690 (PCIe 4.0), а первый M2A_CPU — от CPU (PCIe 4.0). При этом только М2M_SB поддерживает модули с любым интерфейсом, а все остальные работают с модулями только с PCIe интерфейсом.
Все слоты М.2 поддерживают размеры модулей 2260/2280/22110. На всех M.2 можно организовать RAID, а также использовать для Intel Optane Memory.
Все M.2 слоты имеют радиаторы. Верхний M2A_CPU обладает отдельным радиатором (о нем особо расскажу в разделе питания и охлаждения), когда как остальные слоты M.2 имеют общий радиатор (причем с чипсетом).
Периферийная функциональность: USB-порты, сетевые интерфейсы, ввод-вывод
Теперь на очереди USB-порты и прочие вводы-выводы. И начнем с задней панели, куда выведены большинство из них.
Повторим: чипсет Z690 способен реализовать не более 14 портов USB, из которых может быть до 10 портов USB 3.2 Gen1, до 10 портов USB 3.2 Gen2, до 4 портов USB 3.2 Gen2x2, и/или до 14 портов USB 2.0.
Также мы помним и про 28 линий PCIe, которые идут на поддержку накопителей, сетевых и иных контроллеров (я выше уже показал на что и как расходуются 27 линий из 28).
И что мы имеем? Всего на материнской плате — 21 порт USB:
- 1 порт USB 3.2 Gen2x2: реализован с помощью двух линий USB 3.2 Gen2 от Z690 и представлен внутренним портом Type-C (для подключения к соответствующему разъему на передней панели корпуса);
- 12 портов USB 3.2 Gen2: 6 реализованы через Z690 и представлены на задней панели портами Type-A (красного цвета); 4 реализованы через Realtek RTS5420 (на него потрачена 1 линия USB 2.0) и также представлены на задней панели портами Type-A (красного цвета); остальные 2 реализованы через Thunderbolt 4 и также представлены на задней панели портами Type-C;
- 4 порта USB 3.2 Gen1: все реализованы через контроллер Realtek RTS5411 (на него потрачена 1 линия USB 2.0) и представлены двумя внутренними разъемами на материнской плате (каждый на 2 порта);
- 4 портов USB 2.0/1.1: 2 реализованы через контроллер Genesys Logic GL850G (на него потрачена 1 линия USB 2.0), еще 2 реализованы через второй контроллер Genesys Logic GL850G (на него потрачена 1 линия USB 2.0), при этом выводы объединены на правой стороне в общий разъем, к которому подключается прилагаемый к плате адаптер для образования привычных 2х внутренних разъемов (каждый на 2 порта).
Таким образом, у нас 6 контроллеров используют USB линии:
- Genesys Logic GL850G (2 USB 2.0) (1 линия USB 2.0);
- Genesys Logic GL850G (2 USB 2.0) (1 линия USB 2.0);
- Realtek RTS5411 (USB 3.2 Gen1 — два внутренних разъема на 4 порта) (1 линия USB 2.0);
- Realtek RTS5420 (USB 3.2 Gen2 — 4 порта Type-A на задней панели) (1 линия USB 2.0);
- Audio (1 линия USB 2.0);
- Bluetooth (AX210) (1 линия USB 2.0).
Итак, через чипсет Z690 реализовано высокоскоростных портов USB:
- 1 выделенный USB 3.2 Gen2x2 (не в счет, ибо получен засчет других HSIO);
- + 6 выделенных USB 3.2 Gen2
- + 2 USB 3.2 Gen2 на поддержку USB 3.2 Gen2x2
= 8 высокоскоростных портов. Не забываем, что каждый высокоскоростной порт USB обеспечен портом USB 2.0, то есть уже 8 портов USB 2.0 также занято. Плюс 6 портов USB 2.0 на обеспечение контроллеров. Всего 14 USB портов реализовано.
Ну и 27 линий PCIe, выделенных на поддержку иной периферии.
Итого у Z690 в данном случае реализовано 35 высокоскоростных портов из 38.
Все быстрые USB порты Type-C оснащены ре-драйверами от Diodes Inc, дающими устойчивый вольтаж, способный обеспечить быструю зарядку мобильных гаджетов через них.
Флагман не был бы флагманом, если б не имел Intel Thunderbolt 4. Плата комплектуется соответствующим контроллером на основе Intel JHL8540, который распаян на материнской плате.
И имеет 2 гнезда Type-C для вывода как через протокол TB, так и для использования в качестве USB 3.2 Gen2/1, для чего имеется специальный контроллер от Texas Instruments для преобразования сигнала.
Теперь о сетевых делах.
Материнская плата оснащена средствами связи просто отменно!. Имеется два скоростных Ethernet-контроллера. Во-первых, уже хорошо всем знакомый Intel I225-V, способный работать по стандарту 2,5 Гбит/с.
Во-вторых, многие помнят очень скоростные контроллеры от Aquantia из серии AQtion. Компания Marvell поглотила Aquantia, поэтому уже более 1.5 лет такие контроллеры выходят именно от Marvell. Вот и сейчас мы видим 10-гигабитный контроллер AQC113.
Имеется и комплексный беспроводной адаптер на контроллере Intel AX-210NGW, через который реализованы Wi-Fi 6E (802.11a/b/g/n/ac/ax) и Bluetooth 5.2. Он установлен в слот M.2 (E-key), и его разъемы для привинчивания выносных антенн выведены на заднюю панель.
Заглушка, традиционно надеваемая на заднюю панель, в данном случае уже надета, и изнутри экранирована для снижения электромагнитных помех.
Аудиоподсистема
Мы знаем, что уже ранее самым популярным в большинстве современных материнских платах звуковым кодеком был Realtek ALC1220, обеспечивающий вывод звука по схемам до 7.1 с разрешением до 24 бит / 192 кГц . Ныне он активно заменяется на ALC4082 того же производителя с улучшенными характеристиками 32 бит / 384 кГц. Однако в данном случае разработчики из Gigabyte поступили вообще оригинально: спроектировали и выпустили свою собственную отдельную мини-аудио-плату!
Это USB HEX ESSentical GS-BGs карта, подключаемая к основной матплате только по питанию.
Имеет два ЦАП ESS ES9080A для раздельной обработки левого и правого каналов. Тем самым обеспечиваются: отношение сигнал / шум до + 130 дБ SNR и динамический диапазон +122 дБ, максимальная выходная мощность - 32 бит, PCM 384 кГц.
А верховодит всем встроенный 8-канальный аудиокодек ESS HiFi ESS 9280A Pro с динамическим диапазоном до 120 дБ и THD + N -108 дБ, а максимальная выходная мощность составляет до 32 бит, 768 кГц, PCM и DSD512.
У карты два универсальных разъема с позолоченным покрытием по приему и выводу сигналов плюс оптический S/PDIF.
Стоит особо упомянуть про бонус в комплекте поставки: внешний Hi-Fi ЦАП для использования в любом устройстве, имеющем возможность вывода звука через USB Type-C.
Представляет собой небольшое устройство-адаптер, подключаемый через Type-C к устройству вывода звука, на другом конце — 3.5 миниджек для подключения наушников.




Питание, охлаждение
Для питания платы на ней предусмотрены 3 разъема: в дополнение к 24-контактному ATX (он на правой стороне платы (на фото — слева), горизонтально ориентирован) здесь есть еще два 8-контактных EPS12V. Коннекторы имеют металлическую окантовку и надежно защищены от повреждений в случае слишком тугих разъемов от блоков питания, а также оснащены цельнометаллическими контактами, гарантирующих стабильную передачу питания.
Схема питания процессора выполнена по схеме 20+1+2 фаза.
20 фаз на ядро процессора, 1 фаза VCCGT (iGPU) — на интегрированную графику в процессор (даже если нет вывода графики у платы, обеспечивать графическое ядро вольтажом все равно надо) и 2 фазы на VCCIO (VCCAUX) — блок управления контроллером памяти и ввода/вывода.
Каждый канал фазы для VCore и iGPU имеет суперферритовый дроссель и RAA22010540 MOSFET от Renesas на 105 А.
То есть в сумме такая мощнейшая система способна на работу просто с колоссально огромными токами. Управляет схемой VCore+iGPU тандем из двух ШИМ-контроллеров Renesas.


RAA229131 рассчитан на 20 фаз, и именно он управляет вольтажом VCore. Контроллер RAA229130 управляет остальными фазами iGPU и VCCSA (кольцевой шины).
Питание VCCAUX идет по двухфазной схеме c мосфетами (до 70А) и цифровым контроллером от Monolithic Power Systems.
Что касается модулей оперативной памяти, то здесь реализована однофазная схема с силовым преобразователем от On Semi.
Специалисты Gigabyte нам вещают, что данная плата поддерживает работу модулей памяти на частотах до 6600 МГц и выше через профили XMP. Для полноценной поддержки таких (и даже более высоких частот) инженеры спроектировали особую разводку на печатной плате.
Вообще, традиционно уже Gigabyte в материнских платах флагманского уровня использует свою Ultra Durable технологию, предусматривающую удвоенный слой меди в цепях питания и заземления, помогающую не только улучшению прохождения сигналов (удалению помех), но и более эффективное теплорассеивание. Также предусмотрено использование танталовых конденсаторов с оборотной стороны на месте процессорного разъема.
Они отвечают за стабилизацию vCore при внезапных тяжелых операциях процессора (например, чтобы повысить стабильность разгона).
Теперь про охлаждение.
Все потенциально сильно греющиеся элементы имеют свои собственные радиаторы.
Как и во многих случаях, охлаждение чипсета организовано отдельно от силовых преобразователей. VRM-секция имеет свои два радиатора, соединенные тепловой трубкой под прямым углом.
Радиатор VRM, идущий вдоль заднего блока портов, имеет кожух, прикрывающий тот самый блок, оснащенный подсветкой.
Как я уже упоминал ранее, M.2 слоты также имеют радиаторы: у верхнего — свой персональный радиатор, причем, как я говорил в разделе про М.2 слоты, особенный и сразу видно, — сложный. Да, все понимают, что слот М2А_CPU (первый по счету М.2 слот) является приоритетным в использовании, и в большинстве случаев именно в него установят самый быстрый накопитель NVMe серии с поддержкой PCIe 4.0. А такие SSD, как известно, могут очень греться, особенно если еще рядом видеокарта, которая, как правило, горячий воздух гонит в том числе и вниз, на материнскую плату. Так что инженеры Gigabyte не просто так вопрос охлаждения первого слота М.2 поставили во главу угла всей СО. Перед нами весьма сложный кулер, по сути, который радиатором уже не назвать, ибо это устройство имеет два радиатора, соединенных тепловыми трубками. Так что, реально охлаждение очень мощное для любых самых быстрых SSD.
Матплата имеет бэкплейт, заднюю пластину, которая помогает печатной плате не только удерживать жесткость, но и охлаждаться в области силовых преобразователей VRM.
Подсветка
Программное обеспечение под Windows
Настройки BIOS
Работоспособность (и разгон)
Полная конфигурация тестовой системы:
- материнская плата Gigabyte Z690 Aorus Xtreme;
- процессор Intel Core i9-12900K 3,4—5,2 ГГц;
- оперативная память Kingstone Fury (KF552C40BBK2-32) 32 ГБ (2×16) DDR5 4800 МГц (XMP 5200 МГц) ;
- накопитель SSD Gigabyte Aorus Gen4 SSD 500 ГБ (GP-AG4500G);
- видеокарта встроенная в i9-12900K;
- блок питания Super Flower Leadex Platinum 2000W (2000 Вт);
- неослуживаемая ЖСО;
- телевизор LG 55Nano956 (55″ 8K HDR);
- USB – клавиатура и мышь .
Программное обеспечение:
- операционная система Windows 11 Pro, 64-битная
- AIDA 64 Extreme
- 3DMark Time Spy CPU benchmark
- 3DMark Fire Strike Physics benchmark
- 3DMark Night Raid CPU benchmark
- HWInfo64
- OCCT v.9.1.4
- Adobe Premiere CS 2019 (рендеринг видеоролика)
Запускаем все в режиме по умолчанию. Затем нагружаем стресс-тестами.
Полагаю, что если без ручного вмешательства автоматически выставляется 4.9 ГГц по всем P-ядрам, и 3.7 ГГц по всем Е-ядрам — это просто замечательно! Стоит напомнить, что Р-ядра — это обычные всем привычные ядра, имеющие по 2 потока каждый, «Р» — означает Performance, то есть производительные. «Е» — это энергоэффективные ядра, так называемые, малые ядра, у них по 1 потоку. Второй раз уже мы видим, что система по умолчанию, определив очень мощное питание матплаты, выставила очень приличный авторазгон.
Сразу же попробуем дотянуться до максимумов и вручную выставить 5.2 ГГц по всем Р-ядрам и 3.9 ГГц по всем Е-ядрам.
О как! Умные электроны там где-то внутри UEFI сообразили, что 5200 МГц — чрезмерно много, перегревается все, нужна более мощная СО, и сами понизили частоту Р-ядер до 5100 МГц. Хоть нагрев процессора уже подходил к критическому, троттлинга не было, все остальные параметры работы в норме.
Далее была попытка использовать пресет максимальной производительности из BIOS, о которой выше я говорил.
Видим по сути аналогичное тому, что видели по умолчанию в начале исследований. То есть система изначально уже по умолчанию прекрасно оптимизировала работу как процессора, так и ОЗУ на максимальную производительность при условии стабильности данного режима.
Используемая мной СЖО не позволяет автоматически достичь максимальных частот вращения вентиляторов, поэтому при ручном выставлении на максимум 2200 оборотов в минуту при 5.1 / 3.9 ГГц стабильность в работе сильно выросла, нагрев CPU стал не выше 91 градуса, и это при стресс-тестах! Понятно, что в обычной работе такой нагрузки на процессор и память не будет. То есть еще раз констатируем, что в принципе 5.2 ГГц по всем Р-ядрам вполне достижимы, надо лишь поиграться с вольтажом у процессора, ну и усилить СЖО.
Выводы
Материнская плата Gigabyte Z690 Aorus Xtreme — топовый представитель серии Aorus с примерной стоимостью в районе 70 – 80 тысяч рублей. Это крайне навороченная плата с поддержкой 12-го поколения процессоров Intel Core, созданная для энтузиастов-оверклокеров, рьяных поклонников игр, ну и для представителей творческих профессий, нуждающихся в самом топовом «железе». Она имеет 21 USB-порт, включая 12 очень быстрых USB 3.2 Gen2, из которых два поддерживают Thunderbolt 4, а также один самый быстрый USB 3.2 Gen2×2 в виде внутреннего Type-C. Плата предлагает 3 слота PCIe х16, два из которых получают от процессора 16 линий PCIe, причем версии 5.0, а третий работает в режиме х4. Также у нее 4 слота M.2: один из них подключен напрямую к процессору линиями PCIe 4.0, три других подключены к чипсету Z690 линиями PCIe 4.0.
Также мы видим у платы 4 порта SATA и 10 разъемов для вентиляторов. Система питания процессора крайне мощная, она способна обеспечить работу любых совместимых процессоров с запасом на разгон. Плата имеет очень грамотную систему охлаждения каждого потенциально греющегося элемента, включая накопители в слотах M.2 (термопрокладки для охлаждения накопителей есть с обеих сторон, а у первого слота М.2 охлаждение просто великолепное!). Сетевые возможности прекрасные: два быстрых проводных контроллера 10 и 2,5 Гбит/с, а также один самый современный беспроводной. Поддержка Thunderbolt 4 позволяет передавать данные на скорости 40 Гбит/с. В числе плюсов платы можно упомянуть неплохую подсветку, включая широкие возможности для подключения дополнительных RGB-устройств. Отметим и уникальную аудиоподсистему, включающую Hi-Fi-решение на базе кодеков и ЦАП ЕSS, плюс отдельное USB-устройство также с ЦАП ESS, позволяющее получать очень качественный звук на любом устройстве, где есть USB Type-C.
Разумеется, Gigabyte Z690 Aorus Xtreme предлагает широкие возможности для любителей разгона в виде множества настроек в BIOS Setup и фирменных утилитах — лишь бы кулер справлялся.
Обязательно стоит упомянуть и бонус поставки: вышеупомянутый ЦАП USB ESSential, кожух для организации подсветки блока ОЗУ, USB-флешку и т. д.
Да, конечно же, этот продукт очень дорогой, особенно в свете общего подорожания всех комплектующих для ПК. Однако такую материнскую плату в любом случае не станут покупать в обычный компьютер, чтобы побродить по интернету, немного поиграть и т. п. Скорее, эта модель удостоится внимания профессиональных оверклокеров, ну и как уже говорил выше, самых рьяных геймеров. Также она станет очень приятным подарком для компьютерного энтузиаста, который любит все самое новое, навороченное и крутое.
В номинации «Оригинальный дизайн» плата Gigabyte Z690 Aorus Xtreme получила награду:

В номинации «Отличная поставка» плата Gigabyte Z690 Aorus Xtreme получила награду:

Благодарим компанию Gigabyte Russia
и лично Марию Ушакову
за предоставленную на тестирование плату
а также Евгения Лесикова
за предоставленный Gigabyte Aorus Gen4 SSD 500G для тестового стенда
Особо благодарим компанию Super Flower
за предоставление блока питания Super Flower Leadex Platinum 2000W
















































































































