Оглавление
- Форм-фактор
- Технические характеристики
- Основная функциональность: чипсет, процессор, память
- Периферийная функциональность: PCIe, SATA, разные «фенечки»
- Периферийная функциональность: USB-порты, сетевые интерфейсы, ввод-вывод
- Аудиоподсистема
- Питание, охлаждение
- Подсветка
- Программное обеспечение под Windows
- Настройки BIOS
- Работоспособность (и разгон)
- Выводы
Привет всем, желающим узнать что-то интересное из жизни материнских плат. Кстати, именно плат, а не процессоров, ибо по ним, а в частности, 12му поколению от Intel есть особый материал.
А мы снова глянем на краткую таблицу отличий в чипсетах трех последних поколений.
| Особенности | Z690 | Z590 | Z490 |
|---|---|---|---|
| Совместимость с процессорами Intel | 12th Gen Core | 10th & 11th Gen Core | 10th & 11th Gen Core |
| Версия PCIe (процессор) | 4.0 & 5.0 | 3.0 (10th Gen) or 4.0 (11th Gen) | 3.0 (10th Gen) or 4.0 (11th Gen) |
| Количество линий PCIe (процессор) | 20 | 16 (10th Gen) or 20 (11th Gen) | 16 |
| Версия PCIe (чипсет) | 3.0 & 4.0 | 3.0 | 3.0 |
| Количество линий PCIe (чипсет) | 28 (12 x 4.0 & 16 x 3.0) | 24 | 24 |
| Версия DMI | 4.0 | 3.0 | 3.0 |
| Количество линий DMI | x8 | x8 | x4 |
| Поколение ОЗУ | DDR4 & DDR5 | DDR4 | DDR4 |
| Количество каналов ОЗУ | 2 | 2 | 2 |
| Максимальное количество слотов ОЗУ | 4 | 4 | 4 |
| Максимальный объем ОЗУ | 128 ГБ | 128 ГБ | 128 ГБ |
| Количество портов SATA 6.0 Gb/s до | 8 | 6 | 6 |
| Порты USB 3.2 Gen 2x2 (20Gbps) до | 4 | 3 | 0 |
| Порты USB 3.2 Gen 2x1 (10Gbps) до | 10 | 10 | 6 |
| Порты USB 3.2 Gen 1x1 (5Gbps) до | 10 | 10 | 10 |
| Порты USB 2.0 до | 14 | 14 | 14 |
| Встроенная поддержка Wi-Fi | Wi-Fi 6E | Wi-Fi 6 | Wi-Fi 6 |
Z690 поддерживает PCIe 4.0 (12 из 28 линий PCI-e, остальные — 3.0). Высокоскоростных портов (High Speed In Out, HSIO) — 38. Также Z690 поддерживает до 4х интегрированных USB 3.2 Gen2x2 (до 20 Gb/s) портов (правда каждый из них требует поддержки со стороны двух USB 3.2 Gen2, неважно, от самого Z690 или сторонних хабов).
12е поколение процессоров добавляет к этому набору еще 20 линий PCIe, при этом 16 линий (расходуемые на слоты PCIe x16) версии PCIe 5.0, оставшиеся 4 линии PCIe 4.0 идут на М.2 слот. Те же процессоры теперь умеют поддерживать DDR5, не отказываясь от DDR4, так что производители матплат вольны выпускать продукты как с DDR5, так и с DDR4 слотами. Ну и помним про новый процессорный сокет LGA 1700, так что взаимной совместимости с процессорами 11го и 10го поколений больше нет.
Изучаемый сегодня продукт от Gigabyte не относится к игровым сериям, ну и поэтому не входит в суббренд Aorus (в семействе которого выпускаются самые передовые, ну и понятное дело, дорогие продукты от Gigabyte). Однако материнка вовсе не бюджетная, относится к серии для создателей контента, неких научных задач и просто иных дел, не связанных с играми. Эту серию в Gigabyte часто переименовывают. То была Designare, то потом стала Vision, теперь это - Aero. Платы в этой серии отличаются с одной стороны минимальными возможностями по оверклокингу (там оно не требуется), с другой стороны, разнообразием периферии (включая даже древние COM-порты), минимальной подсветкой, ну и особым дизайном продуктов. Основная «изюминка» этой серии — наличие на матплатах разнообразной и многочисленной периферии.
Итак, перед нами материнская плата Gigabyte Z690 Aero G.
Комплект поставки минималистичен и расположен под платой. Кроме традиционных элементов типа руководства пользователя и кабелей SATA, имеются: антенна встроенного Wi-Fi/BT-модуля, винтики для М.2 слотов, ... ну и все.
ПО с платой не поставляется, но по-любому его следует обновлять с вебсайта компании.
«Заглушка» на заднюю панель с разъемами уже смонтирована на самой плате.
Форм-фактор
Форм-фактор ATX имеет размеры до 305×244 мм, а E-ATX — до 305×330 мм. Материнская плата Gigabyte Z690 Aero G имеет размеры 305×244 мм, поэтому выполнена в форм-факторе ATX, и на ней имеются 9 монтажных отверстий для установки в корпус. Однако следует иметь в виду, что одно из девяти монтажных отверстий перекрыто радиатором для слота M.2.
На оборотной стороне практически ничего нет, кроме мелкой логики. Текстолит обработан неплохо: во всех точках пайки острые концы срезаны. Бэкплейта нет.
Технические характеристики
Традиционная таблица с перечнем функциональных особенностей.
| Поддерживаемые процессоры | Intel Core 12-го поколения |
|---|---|
| Процессорный разъем | LGA 1700 |
| Чипсет | Intel Z690 |
| Память | 4 × DDR5 до 6000 МГц (XMP), до 128 ГБ, два канала |
| Аудиоподсистема | 1 × 2x1 (аналоговый), 7x1(S/PDIF) Realtek ALC4080 |
| Сетевые контроллеры | 1 × Intel I225-V Ethernet 2,5 Гбит/с 1 × Intel Dual Band Wireless AX201NGW (Wi-Fi 802.11a/b/g/n/ac/ax (2,4/5 ГГц) + Bluetooth 5.2) |
| Слоты расширения | 1 × PCIe 5.0 x16 (режим x16) 2 × PCIe 3.0 x16 (режим x4) |
| Разъемы для накопителей | 6 × SATA 6 Гбит/с (Z690) 1 × M.2 (CPU, PCIe 4.0 x4 для устройств формата 2260/2280/22110) 2 × M.2 (Z690, PCIe 4.0 x4 для устройств формата 2260/2280/22110) 1 × M.2 (Z690, PCIe 4.0 x4/SATA для устройств формата 2260/2280/22110) |
| USB-порты | 4 × USB 2.0: 2 внутренних разъема на 4 порта (IT8851) 2 × USB 2.0: 2 порта Type-A (черные) (Z690) 2 × USB 3.2 Gen1: 1 внутренний разъем на 2 порта (Z690) 4 × USB 3.2 Gen1: 4 порта Type-A (синие) (Realtek RTS5411) 1 × USB 3.2 Gen1: 1 порт Type-C (Z690) 1 × USB 3.2 Gen2x2: 1 внутренний разъем Type-C (Z690) 1 × USB 3.2 Gen2x2: 1 порт Type-C (Z690) 2 × USB 3.2 Gen2: 2 портa Type-A (красные) (Z690) |
| Разъемы на задней панели | 2 × USB 3.2 Gen2 (Type-C) 2 × USB 3.2 Gen2 (Type-A) 2 × USB 2.0 (Type-A) 1 × RJ-45 2 аудиоразъема типа миниджек + S/PDIF 2 антенных разъема 1 HDMI out 1 Display Port in |
| Прочие внутренние элементы | 24-контактный разъем питания ATX 1 8-контактный разъем питания EPS12V 1 4-контактный разъем питания EPS12V 1 слот M.2 (E-key), занят адаптером беспроводных сетей 1 разъем для подключения порта USB 3.2 Gen2×2 Type-C 1 разъем для подключения 4 портов USB 3.2 Gen1 2 разъемa для подключения 4 портов USB 2.0 8 разъемов для подключения 4-контактных вентиляторов и помп ЖСО 4 разъема для подключения подсветки (2 неадресуемой RGB-ленты и 2 адресуемой ARGB-ленты) 2 разъема для термодатчикa 1 разъем для подключения адаптера управления с передней панели корпуса 1 кнопка прошивки BIOS Q Flash Plus 1 кнопка перезагрузки Reset |
| Форм-фактор | ATX (305×244 мм) |
| Средняя цена | 20-25 тысяч рублей на момент подготовки обзора |
Основная функциональность: чипсет, процессор, память
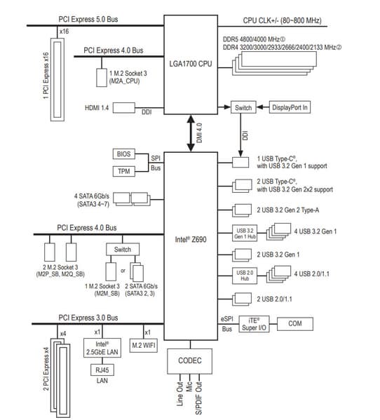
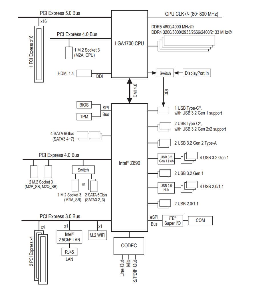
Схема работы связки чипсет+процессор.
Формально имеется поддержка памяти DDR5 до 4800 МГц, однако всем хорошо известно, и производители материнских плат это активно рекламируют: через XMP-профили сейчас можно использовать частоты до 5333 и выше МГц. В частности данная плата поддерживает частоты до 6000 МГц.
Процессоры Intel Core 12-го поколения (совместимые с сокетом LGA1700 и поддерживаемые Z690) имеют 20 линий ввода-вывода (16 PCIe 5.0, 4 PCIe 4.0), не имеют USB и SATA портов. При этом взаимодействие с Z690 идет по особому каналу Digital Media Interface 4.0 (DMI 4.0 x8). Все PCIe линии процессора идут на слоты расширения PCIe и порт М.2. Serial Peripheral Interface (SPI) используется для взаимодействия с системой UEFI/BIOS, а шина Low Pin Count (LPC) — для связи с устройствами ввода/вывода, не требующими высокой пропускной способности (контроллерами вентиляторов, TPM, старой периферии).
В свою очередь чипсет Z690 поддерживает в сумме 38 линий ввода/вывода, которые распределяться могут так:
- до 14 портов USB (из которых до 4 портов USB 3.2 Gen2х2, 10 портов USB 3.2 Gen2, до 10 портов USB 3.2 Gen1, до 14 портов USB 2.0, линии USB 2.0 используются в том числе и для поддержки 3.2 портов, а каждый порт USB 3.2 Gen2х2 требует поддержки со стороны двух USB 3.2 Gen2);
- до 8 портов SATA 6Гбит/с;
- до 28 линий PCIe (16 версии 3.0 и 12 версии 4.0).
Еще раз надо напомнить, что Gigabyte Z690 Aero G поддерживает процессоры Intel Core 12-го поколения, выполненные под разъем (сокет) LGA1700. Система крепления систем охлаждения для CPU несовместима с той, что для LGA1151/1200. Но при этом следует иметь в виду, что ряд старых СО все же сможет быть применим, лишь придется где-то приобретать или заказывать у производителя комплект крепежа под LGA 1700. Дело в в том, что новые процессоры 12ххх на 0.8 мм тоньше предшественников, и кулеры с жесткой установкой в матплате на фиксированную высоту просто не достанут до 12ххх. Подойдут лишь СО с пружинистой посадкой подошвы на процессор.
Для установки модулей памяти на плате Gigabyte имеется четыре DIMM-слота (для работы памяти в Dual Channel в случае использования всего 2 модулей их следует устанавливать в А2 и B2 (отмечены синим цветом). Плата поддерживает небуферизованную память DDR5 (non-EСС), а максимальный объем памяти составляет 128 ГБ. Разумеется, поддерживаются профили XMP.
Слоты DIMM не имеют металлической окантовки, защищающую их как от физических повреждений, как и от помех.
Периферийная функциональность: PCIe, SATA, разные «фенечки»
Выше мы изучили потенциальные возможности тандема Z690+Core, а теперь посмотрим, что из этого и как реализовано в данной материнской плате.
Кроме USB-портов, к которым мы подойдем позже, чипсет Z690 обладает 28 PCIe линиями. Считаем, сколько линий уходит на поддержку (связь) с тем или иным элементом (надо учитывать, что 28 линий не единой версии, а 12 линий PCIe 4.0 и 16 линий PCIe 3.0):
- Слот PCIe x16_2 (4 линии PCIe 3.0;
- Слот PCIe x16_3 (4 линии PCIe 3.0;
- порты SATA_4/5/6/7: 4 линии PCIe 3.0;
- Слот M2P_SB (4 линии PCIe 4.0);
- Слот M2Q_SB (4 линии PCIe 4.0);
- Переключатель: или слот M2M_SB (4 линии PCIe 4.0); или порты SATA_2,3 (2 линии) (максимум 4 линии PCIe 4.0);
- Realtek RTS 5411 (USB 3.2 Gen1, 4 Type-A) (1 линия PCIe 3.0);
- Intel i225-V (Ethernet 2,5Gb/s) (1 линия PCIe 3.0);
- Intel AX201NGW WIFI/BT (Wireless) (1 линия PCIe 3.0)
27 линий PCIe оказались занятыми (12 PCIe 4.0 + 15 PCIe 3.0). В чипсете Z690 связь с аудиокодеками идет через USB-порт. Также один USB 2.0 расходуется на поддержку BT (при наличии слота M.2 (key E) и контроллеры IT8851 и RTS5450 для своих нужд использует сигнальные линии USB 2.0 Детально об этом ниже в разделе USB-портов.
Теперь посмотрим выше на то, как работают процессоры в данной конфигурации. У CPU 12-го поколения всего 20 линий PCIe, 4 из них версии PCIe 4.0 отведены на порт М.2 (M2_1). Оставшиеся 16 линий PCIe 5.0 идут на слот PCIe x16_1. Он один, поэтому никаких делений ресурсов тут нет.
Всего на плате есть 3 слота: один PCIe x16_1 (для видеокарт) и два PCIe x16_2/3 (но фактически имеющие по 4 линии). Если первый PCIe x16_1 подключен к CPU, то PCIe x16_2/3 подключены к Z690 и работают в режиме х4.
Как видим, перераспределения линий PCIe между слотами у этой материнки нет, поэтому мультиплексоры не востребованы.
Первый слот PCIe x16_1 имеет металлическое армирование из нержавеющей стали, которое увеличивает надежность (что может быть важным в случае довольно частой смены видеокарт, но что более важно: такой слот легче выдержит нагрузку на изгиб в случае установки очень тяжелой видеокарты топового уровня. Кроме того, такая защита предохраняет слоты от электромагнитных помех.
Матплата позволяет смонтировать СО любого размера.
Для поддержания стабильных частот на шине PCIe (и для нужд оверклокеров) имеются усилители (ре-драйверы) сигнала PCIe 4.0 от Diodes Inc.
На очереди — накопители.
Всего у платы 6 разъемов Serial ATA 6 Гбит/с + 4 слота для накопителей в форм-факторе M.2. Порты SATA странно промаркированы, начиная с 2, реализованы через чипсет Z690 и поддерживают создание RAID.
Материнская плата имеет 4 гнезда форм-фактора М.2.
Второй, третий и четвертый слоты M.2 (M2P_SB, M2Q_SB, M2M_SB) получают данные от чипсета Z690 (PCIe 4.0), а первый M2A_CPU — от CPU (PCIe 4.0). При этом только М2M_SB поддерживает модули с любым интерфейсом, а все остальные работают с модулями только с PCIe интерфейсом. Следует иметь в виду, что М2М_SB делит ресурсы с портами SATA_2/3.
Все слоты М.2 поддерживают размеры модулей 2260/2280/22110. На всех M.2 можно организовать RAID, а также использовать для Intel Optane Memory.
Все M.2 слоты имеют радиаторы. Верхний M2A_CPU обладает отдельным радиатором (о нем особо расскажу в разделе питания и охлаждения), когда как остальные слоты M.2 имеют общий радиатор (причем с чипсетом).
Периферийная функциональность: USB-порты, сетевые интерфейсы, ввод-вывод
Теперь на очереди USB-порты и прочие вводы-выводы. И начнем с задней панели, куда выведены большинство из них.
Повторим: чипсет Z690 способен реализовать не более 14 портов USB, из которых может быть до 10 портов USB 3.2 Gen1, до 10 портов USB 3.2 Gen2, до 4 портов USB 3.2 Gen2x2, и/или до 14 портов USB 2.0.
Также мы помним и про 28 линий PCIe, которые идут на поддержку накопителей, сетевых и иных контроллеров (я выше уже показал на что и как расходуются 27 линий из 28).
И что мы имеем? Всего на материнской плате — 17 портов USB:
- 2 порта USB 3.2 Gen2x2: один реализован с помощью двух линий USB 3.2 Gen2 от Z690 и представлен внутренним портом Type-C (для подключения к соответствующему разъему на передней панели корпуса); второй реализован с помощью контроллеров Realtek RTS5450 и ITE IT8851 (на каждый потрачена 1 линия USB 2.0) и представлен портом Type-C на задней панели;
- 2 порта USB 3.2 Gen2: оба реализованы через Z690 и представлены на задней панели портами Type-A (красного цвета);
- 7 портов USB 3.2 Gen1: 4 реализованы через контроллер Realtek RTS5411 (на него потрачена 1 линия PCIe) и представлены 4 портами Type-A на задней панели (синие); остальные реализованы через Z690 и два представлены внутренним разъемом на материнской плате на 2 порта; и один — портом Type-C на задней панели (он также реализует фирменную технологию Vision Link);
- 6 портов USB 2.0/1.1: 2 реализованы через Z690 и представлены портами Type-A на задней панели (черные); остальные 4 реализованы через контроллер ITE IT8851 (на него потрачена 1 линия USB 2.0) и двумя внутренними разъемами (каждый на 2 порта).
Таким образом, у нас 5 контроллеров используют USB линии:
- ITE IT8851 (4 USB 2.0) (1 линия USB 2.0);
- ITE IT8851 (USB 3.2 Gen2 для Gen2x2) (1 линия USB 2.0);
- Realtek RTS5450 (USB 3.2 Gen2 для Gen2x2) (1 линия USB 2.0);
- Audio (1 линия USB 2.0);
- Bluetooth (AX201) (1 линия USB 2.0).
Итак, через чипсет Z690 реализовано высокоскоростных портов USB:
- 2 выделенных USB 3.2 Gen2x2 (не в счет, ибо получены засчет других HSIO);
- + 2 выделенных USB 3.2 Gen2
- + 3 выделенных USB 3.2 Gen1
- + 2 USB 3.2 Gen2 на поддержку USB 3.2 Gen2x2
= 7 высокоскоростных портов. Не забываем, что каждый высокоскоростной порт USB обеспечен портом USB 2.0, то есть уже 7 портов USB 2.0 также занято. Плюс 5 портов USB 2.0 на обеспечение контроллеров и 2 выделенных порта USB 2.0. Всего 14 USB портов реализовано.
Ну и 27 линий PCIe, выделенных на поддержку иной периферии.
Итого у Z690 в данном случае реализовано 34 высокоскоростных портов из 38.
Все быстрые USB порты Type-C оснащены ре-драйверами от Diodes Inc, дающими устойчивый вольтаж, способный обеспечить быструю зарядку мобильных гаджетов через них.
Особо надо отметить «фишку» этой материнки — VisionLINK.
Это универсальный вывод данных, включая изображение, обмен данными, используя всего лишь интерфейс USB Type-C. Именно один из портов Type-C на задней панели, что работает по стандарту USB 3.2 Gen1, и ответственный за VisionLINK.

На плате имеется два гнезда вывода картинки: HDMI и DP. Вот второй имеет универсальное применение: может быть приемником сигнала с видеокарты для того, чтобы затем картинку выводить через Type-C.
Также можно использовать этот порт для мощных зарядок с током до 3А, можно подключить планшет для рисования. Разумеется, это может быть и просто USB 3.2 Gen1 порт для передачи данных по этому протоколу. Поэтому для организации VisionLINK использовались ресурсы не только CPU (один из его USB 3.2 портов), но и два контроллера от On и TI. Первый играет роль усилителя сигнала и позволяет при использовании порта для зарядок дать до 20В. Второй играет роль этакого частичного Thunderbolt для передачи быстропоточного видеоряда c DisplayPort In.
Теперь о сетевых делах.
Материнская плата оснащена средствами связи неплохо. Имеется скоростной Ethernet-контроллер Intel I225-V, способный работать по стандарту 2,5 Гбит/с.
Также есть комплексный беспроводной адаптер на контроллере Intel AX-201NGW, через который реализованы Wi-Fi 6E (802.11a/b/g/n/ac/ax) и Bluetooth 5.2. Он установлен в слот M.2 (E-key), и его разъемы для привинчивания выносных антенн выведены на заднюю панель.
Заглушка, традиционно надеваемая на заднюю панель, в данном случае уже надета, и изнутри экранирована для снижения электромагнитных помех.
Аудиоподсистема
Мы знаем, что уже ранее самым популярным в большинстве современных материнских платах звуковым кодеком был Realtek ALC1220, обеспечивающий вывод звука по схемам до 7.1 с разрешением до 24 бит / 192 кГц . Ныне он активно заменяется на ALC4080/4082 того же производителя с улучшенными характеристиками 32 бит / 384 кГц.
В данном случае вывод звукового сигнала по аналоговому пути сильно упрощен до стереовывода, а 7.1 осуществляется исключительно через S/PDIF. Так что у карты два универсальных разъема по приему и выводу сигналов плюс оптический S/PDIF.
Ни ЦАП, ни операционных усилителей в данном тракте не предусмотрено. В аудиоцепях платы применяются «аудиофильские» конденсаторы Nippon Chemi-con. Аудиотракт вынесен на угловую часть платы, не пересекается с другими элементами. Разумеется, левый и правый каналы разведены по разным слоям печатной платы. Маркировок у гнезд нет.
Питание, охлаждение
Для питания платы на ней предусмотрены 3 разъема: в дополнение к 24-контактному ATX здесь есть еще два EPS12V (8-ми и 4-х контактные).
Схема питания процессора имеет в сумме 20 фаз, выполнена по схеме 17+1+2.
17 фаз на ядро процессора, 1 фаза VCCGT (iGPU) — на интегрированную графику в процессор и 2 фазы на VCCIO — блок управления контроллером памяти и ввода/вывода.
Каждый канал фазы для VCore и iGPU имеет суперферритовый дроссель и MOSFET FDMF5062 от On Semi на 70 А.
Управляет схемой VCore+iGPU ШИМ-контроллер Renesas RAA229131, который рассчитан на 20 фаз.
Питание VCCIO идет по двухфазной схеме c мосфетами (до 70А) и цифровым контроллером от Monolithic Power Systems.
Что касается модулей оперативной памяти, то здесь реализована однофазная схема с силовым преобразователем от On Semi.

Традиционно уже Gigabyte в материнских платах флагманского уровня использует свою Ultra Durable технологию, предусматривающую удвоенный слой меди в цепях питания и заземления, помогающую не только улучшению прохождения сигналов (удалению помех), но и более эффективное теплорассеивание.
Теперь про охлаждение.
Все потенциально сильно греющиеся элементы имеют свои собственные радиаторы.
Как и во многих случаях, охлаждение чипсета организовано отдельно от силовых преобразователей. VRM-секция имеет свои два радиатора, соединенные тепловой трубкой под прямым углом.
Как я уже упоминал ранее, M.2 слоты также имеют радиаторы: у верхнего — свой персональный радиатор, причем, как я говорил в разделе про М.2 слоты. Остальные три слота покрыты общим радиатором, прижимающимся к чипсетному охладителю.
Подсветка
Программное обеспечение под Windows
Настройки BIOS
Работоспособность (и разгон)
Запускаем все в режиме по умолчанию. Затем нагружаем стресс-тестами.
Ну что же, мы видим, что по умолчанию матплата выставила весьма приличный авторазгон процессора до 4,2 ГГц по P-ядрам. Подчеркну, что именно под очень тяжелой нагрузкой. А без оной частота по ядрам скачет и до 5,2 ГГц. А что касается Е-ядер, то там тоже неплохо: 3,2 ГГц под стресс-нагрузкой, и 3,9 ГГц без оной. Нагрев в пределах нормы по всем параметрам. Стоит напомнить, что Р-ядра — это обычные всем привычные ядра, имеющие по 2 потока каждый, «Р» — означает Performance, то есть производительные. «Е» — это энергоэффективные ядра, так называемые, малые ядра, у них по 1 потоку.
Да, это вовсе не 5 ГГц, как мы видели у топовых игровых решений. Но и материнка у нас вовсе не для оверклокинга, а для стабильной четкой работы в серьезных приложениях. Там высокие разгоны особо и не нужны. А для 12900К и 4.2 ГГц — это очень неплохо. К тому же, все это по умолчанию! Если кому-то маловато, то можно вручную в настройках BIOS пошаманить.
Учитывая позиционирование данной платы, заниматься разгонами вручную я не стал.
Выводы
Материнская плата Gigabyte Z690 Aero G предназначена, по замыслу создателей, для рабочих ПК создателей контента, проектировщиков и пр. Она имеет превосходную систему питания, обеспечивая стабильную работу самых мощных процессоров при эффективном авторазгоне в рамках Intel Turbo Boost.
Функциональность у платы также на очень высоком уровне: она имеет 17 портов USB разных видов (включая аж 2 USB 3.2 Gen2×2, 2 USB 3.2 Gen2 и 7 USB 3.2 Gen1), 1 слот PCIe х16 (PCIe 5.0) и 2 слота PCIe x4 для разной периферии, 4(!) слота M.2 и 6 портов SATA. Плата предлагает 8 разъемов для подключения вентиляторов и помп, радиаторами оснащены все накопители в слотах M.2. Сетевые подключения — 2,5-гигабитный проводной контроллер и Wi-Fi 6. Плата имеет интересный эффектный дизайн, подходящий как для белых, так и для черных корпусов. На самой плате подсветки нет, но при этом имеются широкие возможности для подключения дополнительных RGB-устройств.
Конечно, это недешевый продукт, что логично на фоне общего подорожания комплектующих для ПК. Однако такую материнскую плату в любом случае не станут покупать в обычный домашний компьютер, чтобы побродить по интернету, немного поиграть и т. п. Скорее, эта модель удостоится внимания профессионалов. Впрочем, и как игровое решение неплохого уровня она может неплохо «выстрелить».
В номинации «Оригинальный дизайн» плата Gigabyte Z690 Aero G получила награду:

Благодарим компанию Gigabyte Russia
и лично Марию Ушакову
за предоставленную на тестирование плату
а также Евгения Лесикова
за предоставленный Gigabyte Aorus Gen4 SSD 500G для тестового стенда
Особо благодарим компанию Super Flower
за предоставление блока питания Super Flower Leadex Platinum 2000W



































































































