Оглавление
- Введение
- Форм-фактор
- Технические характеристики
- Основная функциональность: чипсет, процессор, память
- Периферийная функциональность: PCIe, SATA, разные «фенечки»
- Периферийная функциональность: USB-порты, сетевые интерфейсы, ввод-вывод
- Аудиоподсистема
- Питание, охлаждение
- Подсветка
- Программное обеспечение под Windows
- Настройки BIOS
- Работоспособность (и разгон)
- Выводы
Введение
Краткое отличие системных чипсетов предыдущего 4хх поколения от последних.
В целом почти все то же самое: всего 30 высокоскоростных портов, но при этом добавилось до 3х интегрированных USB 3.2 Gen2x2 (до 20 Gb/s) портов (правда каждый из них требует поддержки со стороны двух USB 3.2 Gen2, поэтому их стало до 10 штук вместо 8 в Z490). Поддержка аудиотракта с внутреннего канала HDA перешла на USB 2.0 (собственно, один из имеющихся 14 портов такого типа теперь всегда привязан к этой функции). Понятно, что основное новшество в платформу Rocket-Lake-S вносит 11е поколение процессоров, имеющих уже поддержку PCIe 4.0 в виде 20 линий (а не 16 линий PCIe 3.0, как у предыдущих поколений), поэтому это дает возможность свободно организовывать М.2 слоты, получающие данные непосредственно от процессора, причем через PCIe 4.0 (наконец-то SSD Gen4 смогут получить больший спрос).
Про процессоры 11го поколения и их сравнение с конкурентами я писать ничего не буду, это не моя прерогатива. Я лишь рассказываю о тех или иных особенностях материнских плат для такого рода «камней». Поэтому переходим к предмету.
А предмет-то весит 10 килограмм!
Да, у нас снова материнская плата с водоблоком, и по опыту с аналогом на базе Intel Z490, можно догадаться, что из-за массивной СО и богатого комплекта поставки такой вес брутто. И все же в данном случае рекорд веса комплекта поставки материнской платы был побит!
Один только водоблок там весит около 3 кг! О его монтаже расскажу позже.
Сама же плата – почти 1,5 кг.
Итак, материнская плата Gigabyte Z590 Aorus Xtreme Waterforce на момент написания материала еще не была в продаже, ее ценник — ориентировочно.. ой, я даже боюсь писать..
Одно только то, что плата относится к суббренду Aorus, уже говорит о том, что продукт — для энтузиастов. Серия Xtreme нам вещает — что для экстремальных геймеров. А наличие водоблока — для заядлых оверклокеров. Впрочем, сейчас СО с жидкостным способом охлаждения ставят не только оверклокеры, а и просто энтузиасты-любители, желающие получить либо малошумный ПК, либо эстетически-красивый системный блок, которым можно любоваться и хвастаться.
Понятно, что акцент изначально выставлен на геймеров, которые к тому же, обожают все самое передовое и мощное. Разумеется, прилично финансово обеспеченных. Кстати, в плане соотношения цен ситуация тут зеркально иная: если в сегменте HEDT даже самая дорогая матплата все равно дешевле самых крутых процессоров раза в 2-3, то здесь все наоборот: даже наиболее производительный для этой материнки процессор — сильно дешевле.
Gigabyte Z590 Aorus Xtreme Waterforce — перед нами.
Gigabyte Z590 Aorus Xtreme Waterforce поставляется в коробке просто колоссальных размеров (в плане толщины), ну которые, кстати, весьма гармонируют с ее весом. Внутри коробки есть еще несколько «суб»-коробок.
Собственно, плата и ее «близкий» комплект — в большой коробке, которая тоже имеет ручку (подозреваю, что в такой упаковке поставляется родственная плата — Gigabyte Z590 Aorus Xtreme, та, что без водоблока). Мигрирующий от одного к другому комплекту ряда премиальных плат Aorus RGB Fan Commander имеется и здесь. Я уже рассказывал о нем при изучении Gigabyte Z390 Aorus Xtreme, расскажу еще раз и здесь (ниже). Ну и в третьей коробке — сам водоблок. Называемый как Aorus All-in-One Monoblock. Реально крутая штука: до монтажа на плату можно использовать как гантель.
Комплект поставки самой платы (то есть «близкий») весьма обширен: кроме традиционных элементов типа руководства пользователя и кабелей SATA (что уже много лет является обязательным набором ко всем материнкам), имеются накопитель с ПО, две антенны для беспроводной связи, разветвители для подключения подсветок, адаптеры для подключения внутренних USB-портов и передней панели, фирменная карта расширения PCIe для установки дополнительных М.2 накопителей, адаптер G-Connector (о нем позже), провода с термодатчиками, бонусные стикеры, стяжки и Hi-Fi аудио-адаптер (о нем также позже).
ПО поставляется на накопителе типа USB-flash drive. Впрочем программное обеспечение за время путешествия платы к покупателю все равно успевает устареть, так что придется его обновлять с сайта производителя сразу после покупки.
«Заглушка» на заднюю панель с разъемами уже смонтирована на самой плате.
Форм-фактор
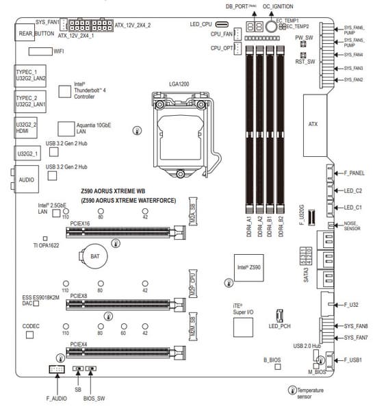
Форм-фактор ATX имеет размеры до 305×244 мм, а E-ATX — до 305×330 мм. Материнская плата Gigabyte Z590 Aorus Xtreme Waterforce имеет размеры 305×271 мм, поэтому выполнена в форм-факторе E-ATX, и на ней имеются 9 монтажных отверстий для установки в корпус. Однако следует иметь в виду, что после монтажа водоблока на саму плату (а это надо делать до установки матплаты в корпус) 2 монтажных отверстия будут перекрыты.
На оборотной стороне элементы имеются, в частности, ряд контроллеров, удвоители и другая мелкая логика. Обработан текстолит очень хорошо: во всех точках пайки не только острые концы срезаны, но и все гладко отшлифовано. С той же стороны установлена пластина из алюминия с наноуглеродным покрытием. Также пластина помогает отводить тепло от задней стороны PCB через термоинтерфейс и обеспечивает жесткость материнской платы. И даже сняв эту пластину, приятно взять в руки такой текстолит. Но я еще раз заострю внимание на том, что такую матплату вряд ли получится установить в корпусе, где в качестве опор для материнских плат используются не привычные всем латунные втулки, а выпрессованные возвышения, которые (по опыту) много шире, нежели выемки в задней пластине у материнки.
Технические характеристики
Традиционная таблица с перечнем функциональных особенностей.
| Поддерживаемые процессоры | Intel Core 10-го и 11-го поколений |
|---|---|
| Процессорный разъем | LGA 1200 |
| Чипсет | Intel Z590 |
| Память | 4 × DDR4, до 128 ГБ, до DDR4-5400 (XMP), два канала |
| Аудиоподсистема | 1 × Realtek ALC1220-VB (7.1) + ЦАП ESS ES9018 + операционный усилитель LME49720 от TI |
| Сетевые контроллеры | 1 × Marvell (ex Aquantia) AOC107 Ethernet 10 Гбит/с 1 × Intel I225-V Ethernet 2,5 Гбит/с 1 × Intel Dual Band Wireless AX210NGW (Wi-Fi 802.11a/b/g/n/ac/ax (2,4/6 ГГц) + Bluetooth 5.2) |
| Слоты расширения | 2 × PCIe 4.0 x16 (режимы x16, x8+x8)(для процессоров 10ххх - PCIe 3.0) 1 × PCIe 3.0 x16 (режим x4) |
| Разъемы для накопителей | 6 × SATA 6 Гбит/с (Z590) 1 × M.2 (CPU, PCIe 4.0 x4 для устройств формата 2242/2260/2280/22110)(только для процессоров 11ххх!) 2 × M.2 (Z590, PCIe 3.0 x4/SATA для устройств формата 2242/2260/2280/22110) |
| USB-порты | 4 × USB 2.0: 2 внутренних разъема на 4 порта (Genesys Logic GL850S) 2 × USB 3.2 Gen1: 1 внутренний разъем на 2 порта (Realtek RTS5420) 6 × USB 3.2 Gen2: 6 портов Type-A (красные) на задней панели (2 x Realtek RTS5420) 2 × USB 3.2 Gen2: 2 порта Type-A (красные) на задней панели (Z590) 1 × USB 3.2 Gen2х2: 1 внутренний разъем Type-C (Z590) 2 × USB 3.2 Gen2: 2 порта Type-C на задней панели (Intel Thunderbolt) |
| Разъемы на задней панели | 2 × USB 3.2 Gen2 (Type-C) 8 × USB 3.2 Gen2 (Type-A) 2 × RJ-45 5 аудиоразъемов типа миниджек 1 × S/PDIF (оптический, выход) 1 × HDMI 2.0b 2 антенных разъема (симметричная схема приема-передачи 2T2R) кнопка сброса CMOS кнопка перепрошивки BIOS — Q Flash Plus |
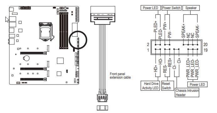
| Прочие внутренние элементы | 24-контактный разъем питания ATX 2 8-контактный разъем питания EPS12V 1 слот M.2 (E-key), занят адаптером беспроводных сетей 1 разъем для подключения порта USB 3.2 Gen2x2 Type-C 1 разъем для подключения 1 порта USB 3.2 Gen1 1 разъем для подключения (через адаптер) 4 портов USB 2.0 7 разъемов для подключения 4-контактных вентиляторов и помп ЖСО 2 разъема для подключения (через адаптер) неадресуемой RGB- и адресуемой ARGB- лент 1 разъем аудио для передней панели корпуса 1 разъем для детектора шума 2 разъема для термодатчиков 2 переключателя BIOS 1 разъем для подключения управления с передней панели корпуса (через адаптер) 1 кнопка OC 1 кнопка включения питания Power 1 кнопка перезагрузки Reset |
| Форм-фактор | E-ATX (305×271 мм) |
| Розничные предложения |
Основная функциональность: чипсет, процессор, память

Схема работы связки чипсет+процессор.

Формально имеется поддержка памяти до 3200 МГц, однако всем хорошо известно, и производители материнских плат это активно рекламируют: через XMP-профили сейчас можно использовать частоты до 4800 и выше МГц. В частности данная плата поддерживает частоты до 5400 МГц.
Процессоры Intel Core 11-го поколения (совместимые с сокетом LGA1200 и поддерживаемые Z590) имеют 20 линий ввода-вывода PCIe 4.0, не имеют USB и SATA портов. При этом взаимодействие с Z590 идет по особому каналу Digital Media Interface 3.0 (DMI 3.0), который в Z590 ускорен в 2 раза. Все PCIe линии процессора идут на слоты расширения PCIe и порт М.2. Serial Peripheral Interface (SPI) используется для взаимодействия с системой UEFI/BIOS, а шина Low Pin Count (LPC) — для связи с устройствами ввода/вывода, не требующими высокой пропускной способности (контроллерами вентиляторов, TPM, старой периферии). Процессоры Intel Core 10-го поколения (совместимые с сокетом LGA1200 и поддерживаемые Z490/590) имеют 16 линий ввода-вывода PCIe 3.0, которые идут только на слоты расширения PCIe.
В свою очередь чипсет Z590 поддерживает в сумме 30 линий ввода/вывода, которые распределяться могут так:
- до 14 портов USB (из которых до 3 портов USB 3.2 Gen2х2, 10 портов USB 3.2 Gen2, до 10 портов USB 3.2 Gen1, до 14 портов USB 2.0, линии USB 2.0 используются в том числе и для поддержки 3.2 портов, а каждый порт USB 3.2 Gen2х2 требует поддержки со стороны двух USB 3.2 Gen2);
- до 8 портов SATA 6Гбит/с;
- до 24 линий PCIe 3.0.
Понятно, что если всего 30 портов у Z590, то все указанные выше порты должны укладываться в этот лимит, поэтому уже привычный дефицит линий PCIe будет иметь место и в данном случае.
Еще раз надо напомнить, что Gigabyte Z590 Aorus Xtreme Waterforce поддерживает процессоры Intel Core 10-го и 11-го поколения, выполненные под разъем (сокет) LGA1200. Система крепления систем охлаждения для CPU точно такая же, как и для LGA1151.
Для установки модулей памяти на плате Gigabyte имеется четыре DIMM-слота (для работы памяти в Dual Channel в случае использования всего 2 модулей их следует устанавливать в А2 и B2. Плата поддерживает небуферизованную память DDR4 (non-EСС), а максимальный объем памяти составляет 128 ГБ (при использовании UDIMM последнего поколения по 32 ГБ). Разумеется, поддерживаются профили XMP.
Слоты DIMM имеют металлическую окантовку, которая препятствует деформации слотов и печатной платы при установке модулей памяти и защищает от электромагнитных помех, и которая обычно всегда является составной частью флагманского набора у материнских плат.
Периферийная функциональность: PCIe, SATA, разные «фенечки»
Выше мы изучили потенциальные возможности тандема Z590+Core, а теперь посмотрим, что из этого и как реализовано в данной материнской плате.
Кроме USB-портов, к которым мы подойдем позже, чипсет Z590 обладает 24 PCIe линиями. Считаем, сколько линий уходит на поддержку (связь) с тем или иным элементом (надо учитывать, что из-за дефицита PCIe линий некоторые элементы периферии делят их, и потому использовать одновременно нельзя: для этих целей у материнской платы существуют мультиплексоры):
- Переключатель: или порты SATA_4/5 (2 линии), или слот M.2 (M2M_SB) (4 линии): максимум 4 линии;
- Переключатель: или порт SATA_1 (1 линия) + M.2 (M2A_SB) в режиме SATA, или слот M.2 (M2A_SB) в режиме PCIe x4 (4 линии): максимум 4 линии;
- Слот PCIe x16_3 (4 линии);
- Realtek RTS5420 (USB 3.2 Gen2 хаб) (1 линия);
- Realtek RTS5420 (USB 3.2 Gen12хаб) (1 линия);
- Marvel (ex Aquantia) (Ethernet 10Gb/s) (1 линия);
- Intel S225-V (Ethernet 2,5Gb/s) (1 линия);
- Intel AX210NGW WIFI/BT (Wireless) (1 линия);
- Intel JHL8540 (Thunderbolt4) (4 линии);
- 3 порта SATA_0,2,3 (3 линии)
24 линии PCIe оказались занятыми. В чипсете Z590 связь с аудиокодеками идет через USB-порт. Также один USB 2.0 расходуется на поддержку BT (при наличии слота M.2 (key E) и контроллер GL850S для своих нужд использует сигнальные линии USB 2.0 Детально об этом ниже в разделе USB-портов.
Теперь посмотрим выше на то, как работают процессоры в данной конфигурации. У CPU 11-го поколения всего 20 линий PCIe, 4 из них отведены на порт М.2. У CPU 10-го поколения всего 16 линий (нет выделения линий на М.2 порт). Оставшиеся 16 линий надо делить на два слота PCIe x16 (_1 и _2). Вариантов переключения несколько:
- Слот PCIe x16_1 имеет 16 линий (слот PCIe x16_2 отключен, всего одна видеокарта);
- Слот PCIe x16_1 имеет 8 линий, слот PCIe x16_2 имеет 8 линий;
Надо особо отметить, что в случае установки видеокарты в PCIe x16_2 при пустом PCIe x16_1, оба они все равно получают по 8 линий.
Теперь в целом про слоты PCIe.
Всего на плате есть три PCIe x16 (для видеокарт или других устройств). Если про первые два PCIe x16 я выше уже рассказал (они подключены к CPU), то третий PCIe x16_3 подключен к Z590, и он рассчитан на режим только х4. То есть аппаратно режим х16 поддерживает только первый слот.
Как видим, перераспределение линий PCIe между слотами у этой материнки имеется, поэтому востребованы мультиплексоры PI3EQX16 от Diodes Inc. (ex Pericom).
Все три слота PCIe x16 имеют металлическое армирование из нержавеющей стали, которое увеличивает их надежность (что может быть важным в случае довольно частой смены видеокарт, но что более важно: такой слот легче выдержит нагрузку на изгиб в случае установки очень тяжелой видеокарты топового уровня. Кроме того, такая защита предохраняет слоты от электромагнитных помех.
Разумеется, матплата сконструирована в расчете на использование кастомных ЖСО, поэтому инженеры предполагали возможность легко смонтировать такую СО от любого производителя.
Для поддержания стабильных частот на шине PCIe (и для нужд оверклокеров) имеется внешний тактовый генератор от Renesas (ex IDT).
На очереди — накопители.
Всего у платы 6 разъемов Serial ATA 6 Гбит/с + 3 слота для накопителей в форм-факторе M.2. Все порты SATA реализованы через чипсет Z590 и поддерживают создание RAID.
Три порта SATA делят ресурсы с портами M.2, но об этом ниже.
Теперь про M.2. Материнская плата имеет 3 гнезда такого форм-фактора.
Верхний и нижний слоты M.2 (M2A_SB и M2M_SB) получают данные от чипсета Z590 и поддерживают модули с любым интерфейсом, а средний слот M.2 (M2P_CPU) получает данные от CPU и работает с модулями только с PCIe интерфейсом. Все три слота поддерживают размеры модулей: 2242/2280/22110, а M2M_SB еще и 2260.
На всех M.2 можно организовать RAID, а также использовать для Intel Optane Memory.
Поскольку количество HSIO линий у Z590 ограничено тридцатью, то приходится делить ресурсы, о чем я выше уже говорил, рассматривая PCIe слоты. Поэтому если в слот M.2 (M2A_SB) вставлен накопитель с интерфейсом SATA, то это автоматом отключит порт SATA_1 (ну и наоборот, если последний задействован, то слот M.2 (M2A_SB) будет работать только в режиме PCIe x4/x2).
Так же самый нижний M2M_SB взаимоисключает совместную работу с портами SATA_4 и SATA_5. И только средний M2P_CPU не делит ресурсы ни с чем.
Для обеспечения переключений между М.2 и SATA портами имеется мультиплексор ASM1480 от ASMedia.
Все M.2 слоты имеют охлаждение через радиаторы, связанные с единым водоблоком.
Вы считаете, что три слота М.2 и это все? – Конечно же нет. В комплект поставки с материнкой входит карта расширения PCIe, несущая на себе еще два М.2 порта, которую, в случае необходимости, можно вставить в PCIe x16_2, например (если требуется задействовать сразу два дополнительных М.2). Гнезда на карте имеют свои собственные радиаторы охлаждения.


Периферийная функциональность: USB-порты, сетевые интерфейсы, ввод-вывод
Теперь на очереди USB-порты и прочие вводы-выводы. И начнем с задней панели, куда выведены большинство из них.
Повторим: чипсет Z590 способен реализовать не более 14 портов USB, из которых может быть до 10 портов USB 3.2 Gen1, до 10 портов USB 3.2 Gen2, до 3 портов USB 3.2 Gen2x2, и/или до 14 портов USB 2.0.
Также мы помним и про 24 линии PCIe, которые идут на поддержку накопителей, сетевых и иных контроллеров (я выше уже показал на что и как расходуются все 24 линии).
И что мы имеем? Всего на материнской плате — 17 портов USB:
- 1 порт USB 3.2 Gen2x2: реализован через Z590 и представлен внутренним портом Type-C (для подключения к соответствующему разъему на передней панели корпуса);
- 10 портов USB 3.2 Gen2: 2 реализованы непосредственно через Z590 и представлены на задней панели портами Type-A (красного цвета); и 4 реализованы через первый Realtek RTS5420 (на него потрачена 1 линия PCie 3.0) представлены также на задней панели портами Type-A (красного цвета); еще 2 реализованы через второй Realtek RTS5420 (на него потрачена 1 линия PCie 3.0) представлены также на задней панели портами Type-A (красного цвета); ну и еще 2 реализованы через Intel JHL8540 (Thunderbolt4) и с помощью контроллеров TI TPS65994AD представлены 2 портами Type-C на задней панели;
- 2 порта USB 3.2 Gen1: все реализованы через второй контроллер Realtek RTS5420 и представлены внутренним разъемом на материнской плате на 2 порта;
- 4 порта USB 2.0/1.1: все реализованы через контроллер Genesys Logic GL850S (на него потрачена 1 линия USB 2.0) и представлены двумя внутренними разъемами (каждый на 2 порта, подключение через адаптер).
Таким образом, у нас три контроллера используют USB линии:
- Genesys Logic GL850S (4 USB 2.0 через 2 внутренних разъема) (1 линия USB 2.0);
- Audio (1 линия USB 2.0);
- Bluetooth (AX210) (1 линия USB 2.0).
Итак, через чипсет Z590 реализовано высокоскоростных портов USB:
- 1 USB 3.2 Gen2x2 (не в счет, ибо он формируется за счет двух Gen2)
- + 2 выделенных USB 3.2 Gen2
- + 2 USB 3.2 Gen2 (на обеспечение USB 3.2 Gen2x2)
= 4 высокоскоростных порта. Не забываем, что каждый высокоскоростной порт USB обеспечен портом USB 2.0, то есть уже 4 порта USB 2.0 также занято. Плюс 3 порта USB 2.0 на обеспечение контроллеров, и 7 портов USB 2.0.
Ну и 24 линии PCIe, выделенных на поддержку иной периферии.
Итого у Z590 в данном случае реализовано 28 высокоскоростных портов из 30.
Схема реализации портов Gen1 через внутренний разъем у меня вызвала вопросы. Два контроллера Realtek RTS 5420 установлены рядом с задней панелью, и было бы логично, чтобы именно они и организовали все 8 портов Gen2 сзади, а внутренние порты Gen1 были бы реализованы через чипсет Z590. Однако и в схеме от Gigabyte, и в руководстве пользователя говорится, что разработчикам почему-то приспичило 2 порта USB 3.2 Gen1 вести от черти-где расположенного RTS5420, при этом от Z590 тоже долго вести линии до задней панели для двух USB 3.2 Gen2. Когда даже рисовал схему, меня как-то передернуло от алогичности решения. Ну, как дизайнеры решили, так и есть.
Все быстрые USB порты Type-C оснащены ре-драйверами NB7N от On Semiconductor и PI3EQX от Diodes Inc (ex Pericom), дающими устойчивый вольтаж, способный обеспечить быструю зарядку мобильных гаджетов через них (для реализации имеется специальная фирменная утилита).
Наконец, одна из ключевых особенностей данной материнской платы, выделяющая ее среди остальных, это поддержка Thunderbolt 4 (Через контроллер JHL8540).
Само собой, есть два Type-C для вывода как через протокол TB, так и для использования в качестве USB 3.2 Gen2/1, для чего имеется специальный контроллер от Texas Instruments для преобразования сигнала, о котором выше я уже говорил. Напомню, что TB4 позволяет получить уже не до 40 Гб/с, а четко именно 40 Гб/с и по всем портам. Полагаю, что всем, кому данный функционал нужен, уже в курсе, зачем он и как использовать.Обычному потребителю это будет интересно хотя бы в том плане, что есть два дополнительных скоростных 20 Гб/с порта Type-C.
Теперь о сетевых делах.
Материнская плата оснащена средствами связи просто шикарно! Имеется скоростной Ethernet-контроллер Intel I225-V, способный работать по стандарту 2,5 Гбит/с.
Также плата оснащена самым быстрым на сегодня сетевым проводным 10 Гбит/с контроллером от Marvel (бывш. Aquantia) AQC107.
Неоднократно перечислял преимущества, что дает подобное двойное Ethernet-соединение: прежде всего, повышается стабильность обеспечения связи в случае подключения к двум провайдерам и обрыве связи от одного из них; затем можно жестко разделить внутреннюю сеть (со своим роутером) с внешней сетью (интернет), что повысит безопасность; ну и наконец производительность (эффективный обмен информацией) вырастает.
Имеется и комплексный беспроводной адаптер на контроллере Intel AX-210NGW, через который реализованы Wi-Fi 6E (802.11a/b/g/n/ac/ax) и Bluetooth 5.2. Он установлен в слот M.2 (E-key), и его разъемы для привинчивания выносных антенн выведены на заднюю панель. Антенна уникальна тем, что имеет магнитное основание и в случае корпуса с металлическим верхом надежно крепится на нем.
Заглушка, традиционно надеваемая на заднюю панель, в данном случае уже надета, и изнутри экранирована для снижения электромагнитных помех.
Теперь про блок ввода-вывода, разъемы для подключения вентиляторов и т. п. Разъемов для подключения вентиляторов и помп на самой плате — 10. Схема размещения коннекторов для систем охлаждения выглядит так:
Через ПО или BIOS контролируется все гнезда для подключения воздушных вентиляторов или помп: они могут управляться как через ШИМ, так и банальным изменением напряжения/тока. Для двух гнезд под помпы по умолчанию установлена максимальная скорость.
За мониторинг состояния платы отвечает ITE IT8795E (осуществляющий получение информации с датчиков).
А получает эту информацию, а также контролирует работу всех гнезд СО (а также в целом Multi I/O) контроллер ITE IT8688E.
Однако если вы думаете, что этими 10 гнездами для вентиляторов все и ограничивается, то ошибаетесь. Разумеется, столь помпезная и навороченная матплата должна иметь что-то большее. И в комплекте поставки есть уже хорошо нам известный внешний Aorus RGB Fan Commander.
Это не только возможность подключения дополнительных вентиляторов,


но и возможность разнообразить подсветку, подключая, например, наборы вентиляторов с RGB-подсветкой сторонних производителей.


Всего к контроллеру можно подключить еще 8 вентиляторов c RGB-подсветкой! Понятно, что для всего этого нужно питание, которое контроллер получает от разъема SATA Power от БП, а управляет его работой утилита RGB Fusion 2.0. Для этого Fan Commander соединяется с материнской платой через USB 2.0 (занимаемый контроллером порт USB на плате будет компенсирован дополнительным портом на самом контроллере).


Длины кабелей достаточно для удобного размещения Fan Commander в корпусе на подложке для материнской платы (у современных корпусов за ней имеется свободное пространство для размещения кабелей).
Также Fan Commander предоставляет два дополнительных термодатчика на проводах, которые можно разместить в любом месте системного блока.
Таким образом, суммарно плата может обладать 18 гнездами для подключения вентиляторов и помп. Ну и богатым набором разъемов для подключения подсветок.
Поскольку процессоры Intel могут иметь интегрированную графику, то плата имеет гнездо вывода HDMI версии 2.0b. В помощь этому предназначен чип ASM1442 от ASMedia, который преобразует сигнал TMDS для поддержки стандарта 4К.
Аудиоподсистема
Мы знаем, что практически во всех современных материнских платах звуком заведует аудиокодек Realtek ALC1220. Он обеспечивает вывод звука по схемам до 7.1. В данном случае используется версия Realtek ALC1220-VB.
В нем используются ЦАП ESS Sabre9018, разделители каналов, операционный усилитель TI OPA1622, осциллятор Precise TXC, обеспечивающий точную работу ЦАП.
Есть защита от помех (препятствует появлению щелчков при подключении штекера) NEC-Tokin UC2.
В аудиоцепях платы применяются «аудиофильские» конденсаторы Wima.
Аудиотракт вынесен на угловую часть платы, не пересекается с другими элементами. Все аудиоразъемы на задней панели имеют позолоченное покрытие, однако нет привычной цветовой окраски разъемов, поэтому ориентироваться можно только по обозначениям.
И это не все. В комплекте поставки есть бонус: внешний Hi-Fi ЦАП для использования в любом устройстве, имеющем возможность вывода звука через USB Type-C. Собственно, заменяет собой обычный вывод звука.
Представляет собой небольшое устройство-адаптер, подключаемый через Type-C к устройству вывода звука, на другом конце — миниджек 3.5 мм для подключения наушников.




Питание, охлаждение
Для питания платы на ней предусмотрены 3 разъема: в дополнение к 24-контактному ATX (он на правой стороне платы (на фото — слева) здесь есть еще два 8-контактных EPS12V. Коннекторы имеют металлическую окантовку и надежно защищены от повреждений в случае слишком тугих разъемов от блоков питания, а также оснащены цельнометаллическими контактами, гарантирующих стабильную передачу питания.
Схема питания процессора выполнена по схеме 20+1 фаза.
Каждый канал фазы имеет суперферритовый дроссель и SiC840 MOSFET от Vishay на 100 А.
То есть в сумме такая мощнейшая система способна на работу с огромными токами. Управляет схемой ШИМ-контроллер ISL69269 от Renesas (ex Intersil), рассчитанный максимум на 12 фаз.
Производитель не скрывает, что имеются удвоители фаз, которые расположены на обороте платы.
Это ISL6617A все от того же производителя Renesas.
Так что фактическая схема питания процессора: 10х2 (для VCore)+1 (фаза для VCCSA). Питание VCCIO идет по двухфазной схеме c цифровым контроллером RT9018B от Richtek Technology.

А питание интегрированного графического ядра имеет однофазную схему. И используется мосфет уже другой: ISL99390 от Renesas, рассчитанный на 90 А.
Что касается модулей оперативной памяти, то здесь реализована также однофазная схема с ШИМ-контроллером RT8120D от того же Richtek.

Специалисты Gigabyte нам вещают, что данная плата поддерживает работу модулей памяти на частотах до 5400 МГц через профили XMP. А также, что многие модули памяти с гарантированной поддержкой 4400 МГц на этой плате смогут взять планку в 5000 МГц. В том числе и за счет особой разводки на печатной плате.
Вообще, традиционно уже Gigabyte в материнских платах флагманского уровня использует свою Ultra Durable технологию, предусматривающую удвоенный слой меди в цепях питания и заземления, помогающую не только улучшению прохождения сигналов (удалению помех), но и более эффективное теплорассеивание.
Теперь про охлаждение. А это у данной материнки самое интересное, да и ключевая «фишка».
Уже из заголовка материала и названия платы можно понять, что она оснащена водоблоком. Причем не только колоссальных размеров, но и весом в 3 кг (разумеется, сплошная медь, покрытая никелем снаружи).
Как видно, в данном случае фраза: «Все потенциально сильно греющиеся элементы имеют свои собственные радиаторы», которую обычно говорю, не имеет смысла.
Единый водоблок охлаждает все! И чипсет Z590, и слоты M.2, и преобразователи питания VRM всех видов, и, разумеется, сам процессор.
Несмотря на приличный вес, водоблок не отличается уж очень большой толщиной.
Надо особо отметить, что слоты М.2 оснащаются термоинтерфейсом с обеих сторон.
На месте будущего соприкосновения с крышкой процессора уже не наносится термоинтерфейс в виде пасты, а паста предлагается отдельно в шприце.
Места прижима к мосфетам, Z590 и даже к сетевому контроллеру Marvel AQC107 имеют мягкий термоинтерфейс. Поэтому элементы термоинтерфейса явно рассчитаны на 1-2 (максимум 3) использования, и в комплекте с водоблоком есть запасной набор этих «серых резинок».
Следует напомнить, что плата обладает пластиной с оборотной стороны с так называемым «нанокарбоновым» покрытием, и пластина также принимает участие в охлаждении в местах нахождения VRM на лицевой стороне.
Над аудиоподсистемой и задним блоком портов установлен пластиковый кожух соответствующего дизайна, он оснащен подсветкой.
Подсветка
Программное обеспечение под Windows
Настройки BIOS
Работоспособность (и разгон)
Запускаем все в режиме по умолчанию (MCE включен в авто-режиме). Затем нагружаем тестами.
Мощная система питания дала возможность технологиям авторазгона «запиндюрить» частоты работы ядер с 3,7 до 5,1 ГГц и остановиться на 4.8 ГГц по всем ядрам. При этом потребление процессора подскочило до 200 Вт (сравните с рекомендованным TDP!). Конечно, такое возможно только при выключенных лимитах PL1, PL2.
Стоит напомнить, что у процессоров есть два показателя Power Limit (PL): PL1 и PL2. Первый — это анонсированный штатный TDP (для i9-11900K, i7-11700K, i5-11600K — 125 Вт). Всем понятно, что речь идет о работе только на базовой частоте того или иного процессора без попыток поднятия. Коэффициент перехода на PL2 у 11го поколения процессоров — разный. Например, у 11900К — это 2, у 11600К — 1,45. Опять же, время пребывания в границах PL2 у процессоров с «К» — 56 секунд, у обычных моделей — 28 секунд. Таким образом, включенный лимит PL2 у 11900К позволит процессору достичь только 250 Вт, и то в течение 56 секунд максимум, после чего частоты будут сброшены, и цикл набора частот пойдет заново с тем, чтобы потребление не превысило PL2. Понятно, что при этом достичь даже 5 ГГц не получится — максимум 4.8 ГГц. У нас же, напомню, потребление процессора достигало 200 Вт и длилось явно более 1 минуты, значит лимиты выключены через MCE, но Adaptive Turboboost (ATB) от Intel не работал.
Остальные параметры работы системы — в норме. Температуры чипсета и области VRM не превышали 55 — 60 градусов.
Пробую режим ОС через утилиту Easy Tune (о ней говорил ранее). Там нет четкого задания границ пользователем, берется профиль, ранее созданный специалистами Gigabyte. Что получаем? — попытку задать 5,0 ГГц по всем ядрам, но при этом чрезмерно было завышено напряжение на процессоре, и первый же тест заставил защиту от перегрева скинуть частоты.
Сбросив все ранее применявшиеся установки, я вернул систему в режим по умолчанию, включил Intel ATB, при этом получил стабильные 5,0 ГГц по всем ядрам (иногда 2-3 ядра переключались на 4,8 МГц). Все тесты прошли без проблем.
Собственно, это заслуга данной материнской платы, плюс кастомной ЖСО. Измерять, какой процент прироста производительности мы получили бы, если изначально запустили бы платформу с включенными лимитами PL2, — бессмысленно. Потому что мало кто будет платить баснословные деньги за матплату и крутой процессор ради использования их в лимитах 4,5 — 4,8 ГГц (и то на 56 секунд, как мы помним ))
Но в целом еще раз хочу отметить, что все же очевидно, что внедряя в поколение Rocket-Lake (11xxx) новшества типа 20 линий PCIe 4.0, уже не получается на том же техпроцессе получить шикарные пределы авторазгона в 5.2 ГГц, которыми обладают многие i9-10900K, даже с учетом «костылей» от Intel в виде «умного» оверклокинга, выше 5.0 ГГц на 11900К получить вряд ли получится: этот процессор по нагреву куда более суровый, нежели предшественник.
Выводы
Gigabyte Z590 Aorus Xtreme Waterforce — феноменальный продукт с не менее феноменальной стоимостью. Эта материнская плата затмит своей ценой, скорее всего, даже самые дорогие платы премиального сегмента HEDT.
Конечно же, при создании такого продукта было задействовано много специалистов (каждый внес свой вклад в общее дело), выпуск таких плат крайне лимитирован, поэтому себестоимость крайне высока. Плюс имиджевая составляющая самого флагманского продукта. И что мы получили?
Отличную функциональность! Мы имеем 17 портов USB разных видов (включая 10 очень быстрых USB 3.2 Gen2 и 1 самый быстрый на сегодня USB 3.2 Gen2×2), 3 слота PCIe х16 (из которых первые два получают 16 линий PCIe от процессора), 3 слота M.2 (плюс два на карте расширения), 6 портов SATA, 10 коннекторов для вентиляторов плюс еще 8 через Fan Commander. Система питания процессора включает 20 фаз для ядра (хоть и через удвоители) и способна обеспечить работу любых совместимых процессоров (запас колоссальный). Плата имеет огромный водоблок, которым охлаждается всё, включая накопители в слотах M.2. Шикарные сетевые возможности: два очень быстрых проводных контроллера (2,5 Гбит/с + 10 Гбит/с) и один самый современный беспроводной. Также плата имеет скоростной контроллер Thunderbolt4, который позволяет реализовать не только очень быстрые порты USB Type-C, но и вывод изображения на приемники с огромным разрешением. Стоит упомянуть и наличие бонуса в комплекте поставки в виде USB-аудиоустройства с ЦАП для вывода звука на наушники через Type-C.
Также в плюсы этой платы надо добавить неплохую подсветку, включая широкие возможности для подключения дополнительных RGB-устройств.
Отметим великолепные оверклокерские возможности платы, массу настроек для любителей разгона. Как показала практика, требуется лишь очень эффективная кастомная ЖСО. Такие СО недешевы, однако все же в 4-5 раз дешевле данной платы.
Также отметим качество изготовления платы, наличие защитной пластины с оборотной стороны и приятный дизайн.
В номинации «Оригинальный дизайн» плата Gigabyte Z590 Aorus Xtreme Waterforce получила награду:

В номинации «Отличная поставка» плата Gigabyte Z590 Aorus Xtreme Waterforce получила награду:

Благодарим компанию Gigabyte Russia
и лично Марию Ушакову и Евгения Лесикова
за предоставление Gigabyte Aorus Gen4 SSD 500G для тестового стенда и плату для обзора
Особо благодарим компанию Super Flower
за предоставление блока питания Super Flower Leadex Platinum 2000W



































































































































