Оглавление
- Форм-фактор
- Технические характеристики
- Основная функциональность: чипсет, процессор, память
- Периферийная функциональность: PCIe, SATA, разные «прибамбасы»
- Периферийная функциональность: USB-порты, сетевые интерфейсы, ввод-вывод
- Аудиоподсистема
- Питание, охлаждение
- Подсветка
- Программное обеспечение под Windows
- Настройки BIOS
- Разгон
- Выводы
Чтобы не повторяться 20 раз, дам ссылку на первый материал по Intel Z490, где я уже проводил анализ ситуации на рынке ПК в плане зачем, как и почему так мучительно появились процессоры 10xxx серии (под новый сокет LGA1200). А еще имеется базовый материал по новым Core 10900K/10600K с тестами и т. д. Все это можно прочитать здесь. Более того, есть и отдельная статья по Core i7-10700K.
А тут мы продолжаем находить супер-дорогие материнские платы в заповедных местах, а потом рассказывать о них. На очереди очередной «премиум» (хотя бы имеющий стоимость в пределах 750-800 долларов США, а не выше любого понимания «матплата потребительского сегмента»).
Не так давно я рассказывал про крайне дорогой продукт — про материнскую плату Gigabyte Z490 Aorus Xtreme Waterforce. Сегодня в центре внимания ее сестра — близнец, почти точно такая же плата, но без суффикса Waterforce, то есть без водоблока.
Разумеется, плата также относится к суббренду Aorus, что свидетельствует о позиционировании продукта для энтузиастов. Серия Xtreme нам традиционно вещает — и для экстремальных геймеров.
Ну что ж, меньше «воды» — больше практики. Gigabyte Z490 Aorus Xtreme — перед нами.
Gigabyte Z490 Aorus Xtreme поставляется в коробке большого размера (в плане толщины). Посмотрите на снимок ниже — это комплект поставки старшей «сестры» с водоблоком. Я еще тогда предположил, что вот та коробка с ручкой — это и есть по сути Gigabyte Z490 Aorus Xtreme.
Собственно, так и вышло. Разница лишь в полиграфии на коробках.
Комплект поставки обширен: кроме традиционных элементов типа руководства пользователя и кабелей SATA, имеются накопитель с ПО, две антенны для беспроводной связи, разветвители для подключения подсветок, адаптеры для подключения внутренних USB-портов и передней панели, фирменный адаптер G-Connector, провода с термодатчиками, бонусные стикеры, стяжки и Hi-Fi аудио-адаптер.
ПО поставляется на накопителе типа USB-flash drive. Впрочем программное обеспечение за время путешествия платы к покупателю все равно успевает устареть, так что придется его обновлять с сайта производителя сразу после покупки.
«Заглушка» на заднюю панель с разъемами уже смонтирована на самой плате.
Форм-фактор
Форм-фактор ATX имеет размеры до 305×244 мм, а E-ATX — до 305×330 мм. Материнская плата Gigabyte Z490 Aorus Xtreme имеет размеры 305×271 мм, поэтому выполнена в форм-факторе E-ATX, и на ней имеются 9 монтажных отверстий для установки в корпус. Однако следует иметь в виду, что 2 из 9 монтажных отверстий перекрыты радиаторами для слотов M.2.
Оборотная сторона — не пустая, там расположены некоторые контроллеры, имеются удвоители фаз питания и прочее. А вот обработан текстолит ну очень хорошо: во всех точках пайки не только острые концы срезаны, но и все гладко отшлифовано. С той же стороны установлена пластина из алюминия с наноуглеродным покрытием. Также пластина помогает отводить тепло от задней стороны PCB через термоинтерфейс и обеспечивает жесткость материнской платы. Еще раз отмечу, что матплату с такой задней пластиной вряд ли получится установить в корпусе, где в качестве опор для материнских плат используются не привычные всем латунные втулки, а выпрессованные возвышения, которые (по опыту) много шире, нежели выемки в задней пластине у материнки.
Хочу еще раз заметить, что данная плата является по сути копией нами ранее изученной Gigabyte Z490 Aorus Xtreme Waterforce. И GIF-анимация, созданная из фотографий обеих плат, это доказывает.
Технические характеристики
Традиционная таблица с перечнем функциональных особенностей.
| Поддерживаемые процессоры | Intel Core 10-го поколения |
|---|---|
| Процессорный разъем | LGA 1200 |
| Чипсет | Intel Z490 |
| Память | 4 × DDR4, до 128 ГБ, до DDR4-5000 (XMP), два канала |
| Аудиоподсистема | 1 × Realtek ALC1220-VB (7.1) + ЦАП ESS ES9018 + операционный усилитель OPA1622 от Texas Instruments (вывод на динамики) 1 × Realtek ALC1220-VB (7.1) + ЦАП ESS ES9218 (вывод на наушники) |
| Сетевые контроллеры | 1 × Intel I225-V Ethernet 2,5 Гбит/с 1 × Marvel AQtion AQC107 Ethernet 10 Гбит/с 1 × Intel Dual Band Wireless AX201NGW/CNVi (Wi-Fi 802.11a/b/g/n/ac/ax (2,4/5 ГГц) + Bluetooth 5.0) |
| Слоты расширения | 3 × PCI Express 3.0 x16 (режимы x16, x8+x8 (SLI/CrossFire), x8+x8+x4 (CrossFire)) |
| Разъемы для накопителей | 6 × SATA 6 Гбит/с (Z490) 1 × M.2 (Z490, PCIe 3.0 x4 для устройств формата 2242/2260/2280/22110) 2 × M.2 (Z490, PCIe 3.0 x4/SATA для устройств формата 2242/2280/22110) |
| USB-порты | 4 × USB 2.0: 2 внутренних разъема на 4 порта (Genesys Logic GL850S) 2 × USB 2.0: 2 порта Type-A (черные) на задней панели (Genesys Logic GL850S) 2 × USB 3.2 Gen1: 2 порта Type-A (синие) на задней панели (Z490) 2 × USB 3.2 Gen1: 1 внутренний разъем на 2 порта (Realtek RTS5411) 1 × USB 3.2 Gen2: 1 внутренний разъем Type-C (Z490 + Realtek 5441) 4 × USB 3.2 Gen2: 4 порта Type-A (красные) (Z490) 2 × USB 3.2 Gen2: 2 порта Type-C на задней панели (Intel Thunderbolt) |
| Разъемы на задней панели | 2 × USB 3.2 Gen2 (Type-C) 4 × USB 3.2 Gen2 (Type-A) 2 × USB 3.2 Gen1 (Type-A) 2 × USB 2.0 (Type-A) 2 × RJ-45 5 аудиоразъемов типа миниджек 1 × S/PDIF (оптический, выход) 1 × HDMI 1.4 2 антенных разъема кнопка сброса CMOS кнопка перепрошивки BIOS — Q Flash Plus |
| Прочие внутренние элементы | 24-контактный разъем питания ATX 2 8-контактный разъем питания EPS12V 1 слот M.2 (E-key), занят адаптером беспроводных сетей 1 разъем для подключения порта USB 3.2 Gen2 Type-C 1 разъем для подключения (через адаптер) 2 портов USB 3.2 Gen1 1 разъем для подключения (через адаптер) 4 портов USB 2.0 8 разъемов для подключения 4-контактных вентиляторов и помп ЖСО 2 разъема для подключения неадресуемой RGB-ленты 2 разъема для подключения адресуемой ARGB-ленты 1 разъем аудио для передней панели корпуса 1 разъем для детектора шума 2 разъема для термодатчиков 2 переключателя BIOS 1 разъем для подключения управления с передней панели корпуса (через адаптер) 1 кнопка OC 1 кнопка включения питания Power 1 кнопка перезагрузки Reset |
| Форм-фактор | E-ATX (305×271 мм) |
| Розничные предложения |
Основная функциональность: чипсет, процессор, память
Как и старшая «сестра», эта плата относится к самому что ни на есть топовому классу. Стоит заметить, что у этой платы почти все основные внутренние порты и разъемы расположены на правой стороне, а также горизонтально ориентированы (иногда и объединены: для подключения привычных коннекторов в комплекте поставки есть адаптеры).

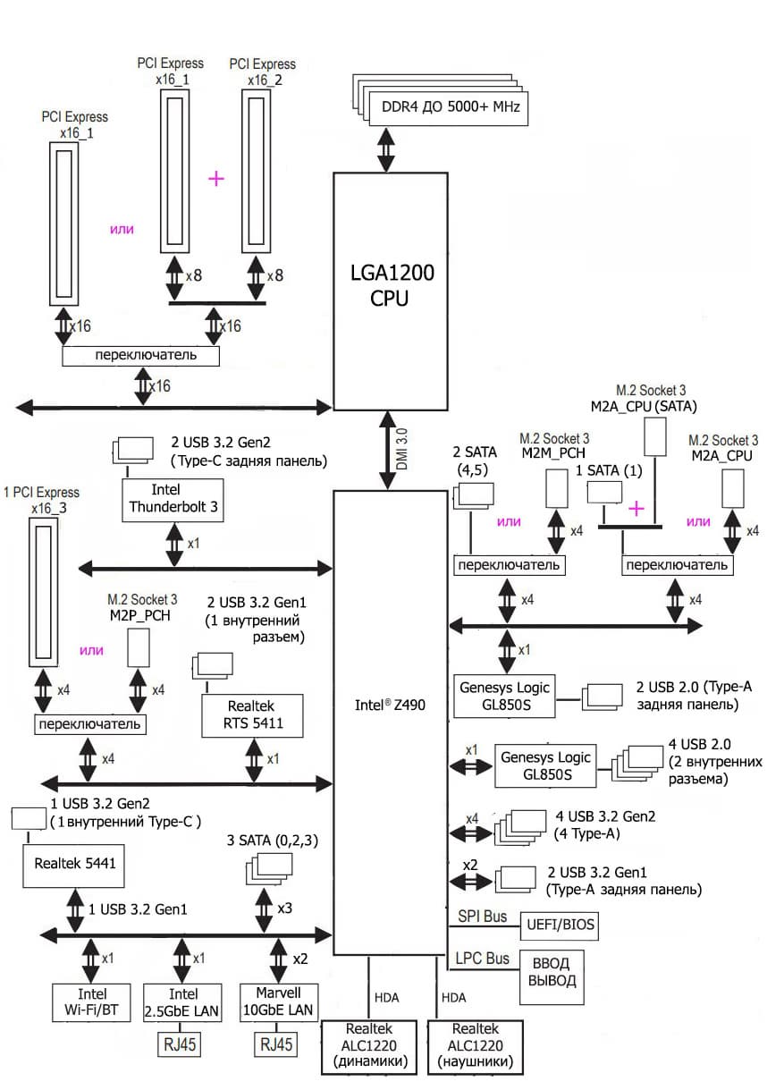
Схема работы связки чипсет+процессор.
Формально имеется поддержка памяти до 2933 МГц, однако всем хорошо известно, и производители материнских плат это активно рекламируют: через XMP-профили сейчас можно использовать частоты до 4800 и выше МГц. В частности данная плата поддерживает частоты до 5000 МГц.
Процессоры Intel Core 10-го поколения (совместимые с сокетом LGA1200 и поддерживаемые Z490) имеют 16 линий ввода-вывода (включая PCIe 3.0), не имеют USB и SATA портов. При этом взаимодействие с Z490 идет по особому каналу Digital Media Interface 3.0 (DMI 3.0), и линии PCIe на это не расходуются. Все PCIe линии процессора идут на слоты расширения PCIe. Serial Peripheral Interface (SPI) используется для взаимодействия с системой UEFI/BIOS, а шина Low Pin Count (LPC) — для связи с устройствами ввода/вывода, не требующими высокой пропускной способности (контроллерами вентиляторов, TPM, старой периферии).
В свою очередь чипсет Z490 поддерживает в сумме 30 линий ввода/вывода, которые распределяться могут так:
- до 14 портов USB (из которых до 6 портов USB 3.2 Gen2, до 10 портов USB 3.2 Gen1, до 14 портов USB 2.0, линии USB 2.0 используются в том числе и для поддержки 3.2);
- до 6 портов SATA 6Гбит/с;
- до 24 линий PCIe 3.0.
Понятно, что если всего 30 портов у Z490, то все указанные выше порты должны укладываться в этот лимит. Так что, скорее всего будет дефицит линий PCIe, и свободно конфигурируемых в какие-то дополнительные порты/слоты линий PCIe тут нет.
Еще раз надо напомнить, что Gigabyte Z490 Aorus Xtreme поддерживает процессоры Intel Core 10-го поколения, выполненные под разъем (сокет) LGA1200. Система крепления систем охлаждения для CPU точно такая же, как и для LGA1151 (прежние кулеры подойдут).
Для установки модулей памяти на плате Gigabyte имеется четыре DIMM-слота (для работы памяти в Dual Channel в случае использования всего 2 модулей их следует устанавливать в А2 и B2. Плата поддерживает небуферизованную память DDR4 (non-EСС), а максимальный объем памяти составляет 128 ГБ (при использовании UDIMM последнего поколения по 32 ГБ). Разумеется, поддерживаются профили XMP.
Слоты DIMM имеют металлическую окантовку, которая препятствует деформации слотов и печатной платы при установке модулей памяти и защищает от электромагнитных помех, и которая обычно всегда является составной частью флагманского набора у материнских плат.
Периферийная функциональность: PCIe, SATA, разные «прибамбасы»
Выше мы изучили потенциальные возможности тандема Z490+Core, а теперь посмотрим, что из этого и как реализовано в данной материнской плате.
Кроме USB-портов, к которым мы подойдем позже, чипсет Z490 обладает 24 PCIe линиями. Считаем, сколько линий уходит на поддержку (связь) с тем или иным элементом (надо учитывать, что из-за дефицита PCIe линий некоторые элементы периферии делят их, и потому использовать одновременно нельзя: для этих целей у материнской платы существуют мультиплексоры):
- Переключатель: или порты SATA_4/5 (2 линии), или слот M.2 (M2M_PCH) (4 линии): максимум 4 линии;
- Переключатель: или порт SATA_1 (1 линия) + M.2 (M2A_CPU) в режиме SATA, или слот M.2 (M2A_CPU) в режиме PCIe x4 (4 линии): максимум 4 линии;
- Переключатель: или слот PCIe x16_3 (4 линии), или слот M.2 (M2P_PCH) (4 линии): максимум 4 линии;
- Genesys Logic GL850S (4 USB 2.0 через 2 внутренних разъема) (1 линия);
- Genesys Logic GL850S (2 USB 2.0 — Type-A на задней панели) (1 линия);
- Realtek RTS5411E (2 USB 3.1 Gen1 через 1 внутренний разъем) (1 линия);
- Intel I225-V (Ethernet 2,5Gb/s) (1 линия);
- Marvel AQC107 (Ethernet 10Gb/s) (2 линии);
- Intel AX201NGW WIFI/BT (Wireless) (1 линия);
- Intel JHL7540 (Thunderbolt 3) (1 линия);
- 3 порта SATA_0,2,3 (3 линии)
23 линии PCIe оказались занятыми. В чипсете Z490 имеется контроллер High Definition Audio (HDA), связь с аудиокодеками идет путем эмуляции PCI шины.
Теперь посмотрим выше на то, как работают процессоры в данной конфигурации. У всех CPU этого плана всего 16 линий PCIe. И их надо делить только на два слота PCIe x16 (_1 и _2). Вариантов переключения несколько:
- Слот PCIe x16_1 имеет 16 линий (слот PCIe x16_2 отключен, всего одна видеокарта);
- Слот PCIe x16_1 имеет 8 линий, слот PCIe x16_2 имеет 8 линий (две видеокарты, режимы Nvidia SLI, AMD CrossFire)
Теперь в целом про слоты PCIe.
Всего на плате есть три PCIe x16 (для видеокарт или других устройств). Если про первые два PCIe x16 я выше уже рассказал (они подключены к CPU), то третий PCIe x16_3 подключен к Z490, и он делит ресурсы с портом M.2 (M2P_PCH): в случае использования в этом порту накопителя слот PCIe x16_3 переходит в режим х2.
Как видим, перераспределение линий PCIe между слотами у этой материнки имеется, поэтому востребованы мультиплексоры PI3DBS от Pericom.
Все три слота PCIe x16 имеют металлическое армирование из нержавеющей стали, которое увеличивает их надежность (что может быть важным в случае довольно частой смены видеокарт, но что более важно: такой слот легче выдержит нагрузку на изгиб в случае установки очень тяжелой видеокарты топового уровня). Кроме того, такая защита предохраняет слоты от электромагнитных помех.
Разумеется, матплата сконструирована в расчете на использование кастомных ЖСО, поэтому инженеры предполагали возможность легко смонтировать такую СО от любого производителя (однако все не так просто, но об этом ниже).
Для поддержания стабильных частот на шине PCIe (и для нужд оверклокеров) имеется внешний тактовый генератор.
Конечно же, плата имеет целую россыпь усилителей (ре-драйверов) сигнала шины. Что должно быть на топовых современных материнках. Используются популярные PI3EQX16 от Pericom.
На очереди — накопители.
Всего у платы 6 разъемов Serial ATA 6 Гбит/с + 3 слота для накопителей в форм-факторе M.2. Все порты SATA реализованы через чипсет Z490 и поддерживают создание RAID.
Один порт SATA делит ресурсы с портом M.2, но об этом ниже.
Теперь про M.2. Материнская плата имеет 3 гнезда такого форм-фактора.
Верхний и средний слоты M.2 (M2A_CPU и M2M_PCH) поддерживают модули с любым интерфейсом и размерами 2242/2280/22110 (в принципе 2260 тоже можно вставлять). Слот M.2 (M2P_PCH) работает с модулями только с PCIe интерфейсом (размеры возможны всякие: 2242/2260/2280/22110).
Все M.2 получают данные от чипсета Z490 и на них можно организовать RAID силами Z490, а также использовать для Intel Optane Memory.
Поскольку количество HSIO линий у Z490 ограничено тридцатью, то приходится делить ресурсы, о чем я выше уже говорил, рассматривая PCIe слоты. Поэтому если в слот M.2 (M2A_CPU) вставлен накопитель с интерфейсом SATA, то это автоматом отключит порт SATA_1 (ну и наоборот, если последний задействован, то слот M.2 (M2A_CPU) будет работать только в режиме PCIe x4/x2). Имеется очень большое подозрение, что M2A_CPU так назван неспроста. Я не исключаю, что после выхода следующего поколения процессоров Rocket Lake c поддержкой PCI-e 4.0 будет возможно программно переключить слот M2A_CPU на работу непосредственно с CPU (через те же мультиплексоры). Либо просто на базе этой платы выйдет новая ревизия, где M2A_CPU аппаратно будет подключен к процессорным линиям.
Вообще у Gigabyte в описаниях их материнских плат на базе Z490 просто везде сквозит насчет поддержки PCI-e 4.0.
Что касается двух других слотов M.2, то самый нижний M2P_PCH делит ресурсы со слотом PCI-e x16_3, заставляя последний переключаться в режим х2 в случае использования накопителей в M2P_PCH. А средний M2M_PCH взаимоисключает совместную работу с портами SATA_4 и SATA_5.
Все M.2 слоты имеют радиаторы. Верхний M.2 обладает отдельным радиатором, когда как остальные два слота M.2 покрывает единый общий радиатор, прикручивающийся к чипсетному.
Расскажем и о других «прибамбасах» на плате. Из кнопок внутри платы имеются три: питания, перезагрузки и непрерывного питания периферии.
Первые две (они же Power и Reset) — вместе, причем сами кнопки накрыты стилизованными «колпачками» на «панцире» матплаты. А вот непрерывное питание периферии.. (она же кнопка с «молнией») — OC Ignition.

OC Igntion работает при выключенной материнской плате. При ее активации подается питание на всю периферию (порты, слоты), но кроме центрального процессора, то есть можно проверить работу систем охлаждения, подсветки, портов, но без запуска ПК и загрузки. В целом эта функциональность полезна оверклокерам, так как позволяет до запуска CPU иметь СО в активном («прогретом») состоянии. Ну а также, чтобы снимать фото/видео материнской платы и для выставок.
Материнка обладает двумя переключателями работы с BIOS.
Такие физические переключатели копий BIOS дают очень хорошую дополнительную защиту от неудачных прошивок.

По умолчанию режим работы — Dual BIOS и загрузка с основной микросхемы. Если надо выключить двойной BIOS (то есть, чтобы система «не видела» вторую копию), то SB переключить в Single BIOS. Через BIOS_SW выбираем — с какой версии загружаться.
Плата обладает технологией «холодной» прошивки BIOS без запуска матплаты (Q-Flash Plus). Q-Flash Plus не требует наличия ОЗУ, процессора и прочей периферии, нужно лишь подключить кабели питания. Для такого обновления BIOS версию прошивки надо вначале переименовать в GIGABYTE.bin и записать в корень на USB-«флешку» (размеченную в FAT32), которая вставляется в особо отмеченный порт USB. Ну и запуск через кнопку на задней панели. На видео ниже все это демонстрируется.
Заведует работой Q-Flash Plus контроллер ITE IT5702.
Тут же можно увидеть и микросхемы самих BIOS.
Для сброса CMOS имеется кнопка на задней панели платы.
Световых индикаторов, сообщающих о проблемах с тем или иным компонентом системы, тут нет. Ориентироваться можно только по табло с загрузочными кодами (его видно рядом с кнопкой OC Ignition).
Разумеется, надо упомянуть и возможности материнской платы по подключению RGB-подсветки: имеется 4 разъема для подключения любых устройств этого плана: 2 разъема для подключения адресуемых (5 B 3 A, до 15 Вт) ARGB-лент/устройств, 2 разъема неадресуемых (12 В 3 А, до 36 Вт) RGB-лент/устройств. Разъемы объединены в пары, расположенные на правой стороне платы.
Схемы подключения стандартны для всех материнских плат, поддерживающих подсветку:


За подсветку отвечает второй контроллер ITE IT5702.
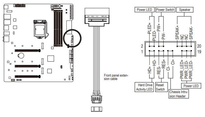
Как и у всех материнских плат, имеется традиционный набор штырьков FPanel для подключения проводов к передней/верхней/боковой панели корпуса. Опять же, учитывая конструктивные особенности материнской платы, на ней самой есть лишь маленькое гнездо, в которое устанавливается адаптер, имеющийся в комплекте.

А уже в него устанавливается фирменный G-connector, упрощающий монтаж кабелей от передней/верхней панели корпуса.
Плата для оверклокеров не может не иметь гнезд для термодатчиков (парочка таких датчиков имеется в комплекте поставки).

Есть и места замеров вольтажей.

Материнская плата снабжена также и детектором шума, показания которого используются фирменным ПО.

Периферийная функциональность: USB-порты, сетевые интерфейсы, ввод-вывод
Теперь на очереди USB-порты и прочие вводы-выводы. И начнем с задней панели, куда выведены большинство из них.
Повторим: чипсет Z490 способен реализовать не более 14 портов USB, из которых может быть до 10 портов USB 3.2 Gen1, до 6 портов USB 3.2 Gen2, и/или до 14 портов USB 2.0.
Также мы помним и про 24 линии PCIe, которые идут на поддержку накопителей, сетевых и иных контроллеров (я выше уже показал на что и как расходуются 23 линии из 24).
И что мы имеем? Всего на материнской плате — 17 портов USB:
- 7 портов USB 3.2 Gen2: 4 реализованы через Z490 и представлены на задней панели портами Type-A (красного цвета); еще 1 реализован через USB 3.2 Gen1 от Z490 с преобразованием в Gen2 c помощью контроллера Realtek 5441 и представлен внутренним портом Type-C (для подключения к соответствующему разъему на передней панели корпуса); остальные 2 реализованы через Intel JHL 7540 (Thunderbolt) c помощью контроллеров Texas Instruments TPS65983BA и представлены двумя портами Type-C на задней панели;
- 4 портов USB 3.2 Gen1: 2 реализованы через Z490 и представлены портами Type-A на задней панели (синие); еще 2 реализованы через контроллер Realtek RTS5411E (на него потрачена 1 линия PCIe) и представлены внутренним разъемом на материнской плате на 2 порта;
- 6 портов USB 2.0/1.1: 4 реализованы через контроллер Genesys Logic GL850S (на него потрачена 1 линия PCIe) и представлены двумя внутренними разъемами (каждый на 2 порта); еще 2 реализованы через второй Genesys Logic GL850S (на него также потрачена 1 линия PCIe) и представлены 2 портами Type-A на задней панели (черные).
Итак, через чипсет Z490 реализовано 3 USB 3.2 Gen1 + 4 USB 3.2 Gen2 = 7 выделенных портов. Плюс 23 линии PCIe, выделенные на поддержку иной периферии (включая те же самые контроллеры USB). Итого у Z490 реализовано 30 высокоскоростных портов из 30. Напомню, что порты USB 2.0 у Z490 не входят в состав HSIO (14 портов USB 2.0 у Z490 имеются по умолчанию и служат для самостоятельной реализации, либо поддержки USB 3.2: в нашем случае — семи портов, то есть из 14 USB 2.0 задействовано 7).
Все быстрые USB порты Type-A/Type-C оснащены ре-драйверами PI3EQX от Pericom, дающими устойчивый вольтаж, способный обеспечить быструю зарядку мобильных гаджетов через них (для реализации имеется специальная фирменная утилита).
Наконец, одна из ключевых особенностей данной материнской платы, выделяющая ее среди остальных, это поддержка Thunderbolt 3 (Через контроллер JHL7540).
Данная версия интерфейса, разработанного Intel, поддерживает скорость передачи данных до 40 Гбит/с и до 6 устройств с одного выхода (через хабы). Главная особенность реализации Thunderbolt на этой плате — возможность вывода изображения на два приемника с разрешением до 4К (60FPS) или один с разрешением до 5К. Два разъема Type-C на задней панели платы как раз и обслуживаются Intel JHL7540 и могут работать как в режиме простого USB 3.2 Gen2, так и Thunderbolt 3.
В сумме теоретически можно подключить до 12 устройств, учитывая, что Thunderbolt 3.0 способен передавать до 40 Гбит/с.
Теперь о сетевых делах.
Материнская плата отлично оснащена средствами связи. Имеется скоростной Ethernet-контроллер Intel I225-V, способный работать по стандарту 2,5 Гбит/с.
Также плата оснащена самым быстрым на сегодня сетевым проводным 10 Гбит/с контроллером от Marvel (бывшая.Aquantia) AQC107.
Подобное двойное Ethernet-соединение, прежде всего, повышает стабильность обеспечения связи в случае подключения к двум провайдерам и обрыве связи от одного из них; позволяет разделить внутреннюю сеть (со своим роутером) с внешней сетью (интернет), что повысит безопасность; а также в целом вырастает производительность (эффективный обмен информацией).
Имеется и комплексный беспроводной адаптер на контроллере Intel AX-201NGW, через который реализованы Wi-Fi 6 (802.11a/b/g/n/ac/ax) и Bluetooth 5.0. Он установлен в слот M.2 (E-key), и его разъемы для привинчивания выносных антенн выведены на заднюю панель.
Заглушка, традиционно надеваемая на заднюю панель, в данном случае уже надета, и изнутри экранирована для снижения электромагнитных помех.
Теперь про блок ввода-вывода, разъемы для подключения вентиляторов и т. п. Разъемов для подключения вентиляторов и помп на самой плате — 8. Схема размещения коннекторов для систем охлаждения выглядит так:
Через ПО или BIOS контролируется все гнезда для подключения воздушных вентиляторов или помп: они могут управляться как через ШИМ, так и банальным изменением напряжения/тока.
За мониторинг состояния платы отвечает ITE IT8795E (осуществляющий получение информации с датчиков (мониторинг, а также Multi I/O — разъем PS/2 обслуживается также им).
А получает эту информацию, а также контролирует работу всех гнезд СО (а также в целом Milti I/O) контроллер ITE IT8688E.
Поскольку процессоры Intel могут иметь интегрированную графику, то плата имеет гнездо вывода HDMI версии 1.4. В помощь этому предназначен чип ASM1442 от ASMedia, который преобразует сигнал TMDS для поддержки стандарта 4К.
Аудиоподсистема
Мы знаем, что практически во всех современных материнских платах звуком заведует аудиокодек Realtek ALC1220. Он обеспечивает вывод звука по схемам до 7.1. Но обычно ставят один кодек, а здесь этих контроллеров — два. То есть имеем два аудиотракта.
Справа — тракт для вывода звука на обычные динамики через набор гнезд на задней панели.
Им заведует Realtek ALC1220-VB.
В нем используются ЦАП ESS Sabre9018, разделители каналов, операционный усилитель TI OPA1622, осциллятор Precise TXC, обеспечивающий точную работу ЦАП.
Есть защита от помех (препятствует появлению щелчков при подключении штекера) NEC-Tokin UC2.
В аудиоцепях платы применяются «аудиофильские» конденсаторы Wima.
Вторым трактом также заведует Realtek ALC1220-VB, расположенный уже на обороте печатной платы.
Ему сопутствуют свой ЦАП ESS Sabre9218, а также осциллятор.
Аудиотракты вынесены на угловую часть платы, не пересекаются с другими элементами. Все аудиоразъемы на задней панели имеют привычную цветовую окраску разъемов.
Для тестирования выходного звукового тракта, предназначенного для подключения наушников или внешней акустики, мы использовали внешнюю звуковую карту Creative E-MU 0202 USB в сочетании с утилитой RightMark Audio Analyzer 6.4.5. Тестирование проводилось для режима стерео, 24-бит/44,1 кГц. Во время тестирования ИБП тестового ПК физически отключался от электросети и работал на аккумуляторе.
По результатам тестирования аудиотракт на плате получил оценку «Хорошо» (оценка «Отлично» практически не встречается на интегрированном звуке, все же это удел уже полноценных звуковых карт). Итоги тестирования данного аудиотракта практически не отличаются от ранее полученных аналогичных результатов на плате Gigabyte Z490 Aorus Xtreme Waterforce (что логично, ибо платы по разводке и набору логики полностью идентичны).
Стоит особо упомянуть про бонус в комплекте поставки: внешний Hi-Fi ЦАП для использования в любом устройстве, имеющем возможность вывода звука через USB Type-C.
Представляет собой небольшое устройство-адаптер, подключаемый через Type-C к устройству вывода звука, на другом конце — 3.5 миниджек для подключения наушников.




Питание, охлаждение
Для питания платы на ней предусмотрены 4 разъема: в дополнение к 24-контактному ATX (он на правой стороне платы (на фото — слева), горизонтально ориентирован) здесь есть еще два 8-контактных EPS12V. Коннекторы имеют металлическую окантовку и надежно защищены от повреждений в случае слишком тугих разъемов от блоков питания, а также оснащены цельнометаллическими контактами, гарантирующих стабильную передачу питания.
Схема питания процессора выполнена по схеме 16+1 фаза.
Каждый канал фазы имеет суперферритовый дроссель и ISL99390 MOSFET от Intersil/Renesas на 90 А.
То есть в сумме такая мощнейшая система способна на работу с огромными токами. Управляет схемой ШИМ-контроллер ISL69269 от того же Intersil, рассчитанный максимум на 8 фаз.
Производитель не скрывает, что имеются удвоители фаз, которые расположены на обороте платы.
Это ISL6617A все от того же производителя Intersil (Renesas).
Так что фактическая схема питания процессора: 8х2 (для VCore)+1 (фаза для VCCSA). Питание VCCIO идет по двухфазной схеме c цифровым контроллером RT9018B от Richtek Technology (он на оборотной стороне платы).
А питание интегрированного графического ядра имеет однофазную схему.
Что касается модулей оперативной памяти, то здесь реализована также однофазная схема с ШИМ-контроллером RT8120D от того же Richtek.
Специалисты Gigabyte нам вещают, что данная плата поддерживает работу модулей памяти на частотах до 5000 МГц и выше через профили XMP. А именно, что многие модули памяти с гарантированной поддержкой 4400 МГц на этой плате смогут взять планку в 5000 МГц. В том числе и за счет особой разводки на печатной плате.
Вообще, традиционно уже Gigabyte в материнских платах флагманского уровня использует свою Ultra Durable технологию, предусматривающую удвоенный слой меди в цепях питания и заземления, помогающую не только улучшению прохождения сигналов (удалению помех), но и более эффективное теплорассеивание.
Теперь про охлаждение.
Все потенциально сильно греющиеся элементы имеют свои собственные радиаторы.
Как мы видим, охлаждение чипсета (один радиатор) организовано отдельно от силовых преобразователей. VRM-секция имеет свои два мощных радиатора, соединенные тепловой трубкой под прямым углом.
Как я уже упоминал ранее, M.2 слоты также имеют радиаторы: у верхнего M2A_CPU — свой персональный радиатор, у двух остальных — общий.
Следует напомнить, что плата обладает пластиной с оборотной стороны с так наноуглеродным покрытием, и пластина также принимает участие в охлаждении в местах нахождения VRM на лицевой стороне.
Над аудиоподсистемой и задним блоком портов установлен пластиковый кожух соответствующего дизайна, он оснащен подсветкой.
Подсветка
Топовые платы Gigabyte (как и других производителей) всегда имеют красивую подсветку. В данном случае красиво подсвечены кожухи заднего блока портов и чипсетного радиатора. Все это можно увидеть в ролике ниже.
Так же мы помним про 4 разъема для подключения внешней подсветки, и всем этим можно управлять через программу RGB Fusion.
Каким-то пользователям нравятся все эти световые дела, каким-то пользователям это не нравится, но они могут всегда отключить подсветку. Ряд производителей моддинговых корпусов с уже вмонтированной подсветкой «сертифицируют» поддержку программ ведущих производителей материнских плат, включая Gigabyte.
Программное обеспечение под Windows
Все программное обеспечение можно скачать с сайта производителя gigabyte.com. Основная программа — так сказать, менеджер всего «софта» — это Aorus App Center. Ее и следует установить первой.
App Center помогает загрузить все остальные нужные (и не совсем нужные) утилиты. Большинство из них запускается только из App Center. Эта же программа следит и за обновлениями установленного фирменного ПО от Gigabyte, а также за актуальностью прошивки BIOS.
Программа RGB Fusion 2.0 умеет распознавать все фирменные элементы Gigabyte, оснащенные подсветкой, включая модули памяти. Поэтому в нашем случае (а мы использовали видеокарту Gigabyte) мы могли управлять подсветкой обоих «обслуживаемых» элемента: материнской платы и видеокарты. У разъемов для адресуемых RGB-лент — самый богатый выбор режимов подсветки (у разъемов для обычных RGB-лент выбор режимов намного проще).
Можно задавать подсветку как для отдельных элементов, так и для всей группы в целом, а также записывать выбранные алгоритмы подсветки в профили, чтобы потом легко переключаться между ними.
Про остальные фирменные программы я повторяться не стану, уже детально освещал в материале по Gigabyte Z490 Aorus Xtreme Waterforce. Кратко лишь скажу, что утилита EasyTune — это для тех, кому неохота влезать в тонкости разгона: можно просто выбрать режим, чтобы система сама выставила все частоты и напряжения (технология Turbo Boost позволяет автоматически поднимать частоту работы ядер до определенных максимумов в пределах теплопакета и температуры конкретной модели процессора). Также в программе есть ручное управление теми самыми ШИМ-контроллерами, отвечающими за фазы питания. Другая интересная утилита — SIV. Она позволяет управлять вентиляторами: мы выбираем режимы, исходя из шумовых характеристик. Режимы «умные», то есть если вы выбрали, например, «тихий» режим, то частота вращения вентиляторов будет поддерживаться на минимальном уровне до тех пор, пока это возможно из-за нагрева процессора/платы (мы помним, что плата оснащена массой термодатчиков), затем сформируется сигнал для снижения частот в рамках Turbo Boost.
Настройки BIOS
Все современные платы сейчас имеют UEFI (Unified Extensible Firmware Interface), которые, по сути, являются операционными системами в миниатюре. Для входа в настройки при загрузке ПК традиционно надо нажать клавишу Del или F2.
Общее «простое» меню дает нам по сути одну информация (с выбором лишь некоторых опций), так что нажимаем F7 и попадаем уже в «продвинутое» меню.






Расширенные настройки (Advanced). В принципе стандартный набор позиций управления периферией, однако можно лишь в целом включать или выключать те или иные устройства (или группу), но настроить нет возможности настроить работу, например, каждого порта USB.
Загрузочное меня также обычно и привычно. А вот меню настройки работы вентиляторов очень удобно.



Конечно же, топовая материнская плата с четким позиционированием на геймеров/оверклокеров не может не иметь массы опций в плане ручного разгона.






Следует четко для себя понять: или полагаемся на автоматический оверклокинг, который уже по сути выжимает из процессора максимум, на что тот способен (особенно если речь идет об очень грамотной и мощной системе питания на материнской плате) — тогда из опций, представленных выше, потребуются лишь касаемые разгона памяти, ну и по процессору просто включить технологию Multi-Core Enhancement (MCE), которая в данном случае названа Milti-Core Performance.
Или же пользователь полагается на ручной разгон, знает кучу опций — зачем они и для чего, тогда MCE следует отключить, а также все остальные опции, следящие за энергопотреблением CPU, типа Speed Shift, VT-d, и другие. Хотя опыт говорит, что ручной разгон у такого рода современных процессоров что-то может дать только при наличии очень и очень мощной СО, по сути уже азотного охлаждения, ну или кастомной «водянки» с очень мощными помпой, вентиляторами и толстым радиатором.
Разгон
Полная конфигурация тестовой системы:
- материнская плата Gigabyte Z490 Aorus Xtreme;
- процессор Intel Core i5-10900K 3,7—5,3 ГГц;
- оперативная память Corsair UDIMM (CMT32GX4M4C3200C14) 32 ГБ (4×8) DDR4 (XMP 3200 МГц);
- накопители SSD OCZ TRN100 240 ГБ и Intel SC2BX480 480 ГБ;
- видеокарта Gigabyte GeForce RTX 2080 Super Gaming OC;
- блок питания ThermalTake Toughpower 1500 Вт;
- ЖСО Cooler Master MasterLiquid ML240P Mirage, усиленная вентиляторами NZXT и Enermax 3500 об/мин;
- телевизор LG 43UK6750 (43″ 4K HDR);
- клавиатура и мышь Logitech.
Программное обеспечение:
- операционная система Windows 10 Pro (v.1909), 64-битная
- AIDA 64 Extreme
- 3DMark Time Spy CPU benchmark
- 3DMark Fire Strike Physics benchmark
- 3DMark Night Raid CPU benchmark
- HWInfo64
- MSI Kombustor 3.5.0.4
- Adobe Premiere CS 2019 (рендеринг видеоролика)
Запускаем все в режиме по умолчанию (MCE включен в авто-режиме). Затем нагружаем тестом от AIDA. Получаем точно такую же картину, как уже видели на примере «старшей сестры» Gigabyte Z490 Aorus Xtreme Waterforce, когда технологии авторазгона смогли поднять частоты работы ядер с 3,7 до 5,3 ГГц. При этом потребление процессора подскочило выше 280 Вт (вольтажи все по процессору по умолчанию завышены).
Стоит напомнить, что Power Limit 2 (PL2) у 10900К позволит процессору достичь только 250 Вт, и то в течение 56 секунд максимум, после чего частоты будут сброшены, и цикл набора частот пойдет заново с тем, чтобы потребление не превысило PL2. Понятно, что при этом достичь даже 5 ГГц не получится — максимум 4.9 ГГц. И то не всегда. Поэтому в нашем случае ясно, что лимиты выключены.
При этом на 5,3 ГГц по всем ядрам процессор был уже близок к перегреву, несмотря на усиленный вой вентиляторов ЖСО. Остальные параметры работы системы — в норме. Температуры чипсета и области VRM не превышали 55 градусов. Понятно, что снова проблема в том, что вольтажи завышены: более 1,37В на ядре, ну и на блоке ввода-вывода тоже немало.
Опять же ранее проведенные тесты на нескольких уже материнских платах нам четко дали понять, что наш экземпляр процессора способен стабильно работать на частотах до 5,2 ГГц по всем ядрам, а при 5,3 ГГц — уже стабильность чуть хромает: надо кардинально усиливать ЖСО, но при этом все же вручную вольтажи подкрутить (уменьшить).
Поэтому я уже привычным путем выставил четко 5,2 ГГц по всем ядрам. Все тесты прошли без проблем. Разумеется, заслуга системы питания данной материнской платы очевидна. Опять же... Ну никакого смысла нет измерять — какой процент прироста производительности мы получили бы, если изначально запустили бы платформу с включенными лимитами PL2. Кто будет платить более 55 — 60 тысяч рублей за такую матплату ради использования процессора в лимитах 3,7 — 4,7 ГГц? Да и MCE по умолчанию в авторежиме, то есть потребитель купит плату (не меняя никаких настроек), поставит туда 10900К и сразу же получит частоты работы выше 5 ГГц (пусть и не по всем ядрам, и даже эпизодически, но все же это будет явно не штатные 3,7 ГГц).
Хотя ради интереса попробовал. Рендеринг вышеупомянутого ролика в Adobe Premiere при выключенном авторазгоне длился на 8% дольше, нежели при выставленных 5,2 ГГц по всем ядрам. Однако, подчеркну, что я практически не «дергал» многочисленные опции ручного разгона, полагаясь исключительно на авторазгон и заложенные производителем параметры «умного оверклокинга».
Выводы
Gigabyte Z490 Aorus Xtreme — это одна из самых функциональных материнских плат на рынке с очень высокой ценой, в этом плане она вполне может потягаться с представителями сегмента HEDT. Также у нее ожидаемо отличный комплект поставки.
Gigabyte Z490 Aorus Xtreme предлагает 17 портов USB разных видов (включая 7 очень быстрых USB 3.2 Gen2), 3 слота PCIe х16 (из которых первые два получают 16 линий PCIe от процессора с возможностью создать Nvidia SLI или AMD CrossFire), 3 слота M.2, 6 портов SATA, 8 разъемов для вентиляторов. Система питания процессора очень мощная, она способна обеспечить работу любых совместимых процессоров с огромным запасом на разгон. Плата имеет отличную систему охлаждения каждого потенциально греющегося элемента, включая накопители в слотах M.2. Плюс отменные сетевые возможности: два очень быстрых проводных контроллера (2,5 и 10 Гбит/с) и один самый современный беспроводной. Также у платы есть контроллер Thunderbolt, за счет которого реализованы очень быстрые порты USB Type-C с возможностью вывода изображения на приемники с огромным разрешением. Также в плюсы этой платы надо добавить неплохую подсветку, включая широкие возможности для подключения дополнительных RGB-устройств.
Плата, как и положено флагманам, имеет массу настроек для любителей разгона, и вполне готова обеспечить любой разгон — лишь бы СО справлялась.
В номинации «Оригинальный дизайн» плата Gigabyte Z490 Aorus Xtreme получила награду:

Благодарим компанию Gigabyte Russia
и лично Марию Ушакову
за предоставленную на тестирование плату
Также благодарим компанию Acronis
и лично Анну Кочарову за предоставление Premium лицензии Acronis True Image для тестовых стендов
Для тестового стенда:
ЖСО ThermalTake Pacific C360 предоставлена компанией ThermalTake
блок питания Corsair AX1600i (1600W) предоставлен компанией Corsair
термопаста Noctua NT-H2 предоставлена компанией Noctua





































































































