Оглавление
- Форм-фактор
- Технические характеристики
- Основная функциональность: чипсет, процессор, память
- Периферийная функциональность: PCIe, SATA, разные дополнительные устройства
- Периферийная функциональность: USB-порты, сетевые интерфейсы, ввод-вывод
- Аудиоподсистема
- Питание, охлаждение
- Подсветка
- Программное обеспечение под Windows
- Настройки BIOS
- Работоспособность (и разгон)
- Выводы
Мы продолжаем изучать – как устроена та или иная материнская плата, на что способна система питания, с каким ассортиментом периферии, а также программных средств она попадает к потребителю.
Исследование процессоров — в своем разделе.
Мы продолжаем изучать материнские платы для платформ от AMD, и сегодня в нашем фокусе продукт на базе среднебюджетного чипсета AMD B650E. Напомню, что чипсеты X670/X670E представляют собой набор из двух физических чипов (названных AMD как «восходящий» и «нисходящий»). Так вот, реально каждый из этих чипов представляет собой B650/650E. То есть, X670 = 2x B650. При этом все же при работе в виде «тандема» из двух B650 в лице X670, мы получаем не полностью удвоенные параметры B650: например, у B650 – 8 линий PCIe 4.0, но у X670 их не 16, а 12. Также и портов USB 3.2 Gen2 у B650 – до 6, однако у X670 – не до 12, а всего лишь до 8.
Чипсеты B650 и B650E, как и X670 и X670E отличаются между собой поддержкой версии PCIe 4.0 для слота PCIe x16 в случае без «Е» и версии PCIe 5.0 для того же слота в случае с «Е».
Таблица основных отличий чипсетов B650 и X670.
| Особенности | B650/B650E | X670/X670E |
|---|---|---|
| Совместимость с процессорами AMD | Ryzen 7xxx/8xxx/9xxx | Ryzen 7xxx/8xxx/9xxx |
| Версия PCIe (процессор) | 4.0 & 5.0/5.0 | 4.0 & 5.0/5.0 |
| Количество линий PCIe (процессор) | 28 | 28 |
| Количество линий PCIe от процессора на связь с чипсетом | x4 PCIe 4.0 | x4 PCIe 4.0 |
| Версия PCIe (чипсет) | 3.0 & 4.0 | 3.0 & 4.0 |
| Количество линий PCIe (чипсет) | 12 (8 x 4.0 & 4 x 3.0) | 20 (12 x 4.0 & 8 x 3.0) |
| Поколение ОЗУ | DDR5 | DDR5 |
| Количество каналов ОЗУ | 2 | 2 |
| Максимальное количество слотов ОЗУ | 4 | 4 |
| Максимальный объем ОЗУ | 192 ГБ | 192 ГБ |
| Количество портов SATA 6.0 Gb/s до | 4 | 8 |
| Порты USB 3.2 Gen 2x2 (20Gbps) до | 1 | 2 |
| Порты USB 3.2 Gen 2x1 (10Gbps) / Gen 1x1 (5Gbps) до | 6 | 8 |
| Порты USB 2.0 до | 6 | 12 |
| Возможность разгона по частоте шины | Да | Да |
Теперь возвращаемся к самой матплате.
Мы знаем, что у Gigabyte кроме собственного бренда есть суббренд Aorus, в который компания относит все самые навороченные и флагманские продукты. Вот наша сегодняшняя плата (несмотря на то, что базируется на среднебюджетном чипсете) относится к этой серии — Gigabyte B650E Aorus Pro X USB4, базируемая на AMD B650E.
Итак, что мы имеем?
Gigabyte B650E Aorus Pro X USB4 поставляется в традиционной для Aorus коробке из жесткого картона с фирменным орлиным дизайном серии. Комплект размещен под платой в отдельных отсеках.
Внутри суббренда Aoris данная плата не является флагманским решением, поэтому комплект поставки в целом скромен: кроме традиционных элементов типа руководства пользователя и кабелей SATA, имеются антенна встроенного Wi-Fi/BT-модуля, фирменный G-connector для передней панели, датчик шума, бонусные наклейки.
ПО не поставляется, впрочем за время путешествия платы к покупателю оно все равно успевает устареть, так что придется его обновлять с сайта производителя сразу после покупки.
«Заглушка» на заднюю панель с разъемами уже смонтирована на самой плате.
Форм-фактор
Форм-фактор ATX имеет размеры до 305×244 мм, а E-ATX — до 305×330 мм. Материнская плата Gigabyte B650E Aorus Pro X USB4 имеет размеры 305×244 мм, поэтому выполнена в форм-факторе ATX, и на ней имеются 9 монтажных отверстий для установки в корпус. Однако следует иметь в виду, что одно из девяти монтажных отверстий перекрыто радиатором для слота M.2 (M2A_CPU).
На оборотной стороне почти ничего нет, кроме жестких креплений процессорного сокета и слота PCIe 5.0 x16. Текстолит обработан хорошо: во всех точках пайки не только острые концы срезаны, но и все неплохо отшлифовано. Защитной пластины на задней стороне нет.
Технические характеристики
Традиционная таблица с перечнем функциональных особенностей.
| Поддерживаемые процессоры | AMD Ryzen 7xxx/8xxx/9xxx под AM5 |
|---|---|
| Процессорный разъем | AM5 |
| Чипсет | AMD B650E |
| Память | 4 × DDR5, до 192 ГБ, до DDR5-8000 (XMP/Expo), два канала |
| Аудиоподсистема | 1 × Realtek ALC1220 (7.1) |
| Сетевые контроллеры | 1 × Realtek RTL8125BG Ethernet 2.5 Гбит/с 1 × MediaTek Dual Band Wireless MT7925 (Wi-Fi 7 802.11a/b/g/n/ac/ax (2,4/5/6 ГГц) + Bluetooth 5.4) |
| Слоты расширения | 1 × PCI Express 5.0 x16 1 × PCI Express 4.0 x16 (режим x4) 1 × PCI Express 4.0 x16 (режим x2) |
| Разъемы для накопителей | 4 × SATA 6 Гбит/с (B650E) 1 × M.2 (M2A_CPU, CPU, PCIe 5.0 x4 для устройств формата 2260/2280/22110/25110) 2 × M.2 (M2B_CPU/M2C_CPU, CPU, PCIe 5.0 x4 для устройств формата 2280/22110)* 1 × M.2 (M2D_SB, B650E, PCIe 4.0 x4 для устройств формата 2280/22110) |
| USB-порты | 4 × USB 2.0: 4 порта Type-A (черные)(Genesys Logic GL850G) 4 × USB 2.0: 2 внутренних разъема на 4 порта (B650E) 2 × USB 3.2 Gen1: 1 внутренний разъем на 2 порта (B650E) 4 × USB 3.2 Gen1: 4 порта Type-A (синие) (RTS5411) 1 × USB 3.2 Gen2x2: 1 внутренний разъем Type-C (B650E) 2 × USB4: 2 порта Type-C (ASM4242) 2 × USB 3.2 Gen2: 2 порта Type-A (красные) (CPU) |
| Разъемы на задней панели | 2 × USB4 (Type-C) 2 × USB 3.2 Gen2 (Type-A) 4 × USB 3.2 Gen1 (Type-A) 4 × USB 2.0 (Type-A) 1 × RJ-45 2 аудиоразъема типа миниджек 1 × S/PDIF (оптический, выход) 1 × HDMI 2 антенных разъема кнопка перепрошивки BIOS — Q-Flash Plus |
| Прочие внутренние элементы | 24-контактный разъем питания ATX 2 8-контактных разъема питания EPS12V 1 слот M.2 (E-key), занят адаптером беспроводных сетей 1 разъем для подключения порта USB 3.2 Gen2x2 Type-C 1 разъем для подключения 2 портов USB 3.2 Gen1 2 разъема для подключения 4 портов USB 2.0 8 разъемов для подключения 4-контактных вентиляторов и помп ЖСО 1 разъем для подключения неадресуемой RGB-ленты 3 разъема для подключения адресуемой ARGB-ленты 1 разъем аудио для передней панели корпуса 1 разъем для сброса CMOS 1 разъем TPM для систем безопасности 1 разъем для подключения карт Thunderbolt 2 разъема для термодатчиков 1 разъем для подключения управления с передней панели корпуса 1 кнопка включения питания Power 1 кнопка перезагрузки Reset |
| Форм-фактор | ATX (305×244 мм) |
| Примерная цена | около 32 тысяч рублей на момент подготовки обзора |
* делят ресурсы со слотом PCIe 5.0 x16, подробности далее.
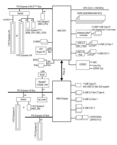
Основная функциональность: чипсет, процессор, память

Схема работы связки чипсет+процессор.
Все процессоры Ryzen 7000/8000/9000 поддерживают:
- 3 порта USB 3,2 Gen2 Type-C,
- 1 порт USB 3,2 Gen2 Type-A,
- 1 порт USB 2.0,
Только Ryzen 7000/9000 поддерживают:
- 28 линий ввода-вывода (включая PCI-E 5.0, в случае работы с A620 пониженные до версии 4.0):
- 4 линии из них (в случае чипсета A620 пониженные до версии 3.0) идут на взаимодействие с чипсетом,
- 16 линий — это PCI-E 4.0 слот для видеокарт,
- Осталось 8 линий PCIe 4.0:
- 4 линии — это слот M.2,
- остальные 4 могут конфигурироваться производителями материнских плат на выбор.
Только Ryzen 8700/8600 поддерживают:
- 20 линий ввода-вывода (PCIe версии 4.0):
- 4 линии из них (в случае чипсета A620 пониженные до версии 3.0) идут на взаимодействие с чипсетом,
- 8 линий — это PCI-E 4.0 слот для видеокарт,
- Осталось 8 линий PCIe 4.0:
- 4 линии — это слот M.2,
- остальные 4 могут конфигурироваться производителями материнских плат на выбор.
Только Ryzen 8500/8300 поддерживают:
- 14 линий ввода-вывода (PCIe версии 4.0):
- 4 линии из них (в случае чипсета A620 пониженные до версии 3.0) идут на взаимодействие с чипсетом,
- 4 линии — это PCI-E 4.0 слот для видеокарт,
- Осталось 6 линий PCIe 4.0:
- 4 линии — это слот M.2,
- остальные 2 могут конфигурироваться производителями материнских плат на выбор.
В свою очередь чипсет B650/B650E поддерживает до:
- 6 портов USB 3.2 Gen2,
- 1 порт USB 3.2 Gen2x2,
- 6 портов USB 2.0,
- 12 линий ввода-вывода:
- распределение линий: 8 PCIe 4.0 + 4 PCIe 3.0;
- линии PCIe 3.0 могут включать до 4 портов SATA.
Таким образом в сумме от тандема B650/B650E+Ryzen 7000/9000 мы получаем:
- 16 PCI-E 5.0 линий для видеокарт (от процессора);
- 1 порт USB 3.2 Gen2x2 (от чипсета);
- 10 портов USB 3.2 Gen2 (4 от процессора, 6 от чипсета);
- 7 портов USB 2.0 (1 от процессора, 6 от чипсета);
- 4 порта SATA 6Гбит/с (от чипсета, входят в состав линий PCIe 3.0)
- 8 линий PCIe 5.0 (от процессора), 4 из которых — на слот М.2, 4 — могут образовывать разные варианты комбинаций портов и слотов (в зависимости от производителя материнских плат);
- 8 линий PCI-E 4.0 ( от чипсета), которые могут образовывать разные варианты комбинаций портов и слотов (в зависимости от производителя материнских плат);
- 4 линии PCI-E 3.0 ( от чипсета), которые могут образовывать разные варианты комбинаций портов и слотов (в зависимости от производителя материнских плат).
Итого: до 18 портов USB, 20 свободных PCI-E линий (включая до 4 портов SATA).
Еще раз напомню, что чипсеты AMD B650 и B650E полностью равнозначны по функциональности (набору портов и линий), но слот PCIe x16 (для видеокарт), получаемый данные от процессора в случае B650E получает версию PCIe 5.0, а в случае B650 — 4.0.
Поколения Ryzen 7xxx/8xxx/9xxx поддерживают как традиционные уже модули памяти DDR5 c Intel XMP (Extreme Memory Profile) (которые через Direct Over Clock Profile (DOCP) подгоняются под характеристики, заложенные в XMP), так и модули с проприетарным от AMD профилем Expo.
Детально об этом всем имеется в материале по самому процессору Ryzen 9 7950X и архитектуре Zen4,
Gigabyte B650E Aorus Pro X USB4 поддерживает процессоры AMD поколения 7000/8000/9000, выполненные под разъем (сокет) AM5.
Для установки модулей памяти на плате имеется четыре DIMM-слота (для работы памяти в Dual Channel в случае использования всего 2 модулей их следует устанавливать в А2 и B2, они выделяются тем, что имеют металлическую окантовку). Плата поддерживает небуферизованную память DDR5, а максимальный объем памяти составляет 192 ГБ. Поддерживаются профили XMP и Expo.
Как выше уже было обозначено, два слота DIMM A2 и B2 имеют металлическую окантовку, которая препятствует деформации слотов и печатной платы при установке модулей памяти и защищает от электромагнитных помех. С той же целью проводники к ОЗУ тщательно экранированы.
Периферийная функциональность: PCIe, SATA, разные дополнительные устройства
Выше мы изучили потенциальные возможности тандема B650E+Ryzen, а теперь посмотрим, что из этого и как реализовано в данной материнской плате.
Итак, кроме USB-портов, к которым мы подойдем позже, чипсет B650E обладает 12 PCIe линиями. Считаем, сколько линий уходит на поддержку (связь) с тем или иным элементом:
- Переключатель: или слот PCIe x16_2 (4 линии PCIe 4.0) или порт M.2 (M2D_SB) (4 линии PCIe 4.0);
- Слот PCIe x16_3 (2 линии PCIe 4.0);
- SATA 0,1,2,3 (4 линии PCIe 3.0);
- Realtek RTL8125BG (Ethernet 2.5 Gb/s) (1 линия PCIe 4.0);
- Mediatek MT7925 WIFI7/BT (Wireless) (1 линия PCIe 4.0)
12 линий PCIe (8 версии 4.0 и 4 версии 3.0) оказались занятыми, включая 4 порта SATA.
Теперь посмотрим выше на то, как работают процессоры в данной конфигурации. У всех Ryzen 7xxx — 24 линии PCIe (плюс 4 линии на даунлинк с чипсетом). Смотрим распределение:
- Порт M.2 (M2A_CPU) (4 линии PCIe 5.0);
- Переключатель: или слот PCIe x16_1 (16 линий PCIe 5.0) и порты M.2 (M2C_CPU, M2B_CPU) отключены; или порты M.2 (M2C_CPU, M2B_CPU) активны (4 + 4 линии PCIe 5.0), но слот PCIe x16_1 получает 8 линий PCIe 5.0
В процессорах Ryzen встроен контроллер High Definition Audio (HDA), связь с аудиокодеком идет путем эмуляции PCI шины. А также контроллер USB 2.0 Genesys Logic GL850G использует линию USB 2.0 от CPU, а Realtek RTS5411 использует 1 линию USB 3.2 Gen1 от B650E (детали ниже в разделе USB портов).
Выше приведена полная схема распределения ресурсов по слотам PCIe. Всего на плате есть 3 слота PCIe: один PCIe x16 PCIe 5.0, получающий данные от процессора, и два «длинных» слота, получающие данные от B650E, но работающие по схеме x4 и x2.
«Процессорный» слот PCIe x16 имеет металлическое армирование, которое увеличивает надежность (что может быть важным в случае довольно частой смены видеокарт, но что более важно: такой слот легче выдержит нагрузку на изгиб в случае установки очень тяжелой видеокарты топового уровня. Кроме того, такая защита предохраняет слоты от электромагнитных помех. C оборотной стороны такой слот дополнительно укреплен.
Для удобного извлечения видеокарт из слота имеется специальный длинный боковой «рычаг» — EZ-фиксатор, что позволяет легко достать до замка слота.
Матплата позволяет смонтировать СО любого размера.
Поскольку имеются переключения работы слота PCIe x16_1 и портов М.2, то востребованы мультиплексоры от Lerain, специально предназначенные для работы с шиной PCIe 5.0.
Внешнего тактового генератора нет.
Для переключения ресурсов между слотом PCIe x16_2 и слотом M2D_SB используются мультиплексоры от Diodes Inc.
На очереди — накопители.
Всего у платы 4 разъема Serial ATA 6 Гбит/с + 4 слота для накопителей в форм-факторе M.2. Все порты SATA реализованы через чипсет B650E и поддерживают создание RAID.
Материнская плата имеет 4 гнезда форм-фактора М.2.
Все 4 слота поддерживают размеры модулей 22110/2280, также M2A_CPU поддерживает размер модулей 25110 и 2260. Все слоты работают с модулями только с PCIe интерфейсом, при этом три (M2A_CPU, M2B_CPU, M2C_CPU) из них получают данные от CPU, а один M2D_SB – от чипсета B650E.
Все M.2 слоты имеют радиаторы. Верхний M2A_CPU обладает отдельным радиатором, когда как остальные M.2 имеют общий радиатор.
Надо еще раз отметить, что только один М.2 слот M2A_CPU, получающий данные от CPU, не делит ресурсы ни с чем, остальные три слота M.2 делят: M2C_CPU и M2B_CPU делят ресурсы со слотом PCIe x16_1, а M2D_SB – со слотом PCIe x16_2. Выше я уже об этом говорил, там же можно видеть картинку распределения ресурсов.
Периферийная функциональность: USB-порты, сетевые интерфейсы, ввод-вывод
На очереди USB-порты. И начнем с задней панели, куда выведены большинство из них.
Повторим: чипсет B650E способен реализовать максимально: 6 портов USB 3.2 Gen2/1, 1 USB 3.2 Gen2x2, 6 портов USB 2.0. Процессор Ryzen 7000/8000/9000 способен реализовать до 4 портов USB 3.2 Gen2 и 1 USB 2.0.
Также мы помним и про 12 линий PCIe от чипсета, которые идут на поддержку накопителей, сетевых и иных контроллеров (я выше уже показал на что и как расходуются все 12 линий).
И что мы имеем? Всего на материнской плате — 19 портов USB:
- 2 порта USB4: оба реализованы через контроллер ASMedia ASM4242 (на него потрачена 1 линия USB 3.2 Gen2 от CPU) и представлены на задней панели двумя портами Type-C;
- 1 порт USB 3.2 Gen2x2: реализован через B650E и представлен внутренним портом Type-C для подключения к соответствующему разъему на передней панели корпуса;
- 2 порта USB 3.2 Gen2: все реализованы через B650E и представлены на задней панели двумя портами Type-A (красные);
- 6 портов USB 3.2 Gen1: 2 реализованы через B650E и представлены внутренним разъемом на материнской плате на 2 порта; еще 4 реализованы через контроллер Realtek RTS5411 (на него потрачена 1 линия USB 3.2 Gen1 от CPU) и представлены на задней панели 4 портами Type-A (синие);
- 8 портов USB 2.0/1.1: 4 реализованы через B650E и представлены двумя внутренними разъемами (каждый на 2 порта); еще 4 реализованы через контроллер Genesys Logic GL850G (на него потрачена 1 линия USB 2.0 от CPU) и представлены 4 портами Type-A на задней панели (черные).
Итак, через чипсет B650E реализовано 1 USB 3.2 Gen2x2, 2 USB 3.2 Gen2, 2 USB 3.2 Gen1 и 5 USB 2.0 портов (помним, что беспроводной контроллер требует одну линию USB 2.0).
Плюс 12 линий PCIe, выделенные на поддержку иной периферии. Итого, у B650E в данном случае реализовано 17 высокоскоростных портов.
Все быстрые USB порты Type-A/Type-C имеют свои усилители сигнала PI3EQX1004 от Diodes Inc.(ex Pericom).
А для нужд быстрой зарядки порт Type-C на задней панели и аналогичный внутренний порт для вывода на переднюю панель имеют редрайверы от Realtek.
Мы впервые видим встроенную в матплату поддержку USB4 в виде двух портов со скоростью до 40 ГБ/с для каждого, имеющие также встроенную поддержку вывода изображения в формате DP.
Теперь о сетевых делах.
Материнская плата оснащена средствами связи хорошо. Имеется скоростной Ethernet-контроллер: Realtek RTL8125D, способный выдавать до 2,5 Гбит/с.
Имеется и комплексный беспроводной адаптер на контроллере MediaTek MT7925, через который реализованы Wi-Fi 7 (802.11a/b/g/n/ac/ax/be) и Bluetooth 5.4. Он установлен в слот M.2 (E-key), и его разъемы для привинчивания выносных антенн выведены на заднюю панель.
В данном адаптере реализована новая схема подключения антенн – с помощью пластиковых замков (без завинчивания наконечников антенных проводов).
Заглушка, традиционно надеваемая на заднюю панель, в данном случае уже надета, и изнутри экранирована для снижения электромагнитных помех.
Аудиоподсистема
Мы знаем, что уже достаточно давно в большинстве современных материнских платах звуком заведовал аудиокодек Realtek ALC1220. Он обеспечивает вывод звука по схемам до 7.1 с разрешением до 24 бит / 192 кГц. В данном случае схема 7.1 реализована только через S/PDIF, а аналоговая упрощена до стерео.
Ни ЦАП, ни операционных усилителей нет.
В аудиоцепях платы применяются «аудиофильские» конденсаторы.
Аудиотракт вынесен на угловую часть платы, не пересекается с другими элементами. У карты два универсальных разъема с позолоченным покрытием по приему и выводу сигналов плюс оптический S/PDIF. Еще раз напомню, что вывод по схеме 7.1 возможен только через S/PDIF (аналоговая схема упрощена до стерео).
Питание, охлаждение
Для питания платы на ней предусмотрены 3 разъема: в дополнение к 24-контактному ATX здесь есть еще два ATX12V (8 контактов).
Для материнки на среднебюджетном чипсете система питания очень внушительная.
Внешне схема питания выглядит как 16+2+2: 16 фаз — ядро процессора, 2 фазы — SoC (I/O-чиплет Ryzen), 2 фазы — VDD_MISC (вывод встроенной графики).
Управляет фазами VCore и SoC цифровой контроллер RAA229620 от Renesas.
Фазы питания VDD_MISC — под управлением ШИМ-контроллера RT3672 от Richtek.
Каждая фаза VCore и SoC имеет по транзисторной сборке ISL99380 от Renesas (до 80А).
Схема питания VDD_MISC снабжена набором полевых транзисторов NTMFS4C10N/4C06N от On Semi (до 69А).
Теперь про охлаждение.
Все потенциально сильно греющиеся элементы имеют свои собственные радиаторы. Чипсет B650E имеет весьма широкий радиатор, он прекрасно справляется с охлаждением без вентилятора.
Остальной набор охлаждающих элементов весьма привычен.
Две группы силовых преобразователей имеют свои раздельные радиаторы, соединенные тепловой трубкой. На контроллере USB4 от ASMedia установлен отдельный небольшой радиатор.
У всех модулей M.2, как я уже выше отмечал, есть свои радиаторы с термоинтерфейсом. У верхнего — свой отдельный радиатор, у трех остальных — общий. Следует особо отметить, что слот M2A_CPU оснащен термопрокладками с обеих сторон. То есть под слотом также есть плоский тонкий радиатор.
Материнская плата не имеет бэкплейта с оборотной стороны.
Подсветка
Программное обеспечение под Windows
Настройки BIOS
Работоспособность (и разгон)
Запускаем все в режиме по умолчанию. Затем нагружаем тестами от OCCT.
Хорошо известно, что современные технологии авторазгона от Intel (Turbo Boost) и AMD (Precision Boost) базируют свои лимиты подъема частот на информации о системе питания на той или иной матплате, возможностях чипсета и т.д. (контроллеры – цифровые, в UEFI вся информация имеется).
Следует отметить, что у данной плата хорошо реализован контроль за частотой IF (Infinity Fabric) (разумеется, если она выставлена в режиме Auto), и множитель для частоты памяти автоматически подобран.
Мы видим, что авторазгон у этой платы в режиме работы по умолчанию сработал неплохо (до 4,8 ГГц по всем ядрам — это приличный уровень для матплаты на среднебюджетном чипсете). При этом стоит отметить, что во всех этих испытаниях мы не получили никаких нареканий на работу сопутствующих блоков, никаких перегревов или странных явлений не было.
Выводы
Материнская плата Gigabyte B650E Aorus Pro X USB4 — субфлагманский продукт компании на чипсете AMD B650E, представитель серии Aorus для процессорного разъема AM5 со стоимостью в районе 32—35 тысяч рублей. Плата поддерживает процессоры AMD Ryzen 7000/8000/9000 и создана для геймеров и продвинутых пользователей. Однако стоит иметь в виду, что на момент подготовки обзора весьма неплохие платы на чипсете AMD X670/X670E (а не на B650E), предлагающие более широкую поддержку периферии, были даже дешевле. Поддержка USB4 (с выводом картинки через DP/Type-C) резко подняла цену модели, а нужно ли это покупателям — решать им самим.
У Gigabyte B650E Aorus Pro X USB4 имеется 19 портов USB разных видов, включая два самых быстрых на сегодня порта USB4 и один уже не самый быстрый USB 3.2 Gen2×2. Оба порта USB4 обеспечивают скорость передачи данных до 40 ГБ/с и имеют поддержку вывода изображения в формате DP.
Основной слот PCIe х16 получает от процессора 16 линий PCIe 5.0, но все они достанутся видеокарте только в случае отказа от использования двух слотов M.2 (M2B_CPU, M2C_CPU), в противном случае слот PCIe x16_1 получит лишь 8 линий PCIe 5.0. Вообще, из четырех слотов M.2 только один доступен всегда (M2A_CPU), а четвертый (M2D_SB) делит ресурсы со слотом PCIe x16_2. Есть у платы и третий слот PCIe x16_3, который работает в режиме х2.
В арсенале этой модели также есть 4 порта SATA и 8 разъемов для вентиляторов. Несмотря на чипсет среднего уровня, система питания процессора у платы весьма мощная, почти как у старших решений на базе X670. Плата имеет систему охлаждения для каждого потенциально греющегося элемента, включая накопители в слотах M.2. Сетевые возможности включают один проводной контроллер 2,5 Гбит/с и один самый современный беспроводной Wi-Fi 7 + Bluetooth 5.4. В числе плюсов платы можно упомянуть подсветку на кожухе задних портов, а также широкие возможности для подключения дополнительных RGB-устройств.
Разумеется, Gigabyte B650E Aorus Pro X USB4 предлагает некоторые возможности для любителей разгона.















































































































