Оглавление
- Форм-фактор
- Технические характеристики
- Основная функциональность: чипсет, процессор, память
- Периферийная функциональность: PCIe, SATA, разные «прибамбасы»
- Периферийная функциональность: USB-порты, сетевые интерфейсы, ввод-вывод
- Аудиоподсистема
- Питание, охлаждение
- Подсветка
- Программное обеспечение под Windows
- Настройки BIOS
- Работоспособность (и разгон)
- Выводы
Полезные ссылки. Вот здесь основная статья по чипсету AMD B550. Имеются также обзоры дешевых процессоров от AMD серии Ryzen 3xxx, например здесь можно посмотреть результаты AMD Ryzen 3 3100 и 3300X. Также здесь можно увидеть результаты тестирования AMD Ryzen 5 3600XT, 3800XT и 3900XT.
Напомню, что компания AMD предназначает чипсет B550 для процессоров Ryzen исключительно последнего 3-го поколения (ну если кто будет читать этот материал после выхода Ryzen 4xxx, то — предпоследнего) ради наличия PCIe 4.0 у таких процессоров. Особо надо подчеркнуть, что вопреки распространенному явлению работоспособностей матплат на B550 с процессорами Ryzen 2ххх и даже Ryzen 1ххх, материнки от этого производителя выполнены в полном соответствии с требованиями AMD и поддерживают только Ryzen 3xxx.
Здесь вроде бы по правилам надо поговорить о том, что у производителей материнских плат модно иметь суббренды, серии для разнобюджетных решений. Когда мы говорим о матплатах для геймеров или оверклокеров – тут все понятно: куча опций для выжимания из процессора и ОЗУ максимума производительности, плюс «ништяки» типа: нажал на кнопку, и на лбу появилась татуировка «Gamer as a hell». Но вот относительно новые линейки продуктов как бы для создателей, созидателей, творческих личностей, дизайнеров, ну и просто конструкторов... Это Creator, Creation, Desingnare и т.п. Когда на обзор приходят подобные произведения у меня снова вздох: ну чего и как описывать? Убрали «пимпочки» для геймеров, и сразу продукт стал для «академиков»? Вообще-то я как-то считал, что конструкторы приходят в офис, где есть готовые уже решения, причем от брендов, собранные ими, то есть в таких организациях в голову не придет покупать матплаты для создателей контента, и на их основе уже собирать компы.
А что касается одиночных «креаторов», которые сами себе хозяева, то, полагаю, там в ход идет все, что угодно, лишь бы справлялось с задачами наиболее быстро и за приемлемую стоимость. Если попадется геймерская матплата, то и она подойдет. Поэтому как-то мне трудно понять, почему надо делать какие-то особенные материнки для такого рода потребления. Повышенная надежность и стабильность? – а разве в геймерских платах это не требуется? Отсутствие фишек для оверклокинга? – а разве в простых (не геймерско-оверклокерских) сериях этого нет? В общем, мое мнение – просто придумали себе серию для увеличения ассортимента и ничего более. Кто-то сделал первым, за ним понеслись остальные.
Вернемся к насущным делам. Хорошо известно, что у компании Gigabyte для такого рода плат была серия Designare, теперь она переименована в Vision. Что означают буквы после названия серии, почему тут D, а, скажем плат на Z490 называется Vision G, – малопонятно, и компания этого не объясняет.
Рассматриваемая ныне матплата Gigabyte B550 Vision D по замыслу производителя должна дать возможность создать на ее основе относительно недорогой, но вместе с тем очень производительный ПК для дизайнеров, видеомонтажеров и т.п. Ведь она должна прекрасно работать не только с дешевыми Ryzen, но и полноценно открывать потенциал дорогих Ryzen 3800/3900.
Ее и рассмотрим.
Gigabyte B550 Vision D поставляется в стандартной картонной коробке с совершенно новым дизайном для серии Vision. За основу был взят белый цвет, а черный логотип компании стал коричневым. Вероятно под игру с логотипом Ryzen от AMD.
Внутри коробки есть традиционные отсеки: для самой материнской платы, и остального комплекта.
Комплект поставки. Кроме традиционных элементов типа руководства пользователя и кабелей SATA, имеются: выносная антенна с подставкой для беспроводных соединений, разветвители для подключения подсветок, два термодатчика, винтики для монтажа модулей M.2, накопитель типа CD c ПО, фирменный адаптер G-connector, бонусный стикер.
«Заглушка» на заднюю панель с разъемами уже смонтирована на самой плате. Не забываем, что программное обеспечение за время путешествия платы к покупателю успевает устареть, так что придется его загружать с сайта производителя сразу после покупки.
Форм-фактор
Форм-фактор ATX имеет размеры до 305×244 мм, а E-ATX — до 305×330 мм. Материнская плата Gigabyte B550 Vision D имеет размеры 305×244 мм, поэтому выполнена в форм-факторе ATX, и на ней имеются 9 монтажных отверстий для установки в корпус. Правда для использования одного из них (около 8-контактного разъема питания EPS12V) придется снять элемент дизайна, прикрывающий и разъем, и отверстие.
На оборотной стороне из элементов имеются удвоители фаз, пара контроллеров и прочая мелкая логика. Обработан текстолит очень хорошо: во всех точках пайки острые концы срезаны и даже отшлифованы. Сама печатная плата выполнена в традиционном для Gigabyte стиле Ultra-durable, а эта технология предусматривает двойные медные слои в печатной плате для облегчения охлаждения и поднятия энергоэффективности. Защитной пластины на обороте нет.
Технические характеристики
Традиционная таблица с перечнем функциональных особенностей.
| Поддерживаемые процессоры | AMD Ryzen 3-го поколения (неофициально все Ryzen) |
|---|---|
| Процессорный разъем | AM4 |
| Чипсет | AMD B550 |
| Память | 4 × DDR4, до 128 ГБ, до DDR4-5400 (XMP), два канала |
| Аудиоподсистема | 1 × Realtek ALC1220-VB (7.1) |
| Сетевые контроллеры | 2 × Intel WGI211AT Ethernet 1,0 Гбит/с 1 × Intel Dual Band Wireless AX200NGW/CNVi (Wi-Fi 802.11a/b/g/n/ac/ax (2,4/5 ГГц) + Bluetooth 5.0) |
| Слоты расширения | 2 × PCI Express 4.0 x16 (режимы x16, x8 + x8) (поддерживается только AMD CF)(CPU) 1 × PCI Express 3.0 x16 (режим x4)(B550) |
| Разъемы для накопителей | 4 × SATA 6 Гбит/с (B550) 1 × M.2 (CPU, PCIe 4.0 x4/SATA для устройств формата 2242/2260/2280/22110) 1 × M.2 (B550, PCIe 3.0 x4/SATA для устройств формата 2242/2260/2280/22110) |
| USB-порты | 4 × USB 2.0: 2 внутренних разъема на 4 порта (Genesys Logic GL850S) 1 × USB 2.0: 1 порт Type-A (черный) на задней панели (Genesys Logic GL850S) 1 × USB 2.0: 1 порт Type-A (черный) на задней панели (B550) 2 × USB 3.2 Gen1: 1 внутренний разъем на 2 порта (B550) 4 × USB 3.2 Gen1: 4 порта Type-A (синие) (CPU) 2 × USB 3.2 Gen2: 2 порта Type-A на задней панели (красные) (B550) 2 × USB 3.2 Gen2: 2 порта Type-C на задней панели (Intel Thunderbolt 3) |
| Разъемы на задней панели | 2 × USB 3.2 Gen2 (Type-C) 2 × USB 3.2 Gen2 (Type-A) 4 × USB 3.2 Gen1 (Type-A) 2 × USB 2.0 (Type-A) 2 × RJ-45 1 × PS/2 комбинированный разъем 5 аудиоразъемов типа миниджек 1 × S/PDIF 1 × HDMI 1 × DisplayPort In 2 антенных разъема |
| Прочие внутренние элементы | 24-контактный разъем питания ATX 1 8-контактный разъем питания EPS12V 1 слот M.2 (E-key), занят адаптером беспроводных сетей 1 разъем для подключения 2 портов USB 3.2 Gen1 2 разъема для подключения 4 портов USB 2.0 8 разъемов для подключения 4-контактных вентиляторов и помп ЖСО 2 разъема для подключения неадресуемой RGB-ленты 2 разъема для подключения адресуемой ARGB-ленты 1 разъем аудио для передней панели корпуса 1 кнопка перепрошивки FlashBIOS 1 разъем TPM 2 разъема для подключения управления с передней панели корпуса 2 разъема подключения термодатчика |
| Форм-фактор | ATX (305×244 мм) |
| Розничные предложения |
Основная функциональность: чипсет, процессор, память
Согласно позиционированию данная плата относится к среднебюджетным. К сожалению, курс рубля сейчас таков, что уже платы за 20 тысяч рублей стали среднебюджетными.


Схема работы связки чипсет+процессор.
Процессоры Ryzen 3000 суммарно имеют 24 линии ввода-вывода (включая PCIe 4.0). 4 линии (в данном случае превращаясь в PCIe 3.0) идут на связь с чипсетом B550. Еще 16 линий — это PCIe слоты для видеокарт. Осталось 4 линии: они могут конфигурироваться производителями материнских плат на выбор (либо-либо):
- работа одного NVMe накопителя х4 (высокоскоростной PCI-E 4.0)
- два SATA-порта по х1 + 1 порт NVMe x2
- два порта NVMe x2
Также процессоры Ryzen 3-го поколения имеют встроенные 4 порта USB 3.2 Gen2.
В свою очередь чипсет B550 поддерживает в сумме 18 линий PCIe 3.0. Из них опять же 4 нужны для связи с CPU. Осталось 14 линий ввода-вывода, из которых 4 заняты портами SATA, а остальные 10 линий могут свободно конфигурироваться. Понятно, что скорее всего будет дефицит линий PCIe для размещения всей нужной периферии, и придется делить ресурсы.
Также B550 поддерживает 2 порта USB 3.2 Gen2, 2 порта USB 3.2 Gen1, 6 портов USB 2.0.
Таким образом в сумме от тандема B550+Ryzen 3000 мы получаем:
- 16 PCIe 4.0 линий для видеокарт (от процессора);
- 4 PCIe 4.0 линий от процессора + 10 PCIe 3.0 линий от чипсета, которые могут образовывать разные варианты комбинаций портов и слотов (в зависимости от производителя материнских плат);
- 4 порта SATA 6Гбит/с (от чипсета)
- 6 портов USB 3.2 Gen2 (4 от процессора, 2 от чипсета);
- 2 порта USB 3.2 Gen1 от чипсета;
- 6 портов USB 2.0 (от чипсета).
Итого: 14 портов USB, 4 порта SATA, 14 свободных PCIe линий.
Еще раз надо напомнить, что Gigabyte B550 Vision D поддерживает процессоры AMD Ryzen 3-го поколения, выполненные под разъем (сокет) AM4. Но, как показала практика, процессоры предыдущих поколений также поддерживаются.
Для установки модулей памяти на плате Gigabyte имеется четыре DIMM-слота (для работы памяти в Dual Channel в случае использования всего 2 модулей их следует устанавливать в А2 и B2. Плата поддерживает небуферизованную память DDR4 (поддерживаются как non-EСС, так и ECC), а максимальный объем памяти составляет 128 ГБ (при использовании UDIMM последнего поколения по 32 ГБ). Разумеется, поддерживаются профили XMP.
Слоты DIMM имеют металлическую окантовку, которая препятствует деформации слотов и печатной платы при установке модулей памяти и защищает от электромагнитных помех, и которая обычно всегда является составной частью именно флагманских материнских плат.
Периферийная функциональность: PCIe, SATA, разные «прибамбасы»
Выше мы изучили потенциальные возможности тандема B550+Ryzen, а теперь посмотрим, что из этого и как реализовано в данной материнской плате.
Итак, кроме USB-портов, к которым мы подойдем позже, чипсет B550 обладает 14 PCIe линиями (плюс 4 линии на аплинк с процессором). Считаем, сколько линий уходит на поддержку (связь) с тем или иным элементом (надо учитывать, что из-за дефицита PCIe линий некоторые элементы периферии делят их, и потому использовать одновременно нельзя: для этих целей у материнской платы существуют мультиплексоры):
- Переключатель: или слот M2B_SB (4 линии), или слот PCIe x4_1 (4 линии): максимум 4 линии;
- Intel Thunderbolt 3 (4 линии);
- ASmedia ASM1184e (выдает 2 линии для двух Intel WGI211AT (Ethernet 1,0Gb/s) (1 линия);
- Intel AX200NGW WIFI/BT (Wireless) (1 линия);
- 4 порта SATA_0,1,2,3 (4 линии)
14 линий PCIe оказались занятыми.
Контроллер Genesys Logic GL850S (4 USB 2.0 на 2х внутренних разъемах), а также второй GL850S (1 USB 2.0 на задней панели) используют линии портов USB 2.0.
Теперь посмотрим выше на то, как работают процессоры в данной конфигурации. У всех CPU этого плана всего 20 линий PCIe (плюс 4 линии на даунлинк с чипсетом). И их надо делить на два слота PCIe x16 (_1 и _2) плюс слот M.2 (M2A_CPU). Также в процессорах Ryzen имеется контроллер High Definition Audio (HDA), связь с аудиокодеком идет путем эмуляции PCI шины (есть ограничение на звук по схеме 7.1: до 32-бит/192 кГц).
То есть варианты переключения слотов в данном случае такие:
- Слот PCIe x16_1 имеет 16 линий (слот PCIe x16_2 отключен, всего одна видеокарта);
- Слот PCIe x16_1 имеет 8 линий, слот PCIe x16_2 имеет 8 линий (две видеокарты, режимы AMD CrossFire, а Nvidia SLI не поддерживается)
Ниже полная схема распределения ресурсов по слотам PCIe
Всего на плате есть 3 слота PCIe: два PCIe x16 (для видеокарт) и один PCIe x4 (несмотря на то, что он выполнен в форм-факторе x16). Если про первые PCIe x16 я выше уже рассказал (они подключены к CPU), то PCIe x4 подключен к B550 и при этом делит ресурсы со слотом M.2 (M2B_SB). Очевидно, что если потребуется задействовать больше одного M.2 слота, то третий «длинный» слот PCIe будет заблокирован.А в обратном случае возможна установка трех видеокарт и активизацию на них AMD CrossFire. Почему-то нет поддержки Nvidia SLI, при этом на других материнках на В550 таковая имеется.
У данной платы имеется распределение линий PCIe между слотами, поэтому востребованы мультиплексоры PI3DBS от Pericom (Diodes Corp).
Также необходимо переключение слота PCIe x4 и порта M2B_SB, для этих целей используются мультиплексоры ASM1480 от ASMedia.
Как и слоты для памяти, два первых слота PCIe x16 имеют металлическое армирование из нержавеющей стали, которое увеличивает их надежность (что может быть важным в случае довольно частой смены видеокарт, но что более важно: такие слоты легче выдержат нагрузку на изгиб в случае установки очень тяжелых видеокарт топового уровня). Кроме того, такая защита предохраняет слоты от электромагнитных помех.
Расположение PCIe слотов позволяет легко смонтировать СО любого уровня и класса.
Плата содержит также усилители (ре-драйверы) шины от Pericom/Diodes.
На очереди — накопители.
Всего у платы 4 разъема Serial ATA 6 Гбит/с + 2 слота для накопителей в форм-факторе M.2. (Еще один слот M.2, занят контроллером беспроводных сетей Wi-Fi/Bluetooth.). 4 порта SATA реализованы через чипсет B550 и поддерживают создание RAID. Размещены попарно по разным углам печатной платы, причем как в горизонтальной, так и в вертикальной ориентациях. Один из портов (SATA_3) имеет поддержку SATA DOM (Disk On Module).
Теперь про M.2. Материнская плата имеет 2 гнезда такого форм-фактора.
Еще раз отмечу, что один из них M2A_CPU получает данные от центрального процессора, поэтому поддерживают шину PCIe 4.0 (в случае использования Ryzen 3xxx и более новых).
Оба слота M.2 поддерживают модули размерами до 22110 включительно и с любым интерфейсом (PCIe или SATA). Второй М2B_SB подключен к чипсету B550 и делит ресурсы с нижним слотом PCIe x4 (который в форм-факторе PCIe x16).
Оба M.2 слота имеют собственные раздельные радиаторы, которые не связаны с какими-то иными устройствами охлаждения на данной плате.
Другие «прибамбасы» на плате.
В нашем случае, согласно «серьезному» позиционированию, у платы «фенечек» мало, даже таких завсегдатаев по «прибамбасам», как кнопок питания и перезагрузки, здесь нет.
Но при этом имеются световые индикаторы, сообщающие о проблемах с тем или иным компонентом системы.

Если после включения компьютера к моменту перехода на загрузку ОС все индикаторы погасли, то проблем нет.
Также есть и старое доброе табло с POST-кодами, сейчас как только его не называют: Q Code, Debug Port и др.
Продолжая разговор о световых индикаторах, надо упомянуть и возможности материнской платы по подключению RGB-подсветки. Имеется четыре разъема для подключения любых устройств этого плана: 2 разъема для подключения адресуемых (5 B 3 A, до 15 Вт) ARGB-лент/устройств и 2 разъема неадресуемых (12 В 3 А, до 36 Вт) RGB-лент/устройств. Разъемы объединены в пары (RGB+ARGB), разнесенные на противоположные края платы.
Схемы подключения стандартны для всех материнских плат, поддерживающих подсветку:
Контроль по синхронизации работы подсветки RGB возложен на процессор IT8795 от ITE. Второй такой контроллер отвечает за мониторинг.
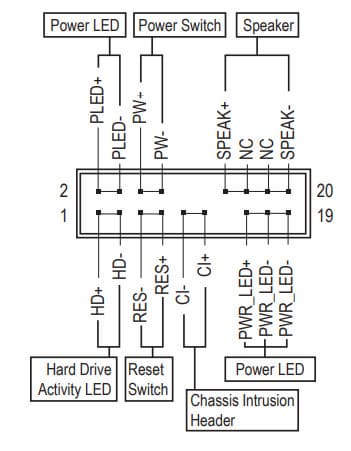
Есть и традиционный набор штырьков FPanel для подключения проводов к передней (а сейчас уже часто и верхней или боковой или все это сразу) панели корпуса.
Для удобства подключения проводов в комплекте поставки есть адаптер G-connector, в который вставляются все разъемы, а он уже одним разом в FPanel.

Для размещения прошивки UEFI/BIOS использованы микросхемы MX25U25673G от Macronix.
А вот микроконтроллер IT5702 от ITE (на том же снимке) управляет технологией «холодной» прошивки BIOS без включения самой платы (наличие ОЗУ, процессора и прочей периферии необязательно, нужно лишь подключить питание) — Q Flash Plus
Для этой цели на плате есть особая кнопка:
Для такого обновления BIOS версию прошивки надо вначале переименовать в gigabyte.bin и записать в корень на USB-«флешку», которая вставляется в особо отмеченный порт USB. В ролике ниже приведен пример работы Q Flash Plus на одной из плат Gigabyte.
Материнская плата в процессе прошивания нового BIOS не запускается — достаточно пассивного питания от БП.
Также у платы есть два посадочных места для проводов от внешних термодатчиков: сверху и снизу.


Для сбрасывания CMOS на заводские установки есть привычная перемычка.

Материнская плата имеет отдельный разъем для систем безопасности TPM.

Для поддержки старой, но крайне нужной периферии, требующей подключения через COM-порт, таковой имеется на этой плате. Если плата – для серьезных академиков, то у них наверняка найдется пара девайсов 15 летней давности, которым подавай только старые порты. :)
Заглушка, традиционно надеваемая на заднюю панель, в данном случае уже надета, и изнутри экранирована для снижения электромагнитных помех.
Периферийная функциональность: USB-порты, сетевые интерфейсы, ввод-вывод
На очереди USB-порты. И начнем с задней панели, куда выведены большинство из них.
Повторим: чипсет B550 способен реализовать максимально: 2 порта USB 3.2 Gen2, 2 порта USB 3.2 Gen1, 6 портов USB 2.0. Процессор Ryzen 3-го поколения способен реализовать до 4 портов USB 3.2 Gen2.
Также мы помним и про 14 линий PCIe, которые идут на поддержку накопителей, сетевых и иных контроллеров (я выше уже показал на что и как расходуются все 14 линий).
И что мы имеем? Всего на материнской плате — 16 портов USB:
- 4 порта USB 3.2 Gen2: 2 из них реализованы через B550 и представлены на задней панели 2 портами Type-A (красного цвета); еще 2 реализованы через Intel Thunderbolt 3 и представлены 2 портами Type-C на задней панели;
- 6 портов USB 3.2 Gen1: 2 реализованы через B550 и представлены внутренним разъемом на материнской плате на 2 порта; еще 4 реализованы через процессор и представлены на задней панели 4 портами Type-A (синего цвета);
- 6 портов USB 2.0/1.1: 4 реализованы через контроллер Genesys Logic GL850S (его тщательно «запихнули» прямо под слот PCIe (на него потрачен 1 порт USB 2.0 от B550) и представлены двумя внутренними разъемами (каждый на 2 порта); еще 1 реализован через другой контроллер Genesys Logic GL850S (на него потрачен 1 порт USB 2.0 от B550) и представлен портом Type-A на задней панели (черный); и еще 1 реализован через B550 и также представлен портом Type-A на задней панели (черный, он используется для Q Flash BIOS).
Итак, через чипсет B550 реализовано 2 USB 3.2 Gen1 + 2 USB 3.2 Gen2 = 4 выделенных скоростных порта, плюс 1 USB 2.0. А также 2 контроллера Genesys Logic GL850S имеют связь с B550 через 2 линии USB 2.0.
Таким образом B550 кроме вышеуказанных портов USB 3.2 еще реализовал 3 порта USB 2.0.
Плюс 14 линий PCIe, выделенные на поддержку иной периферии. Итого, у B550 в данном случае реализованы почти все его возможные скоростные порты.
Все быстрые USB порты Type-A/Type-C имеют свои усилители сигнала NB7N от On Semi.
Теперь о сетевых делах.
Материнская плата оснащена средствами весьма богато, и вместе с тем странно. Я как-то не припомню, чтобы на матплату ставились два совершенно одинаковых контроллера. А тут есть. Два Ethernet-контроллера Intel WGI211AT, способных работать по стандарту 1,0 Гбит/с.
При этом на оба эти контроллера тратится всего одна PCIe линия от B550, поскольку ее потребляет промежуточный процессор ASM1184e от вездесущей ASMedia.
Он умудряется раздваивать или даже растраивать линии PCIe, правда деградируя их в версии: 3.0 превращается в 2.0. Впрочем для сетевых контроллеров WGI211AT это не помеха. Поэтому оба прекрасно работают. Производитель упирает на отличное сочетание работы двух проводных контроллеров совместно с cFosSpeed (cFos Software GmbH), известным ПО, управляющим и оптимизирующим сетевые протоколы за счет алгоритмов приоритизации трафика.
Имеется и комплексный беспроводной адаптер на контроллере Intel AX200NGW, через который реализованы Wi-Fi (802.11a/b/g/n/ac/ax) и Bluetooth 5.0. Он установлен в слот M.2 (E-key), и его разъемы для привинчивания выносных антенн через провода выведены на заднюю панель.
На плате имеется и очень дорогой высокоскоростной контроллер Intel JHL7540, реализующий технологию Intel Thunderbolt3.
При этом по малопонятной причине при анонсах таких материнских плат, а также в руководстве пользователя избегали наименования Thunderbolt3, а использовали кодовое обозначение этой технологии Titan Ridge. Поэтому еще летом при анонсах фигурировало понятие «неофициальной поддержки Thunderbolt3». На сайте Gigabyte уже есть открытое обозначение TB3, поэтому могу предположить, что на момент запуска продуктов в серию еще не была закончена соответствующая сертификация матплат, поэтому Gigabyte не могла официально использовать термин «Thunderbolt3».
Тем не менее, TB3 полностью реализован в данной матплате, имеется два высокоскоростных Type-C порта на задней панели, которые вне работы по протоколу Thunderbolt3 (до 40 Гбит/с) функционируют как USB 3.2 Gen2 (до 20 Гбит/с).
Для реализации именно USB 3.2 Gen2 имеются два контроллера TPS65983B от Texas Instruments.
Полагаю, что детали по TB3 не нужны, все и так в курсе этой технологии. Надо сказать, что для полноценной реализации возможностей по выводу огромных разрешений на матплате есть порт DisplayPort, работающий только на прием изображения с видеокарты.

Теперь про блок ввода-вывода, разъемы для подключения вентиляторов и т. п. Разъемов для подключения вентиляторов и помп — 8. Схема размещения коннекторов для систем охлаждения выглядит так:
Через ПО или BIOS контролируется все 8 гнезд для подключения воздушных вентиляторов или помп: они могут управляться как через ШИМ, так и банальным изменением напряжения/тока.
Контролем за работой всех гнезд СО занимается процессор ITE (также осуществляющий Multi I/O).
А мониторинг, как мы помним, возложен на второй контроллер IT8795e.
Поскольку в 3-м поколении процессоров Ryzen уже есть решения с интегрированным GPU, то наряду с DisplayPort In (работающим только на прием графики) у материнской платы имеется вывод встроенной в CPU графики по HDMI. Для реализации вывода по версии HDMI 2.1 предусмотрен контроллер HD3SS215 от Texas Instruments.
Аудиоподсистема
Как и во всех современных материнских платах звуком заведует аудиокодек Realtek ALC1220. Он обеспечивает вывод звука по схемам до 7.1.
Аудиотракт не имеет ни операционных усилителей, ни ЦАП. В аудиоцепях платы применяются «аудиофильские» конденсаторы Nichicon Fine Gold.
Аудиотракт вынесен на угловую часть платы, не пересекается с другими элементами. Разумеется, левый и правый каналы разведены по разным слоям печатной платы. Все аудиоразъемы на задней панели имеют привычную нам цветовую окраску, что дает возможность легко ориентироваться без чтения надписей.
Конечно же в целом это обычная стандартная аудиоподсистема, способная удовлетворить запросы большинства пользователей, не ожидающих от звука на материнской плате чудес.
Питание, охлаждение
Для питания платы на ней предусмотрены 2 разъема: в дополнение к 24-контактному ATX здесь есть еще один 8-контактный EPS12V.
Элемент дизайна прикрывает разъемы EPS12V и для вентилятора, а также отверстие для крепления матплаты, однако он легко снимается.
Система питания для среднебюджетного уровня матплаты очень даже неплоха: 14 фазная схема.
Каждый канал фазы имеет суперферритовую катушку и мосфеты SiC651 и SiC651A, рассчитанные на максимальный ток в 50А от Vishay Siliconix. Суммарный ток, который позволяет данная система питания, может составлять до 600А.
Управляет фазами ШИМ-контроллер RAA 229004 от Renesas, рассчитанный максимум на 8 фаз.
На обороте матплаты находим удвоители/даблеры фаз.
Это ISL6617A от Intersil (Infineon).
Таким макаром мы видим классический уже вариант схемы с удвоением фаз, когда ШИМ-контроллер реально командует 8-ю фазами, при этом 6 их них идет на ядро процессора (6х2 = 12), а еще две фазы уже без удвоения напрямую управляют блоком SoC.
Что касается модулей оперативной памяти, то здесь все проще: реализована однофазная схема c контроллером RT8120 от Richtek.
Теперь про охлаждение.
Все потенциально сильно греющиеся элементы имеют свои собственные радиаторы.
Как мы видим, охлаждение чипсета (один радиатор) организовано отдельно от силовых преобразователей. При этом размеры радиатора потрясают воображение!
VRM-секция имеет свои два раздельных радиатора, соединенных друг с другом тепловой трубкой под прямым углом.
Я ранее говорил о том, что охлаждение модулей M.2 организовано отдельно от охлаждения чипсета и VRM. И оба M.2 порта имеют свои отдельные радиаторы.
Над блоком разъемов задней панели и аудиотрактом установлен кожух соответствующего дизайна.
Подсветка
Обычно игровые платы Gigabyte оснащаются красивой подсветкой. Но вот в случае решений для «академиков конструкторских наук» подсветка запрещается во избежание ухудшения самовосприятия внутреннего мира. Так что в данном случае есть только 4 разъема для подключения внешней подсветки, и всем этим можно управлять через программу RGB Fusion.
Ряд производителей моддинговых корпусов с уже вмонтированной подсветкой «сертифицируют» поддержку программ ведущих производителей материнских плат, включая Gigabyte.
Программное обеспечение под Windows
Настройки BIOS
Работоспособность (и разгон)
Запускаем все в режиме по умолчанию. Затем нагружаем тестами от AIDA, и OCCT.
Максимальная частота работы ядер получилась 4,47 ГГц (то есть почти на максимуме для 3600ХТ). Через какое-то время очень плавно частота «съехала» до 4,3 ГГц. Ну что же, просто отлично! Матплата не оверклокерская, однако система питания такова, что позволила процессору сразу выдать максимум по частоте, заложенный AMD. При этом нагрев процессора максимально — 81°С (пиковые редкие моменты, а львиную долю времени нагревался до 66-68 градусов), блока VRM и чипсета B550 не превышал 45 °C, необычных явлений не замечено. То есть плату даже практически не надо настраивать, по умолчанию все идет на максимуме, лишь бы была система охлаждения хорошей.
И вот тут забавное. В фирменной утилите EasyTune врубил режим ОС.
Бац, и 4 ГГц только. И ни с места выше. Получается, что режим по умолчанию, что выставлен через UEFI BIOS, дает процессору работать на более высокой частоте. Специалистам Gigabyte явно надо чесать репу над алгоритмами режима ОС у вышеупомянутой утилиты.
Выводы
Gigabyte B550 Vision D — материнская плата из серии Vision на среднебюджетном чипсете. Ее средняя цена на момент подготовки обзора — в районе 20 тысяч рублей. Плата серьезная и стильная черно-белая. Функциональность у нее отличная: 16 портов USB разных видов (включая 4 самых быстрых USB 3.2), 2 высокоскоростных порта Thunderbolt3 (да-да, Intel Titan Ridge, как застенчиво написано в руководстве), 4 порта SATA, два проводных гигабитных сетевых контроллера и беспроводной Wi-Fi 802.11ac + Bluetooth 5.0, два слота M.2 (один из них подключен к процессору и может воспользоваться преимуществами PCIe 4.0), плюс, конечно же, два слота PCIe x16 для видеокарт, также поддерживающие PCIe 4.0 (при установке процессоров серии Ryzen 3000). Система питания способна обеспечить работу любых совместимых процессоров в турборежиме. Плата имеет 8 разъемов для подключения вентиляторов и помп, радиаторами оснащены все накопители в слотах M.2.
В общем, плюсов у данной платы очень много, вопрос лишь в том, адекватна ли ее стоимость. В сегменте дорогих плат предложений полно, в том числе на чипсете X570 (в сравнении с ними у моделей на B550 явным преимуществом выглядит лишь отсутствие вентилятора на чипсете). Для тестирования плат на В550 мы получили от AMD новый Ryzen 5 3600XT, однако как показывает опыт, системы питания многих плат на B550 спокойно обеспечат работу и старших процессоров вплоть до Ryzen 7 3950X, позволяя им на авторазгоне достигать максимально заложенных AMD частот.
Стоит напомнить, что чипсет AMD B550 предусматривает поддержку процессоров Ryzen 3-го и будущего (4-го) поколений с PCIe 4.0, однако сам реализует только PCIe 3.0, и платы на В550 прекрасно работают с процессорами Ryzen предыдущих поколений (разумеется, с ограничениями этих процессоров в том числе по поддержке USB-портов и версии PCIe).. Все, кроме плат от Gigabyte. И это надо помнить.
Благодарим компанию Gigabyte Russia
и лично Марию Ушакову
за предоставленную на тестирование плату
Также благодарим компанию Acronis
и лично Анну Кочарову за предоставление Premium-лицензии Acronis True Image для тестовых стендов
Для тестового стенда:
ЖСО Cooler Master MasterLiquid ML240P Mirage предоставлена компанией Cooler Master
блок питания Corsair AX1600i (1600W) предоставлен компанией Corsair
термопаста Noctua NT-H2 предоставлена компанией Noctua































































































