Оглавление
- Форм-фактор
- Технические характеристики
- Основная функциональность: чипсет, процессор, память
- Периферийная функциональность: PCIe, SATA, разные «прибамбасы»
- Периферийная функциональность: USB-порты, сетевые интерфейсы, ввод-вывод
- Аудиоподсистема
- Питание, охлаждение
- Подсветка
- Программное обеспечение под Windows
- Настройки BIOS
- Работоспособность (и разгон)
- Выводы
Хорошо известно, что компания AMD предложила пользователям чипсет B550 как более дешевую и малогреющуюся альтернативу весьма горячему X570. Первый имеет собственную поддержку шины PCIe только версии 3.0 (когда как последний обеспечивает 4.0 по всей периферии, требующей PCIe линий). Ну и у B550 в целом меньше линий PCIe и USB-портов.
Однако, как посчитали в AMD, огромному количеству потребителей и не требуется все богатство периферии, предлагаемое X570. Поддержка PCIe 4.0 для слотов под видеокарты все равно обеспечивается процессорами Ryzen 3xxx/5xxx, а также все матплаты на X570/B550 имеют слоты M.2, также связанные с процессорами, и на которых также имеется поддержка PCIe 4.0 (в случае версий Ryzen выше 2ххх). То, что второй (или даже третий) M.2 слот в случае с B550 будет работать только по стандарту PCIe 3.0, не сильно принизит популярность данного чипсета. Насчет уменьшения количества линий у В550 также не должно вызывать особых проблем: пользователям обычно хватает набора периферии у таких чипсетов. Понятно, что на B550 никто не будет выпускать супер-флагманские решения, которые мы могли видеть на основе AMD X570.
Первые месяцы после появления матплат на В550 ценники на них поражали воображение, делая покупку таких материнок совершенно глупым делом, ибо можно было найти какие-то модели на Х570 даже дешевле. Понятно, что практически все матплаты с Х570 имеют вентиляторы на этих микросхемах, которые подчас досаждают своими акустическими способностями (попробуйте, будучи под видеокартой, охладить очень буйный Х570 (выполненный по 14 нм, и потому ужасно горячий) и при этом лениво помахивая лопастями: тут и 3000 оборотов в минуту будет подчас мало). И вариант с В550 в этом плане более интересен. И вот сейчас, по прошествии более чем полгода, можно уже найти материнки на В550 по более-менее адекватным ценам, к тому же огромное количество матплат на Х570 уже снято с производства, их на рынке не так уж и много, что совпадает со стратегией AMD, желающей переноса Х570 в премиум-сегмент, чтобы четко развести по ценовым нишам В550 и Х570).
Напомню, что при старте В550 компания AMD рекламировала его исключительно для Ryzen 3xxx (тогда 5ххх процессоров еще не было), потому что только у такого тандема хоть где-то есть линии PCIe 4.0 (разумеется, процессорные). И тогда тот факт, что В550 — это PCIe 3.0 и только 3.0 — не будет тревожить слух потребителей, привыкших уже к тому, что от AMD уже давно все выходит с поддержкой PCIe 4.0. Мы еще весной проверяли работоспособность матплат на В550 с Ryzen 2xxx и даже 1ххх: проблем не было. Теперь уже этот вопрос полностью потерял актуальность, так как Ryzen 1xxx очень давно снят с производства, продаются складские остатки, и разумные потребители будут сочетать такие процессоры с дешевыми матплатами тех же лет выпуска, да и Ryzen 2xxx уже как-то вряд ли в умах пользователей соотносится с В550, не говоря про Х570. Поэтому само собой так вышло, что матплаты на В550 наиболее актуальны для владельцев / покупателей Ryzen 3xxx/5xxx.
Переходим к изучению нашей матплаты. Хорошо известно, что у компании Asus есть суббренд Republic Of Gamers (ROG). Под этим логотипом выходят все самые крутые решения, на которые только способна компания в целом. Даже логотип Asus постепенно пропадает с выходом новых решений: вот и нынешний продукт полностью под брендом ROG.
И даже внутри ROG есть разделение на самые премиальные, флагманские решения и продукты чуть по-проще. Первые имеют особые названия без упоминаний чипсетов (например для чипсетов от AMD — Crosshair (массовый сегмент) и Zenith (HEDT), а для чипсетов от Intel — Maximus (массовый сегмент) и Rampage (HEDT)). Понятно, что в среде премиальных решений ROG нет мест для не топовых чипсетов.
Вторые — это серия ROG Strix (плюс название чипсета), где уже могут быть как топовые чипсеты, так и среднебюджетные. Вот наша плата как раз относится к этой серии — ROG Strix B550-F Gaming (Wi-Fi). Также стоит напомнить, что ранее мы изучали уже ее старшую сестру: ROG Strix B550-E Gaming, и надо отметить, что смена буквы «E» на «F» не просто так, не маркетинговый ход: платы реально отличаются друг от друга ассортиментом периферии. Частично об это есть в начальном видеоролике.
Поехали.
ROG Strix B550-F Gaming (Wi-Fi) поставляется в стандартной картонной коробке с фирменным дизайном ROG (впрочем малозаметный логотип Asus также присутствует, так что пока бренд ROG тесно связан с Asus).
Внутри коробки есть традиционные отсеки: для самой материнской платы, и остального комплекта.
Комплект поставки не банален, однако по неизвестной причине к нам плата прибыла без антенны для беспроводных соединений (спасибо коллегам из смежных изданий или блогерам). Кроме традиционных элементов типа руководства пользователя и кабелей SATA (что уже много лет является обязательным набором ко всем материнкам), имеются: разветвители для подключения подсветок, винтики для монтажа модулей M.2, накопитель типа CD c ПО, бонусные стикеры, брелок и наклейки. Повторю, что еще должна быть выносная антенна для беспровода.
Стоит отметить, что «заглушка» на заднюю панель с разъемами уже смонтирована на самой плате. Не забываем, что программное обеспечение за время путешествия платы к покупателю успевает устареть, так что придется его загружать с сайта производителя сразу после покупки.
Форм-фактор
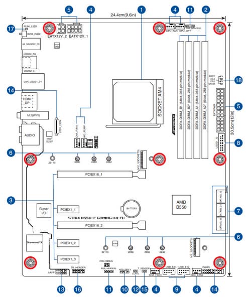
Форм-фактор ATX имеет размеры до 305×244 мм, а E-ATX — до 305×330 мм. Материнская плата ROG Strix B550-F Gaming (Wi-Fi) имеет размеры 305×244 мм, поэтому выполнена в форм-факторе ATX, и на ней имеются 9 монтажных отверстий для установки в корпус.
На оборотной стороне из элементов имеется только мелкая логика. Обработан текстолит неплохо: во всех точках пайки острые концы срезаны. Сама печатная плата имеет 6 слоев и выполнена на отличном уровне.
Технические характеристики
Традиционная таблица с перечнем функциональных особенностей.
| Поддерживаемые процессоры | AMD Ryzen 3xxx / 4xxx/ 5xxx (неофициально все Ryzen) |
|---|---|
| Процессорный разъем | AM4 |
| Чипсет | AMD B550 |
| Память | 4 × DDR4, до 128 ГБ, до DDR4-4400 (XMP), два канала |
| Аудиоподсистема | 1 × Realtek ALC1220 (перемаркирован в SupremeFX) (7.1) + операционные усилители R4580I и OPA1688A от Texas Instruments |
| Сетевые контроллеры | 1 × Intel I225-V Ethernet 2,5 Гбит/с 1 × Intel Dual Band Wireless AX200NGW/CNVi (Wi-Fi 802.11a/b/g/n/ac/ax (2,4/5 ГГц) + Bluetooth 5.0) |
| Слоты расширения | 1 × PCI Express 4.0 x16 (режим x16, (SLI/CrossFire))(CPU) 1 × PCI Express 3.0 x16 (режим x4/x1)(B550) 3 × PCI Express 3.0 x1 (B550) |
| Разъемы для накопителей | 6 × SATA 6 Гбит/с (B550) 1 × M.2 (CPU, PCIe 4.0/3.0 x4/SATA для устройств формата 2242/2260/2280/22110) 1 × M.2 (B550, PCIe 3.0 x4/SATA для устройств формата 2242/2260/2280/22110) |
| USB-порты | 4 × USB 2.0: 2 внутренних разъема на 4 порта (Genesys Logic GL852G) 2 × USB 2.0: 2 порта Type-A (черные) на задней панели (B550) 2 × USB 3.2 Gen1: 1 внутренний разъем на 2 порта (B550) 2 × USB 3.2 Gen1: 2 порта Type-A (синие) на задней панели (B550) 2 × USB 3.2 Gen1: 2 порта Type-A (синие) на задней панели (CPU) 1 × USB 3.2 Gen2: 1 порт Type-A (красный) на задней панели (CPU) 1 × USB 3.2 Gen2: 1 порт Type-C на задней панели (CPU) |
| Разъемы на задней панели | 1 × USB 3.2 Gen2 (Type-C) 1 × USB 3.2 Gen2 (Type-A) 4 × USB 3.2 Gen2 (Type-A) 2 × USB 2.0 (Type-A) 1 × RJ-45 5 аудиоразъемов типа миниджек 1 × оптический аудио S/PDIF 1 × HDMI 1 × DisplayPort 2 антенных разъема 1 кнопка перепрошивки BIOS — Flashback |
| Прочие внутренние элементы | 24-контактный разъем питания ATX 1 8-контактный разъем питания EPS12V 1 4-контактный разъем питания EPS12V 1 слот M.2 (E-key), занят адаптером беспроводных сетей 1 разъем для подключения 2 портов USB 3.2 Gen1 2 разъема для подключения 4 портов USB 2.0 6 разъемов для подключения 4-контактных вентиляторов и помп ЖСО 2 разъема для подключения неадресуемой RGB-ленты 1 разъем для подключения адресуемой ARGB-ленты 1 разъем аудио для передней панели корпуса 1 разъем Thunderbolt 2 разъема для подключения управления с передней панели корпуса 1 разъем подключения термодатчика |
| Форм-фактор | ATX (305×244 мм) |
| Розничные предложения |
Основная функциональность: чипсет, процессор, память
То, что данная плата относится к среднебюджетным, видно с первого взгляда: и по количеству портов, слотов, кнопок и прочего, и по комплекту поставки.


Схема работы связки чипсет+процессор.
Процессоры Ryzen 3000/5000 суммарно имеют 24 линии ввода-вывода (включая PCIe 4.0). 4 линии (в данном случае превращаясь в PCIe 3.0) идут на связь с чипсетом B550. Еще 16 линий — это PCIe слоты для видеокарт. Осталось 4 линии: они могут конфигурироваться производителями материнских плат на выбор (либо-либо):
- работа одного NVMe накопителя х4 (высокоскоростной PCI-E 4.0)
- два SATA-порта по х1 + 1 порт NVMe x2
- два порта NVMe x2
Также процессоры Ryzen 3000/5000 имеют встроенные 4 порта USB 3.2 Gen2.
В свою очередь чипсет B550 поддерживает в сумме 18 линий PCIe 3.0. Из них опять же 4 нужны для связи с CPU. Осталось 14 линий ввода-вывода, из которых 4 заняты портами SATA, а остальные 10 линий могут свободно конфигурироваться. Понятно, что скорее всего будет дефицит линий PCIe для размещения всей нужной периферии, и придется делить ресурсы.
Также B550 поддерживает 2 порта USB 3.2 Gen2, 2 порта USB 3.2 Gen1, 6 портов USB 2.0.
Таким образом в сумме от тандема B550+Ryzen 3000/5000 мы получаем:
- 16 PCIe 4.0 линий для видеокарт (от процессора);
- 4 PCIe 4.0 линий от процессора + 10 PCIe 3.0 линий от чипсета, которые могут образовывать разные варианты комбинаций портов и слотов (в зависимости от производителя материнских плат);
- 4 порта SATA 6Гбит/с (от чипсета);
- 6 портов USB 3.2 Gen2 (4 от процессора, 2 от чипсета);
- 2 порта USB 3.2 Gen1 от чипсета;
- 6 портов USB 2.0 (от чипсета).
Итого: 14 портов USB, 4 порта SATA, 14 свободных PCIe линий.
Еще раз надо напомнить, что ROG Strix B550-F Gaming (Wi-Fi) поддерживает процессоры AMD Ryzen всех поколений, выполненные под разъем (сокет) AM4 (официально только Ryzen 3000/5000).
Для установки модулей памяти на плате ROG имеется четыре DIMM-слота (для работы памяти в Dual Channel в случае использования всего 2 модулей их следует устанавливать в А2 и B2). Плата поддерживает небуферизованную память DDR4 (non-EСС), а максимальный объем памяти составляет 128 ГБ (при использовании UDIMM последнего поколения по 32 ГБ). Разумеется, поддерживаются профили XMP.
Слоты DIMM не имеют металлической окантовки, которая препятствует деформации слотов и печатной платы при установке модулей памяти и защищает от электромагнитных помех, и которая обычно всегда является составной частью именно флагманских материнских плат.
Периферийная функциональность: PCIe, SATA, разные «прибамбасы»
Выше мы изучили потенциальные возможности тандема B550+Ryzen, а теперь посмотрим, что из этого и как реализовано в данной материнской плате.
Итак, кроме USB-портов, к которым мы подойдем позже, чипсет B550 обладает 14 PCIe линиями (плюс 4 линии на аплинк с процессором). Считаем, сколько линий уходит на поддержку (связь) с тем или иным элементом (надо учитывать, что из-за дефицита PCIe линий некоторые элементы периферии делят их, и потому использовать одновременно нельзя: для этих целей у материнской платы существуют мультиплексоры):
- Переключатель: или порты SATA_5/6 (2 линии), или слот M.2_2 (4 линии): максимум 4 линии;
- Переключатель: или слот PCIe x16_2 (1 линия)) + слот PCIe x1_1 (1 линия) + слот PCIe x1_2 (1 линия) + слот PCIe x1_3 (1 линия), или слот PCIe x16_2 в режиме PCIe x4: максимум 4 линии;
- Intel i225-V (Ethernet 2,5Gb/s) (1 линия);
- Intel AX201NGW WIFI/BT (Wireless) (1 линия);
- 4 порта SATA_1,2,3,4 (4 линии)
14 линий PCIe оказались занятыми. Замечу особо, что всего у платы 6 портов SATA, а штатно от чипсета распределено всего 4 таких порта. Остальные два порта SATA используют свободные PCIe линии (в данном случае они делятся между портами SATA 5/6 и слотом M.2_2).
Контроллер Genesys Logic GL852G (4 USB 2.0 на 2х внутренних разъемах) использует линии портов USB 2.0. Также одна линия USB 2.0 используется для связи с контроллером подсветки — Aura. Подробнее в разделе по USB-портам.
Теперь посмотрим выше на то, как работают процессоры в данной конфигурации. У всех CPU этого плана всего 20 линий PCIe (плюс 4 линии на даунлинк с чипсетом). И их надо делить на слот PCIe x16_1 и слот M.2_1. В процессорах Ryzen встроен контроллер High Definition Audio (HDA), связь с аудиокодеком идет путем эмуляции PCI шины (есть ограничение на звук по схеме 7.1: до 32-бит/192 кГц). Вариантов переключения слотов PCIe x16 нет из-за наличия всего одного такого.
Ниже полная схема распределения ресурсов по слотам PCIe.
Всего на плате есть 5 слотов PCIe: два PCIe x16 (для видеокарт или других устройств) и три «коротких» PCIe x1 (второй, четвертый и пятый по счету). Если про первый PCIe x16_1 я выше уже рассказал (он подключен к CPU), то второй PCIe x16_2 (третий по счету) подключен к B550 и максимально работает в режиме х4. Он также делит ресурсы с тремя слотами PCIe x1_1/1_2/1_3: если какие-либо из последних заняты, то слот PCIe x16_2 работает в режиме PCIe x1, а если PCIe x1_1/1_2/1_3 свободны, то слот PCIe x16_2 получает x4, и только тогда можно организовать режим AMD CrossFire из двух видеокарт.
У данной платы всего один полноценный PCIe x16 слот, распределения линий PCIe у него однозначное, поэтому мультиплексоры не востребованы.
А вот переключение слотов PCIe x16_2 и PCIe x1 необходимо, поэтому для этих целей используются мультиплексоры ASM1480 от ASMedia.
В отличие от слотов для памяти, слот PCIe x16_1 имеет металлическое армирование из нержавеющей стали, которое увеличивает надежность (что может быть важным в случае довольно частой смены видеокарт, но что более важно: такой слот легче выдержит нагрузку на изгиб в случае установки очень тяжелой видеокарты топового уровня). Кроме того, такая защита предохраняет слот от электромагнитных помех.
Расположение PCIe слотов позволяет легко смонтировать СО любого уровня и класса. Усилителей (ре-драйверов) шины не замечено.
На очереди — накопители.
Всего у платы 6 разъемов Serial ATA 6 Гбит/с + 2 слота для накопителей в форм-факторе M.2. (Еще один слот M.2, спрятанный под кожухом блока разъемов задней панели, занят контроллером беспроводных сетей Wi-Fi/Bluetooth.). 6 портов SATA реализованы через чипсет B550 и поддерживают создание RAID.
Напомню, что порты SATA 5,6 делят ресурсы с M.2_2, поэтому есть мультиплексор ASM1480.
Теперь про M.2. Материнская плата имеет 2 гнезда такого форм-фактора.
Оба слота M.2 поддерживают модули с любым интерфейсом (и размера до 22110 включительно). Второй M.2_2 получает данные от чипсета B550 и делит ресурсы с портами SATA 5 и 6.
Первый M.2_1 реализован уже от процессорных линий.
Оба M.2 слота на самой матплате имеют два раздельных радиатора, которые не связаны с какими-то иными устройствами охлаждения на данной плате.
Периферийная функциональность: USB-порты, сетевые интерфейсы, ввод-вывод
На очереди USB-порты. И начнем с задней панели, куда выведены большинство из них.
Повторим: чипсет B550 способен реализовать максимально: 2 порта USB 3.2 Gen2, 2 порта USB 3.2 Gen1, 6 портов USB 2.0. Процессор Ryzen 3000/5000 способен реализовать до 4 портов USB 3.2 Gen2.
Также мы помним и про 14 линий PCIe, которые идут на поддержку накопителей, сетевых и иных контроллеров (я выше уже показал на что и как расходуются все 14 линий).
И что мы имеем? Всего на материнской плате — 14 портов USB:
- 2 порта USB 3.2 Gen2: все реализованы через процессор и представлены на задней панели портом Type-A (красного цвета) и портом Type-C;
- 6 портов USB 3.2 Gen1: 4 реализованы через B550 и два представлены внутренним разъемом на материнской плате на 2 порта , а еще два представлены на задней панели портами Type-A (синего цвета); 2 реализованы через процессор и представлены на задней панели портами Type-A (синего цвета);
- 6 портов USB 2.0/1.1: 4 реализованы через контроллер Genesys Logic GL852G (на него потрачен 1 порт USB 2.0 от B550) и представлены двумя внутренними разъемами (каждый на 2 порта); еще 2 реализованы через B550 и представлены портами Type-A на задней панели (черные).
Итак, через чипсет B550 реализовано 4 USB 3.2 Gen1 и 2 USB 2.0 выделенных порта. Плюс контроллер Genesys Logic GL852S имеет связь с B550 через 1 линию USB 2.0, плюс технология BIOS Flashback задействует 2 порта USB 2.0, а также один USB 2.0 использует контроллер Aura.
Таким образом B550 кроме вышеуказанных портов USB 3.2 еще реализовал 6 портов USB 2.0.
Плюс 14 линий PCIe, выделенные на поддержку иной периферии (включая те же самые контроллеры USB). Итого, у B550 в данном случае реализованы все его возможные порты.
Все быстрые USB порты Type-A/Type-C имеют свои усилители сигнала Pericom PI3EQX.
А для нужд быстрой зарядки порт Type-C на задней панели имеет редрайвер от ASMedia ASM1543.
Теперь о сетевых делах.
Материнская плата оснащена средствами связи скромно, но неплохо. Имеется скоростной Ethernet-контроллер Intel I225-V, способный работать по стандарту 2,5 Гбит/с.
Имеется и комплексный беспроводной адаптер на контроллере Intel AX200NGW, через который реализованы Wi-Fi (802.11a/b/g/n/ac/ax) и Bluetooth 5.0. Он установлен в слот M.2 (E-key), и его разъемы для привинчивания выносных антенн выведены на заднюю панель.


Аудиоподсистема
Как и во всех современных материнских платах звуком заведует аудиокодек Realtek ALC1220 (он и в данном случае есть — просто Asus всегда его во что-то перемаркировывает, в данном случае в SupremeFX). Он обеспечивает вывод звука по схемам до 7.1.
также аудиотракт содержит два операционных усилителя R4580I и OPA1688A от Texas Instruments.
В аудиоцепях платы применяются «аудиофильские» конденсаторы Nichicon Fine Gold .
Аудиотракт вынесен на угловую часть платы, не пересекается с другими элементами. Разумеется, левый и правый каналы разведены по разным слоям печатной платы. Все аудиоразъемы на задней панели имеют привычную нам цветовую окраску.
В целом очевидно, что это в целом стандартная аудиоподсистема, способная удовлетворить запросы большинства пользователей, не ожидающих от звука на материнской плате чудес.
Питание, охлаждение
Для питания платы на ней предусмотрены 3 разъема: в дополнение к 24-контактному ATX здесь есть еще два EPS12V (4-х и 8-ми контактные).
Система питания весьма продвинутая для среднебюджетного уровня матплаты, мы видим 14 фаз.
Каждый канал фазы имеет суперферритовую катушку и MOSFET SiC639 от Vishay.
Традиционно для ROG используются цифровые контроллеры серии Digi+. В данном случае Digi+ EPU ASP1106, который рассчитан максимум на 6 фаз.
Следовательно используется уже стандартная для ROG схема программного управления фазами без удвоителей фаз. Учитывая, что в этой схеме нет фирменного процессора TPU (TurboV Processing Unit), который на более старших платах распределяет включение/выключение фаз, то используется просто параллельная схема: 12 фаз для ядра преобразуются в 4 (три физических идут за одну на контроллере), а еще 2 для SoC преобразуются в 1.
Что касается модулей оперативной памяти, то здесь все проще: реализована однофазная схема на мосфетах от Vishay.
Теперь про охлаждение.
Все потенциально сильно греющиеся элементы имеют свои собственные радиаторы.
Как мы видим, охлаждение чипсета (один радиатор) организовано отдельно от силовых преобразователей.
VRM-секция имеет свои два раздельных радиатора.
Я ранее говорил о том, что охлаждение модулей M.2 организовано отдельно от охлаждения чипсета и VRM. И оба M.2 порта имеют свои отдельные радиаторы.
Над блоком разъемов задней панели установлен кожух соответствующего дизайна , он оснащен подсветкой.
В отличие от версии платы B550-E, в данном случае чипсетный радиатор нет имеет подсветки.
Подсветка
Программное обеспечение под Windows
Настройки BIOS
Работоспособность (и разгон)
Запускаем все в режиме по умолчанию. Затем нагружаем тестами от AIDA, и CPU-Z.
Здесь следует особо выделить вот что: для исследования работы данной платы я нарочно взял самый топовый на сегодня процессор (спасибо компании AMD за сэмпл) Ryzen 9 5950X, чтобы проверить работу системы питания материнки. Да, собственно, чем она плоха для флагманского процессора? Тем, что B550 не поддерживает PCIe 4.0 и имеет урезанное количество линий PCIe и USB-портов по сравнению с X570? — Ну для кого-то этот фактор может не играть никакой роли, зато нет проблем с шумом чипсетного вентилятора, которым снабжены почти все матплаты на X570. А вот знать — как система питания обеспечит данный процессор, — очень важно. Хорошо известно, что современные технологии авторазгона от Intel (Turbo Boost) и AMD (Precision Boost) базируют свои лимиты подъема частот на информации о системе питания на той или иной матплате (UEFI содержит все данные на сей счет). Поэтому и имеет смысл даже среднебюджетные матплаты проверять на топовых процессорах. Понятно, что нет никакого смысла соединять в тандемы слишком простые и малобюджетные материнские платы с флагманскими процессорами (никто, будучи в здравом уме, не станет совершать подобные приобретения).
Также нам хорошо известно, что внутренняя шина процессоров Ryzen — Infinity Fabric очень чувствительна к разгону, и ранее ее частота не должна была превышать 1800 МГц, а теперь на Ryzen 5xxx серии отдельные экземпляры процессоров могут работать и 2000 МГц по этой шине. Хотя практика показала, что как правило, все же 5ххх «райзены» в массе своей не переваривают повышение IF выше 1900 МГц. А IF связана с частотой работы памяти множителями. По умолчанию он равен 1. То есть расчет на частоту работы памяти не выше 3600 МГц. Но уже много памяти на рынке с XMP профилями выше 4000 МГц, и тут все зависит от конкретной модели матплаты: на каких-то надо вручную выставлять частоту IF или памяти, а также множителей, а какие-то модели автоматически выставят частоту IF не выше 1800 МГц вне зависимости от частоты работы памяти с XMP профилем (просто подберут нужный множитель). Данная плата от Asus способна сама реализовать контроль за частотой IF, держа ее не выше 1800 МГц (разумеется, если она выставлена в режиме Auto).
Итак, мы видим, что система питания сработала отлично, и максимальные разовые всплески частот работы ядер получились на уровне 4,75 ГГц, когда как в массе времени они работали на 4,5 ГГц. И это против базовой частоты в 3,4 ГГц, просто отменно! При этом нагрев процессора был ограничен способностями нашей СВО — 86 — 89°С, блок VRM не нагревался выше 75 °C и чипсет B550 не выше 50 °C, необычных явлений не замечено. Максимальное потребление процессором достигло величины в 200 Вт.
Включаем режим AI-Optimized (фирменный режим EZ System Tuning интеллектуального разгона в BIOS).
Хахаха, мы получили прирост частоты с базовой 3,4 до... 4,0 ГГц. Забавно. Очевидно, что этот режим на данной плате или не оптимизирован, или в его пресетах явная ошибка.
Также мы знаем, что у AMD есть мощный программный инструмент для оптимизации работы процессоров Ryzen — Ryzen Master. Эта программа тщательно «щупает» системные ресурсы (прежде всего систему питания), тестирует максимально возможные частоты работы процессора при условии гарантии стабильности работы. Устанавливаем его и задаем авторазгон с тестированием.
Вот тут уже тесты идут даже на частотах выше 5 ГГц (разумеется по некоторым ядрам). Что мы получили в итоге?
По сути примерно то же самое, что матплата выставила на процессоре по умолчанию — 4,5 ГГц, то есть Ryzen Master оценил систему питания материнки ровно также.
Раз у нас геймерская матплата, то сам Бог велел запустить Gamer Mode и попробовать авторазгон.
Ведь при этом половина ядер просто выключается (игр больше 8 ядер и не нужно), и в целом нагрев процессора и его потребление падают, а значит есть шанс на оставшихся 8 ядрах получить еще более высокие частоты.
И это действительно получилось! Пусть и ненамного, но все же частоты выросли. При этом остальные параметры работы матплаты остались теми же. Понятно, что это стресс-тесты, которых в жизни не бывает, и процессор никогда не будет загружен так капитально по всем ядрам одновременно, а значит показанные выше параметры нагрева/потребления — теоретически максимальны.
То есть можно сказать смело: кто хочет играть на 5950X — смело ставьте Ryzen Master и включайте Gamer Mode с авторазгоном, тогда выжмете из процессора максимум. Приводить какие-то конкретные числа не стану, вскоре у нас выйдет очень большой материал по тестированию нескольких AMD Ryzen в различных играх, там будут все детали.
А что касается авторазгона в целом данного процессора на конкретной матплате, то по сравнению с его работой на базовой частоте (без автооверклокинга, если вырубить AMD PBO) все показатели выросли от 7% до 25% в зависимости от приложения. Понятно, что это опять же теория, на практике все равно процессоры такого рода будут поднимать частоты работы выше базового значения. Но вот на сколько... Тут решают система питания матплаты и эффективность СО.
Выводы
Asus ROG Strix B550-F Gaming (Wi-Fi) — материнская плата на среднебюджетном чипсете, отнесенная к геймерской серии Strix бренда ROG. Модель довольно дорогая для своей ниши: за примерно такие же деньги можно найти плату на AMD X570 — пусть с вентилятором на чипсете, но зато с собственным PCIe 4.0 (B550 поддерживает только PCIe 3.0, но процессорные разъемы могут быть с PCIe 4.0) и более широкой поддержкой периферии. Правда, не факт, что такие платы будут иметь столь же отменную систему питания, ведь именно она является главным козырем ROG Strix B550-F Gaming (Wi-Fi).
Для среднебюджетной модели функциональность у рассмотренной платы очень хорошая. Она имеет 14 портов USB разных видов (включая 2 самых быстрых на сегодня), 2 слота PCIe х16 (из которых первый получает 16 линий PCIe от процессора) с возможностью создать AMD CrossFire, 3 слота PCIe x1 для карт расширения, 2 слота M.2, 6 портов SATA. Система питания процессора способна обеспечить работу любых совместимых процессоров в турборежиме (однако для этого потребуется серьезная СО). Плата имеет 6 разъемов для подключения вентиляторов и помп, радиаторами оснащены все накопители в слотах M.2. Дополняют картину два сетевых контроллера: проводной 2,5-гигабитный и беспроводной, реализующий Wi-Fi 802.11ac и Bluetooth 5.0. Стоит отметить наличие подсветки, включая широкие возможности для подключения дополнительных RGB-устройств.
Чипсет AMD B550 предусматривает поддержку процессоров Ryzen 3000/4000/5000 с PCIe 4.0, однако сам аппаратно реализует только PCIe 3.0. Это надо учитывать, устанавливая, например, накопители в слоты M.2 (один из них подключен к процессору и реализует PCIe 4.0, а второй — к В550, там скорость обмена информацией ограничена интерфейсом PCIe 3.0).
Тесты нашего SSD Gigabyte Aorus Gen4 показали следующее. При установке в M.2_1 (получающий данные от CPU с PCIe 4.0) картина вот такая:

А если его же переставить в M.2_2 (получающий данные от B550 с PCIe 3.0), то получим:

Чипсет B550 греется не сильно, ему, в отличие от AMD X570, не требуется вентилятор. Основная причина низкого нагрева чипсета в том, что В550 произведен силами ASMedia по относительно тонкому техпроцессу, в отличие опять же от X570, который выпущен самой компанией AMD по более старому техпроцессу (на основе системной логики серверных Epyc).
Стоит напомнить, что несмотря на официальные спецификации AMD, платы на В550 прекрасно работают с процессорами Ryzen всех поколений (разумеется, с учетом возможностей этих процессоров в плане поддержки тех же USB-портов).
И что еще важно: технологии авторазгона AMD тщательно «щупают» систему питания и выставляют максимально возможные частоты работы только на решениях премиального уровня, так что под разгон надо приобретать серьезную плату (вроде рассмотренной сегодня). Также не забывайте, что даже для автоматического разгона нужны очень приличные СО.
Благодарим компанию Asus Russia
и лично Евгения Бычкова
за предоставленную на тестирование плату
Также благодарим компанию Gigabyte Russia
и лично Евгения Лесикова
за предоставление Gigabyte Aorus Gen4 SSD 500G для тестового стенда
Особо благодарим компанию Super Flower
за предоставление блока питания Super Flower Leadex Platinum 2000W












































































































